Page image
Page image

39

8.—7

Appropriations for Consolidated Fund Services

STAMP DUTIES DEPARTMENT —continued.

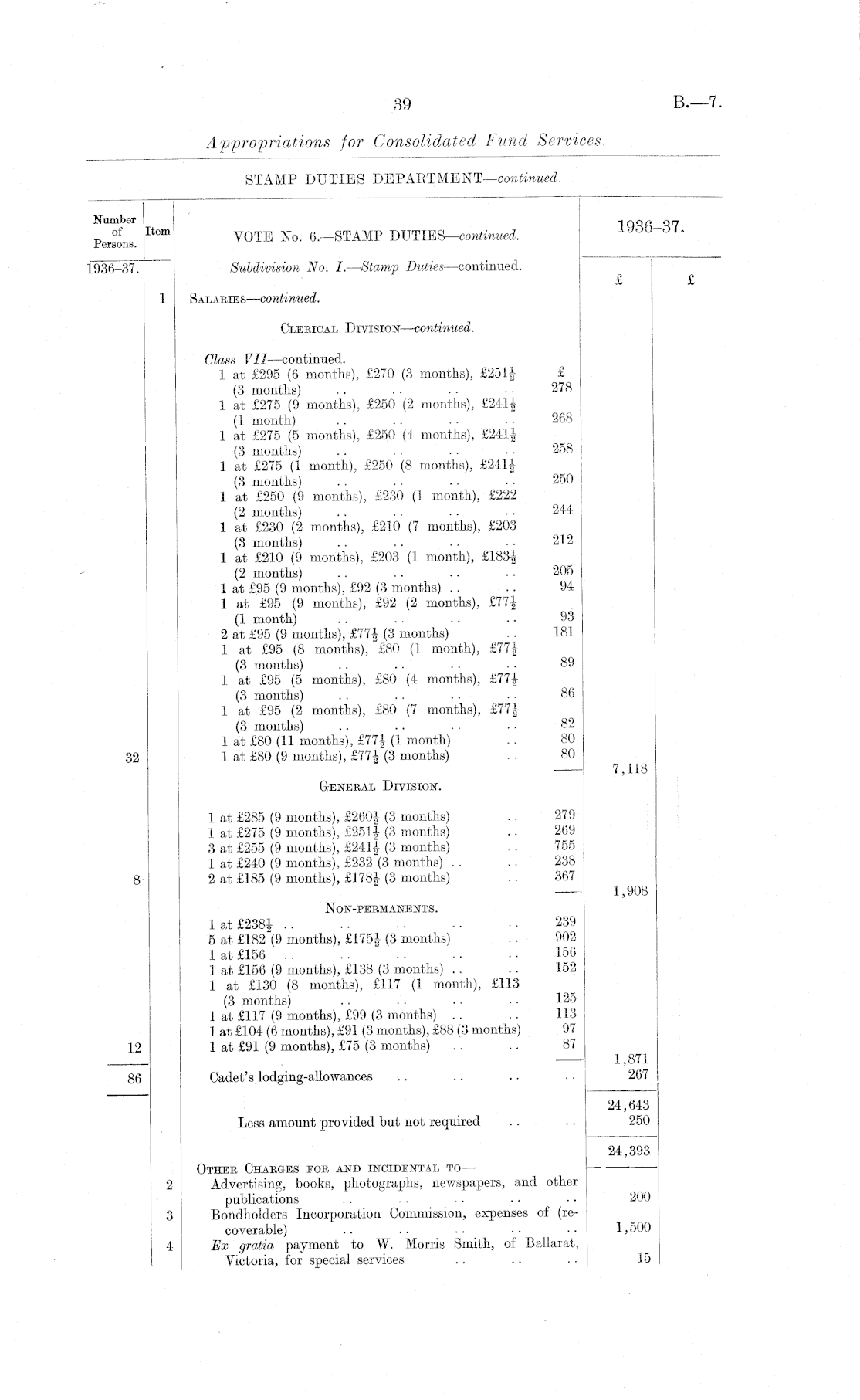
Number 1QQA of Item V0TB No 6 ..__stAMP DUTIES —continued. 0 ~' 5 '" Jrersons. 1936-37. Subdivision No. I. —Stamp Duties —continued. £ £ 1 Salaries —continued. Clerical Division —continued. Class VII —continued. 1 at £295 (6 months), £270 (3 months), £251J £ (3 months) . . . . • • ■ • 278 1 at £275 (9 months), £250 (2 months), £241| (1 month) . . .. . • • - 268 1 at £275 (5 months), £250 (4 months), £241J (3 months) .. . . . . ■ • 258 1 at £275 (1 month), £250 (8 months), £241 Jr (3 months) . . .. . . • • 250 1 at £250 (9 months), £230 (1 month), £222 (2 months) . . . . . . • • 244 1 at £230 (2 months), £210 (7 months), £203 (3 months) .. . . .. • • 212 1 at £210 (9 months), £203 (1 month), £183| (2 months) .. .. .. • • 205 1 at £95 (9 months), £92 (3 months) . . .. 94 1 at £95 (9 months), £92 (2 months), £77f (1 month) . . .. .. ■ • 93 2 at £95 (9 months), £77| (3 months) . . 181 1 at £95 (8 months), £80 (1 month), £77J (3 months) .. .. . . • • 89 1 at £95 (5 months), £80 (4 months), £77 J(3 months) . . .. .. • • 86 1 at £95 (2 months), £80 (7 months), £77f (3 months) .. .. .. • ■ 82 1 at £80 (11 months), £77f (1 month) . . 80 32 1 at £80 (9 months), £771 (3 months) .. 80 7,118 General Division. 1 at £285 (9 months), £260J (3 months) .. 279 1 at £275 (9 months), £25l| (3 months) .. 269 3 at £255 (9 months), £241J (3 months) . . 755 1 at £240 (9 months), £232 (3 months) .. .. 238 8 2 at £185 (9 months), £178i (3 months) .. 367 1,908 Non-permanents. 1 at £2381 239 5 at £182 (9 months), £175| (3 months) .. 902 1 at £156 .. .. .. • • • ■ 156 1 at £156 (9 months), £138 (3 months) .. .. 152 1 at £130 (8 months), £117 (1 month), £113 (3 months) . . . . . . • • 125 1 at £117 (9 months), £99 (3 months) .. .. 113 1 at £104 (6 months), £91 (3 months), £88 (3 months) 97 12 1 at £91 (9 months), £75 (3 months) .. .. 87 1,871 86 Cadet's lodging-allowances .. .. • • ■ ■ 267 24,643 Less amount provided but not required . . . - 250 24,393 Other Charges for and incidental to — 2 Advertising, books, photographs, newspapers, and other publications . . . • • . • • • • 200 3 Bondholders Incorporation Commission, expenses of (recoverable) .. .. • • • • • ■ 1 > 500 4 Ex gratia payment to W. Morris Smith, of Ballarat, Victoria, for special services .. .. • ■ 15

Log in or create a Papers Past website account

Use your Papers Past website account to correct newspaper text.

By creating and using this account you agree to our terms of use.

Log in with RealMe®

If you’ve used a RealMe login somewhere else, you can use it here too. If you don’t already have a username and password, just click Log in and you can choose to create one.


Log in again to continue your work

Your session has expired.

Log in again with RealMe®


Alert