B.—lo.
Public Securities held by the Treasury—continued.
12
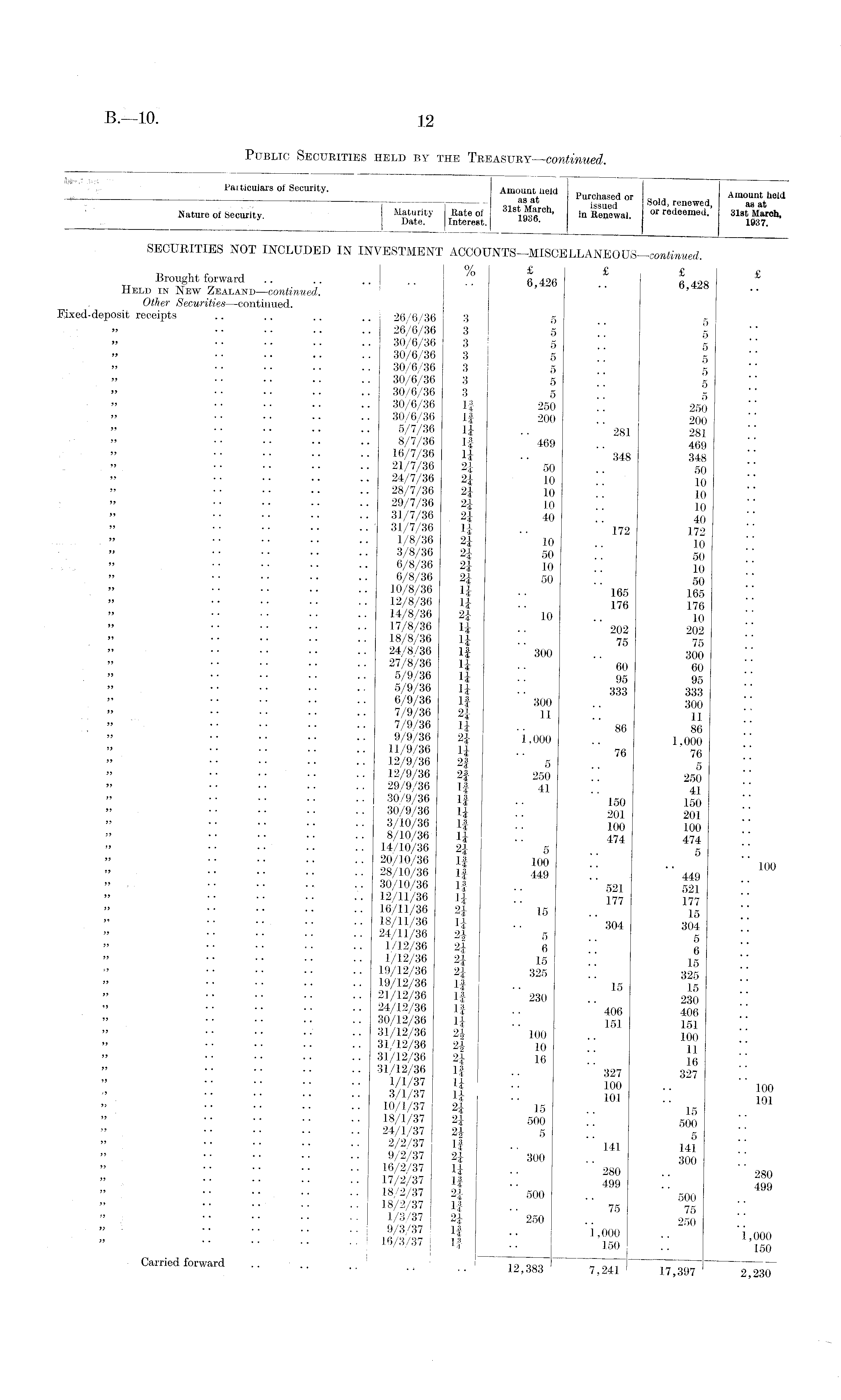
Paititulars of Security. Amount held ____ Amount neld Purchased or Amount held ~~ 1 o, f m h issued Sol<1 ' ren ewed, as at -Nature of Security Maturity Rate of S io^« rC ' in Renewal. or redeemed. 31st March, 3 Date. Interest. laie - 1937. SECURITIES NOT INCLUDED IN INVESTMENT ACCOUNTS-MISCELLANEOUS-c^W. T> r , r i % £•££,£ Brought forward .. 6 426 g 2 Held in New Zealand—continued. v,-±*° Other Securities—continued. Eixed-deposit receipts .. .. .. .. 26/6/36 3 5 » •• ■■ ■■ .. 26/6/36 3 5 5 » • • • • ■■ .. 30/6/36 3 5 k 30/6/36 3 5 5 30/6/36 3 5 5 30/6/36 3 5 5 " •• •• •• .. 30/6/36 3 5 5 30/6/36 If 250 !! 250 30/6/36 1J 200 .. 200 5/7/36 li .. 281 281 8/7/36 If 469 .. 469 ■ WV36 li .. 348 348 !! " '' • • •• • • 21/7/36 2f 50 .. 50 24/7/36 2J 10 10 " 28/7/36 2i 10 10 " 29/7/36 2i 10 10 " 31/7/36 21 40 .. 40 31/7/36 1J .. 172 172 1/8/36 2| 10 10 3/8/36 2| 50 50 6/8/36 2J 10 .. 10 6/8/36 2| 50 .. 50 10/8/36 if .. 165 165 12/8/36 1J .. !76 176 14/8/36 2i 10 .. 10 » •• •• .. 17/8/36 1J .. 202 202 » • • •• • • . • 18/8/36 1J 75 75 24/8/36 If 300 .. 300 27/8/36 li 60 60 " 5/9/36 li . . 95 95 5/9/36 li .. 333 333 6/9/36 If 300 .. 300 7/9/36 2i 11 .. 11 . " 7/9/36 li 86 86 9 /9/36 2i 1,000 .. 1,000 " " •• •• •• 11/9/36 li .. 70 76 12/9/36 2f 5 5 12/9/36 2f 250 .. 250 29/9/36 If 41 .. 4 V 30/9/36 If .. i5 0 150 30/9/36 li .. 201 201 3/10/36 If .. 100 100 8/10/36 li .. 474 474 14/10/36 2i 5 I ■ 20/10/36 If 100 :: •• , no 28/10/36 If 449 ' 449 •• 30/10/36 If .. 52i 52i 12/11/36 li .. 177 m 16/11/36 2i 15 15 •■ 18/11/36 If .. 304 304 24/11/36 2i 5 5 1/12/36 2i 6 6 " 1/12/36 2i 15 15 19/12/36 2i 325 .. 325 19/12/36 If 15 j5 21/12/36 If 230 .. 230 " " •' •• 24/12/36 If .. 406 406 30/12/36 li .. 151 • ■ 31/12/36 2i 100 .. 100 31/12/36 21- 10 .. 11 31/12/36 2i 16 16 31/12/36 If .. 327 „ 2 , :: it ■■ ™ .. -1® :: :: :: wi/S it - „ .. 101 - „ 18/1/37 2i 500 .. 500 24/1/37 2i 5 5 2/2/37 If .. 141 141 . • • 9/2/37 2i 300 .. 300 16/2/37 li .. 280 .. '■ o 80 17/2/37 If .. 499 «9 18/2/37 2i 500 .. 500 18/2/37 If .. 75 75 1/3/37 2.1 250 .. 250 " •• •• •• •• ®/ 3 ' /37 •• 1,000 .. "i 000 16/3/37 If .. 150 .. '150 Carried forward .... ! 10 „„„ _ 12,383 7,241 17,397' 2,230
Use your Papers Past website account to correct newspaper text.
By creating and using this account you agree to our terms of use.
Your session has expired.