Page image
Page image

GK—lO.

STATISTICAL DATA ON WAIARIKI DISTRICT SCHEMES (SCHEME, UNIT, AND FARM)— continued.

53

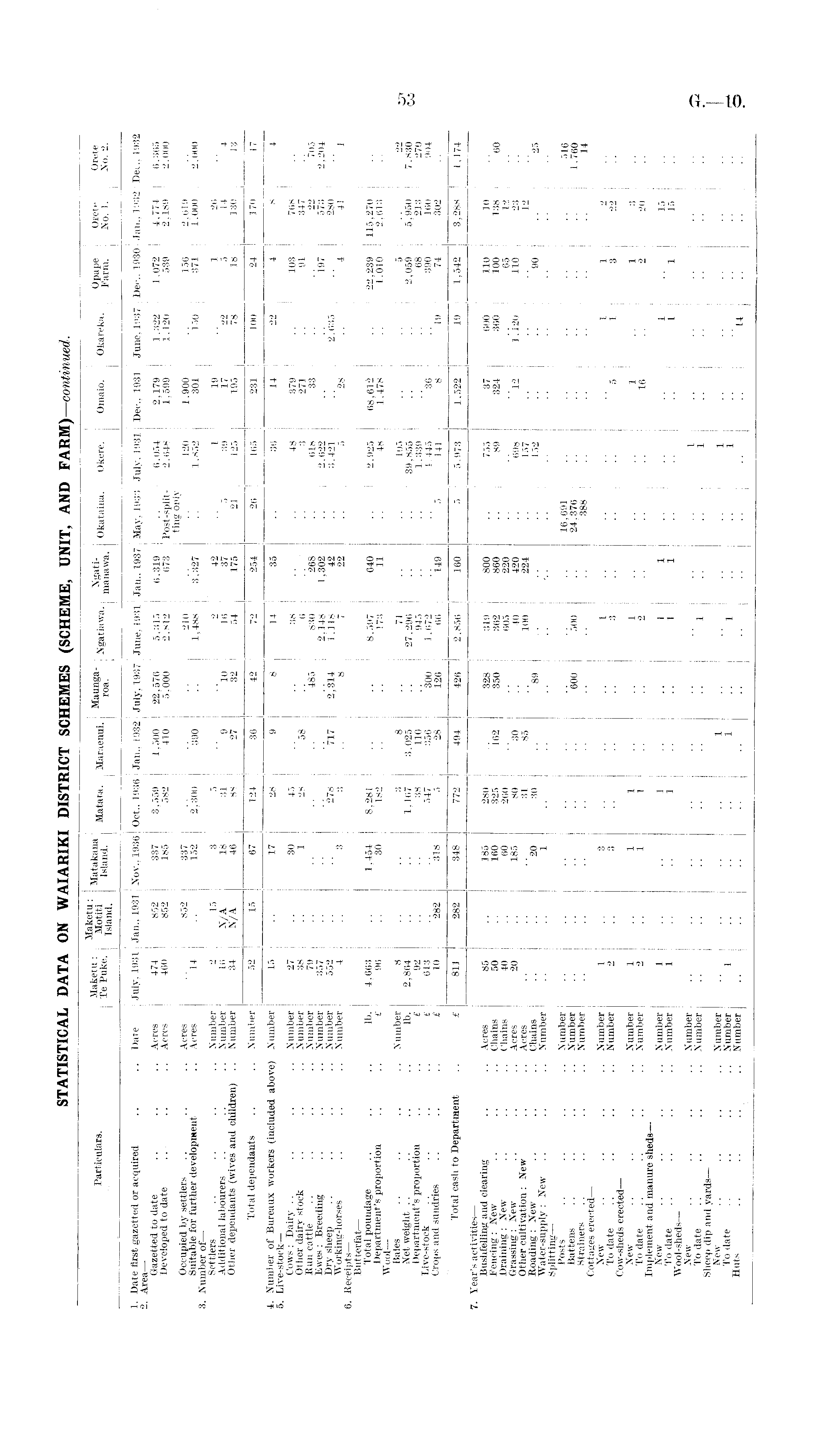
Particulars. T<f Puke. | Matata - | Marae ™i- j Ottawa, j Okataina. j Okere. Omaio. jOkareka. j 1. Date first gazetted or acquired .. .. Date July, 1931 Jan., 1931 Nov., 1936 Oct., 1936 Jan., 1932 July, 1937 June, 1931 Jan., 1937 May, 1933 I July, 1931 Dec., 193.1 June, 1937 Dec., 1930 Jan., 1932 Dec., 1932 2. Area — (Gazetted to date .. .. .. Acres 474 852 337 3,559 1.500 22.576 5,315 6,319 .. 6,054 2,179 1,322 1,072 4,774 6,365 Developed to date .. .. .. Acres 460 852 185 582 410 2,812 673 Post-split- 2,648 1,599 1,120 539 2,189 2,000 Occupied by settlers .. .. .. Acres .. 852 337 .. .. 210 tm o 01 '5 jo,, 1 900 156 2,619 Suitable for further development .. Acres 14 .. 152 2,300 390 .. 1,488 3,327 . 1,85", '301 150 371 1.000 2,000 3. Number of— Settlers .. .. .. .. Number 2 15 3 5 .. .. 2 42 .. 1 19 .. 1 26 .. Additional labourers .. .. .. Number 16 N/A 18 31 9 10 16 37 5 39 17 22 5 14 4 Other dependants (wives and children) .. Number 34 N/A 46 88 27 32 54 175 21 125 195 78 18 130 13 Total dependants .. .. Number 52 15 67 124 36 42 72 254 26 165 231 100 24 170 17 4. Number of Bureaux workers (included above) Number 15 17 28 9 8 14 35 36 14 22 4 8 4 5. Live-stock — Cows: Dairy .. .. .. .. Number 27 .. 30 45 .. .. 38 .. .. 48 379 .. 103 768 Other dairy stock .. .. .. Number 38 .. 1 28 58 .. 6 .. .. 3 271 .. 91 347 Run cattle .. .. .. .. Number 79 .. .. .. .. 485 830 268 .. 618 33 .. .. 22 705 Ewes: Breeding .. .. .. Number 357 .. .. .. .. 2,148 1,302 .. 2,622 .. .. 197 573 2,204 Dry sheep .. .. .. .. Number 552 .. .. 278 717 2,314 1,118 42 .. 8.421 .. 2.635 .. 280 Working-horses .. .. .. Number 4 3 3 8 7 22 5 28 4 41 1 6. Receipts — Butterfat — Total poundage .. .. .. lb. 4,663 .. 1.454 8,281 .. .. 8,597 640 .. 2,925 68,612 .. 22,239 115,270 Department's proportion .. .. £ 96 .. 30 182 .. .. 173 11 .. 48 1.478 .. 1.010 2,613 Wool — Bales .. .. .. .. Number 8 .. 3 8 71 105 5 • • 22 Net weight .. .. .. .. lb. 2,864 .. .. 1,167 3,025 .. 27,296 .. .. 39,855 .. .. 2,059 5,950 7,830 Department's proportion .. .. £ 92 .. .. 38 110 .. 945 .. .. 1,339 .. .. 68 213 270 Live-stock .. .. .. .. £ 613 .. .. 547 356 300 1,672 .. .. 4,445 36 .. 390 160 904 Crops and sundries .. .. .. £ 10 282 318 5 28 126 66 149 5 141 8 19 74 302 Total cash to Department .. £ 811 282 348 772 494 426 2,856 160 5 5,973 1,522 19 1,542 3,288 1,174 7. Year's activities — Bushfelling and clearing .. .. Acres 85 .. 185 280 .. 328 319 800 .. 755 37 600 110 10 Fencing: New .. .. .. Chains 50 . . 160 325 162 350 362 860 .. 89 324 360 100 138 60 Draining : New .. .. .. Chains 40 .. 60 260 . . .. 605 220 .. .. . . .. 65 12 Grassing: New .. .. Acres 20 .. 185 80 30 .. 40 420 .. 698 12 1.120 110 23 Other cultivation: New .. .. Acres .. .. .. 31 85 .. 100 224 .. 157 .. .. .. 12 Roading: New .. .. .. Chains .. .. 20 30 .. 89 .. .. .. 152 !! !. 90 .. 25 Water-supply: New .. .. .. Number .. .. 1 Splitting — Posts •• •• •• •• Number .. .. .. .. .. .. .. .. 16,691 .. .. .. .. .. 516 Battens .. .. .. .. Number .. .. .. .. .. 600 500 .. 24,376 .. .. .. .. .. 1.760 Strainers .. .. .. .. Number .. .. .. .. .. .. .. .. 388 .. .. .. .. .. 14 Cottages erected — New .. .. .. .. Number 1 .. 3 .. .. .. 1 .. .. .. 1 1 2 To date .. .. .. .. Number 2 .. 3 .. .. .. 3 .. .. *" 5 1 3 22 !! Cow-sheds erected — New .. .. .. .. Number 1 .. 1 1 .. .. 1 .. _ 1 1 3 To date .. .. .. .. Number 2 .. 1 1 .. . ] 2 !. !! !! 16 !! 2 20 !! Implement and manure sheds — New .. .. .. .. Number 1 .. .. 1 .. .. 1 1 .. _ 1 _ 15 To date .. .. .. .. Number 1 .. .. 1 .. .. 1 1 '' '' \ " \ ]5 ' * Wool-sheds — New .. .. .. .. Number .. .. .. .. .. .. .. .. .. \ To date .. .. .. .. N umber .. .. .. .. .. .. 1 *' | 1 '' '' *' "' [ [ Sheep dip and yards — New .. .. .. .. Number .. .. .. .. 1 .. .. .. .. 1 To date .. .. .. .. Number 1 .. .. .. 1 .. 1 '' [ [ 1 * | ] * *' ' Huts .. .. .. .. Number .. .. .. .. .. .. .. 14 -. I ......... | x-t

Log in or create a Papers Past website account

Use your Papers Past website account to correct newspaper text.

By creating and using this account you agree to our terms of use.

Log in with RealMe®

If you’ve used a RealMe login somewhere else, you can use it here too. If you don’t already have a username and password, just click Log in and you can choose to create one.


Log in again to continue your work

Your session has expired.

Log in again with RealMe®


Alert