Page image
Page image

B—7 [PT. ll]

STATEMENT SHOWING THE DETAIL OF SUMS IRRECOVERABLE BY THE CROWN, ETC.— continued

By Authority: E. V. Paul, Government Printer, Wellington.—l 947.

136

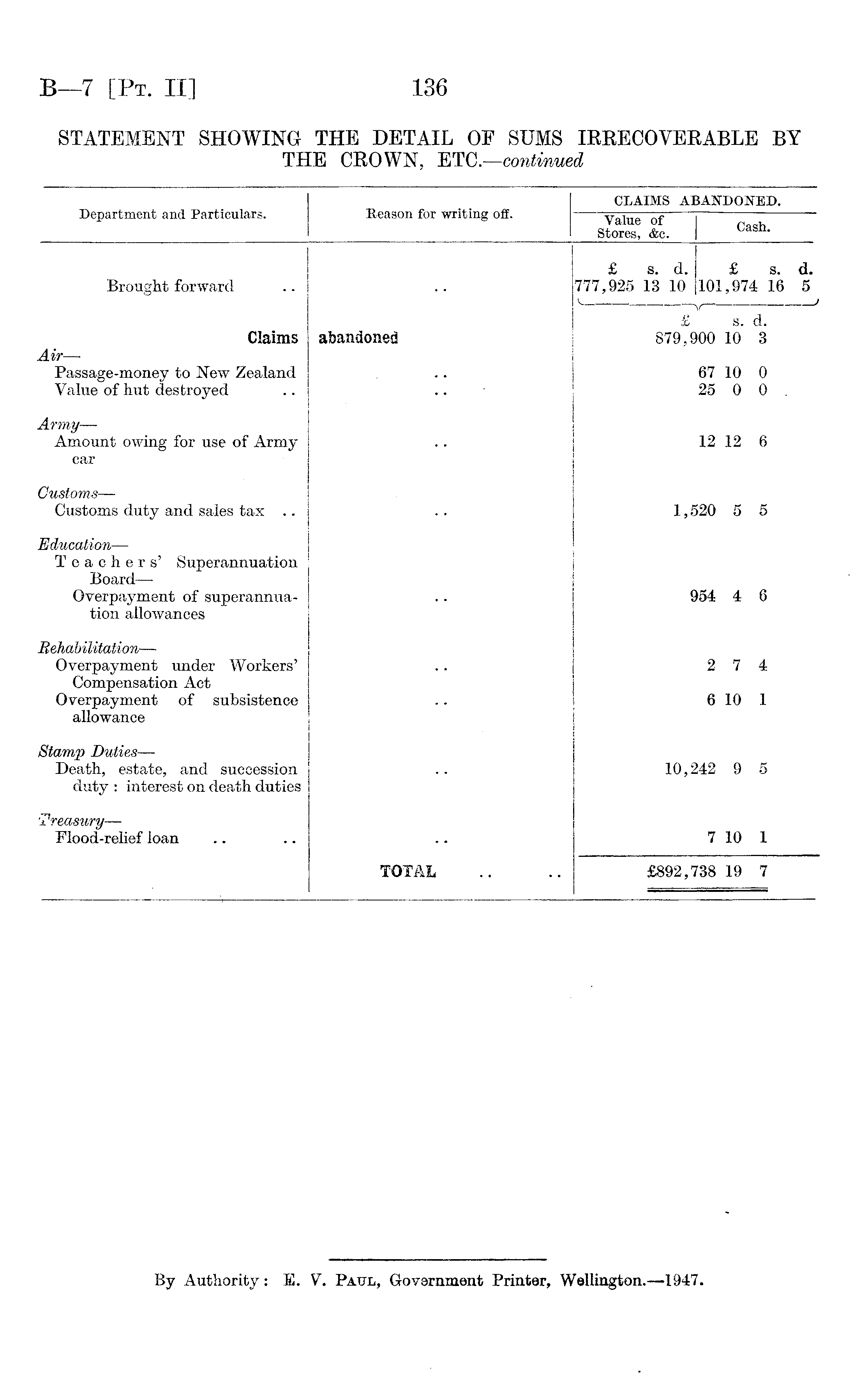
Department and Particulars. feeagbn for writing off. CLAIMS ABANDONED. Value Stores, of &c. Cash. Brought forward £ s. d. 777,925 13 10 £ s. d. 101,974 16 5 J Claims Air— Passage-money to New Zealand Value of hut destroyed abandoned V £ s. 879,900 10* 67 10 25 0 d. 3 0 0 . Army— Amount owing for use of Army car 12 12 6 Customs — Customs duty and sales tax .. 1,520 5 5 Education— Teachers' Superannuation Board — Overpayment of superannuation allowances i 954 4 6 Rehabilitation— Overpayment under Workers' Compensation Act Overpayment of subsistence allowance •• 2 7 6 10 4 1 Stamp Duties— Death, estate, and succession duty : interest on death duties • 10,242 9 5 Treasury— Flood-relief loan 7 10 1 TOTAL £892,738 19 7

Log in or create a Papers Past website account

Use your Papers Past website account to correct newspaper text.

By creating and using this account you agree to our terms of use.

Log in with RealMe®

If you’ve used a RealMe login somewhere else, you can use it here too. If you don’t already have a username and password, just click Log in and you can choose to create one.


Log in again to continue your work

Your session has expired.

Log in again with RealMe®


Alert