Page image
Page image
Page image
Page image
Page image
Page image
Page image
Page image
Page image
Page image
Page image
Page image
Page image
Page image
Page image
Page image
Page image
Page image

£.-14

1895. ttEW ZEALAND,

APPLICATIONS MADE BY LOCAL AUTHORITIES FOR LOANS UNDER "THE GOVERNMENT LOANS TO LOCAL BODIES ACT, 1886," FOR THE FINANCIAL YEAR ENDED 31st MARCH, 1895 (ANNUAL RETURN OF).

Presented to both Houses of the General Assembly in pursuance of Section SO of " The Government Loans to Local Bodies Act, 1886."

Eetuen showing what Applications have been made by Local Authorities, and which of them have been granted or refused, also what Sums have been granted or advanced, and for what Purposes, and the Names of such Authorities; what Sums have been borrowed or raised by the Treasurer; and what are the Outstanding Liabilities and the Assets.

List of Applications and Advances during Year ended 31st March, 1895.

Amount Local Authority. ariplied for. Provisionally granted or refused. Kesult of Poll or Petition. Adva jiices. New Loans. Loans of Purpose of Loan. Previous Years. Eeinarks. COUNT Y COUNCILS. £ Amuri .. .. 940 G. Carried £ 940 £ Construction of Waiau Plains Water-race. 1,200 Ditto. Drainage works in Tokomairiro Riding. Extension of Clarendon main drainage works. 500 ; Extension of Lakes drainage works. Construction of road from Buller Bridge to sea-coast Metalling portion of the Mimi Road Construction of Autawa and Pita Roads : Construction of Okoke and Kohangamoa Roads 1,000 ; Construction of bridge at Paine's Ford and East Takaka Road. Construction of road from Tauwhareparae Block to Arakihi Road Construction of road from Tauwhareparae Block to Tolago-Arakihi Road Construction of road in Hangaroa Survey District. Construction of WhangaraArakihi Road i Construction of Ngakoroa Eoad. Construction of two bridges on Mahia Road at Maraetahi 2,500 Metalling parts of the Waimata Road. Bruce .. 300 G. Carried 300 ISO G. 150 Buller .. .. 60 G. No poll required Carried GO Undel , section 22 of the Act. Uncompleted. Clifton.. .. 300 P.G. „ .. .. 65 „ .. .. 35 G. G. No poll required Ditto 05 35 Under section 22 of the Act. Ditto. Collingwood Cook .. .. 200 G. No poll required 200 Under section 22 of the Act. 150 G. Ditto 150 Ditto. 900 G. Carried 600 Under section 22 of the Act. 86 G. No poll required Carried 86 „ .. .. 300 G. 100 40 P.G. No poll required Under section 22 of the Act. Carried forward 3,526 2,6S6 5,200 ! 1—B. 14.

8.—14.

List of Applications and Advances — continued.

2

Local Authority. ProviAmount sionally applied granted for. or refused. Advances. Kesult ... of Poll or T- „ Petition. New £?»S! o( r,., n . Previous ijoans. Years. Purpose of Loan. Eemarks. cou: ;ty ca NCILS -continued. & 3,526 £ 2,686 £ 5,200 225 Drainage works at Muhanga Creek. Construction of water-works for the Four Peaks Watersupply District. Metalling part of the Eltham Road Bridging Makino Stream and widening Matamaroke Road. Metalling Mangawhero Road Brought forward Cook Geraldine 885 Hawera 200 G. No poll required Carried 200 Under section 22 of the Act. 400 G. 400 120 G. No poll required Carried 120 Under section 22 of the Act. '/ • • 200 G. 200 Construction of portion of Conway Road. Metalling Anderson Road .. Construction of county main road through Arapaepae special district. Drainage of Mangapouri Creek, Otaki. Metalling portion of county main road. Construction of the county main road. Construction of bridle-track to Wainui. Roads and bridges construction Construction of Vinegar Hill Bridge Horowhenua 100 1,000 P.G. G. Carried *700 Uncompleted. 500 G. 350 500 G. 450 Hutt ' .;' Kiwitea 250 3,000 1,000 G. R. Carried 250 850 Not in compliance with terms of Act. Steps to obtain loans were taken by K.iwitea Road Board, and merger of road district in county is not yet completed. Ditto. Mackenzie Manawatu 420 1,000 300 850 100 775 200 200 250 P.G. P.G. G. R. G. P.G. G. P.G, Carried Carried Carried 850 775 200 Construction of Cheltenham Cross Road Bridge Construction of Perry's Road, and widening and construction of Haynes's Road and deviation therefrom Widening and constructing part of Haynes's Road, &c. Half cost of construction of bridge across Pukaki River. Water-races construction in Melville Downs Water-race District Forming, &c, roads in Sandon Riding. Construction of road connecting McDonell's line with ; main road to Sandon and Bulls Construction of streets in Campbelltown Township. Protecting Oroua River bank, near Feilding Cost of repairs of flood-dam-age to Awahuri Bridge Construction of FoxtonShannon Road. Road-construction in Mangatainoka Village Settlement. Construction of Middle Road, Pahiatua Village Settlement. Construction of WoodvilleMangahao Road. Construction of WoodvilleAohanga Road. Construction of bridge over Mangahao River. Metalling the Upper Makuri Road. Erection of bridge over Tiraumea River at Makairo. Formation of the Ohinereita Road Uncompleted. Ditto. Not in compliance with terms of Act. Uncompleted. Uncompleted. 1,500 P.G. ' 1,500 Pahiatua 140 G. Carried 140 131 G. 181 990 G. 900 a • • 500 905 900 P.G. G. G. Rejected Carried 965 900 Uncompleted. a • • 500 G. 500 500 P.G. Carried forward 21,017 10,807 8,160

8.—14

3

List of Applications and Advances — continued.

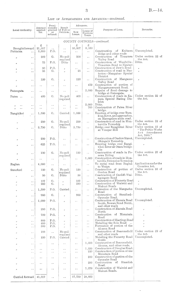
Local Authority. Provi- Advances. Amount sionally Result | applied granted of Poll or Loans of ' for. or Petition. New p°f£o£* refused. Loans. P £™ us I Advances. Purpose of Loan. Eemarks. COUJ TY CO ■NCILS -continued. £ 21,017 3,000 £ 10,807 £ 8,160 Construction of Kaitawa Eidge and other roads Construction of Tiraumea Valley Road Construction of WoodvilleTiraumea Road to Ngaturi Construction of Dew's Road Construction of road in Mas-terton-Mangahao Special District Construction of Mangaone Valley Road Construction of portion of Mangaramarama Koad. Repairs of flood-damage to bridge at Patangata. Construction of roads in Kapara Special Rating District Ditto. Construction of Patea River bridge. Erection of bridge over Turakina River, and approaches, on Maungahoe main road. Construction of road in Hunterville Township Bridge over Rangitikei River at Vinegar Hill Brought forward 'ahiatua p'.G. Uncompleted. 300 G. No poll required Ditto 300 Under section 22 of the Act. Ditto. 75 P.G. 50 25 P.G. G. 25 120 G. 120 470 'atangata 'atea .. 400 G. No poll required 400 2,000 Under section 22 of the Act. 2,000 700 tangitikei 1,500 G. Carried 1,500 Under section 22 of the Act. Under section 15 of " The Publio Works Act Amendment Act., 1889." Uncompleted. 250 2,750 G. G. No poll required Ditto 250 2,750 200 P.G. Cons true tion of Onslow Street, Ohingaiti Township Erecting bridge over Rangitikei River at Otara bridgesite Construction of roads in Porewa Riding Construction of roads in Hunterville Extension Township. To metal road from Raglan to Waipa Construction of portion of Gordon Road Construction of Cardiff-Wai-ngongoro Road Construction of Finnerty Road Construction of Waiwiri and Makuri Roads Formation of the Mangaehu Road Construction of StratfordOpunake Road. Construction of Manaia Road South, Rowan Road North, and other roads Construction of Manaia Road North Construction of Mountain Road Construction of Hastings Road Metalling the Sole Road Formation of portion of the Ahuroa Road Construction of Beaconsfield and other roads Metalling the Finnerty Road South Construction of Beaconsfield, Ahuroa, and other roads. Construe tion of Do n gl as Road. Construction of portion of the Mountain Road Construction of portion of the Opunake Road Construction of Standish Road. Construction of Waiwiri and Makuri Roads. 625 P.G. 130 G. No poll required 130 Under section 22 of the Act. 1,000 taglan itratford 4,000 ISO G. No poll required Ditto 120 Application under the Counties Act. Under section 22 of tho Act. Ditto. 50 G. 50 127 280 G. G. 127 280 1,300 P.G. Carried Uncompleted, 900 G. 900 Uncompleted. 1,000 P.G. 250 P.G. 700 P.G. 800 400 I 300 P.G. P.G. P.G. 198 No poll required Carried Under section 22 of the Act. Uncompleted. 150; P.G. 1,253 1,250 220 330 200 1,270 Carried forward 41,017 17,759 18,853

B—l4

4

List of Applications and Advances — continued.

Local Authority. Amount applied for. Provisionally granted or refused. of Poll or Petition. :esult Advances. Purpose of Loan. llemarks. New Loans. Loans of Previous Years. COU] 'TY GO NC1LS -continued. Brought forward Taranaki 41,017 2,000 G. Carried £ 17,759 2,000 & 18,853 Construction of portion of Eltham Eoad. Erection of Miller's Flat Bridge Reconstruction of Macandrew Bridge Construction of dray-road and two bridle-tracks Tuapeka 4,500 P.G. Uncompleted. Vincent 600 P.G. Waiapu 1,400 B. Not in compliance with terms of the Act. Under section 22 of the Act. 110 G. No poll required 110 Construction of dray - road from Tokomaru to Whareohino Ditto. Construction of Lower Waihao Irrigation Works Construction of " road round the rocks " Metalling Eketahuna-Tenui Eoad Foot-bridge over Tiraumea Eiver Construction of Mount Baker Eoad Waimate '550 G. No poll required 550 1,000 Under section 22 of the Act. Waimea 140 Wairarapa North SO G. No poll required 30 Under section 22 of the Act. Uncompleted. i> 50 P.G. i> 100 E. Not in compliance with terms of the Act. Uncompleted. 600 P.G. Construction of bridge over Tiraumea Eiver at Napier's Crossing Forming the Ihuraua Eoad i> 15 G. No poll required Under section 22 of the Act. 850 Construction of Pah Valley and Mangaone Valley Eoads. Metalling Castle Hill Eoad. Construction of Pori and Saunders Eoad deviation. Construction of Mount Baker Eoad. Forming the Ihuraua Eoad. Metalling Te Ore Ore-Bide-ford Eoad. Forming, bridging, &c, Saunders Eoad. Construction of portion of Murewai-Mahia Road, &c. Construction of bridge over the Mohaka Eiver. Erection of Kaiwhaki Bridge over Kai-Iwi Stream. Construction of drainage works and approaches to Durietown 400 1,300 500 150 500 2,000 Uncompleted. Wairoa 500 P.G. Carried 2,160 Waitotara 300 G. Carried 300 Not in compliance with terms of the Act. Wanganui 500 E. 52,272 20,749 27,853 Carrington 1,500 P.G. ROA boar: >S. Uncompleted. Eketahuna 500 500 1,100 100 P.G. P.G. P.G. G. Carried No poll required 100 Metalling portion of Carrington Eoad Construction of No. 1 South Eoad, Parkville Special Settlement Forming part of Nireha Road and No. 3 South Road, Wellington Special Settlement Block Construction of roads in Sterling Special Settlement Block, and bridging Mangatainoko River Construction of roads in No. 2 Wellington Special Settlement Block Metalling the Tawatai Road Construction of roads in No. 1 Wellington Special Settlement Block. Construction of roads in the Parkville Township. Construction of Norlings Eoad. Construction of Mangatainoko Valley Road. Under section 22 of the Act. 900 P.G. 2,200 Uncompleted. 100 500 100 Carried forward 4,600 100 2,900

8.—14.

List of Applications and Advances— continued.

5

Local Authority. Amount applied for. Provisionally granted or refused. of Poll or Petition. , T Loans of New Provious Loans. yeargi Advances. Purpose of Loan. Remarks. EC IAD BO. .EDS—ci mtinued. £ 4,600 56 No poll required Ditto £ 100 2,900 Construction of KahautaraPukeo Eoad Construction of Martin-borough-Pukeo Eoad Construction of Tullock's Eoad Construction of KahautaraPukeo Eoad. Construction of Martin-borough-Pukeo Road. Construction of Tullock's Eoad. Construction of portion of Andrewartha's Eoad, &c. Construction of portion of Kahuterawa Eoad. Ditto. Construction of bridges over Turitea Stream Construction of portion of Kahuterawa Eoad Construction of Turitea Eoad Construction of Scott's Eoad Construction of Kahuterawa Eoad Construction of portion of Darwin Eoad and Trafficbridge Construction of road in Onga Ward. Construction of road in Sandon Small-farm Block. Construction of Cross Eoad. Construction of portion of Upper Otawhao Eoad. Metalling portion of Bridletrack Eoad. Construction of roads and bridges. Construction of road from Makara to Ohariau Eoad. Eeconstruction of Awahuri Bridge Brought forward Peatherston G. Under section 22 0 the Act. Ditto. 28 G. 28 28 G. 28 568 280 28G Fitzherbert 400 G. Carried 400 650 G. 650 450 45 G. G. No poll required Ditto 450 45 90 G. 90 Under section 22 0: the Act. Ditto. 90 40 45 G. G. G. u 90 40 45 Kaiti 200 P.G. Uncompleted. Kiwitea 1,735 G. Carried 1,735 m . . 1,235 G. 1,235 Kumeroa 500 G. 500 "70 200 Maharahara 483 Makara 1,495 Manawatu 1,594 G. No poll required 1,594 Under section 15 of " The Public Works Act Amendment Act, 1889." 210 Construction of No. 1 Line Eoad. Construction of roads, and bridging Makino Stream in No. 4 Ward. Construction of roads in No. 3 Ward. Construction of Cheltenham Cross Road bridge Manchester 1,130 G. Carried 1,130 1,686 G. 1,000 210 P.G. No poll required Under section 15 of "The Public Works Act Amendment Act, 1889." 600 Metalling Stanway and McDonald Roads, and construction of Pasko's Eoad. Metalling Pembroke Road .. Construction of portion of Beaconsfield Road Ditto Construction of portion of Radnor Eoad. Construction of portion of Eutland Road. Construction of portion of Mangaotea Eoad Construction of Cross, Croydon, and Stanley Roads. Metalling Eutland Road .. Construction of Monmouth Road Bridge over Rum-keg Stream on the Denbeigh Road. Construction of Flint Eoad. Manganui 250 18 P.G. G. No poll required Ditto Carried "l8 Uncompleted. Under section 22 of the Act. Ditto. 20 I 550 G. G. 20 550 200 G. 200 Uncompleted, 200 P.G. 1,100 G. Carried 703 70 55 P.G. P.G. No poll required Uncompleted. Under section 22 of the Act. 150 250 Carried forward 17,275 10,651 7,492

8.—14.

6

List of Applications and Advances— continued.

Amount Local Authority. applied for. Provisionally granted or refused. Kesult of Poll :or Petition. N Loans of Advances. Purpose of Loan. Remarks. iAD BOi .RDS—c mtinued. Brought forward Manganui— contd. £ 17,275 £ 10,651 £ 7,492 550 Construction of Monmouth Road. Construction of Stanley Road. Construction of portion of Beaconsfield Road. Ditto. Ditto. Metalling road from Opaki to Rangitumau Construction of Dorset's and Kakaamu Extension Roads. Metalling parts of Patumalioe and Pukekohe Roads Metalling parts of Union and Waiuku Roads Forming Ilmraua Valley Road. Forming Dagg's Road. Forming portion of the Central Mangamahoe Road Construction of Cleland's Road Construction of Johnston's Road Forming portion of Dudley Road West Construction of portion of Bristol Road West. Metalling portion of Kaimata Road South Formation of Kaimata Road. Construction of road from Ngatapa Station. Construction of Awahohonu Road Construction of Forest Lakes Road Construction of continuation of Ringawhati Road Metalling a portion of Ihaia Road. Construction of portion of Kahui Road Construction of Kahui East Road. Construction of Warea East Road. Construction of roads in No. 5 Ward Construction of roads in No. 3 Ward. Construction of main road in No. 2 Ward Construction of roads in No. 2 Ward. Construction of road and bridging Porangahau River Ditto. Construction of dray-road on south side of Manganui Stream. Construction of dray-road and cross-road in Rimuroa Special District. Drainage works in Makuri Special District. Construction of roads. Construction of cart-bridge over Waiohine River at Matarawa Construction of dray-road from Wainuiora to East Coast. Construction of Waihoanga Road extension Construction of road up the Mungaparapara Creek a • • 100 79 200 180 Masterton 100 p'.G. Uncompleted. 700 Mauku .. 500 P.G. .. Uncompleted. 500 P.G. Mauriceville 1,000 G. Carried 540 1,000 1,200 G. P.G. 600 Uncompleted. 700 P.G. 250 P.G. Moa 100 P.G. 550 G. Carried 550 50 No poll required; Under section 22 of the Act. Ngatapa 500 100 Otaki .. 100 P.G. Carried Uncompleted. 190 P.G. 100 Parihaka 655 G. Carried 000 Uncompleted. 1,800 P.G. tt • • 1,800 G. Carried 1,800 » ' • 600 Uncompleted. Pohangina 1,500 P.G. 2,008 G. Carried 508 f ' • Porangahau 549 No poll required 2,492 300 Under section 22 of the Act. Pouawa - 400 G. Carried - 400 2,000 Poverty Bay 400 300 G. G. 400 300 Uncompleted. Ruataniwha Taratahi - Carterton ! 1,532 400 G. P.G. 1,532 Ditto .. I 300 Te Horo 500 P.G. Uncompleted. Upper Taueru .. 500 P.G. Carried forward 35,959 ! 17,881 15,593

8.—14;

List of Applications and Advances— continued.

7

Local Authority. Amount applied for. Provisionally granted or refused. of Poll or Petition. New Loans. Advances. Purposes of Loan. Eemarks. Loans of Previous Years. RC IAD BO. .RDS— c. miinued. Brought forward i Upper Wangaehu ; 35,959 1,400 G. Carried £ 17,881 1,100 £ 15,593 Construction of bridle-track from Mangamahu. Construction of Wangaehu Valley Cart-road Construction of Upper Wangaehu Valley Road. Construction of cart-road up th e valley of Wangaehu River Ditto. Construction of Matokitoki Eoad Ditto. Construction of Pinnerty Road Construction of part of Auroa Eoad. Construction of Rowan Road (from Eltham Road to railway reserve). Construction of portion of j Mangawhero Road. Construction of portion of Keri Road. Construction of Hastings and Skeet Roads. For extension of wharf at Waipipi Ditto. Construction of Waihopai River bridge. Drainage-works at Akaaka Swamp. Construction of main road. Construction of Matokitoki Road Construction of Stout Street Construction of Upper Fox Street Drainage - works at Aratangata Road Construction of Shannon Ferry Road Metalling Shannon Road East Metalling Kingston Road .. Construction of Kahuterawa Valley Road Construction of Scott's Road Regrading and metalling Lower Buckley Road Metalling Kingston Road. Construction of Muhunoa Road West. Construction of Muhunoa Road East and bridge over Ohau River. Metalling Albert Road. Construction of Buckley i Road Construction of Whariti and Victoria Roads Ditto. 484 No poll required Carried | Under section 22 of the Act. 350 G. 100 : No poll ! required Under section 22 of the Act. 1,000 Waimata "40 G. No poll required 40 Under section 22 of the Act. Waimate 53 G. No poll required Carried "S3 400 Under section 22 of the Act. „ .. 900 G. 700 400 G. 200 . 1,100 G. a C00 1,000 G. ■ 400 1,000 Waipipi 8 ! G. No poll required 8 j Under section 22 of the Act. Wairau 80 933 I Waiuku 100 G. Carried 100 Under section 22 of the Act. Uncompleted. Weber Whataupoko "l0 G. No poll required "l0 2,100 1 100 100 j P.G. P.G. Wirokino .. ! 300 P.G. 50 50 G. G. No poll required Ditto 50 50 Under section 22 of the Act. Ditto. « • • 55 30 G. G. i 55 30 35 500 G. P.G. ! 35 Uncompleted. , 550 350 // • • 1,000 250 120 Woodville 45 G. No poll required 45 450 Under section 22 of the Act. 43,169 21,357 23,826 Greytown Hamilton 3,000 450 B. bo: ,0UGHi Construction of bridge over I the Ruamahanga River Not in compliance with terms of the Act. Uncompleted. Under sec. 16 of "Public Works Act Amendment Act, 1889." Construction of brick culvert and earthwork on boundary of borough Kumara Lyttelton 600 1,500 G. G. Carried 600 1,500 Construction of waterworks. Ditto £3,000 loan originally applied for. Carried forward 5,550 2,100

8.—14

8

List of Applications and Advances— continued.

ProviAmount sionally Local Authority. applied granted for. or refused, of Poll or Petition. Advances. N Loans of Loans Previous Loans. yeaj . 3] Purposes of Loan. Bemarks. BOROUGHS— continued. ;0R0Ui rHS— CO', & £ £ Brought forward 5,550 .. .. 2,100 Pahiatua .. .. .. .. .. 800 Erection of bridge over Mangatainoko River. Palmerston North 1,125 R. .. .. .. Repairing Awahuri Bridge Not in compliance with the terms of £ 2,100 £ '800 R. Not in compliance with the terms of the Act. wisn tne terms oi Patea .. .. .. . • .. • • 300 Construction of Patea River the Act. Bridge. Petone.. .. 4,000 J G. Carried 2,000 .. Drainage-works .. .. For two successive vears' extjenditure. G. Carried 2,000 300 For two successive -years' expenditure. years expenditure. Sumner .. 1,500 G. „ 1,500 .. Construction of waterworks extension. G. 1,500 12,175 5,600 1,100 5,600 1,100 TOWN BOARDS. Clyde .. .. .. .. • ■ ■ • 300 Construction of roads and streets. Stratford .. 27 G. No poll 27 .. Construction of Juliet Street Under section 22 of rnnnivprl tVlA Ant. tow: boar: 300 Under section 22 of the Act. G. No poll required Carried 27 required cne acc. 130 G. Carried 130 .. Construction of portion of Page Street. G. 130 157 157 300 157 300 DRAINAGE BOARDS. DRAIN. GE BO. Aorangi Land .. ! 6,000 G. Carried 500 j .. Drainage purposes. Sluggish River .. ! 1,000 G. „ 500 .. Drainage-works in Special „ .. District No. 1. 1,800 G. „ 900 .. Drainage - works in Special District No. 2. G. G. Carried 500 500 G. 900 8,800 I 1,900 j 1,900 ! .. RIVER BOARDS. RIVER BOA Spring Creek .. i 2,000 .. .. .. .. River protective works .. Uncompleted. Taradale .. 600 P.G. Carried .. .. Strengthening Tutaekuri River-bank, &c. 2,600 I WATER-SUPPLY BOARDS. 'er-su: 'PLY Bi Waimakariri-Ash- 6,000 R. .. .. .. Construction of water-races Not in compliance ley with terms of the Act. Ditto .. .. 1,700 R. .. .. .. Construction of works for Ditto. water-supply of Cooper's Creek subdivision of district 7,700 Under Section 2 of " The Government Loans to Local Bodies Act Amendment Act, 1891." Minister of Lands 60,596 .. .. 5,750 | 43,335 Opening up for settlement J 1 various blocks of land. 187,469* 55,513 j 96,414 * £16,025 lias to be deducted from this amount for loans refused. Note.—P.G., provisionally granted; G., granted; E., refused. , fc - - u \j ------ t — - - t - _ _ — j , , — ~ £ a. a. £ s. d. Cash balance, 1st April, 1894 .. .. .. .. .. .. .. 219 0 2 Money borrowed to make advances to Local Bodies .. .. .. .. 152,000 0 0 152,219 0 2 Money advanced to Local Bodies (including £275 6s. 9d. transferred to Interest Account) 103,117 6 9 Money advanced under " The Government Loans to Local Bodies Act Amendment Act, 1891" .. .. i. .. .. .. .. .. 49,085 0 0 152,202 6 9 Less refunds by— £ s. d. Geraldine County Council .. .. .. 96 16 2 Wirokino Road Board .. .. .. .. 176 18 5 273 14 7 151,928 12 2 f'ash balance 81st March 1895 .. .. .. .. .. .. ., £290 8 0 !290

9

8.—14.

Outstanding liabilities, — & s. d. & s. d. & s. d. Debentures issued under " The Government Loans to Local Bodies Act, 1886"* .. .. .. .. .. .. .. 854,800 0 0 Under " The Government Loans to Local Bodies Act, 1886 " —■ Money promised to Local Authorities which have complied with the provisions of the Aetf .. .. .. 40,230 0 0 Money liable to be advanced as required when provisions of the Act are complied with .. .. .. .. 24,615 0 0 64,845 0 0 Under " The Government Loans to Local Bodies Act Amendment Act, 1891 "— Balance of loans .. .. .. .. .. 22,792 0 0 Applications for loans for which the necessary steps are not completed .. .. .. .. .. .. 28,019 0 0 50,811 0 0 970,456 0 0

Assets, — Inscribed debt of local authorities]: .. .. .. .. 734,781 7 1 Less amount paid in respect of the annnal repayments .. 146,740 11 8 • 588,040 15 5 Inscribed debt under " The Goverment Loans to Local Bodies Act Amendment Act, 1891" .. .. .. .. .. 116,918 0 0 Less amount refunded on disposal of lands .. .. 7,542 19 1 ■ 109,375 0 11 Sinking Fund created under section 5 of " The Government Loans to Local Bodies Act Amendment Act, 1892 " .. .. .. 64,454 7 5 — 761,870 3 9

Note.—The total amount borrowed up to the 31st March, 1895, was £854,800. The total amount repaid to Public Works Fund up to the 31st March, 1895, was £89,800. The total amount advanced to Local Bodies up to the 31st March, 1895. was £647,791125. The total amount advanced under " The Government Loans to Local Bodies Act Amendment Act, 1891," up to the 31st .March, 1895, was £116,918. * £449,000 of this amount has been converted into Consolidated Stock Debentures under " The Consolidated Stock Act, 1884." 1 Including second years' grants, for which all formalities have been completed. I This amount represents the debt as inscribed on the Ist February, 1895. It includes the inscribed stock exchanged for debentures under "The Eoads and Bridges Construction Act, 1882," amounting to £89,878 Bs. 9d., separately described. (See 8.-13,1891.) Approximate Cost of Paper.—Preparation, not given; printing (1,350 copies), £12 4s. 6d. By Authority: Samuel Costall, Government Printer, Wellington.—lB9s. Price 6d.]

2—B. 14.

This report text was automatically generated and may include errors. View the full page to see report in its original form.I whakaputaina aunoatia ēnei kuputuhi pūrongo, e kitea ai pea ētahi hapa i roto. Tirohia te whārangi katoa kia kitea te āhuatanga taketake o te pūro go.
Permanent link to this item
Hononga pūmau ki tēnei tūemi

https://paperspast.natlib.govt.nz/parliamentary/AJHR1895-I.2.1.3.18

Bibliographic details
Ngā taipitopito pukapuka

APPLICATIONS MADE BY LOCAL AUTHORITIES FOR LOANS UNDER "THE GOVERNMENT LOANS TO LOCAL BODIES ACT, 1886," FOR THE FINANCIAL YEAR ENDED 31st MARCH, 1895 (ANNUAL RETURN OF)., Appendix to the Journals of the House of Representatives, 1895 Session I, B-14

Word count
Tapeke kupu
3,738

APPLICATIONS MADE BY LOCAL AUTHORITIES FOR LOANS UNDER "THE GOVERNMENT LOANS TO LOCAL BODIES ACT, 1886," FOR THE FINANCIAL YEAR ENDED 31st MARCH, 1895 (ANNUAL RETURN OF). Appendix to the Journals of the House of Representatives, 1895 Session I, B-14

APPLICATIONS MADE BY LOCAL AUTHORITIES FOR LOANS UNDER "THE GOVERNMENT LOANS TO LOCAL BODIES ACT, 1886," FOR THE FINANCIAL YEAR ENDED 31st MARCH, 1895 (ANNUAL RETURN OF). Appendix to the Journals of the House of Representatives, 1895 Session I, B-14

Log in or create a Papers Past website account

Use your Papers Past website account to correct newspaper text.

By creating and using this account you agree to our terms of use.

Log in with RealMe®

If you’ve used a RealMe login somewhere else, you can use it here too. If you don’t already have a username and password, just click Log in and you can choose to create one.


Log in again to continue your work

Your session has expired.

Log in again with RealMe®


Alert