Page image
Page image

8.—14

3

List of Applications and Advances — continued.

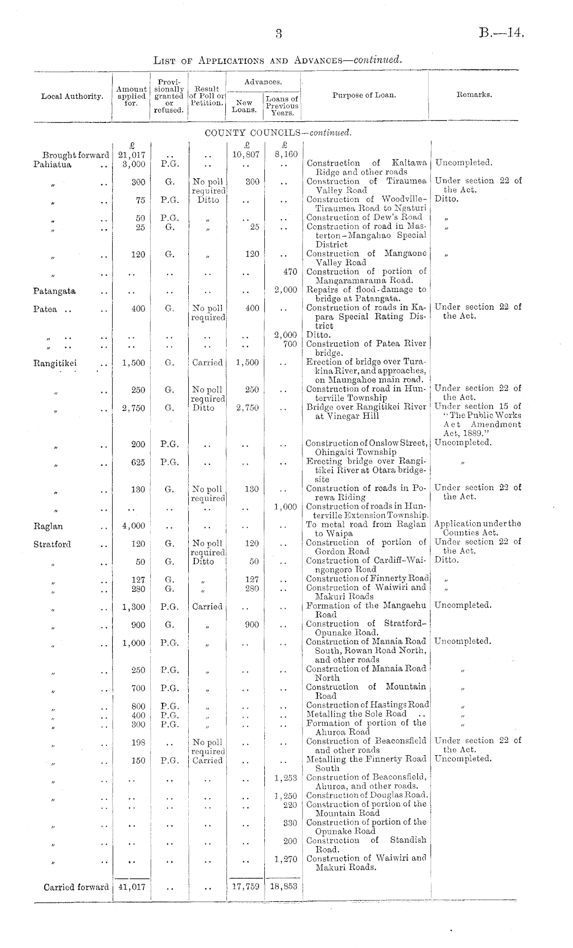
Local Authority. Provi- Advances. Amount sionally Result | applied granted of Poll or Loans of ' for. or Petition. New p°f£o£* refused. Loans. P £™ us I Advances. Purpose of Loan. Eemarks. COUJ TY CO ■NCILS -continued. £ 21,017 3,000 £ 10,807 £ 8,160 Construction of Kaitawa Eidge and other roads Construction of Tiraumea Valley Road Construction of WoodvilleTiraumea Road to Ngaturi Construction of Dew's Road Construction of road in Mas-terton-Mangahao Special District Construction of Mangaone Valley Road Construction of portion of Mangaramarama Koad. Repairs of flood-damage to bridge at Patangata. Construction of roads in Kapara Special Rating District Ditto. Construction of Patea River bridge. Erection of bridge over Turakina River, and approaches, on Maungahoe main road. Construction of road in Hunterville Township Bridge over Rangitikei River at Vinegar Hill Brought forward 'ahiatua p'.G. Uncompleted. 300 G. No poll required Ditto 300 Under section 22 of the Act. Ditto. 75 P.G. 50 25 P.G. G. 25 120 G. 120 470 'atangata 'atea .. 400 G. No poll required 400 2,000 Under section 22 of the Act. 2,000 700 tangitikei 1,500 G. Carried 1,500 Under section 22 of the Act. Under section 15 of " The Publio Works Act Amendment Act., 1889." Uncompleted. 250 2,750 G. G. No poll required Ditto 250 2,750 200 P.G. Cons true tion of Onslow Street, Ohingaiti Township Erecting bridge over Rangitikei River at Otara bridgesite Construction of roads in Porewa Riding Construction of roads in Hunterville Extension Township. To metal road from Raglan to Waipa Construction of portion of Gordon Road Construction of Cardiff-Wai-ngongoro Road Construction of Finnerty Road Construction of Waiwiri and Makuri Roads Formation of the Mangaehu Road Construction of StratfordOpunake Road. Construction of Manaia Road South, Rowan Road North, and other roads Construction of Manaia Road North Construction of Mountain Road Construction of Hastings Road Metalling the Sole Road Formation of portion of the Ahuroa Road Construction of Beaconsfield and other roads Metalling the Finnerty Road South Construction of Beaconsfield, Ahuroa, and other roads. Construe tion of Do n gl as Road. Construction of portion of the Mountain Road Construction of portion of the Opunake Road Construction of Standish Road. Construction of Waiwiri and Makuri Roads. 625 P.G. 130 G. No poll required 130 Under section 22 of the Act. 1,000 taglan itratford 4,000 ISO G. No poll required Ditto 120 Application under the Counties Act. Under section 22 of tho Act. Ditto. 50 G. 50 127 280 G. G. 127 280 1,300 P.G. Carried Uncompleted, 900 G. 900 Uncompleted. 1,000 P.G. 250 P.G. 700 P.G. 800 400 I 300 P.G. P.G. P.G. 198 No poll required Carried Under section 22 of the Act. Uncompleted. 150; P.G. 1,253 1,250 220 330 200 1,270 Carried forward 41,017 17,759 18,853

Log in or create a Papers Past website account

Use your Papers Past website account to correct newspaper text.

By creating and using this account you agree to our terms of use.

Log in with RealMe®

If you’ve used a RealMe login somewhere else, you can use it here too. If you don’t already have a username and password, just click Log in and you can choose to create one.


Log in again to continue your work

Your session has expired.

Log in again with RealMe®


Alert