Page image
Page image
Page image
Page image
Page image
Page image
Page image
Page image
Page image
Page image
Page image
Page image

8.—14.

1899. NEW ZEALAND.

APPLICATIONS MADE BY LOCAL AUTHORITIES FOR LOANS UNDER "THE GOVERNMENT LOANS TO LOCAL BODIES ACT, 1886," FOR THE FINANCIAL YEAR ENDED 31st MARCH, 1899 (ANNUAL RETURN OF).

Presented to both Houses of the General Assembly in pursuance of Section 50 of " The Government Loans to Local Bodies Act, 1886."

Return showing what Applications have been made by Local Authorities, and which of them have been granted or refused, also what Sums have been granted or advanced, and for what Purposes, and the Names of such Authorities; what Sums have been borrowed or raised by the Treasurer; and what are the Outstanding Liabilities and the Assets.

List of Applications and Advances during the Financial Year ended 31st March, 1899.

I—B. 14.

Local Authority. Amount applied for. Provisionally granted or refused. Result of Poll or Petition. Advances. New Loans of Loans. Previous Years. Purpose of Loan. ] Remarks. COU £ 4,555 :ty co 'UNCILS. I Ashburton £ 4,555 £ Construction of waterworks in Ruapuna Subdivision of AshburtonRangitata Water-supply District. Ditto .. .. .. G. Carried 455 No poll required Under section 22 of the Act. Uncompleted. Uncompleted. Clifton 750 P.G. 200 Metal portion of Junction Road .. Form and fence road in Onaero Special Rating District. Formation of roads, &c, in Okoke Road Special Hating District. Construction of Bridge Street and other roads in and near Eltham Metal portion of McLean Road. Construction of Castle Sireet, Eltham Metal portions of Stuart andDalziel Roads. Construction of portions of Cheal and Oru Roads (part of joint loan, £800). Construction of Chapman, Poti, and Anderson Roads Construction of portion of Hunter Road. Metal portion of Stuart Road. Repairs of flood damage. Construction of Lusk's Road, in the Okahau Riding. Construct road in Belmont Survey District. Construct Pakihikura, Mangapapa, and Mangatieka Roads. Construct Oroua Valley Road. Construct Mangatutu Road Construct traffic-bridge over Rangitikei River, at Otara Construct streets in the Township of Birmingham Construct roads in Onga Riding. ■ » 1,000 Under section 22 of the Act. Hawera 200 G. No poll required Carried 200 80 100 800 G. G. G. 80 100 400 .500 P.G. Uncompleted. 300 G. No poll required 300 Under section 22 of the Act. 350 Hawke's Bay .. Hobson 350 G. Carried 350 225 6,000 Hutt 128 G. 128 Kiwitea 1,524 G. 1,524 150 350 2,200 G. P.G. P.G. 150 Uncompleted. 1,012 P.G. M «. * * •■ 1,575 Carried forward 13,454 7,787 9,350 '

2

8.—14

List of Applications and Advances- continued.

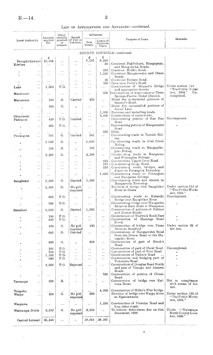
Provisionally granted or refused. Advances. Local Authority. Amount applied for. Result of Poll or Petition. w Loans of new previous Loans. Years Purpose of Loan. Remarks. C( iUNTY 30UNCI: LS — continued. Brought forward Kiwitea £ 13,454 £ 7,787 £ 9,350 48 Construct Pakihikura, Mangapapa, and Mang itieka Roads. Construe, Middle Road. Construct Mangaomako and Otara Roads. Construct Terrace Road. Cons ruct Perry's Road. Construction of Skipper's Bridge and approaches thereto Construction of water-races in Three Springs-Fairlie Water District. Metal the unmetalled portions of Sanson's Road. Metal the unmetalled portions of Jones' Line. Forming and metalling roads. Construction of waterworks. Constructing portion of Nae Nae Road Constructing portion of Mangamaire Road Ditto. Constructing roads in Tamaki Riding. Constructing roads in Coal Creek Riding. Constructing roads in Mangapikopiko Riding. Constructing roads in Mangaone and Pohangina Ridings. Constructing Upper Cross Road. Constructing Gcge Road. Constructing roads, bridges, and drains in Pohangina Township. Constructing roads in Pohangina and Mangaone Ridings. Constructing roads and streets in Mangaweka Township. Erection of bridge over Rangitikei River at Otara 250 1,220 20 300 Lake 1*000 P.G. Under section 113 , "ThePublic Works Act, 1894." Uncompleted. Mackenzie 850 Manawatu 250 G. Carried 250 250 G. Ohinemuri Pahiatua 1,000 2,000 Uncompleted. 420 P.G. Carried 265 P.G. Pohangina *341 G. Carried 341 330 1 000 G. 1,000 136 G. 136 2,200 G. 2,200 444 270 150 1,459 Rangitikei 1,500 G. Carried 1,500 2,200 G. No poll required Under section 113 of "The Public Works Act, 1894." Uncompleted. 800 P.G. Constructing roads to Kakariki Bridge over Rangitikei River Constructing bridge overWangaehu River on Main Road to Wanganui Construction of portions of Palmer and Duthie Roads. Construction of Warwick Road East Construction of Hastings Road North Construction of bridge over Patea River at Stratford Construction of Mangaotuku Road from the Ohura Road to the Mangaehu River. Construction of part of Brook's Road. Construction of part of Cheal Road Construction of part of Poto Road Construction of Taihore Road Construction and bridging part of Tututawa Road Construction of Douglas Road North and part of Tunupu and Autawa Roads Construction of portion of Climie Road. Construction of bridge over Kaituna River. 800 P.G. Stratford 1,050 G. Carried 1,050 700 800 P.G. P.G. 190 G. No poll required Carried 190 Under section 22 of the Act. 640 G. 800 G. 800 300 250 1,500 640 P.G. P.G. P.G. P.G. I Uncompleted. I i 2,000 P.G. Rejected 760 Tauranga 200 R. Not in compliance with terms of the Act. Tuapeka Waipa 250 G. 250 4,500 Construction of Miller's Flat Bridge. Erection of bridge over Waipa River at Ngaruawahia No poll required Under section 113 of "The Public Works Act, 1894." Waipawa 1,250 Construction of Victoria Road and four other roads. To redeem debentures due on 31st December, 1898 Wairarapa North 2,510 G. No poll required 2,510 Under " Wairarapa North County Loan Act, 1898." Carried forward 36,446 18,014 j 24,201

8.—14.

List of Applications and Advances— continued.

3

Provisionally granted or refused. Advances. Local Authority. Amount applied for. Result of Poll or Petition. New £ oans oI Loans. Previous Years. Purpose of Loan. Remark!. C< lUNTY !OUNCI CjS— continued. £ 36,146 £ 18,014 £ 24,201 180 300 Brought forward Wairarapa North Formation of Castle Hill Road. Construction of Ekatahuna-Tenui Rosd diversion, To redeem deb- ntures due on 31st December, 1898 Construction of water-race from Tauherinikau River to Moroa Plain. Rebuild bridges across the Wangaehu and Mangawhero Rivers Wairarapa South 2,500 G. No poll required 2,500 Under " Wairarapa South County Loan Act, 1898." 700 Wanganui 3,000 P.G. Uncompleted. 41,946 20,514 25,381 Akiteo 2,000 R( IAD BO ,RDS. Uncompleted. Avon Castlepoint Egmont Eketahuna 1,200 200 ioo 8 110 P.G. P.G. G. G. G. No poll required Ditto.. ioo 8 110 100 Form portion of Mataikuna, Pakowai, and Tinui Valley Roads Kerb and channel streets in Papanui Ward Continue formation of Mangapurupuru Road Construction of Kaipi Road. Construction of Mangatainoko Valley Road Metalling Central Road, Parkville.. Construction of roads in Stirling Special-settlement Block Construction of Bengston Street, Eketahuna. Metal portion of Mangaone Valley Road. Formation of Mangaoronga Road.. Under section 22 of the Act. Ditto. 54 G. Carried 54 150 G. 150 20 G. No poll required 20 Featherston *300 G. Carried *300 374 Metal Pukohai Road. Construction of a road in Kaitara, Morrison's Bush District. Repairs, &c, to Fitzherbert Bridge, over Manawatu River Fitzherbert Kaiti Manawatu 2,200 2,000 P.G. G. No poll required 1,300 241 Under section 118 of "The Publio Works Act, 1894," uncompleted. Carried Construction of roads. Rebuild portion of Oroua Bridge at Aorangi. Repairs of flood-damage toOnepuhi Bridge. Construction of portion of York Road Metalling portion of Croydon Road West. Construction of road to give access to Upper Radnor Road Ditto. Formation of Cross Road. Construction of portion of Denbigh Road. Metal portion of Mangorei Road. Metalling, &c, Bentley Street Metalling Kakaamu Road. Construction of bridge overRuamahanga River. Form portion of Dagg's Road Manchester 300 Uncompleted. Manganui 600 150 P.G. G. Carried 30 No poll required Under section 22 of the Act. 300 32 100 Mangorei Masterton ioo 140 P.G. 568 Uncompleted. 1*000 Mauriceville 22 G. No poll required No poll required Ditto.. 22 Under section 22 of the Aot. Under section 22 of \ the Act. Ditto. Moa 15 G. 15 Construction of Dudley Road East I 17 G. 17 Construction of Hursthouse Road and form portion of Lepper Road Construction of Rugby Road Metal portion of Durham Road West. Gravel remaining portion of Lepper Road South. Construction of Bristol East, Rimutautika, and Kaimata Roads. Construction of portion of Dudley Road Metal portion of EgmontRoad South Construction of portion of Kaipi Road. Construction of Kuru and New Plymouth Roads. Construction of portion of Ngariki Road. 30 700 G. G. Carried 30 700 300 G. 300 1,200 500 P.G. Uncompleted. 1,000 P.G. ioo « 3 Oakura.. 600 Parihaka 250 G. Carried 250 Carried forward 13,996 3,376 3,115 |

8.—141

4

List of Applications and Advances — continued.

Amount Local Authority. applied for. Provisionally granted or refused. of Poll or Petition. Result New Loans. Advai ices. ces. joans of r'revious Years. Purpose of Loan. Remarks. ROAD lOARDS —continued. £ 13,996 1,500 £ 3,376 1,500 £ 3,115 Construction of portion of Upper Newall Road. Construction of portion of Waitieka Road. Construction of two roads and two bridges. Construction of roads in Watt's Peninsula. Construction of Takapau-Kopua Road. Construction of cart-traffic bridge over Taueru River near Gladstone. Construction of Para Road Construction of Victoria Road and continuation of Dalefield Road. Reconstruction of bridges over Ruamahanga River at Hurunuiorangi and Kokatau. Construction of Anderson's line and three other roads. Metal Main Road. Reconstruction of Hurford Road. Construction of Wilton and Paulson's road Form portion of Mangorei Road .. Form Mangamahu Valley bridletrack into a cart-road. Construction of roads in central subdivision. Construction of portion of Upper Rowan Road Construction of portion of Opunake Road Metal Rama Road from southern boundary of central subdivision to Main South Roid Metal portion of the Waiuku-Kario-tahi Road Metal portion of the Maioro-Waiuku Road. Construction of portions of Alfred R.ad Metal portion of Korito Road. Metal portion of Kent Road. Construction of Gladstone Road Construction of Otauru Road. Brought forward Parikaka G. Carried 40 _ Porangahau ; 3,000 G. Carried 3,000 Seatoun 1,000 Takapau ... 496 Taratahi-Carterton 700 G. Carried 200 P.G. 300 Uncompleted » 1,500 120 Turanga Upper Hurford .. i Upper Taueru .. 50 700 Under section 22 of the Act. Uncompleted. *30 G. No poll required 30 Upper Wangaehu 250 700 P.G. Waimate 4,000 G. Carried 2,915 50 35 G. G. No poll required Ditto.. 50 35 Under section 22 of the Act. Ditto. » .. 800 P.G. Uncompleted. Waipipi 500 P.G. 50 Waiwakaiho 400 P.G. 15 50 it • • Wirokino i ■=: '1*750 150 P.G. G. Carried 28,061 10,906 7,436 Dannevirke 237 237 iOROU' HS. Construction of waterworks Under section 22 of the Act. G. No poll required Feilding 12 G. "l2 500 Ditto. Repairs of flood-damage to Aorangi Br.dge Ditto. Construct bridge at Wirokino on Main Road from Foxton to Levin Construction of waterworks. To repay overdraft No poll required Under section 22 of the Act. . : i Foxton Greytown ' '.. Kumara .: 1*000 G. 483 No poll required Under section 113 of : "The Public Works Act, 1894." Not in compliance with terms of the Act. Uncompleted. 800 R. 600 Masterton Petone 20,000 1,900 P.G. G. Carried 1*900 Construction of water-supply works Construction of roads and drainageworks. Construction of waterworks. Construction of drainage-works. Te Aroha Timaru 3,000 G. 1,000 2,000 26,949 3,149 3,583 j Ti >WN BO. \RDS. Bulls j 1,279 Construction of bridge over Rangitikei River Not dealt with, for. want of further information. Ngaruawahia 300 300 Ditto. Construction of bridge over Waipa River at Ngaruawahia. ... VI: ! 1,279 600 I

5

8.—14

List of Applications and Advances — continued.

£ s. d. £ s. d. Cash balance, Ist April, 1898 .. .. .. .. .. .. .. 21,978 211 Money borrowed to make advances to local bodies .. .. .. .. .. 73,900 0 0 95,878 2 11 Money advanced to local bodies .. .. .. .. .. .. .. 75,428 0 0 Money advanced under " The Government Loans to Local Bodies Act Amendment Act, 1891" .. .. .. .. .. .. .. .. .. .. 16,97112 3 92,399 12 3 Less refunds by— £ s. d. Kiwitea County Council .. .. .. .. 147 1 8 Stratford County Council .. .. .. .. 299 10 2 Manchester Road Board .. .. .. .. 276 16 5 Wainono Drainage Board .. .. .. .. 147 18 3 871 6 6 91,528 5 9 Cash balance, 31st March, 1899 .. .. .. .. .. .. .. .. .. £4.349 17 2 2—B. 14. _^=

Ijocal Authority. ProviAmount sionally applied granted for or refused. j Advances. Result Petf"on r New Loans o, Purpose of Loan. Remarks. RIVER BOARDS. f> n n RI r ER BO £ £ £ Olive .. .. 10,000 P.G. .. .. .. Construction of river protective Under section 5 of works Amendment Act, 1898. For two successive years' expenditure. Uncompleted. Lower Wairau .. 1,000 P.G. .. .. .. Banking Opawa relief channel .. Uncompleted. Spring Creek .. 2,000 G. Carried 1,000 .. Banking of protective works along For two successive Wairau aud Opawa Rivets yeais' expenditure. £ 10,000 £ £ P.G. P.G. G. Carried 13,000 1,000 WATER-SUPPLY BOARDS. Waimakariri-Ash- 1,000 P.G. .. .. | .. Repairs of extraordinary flood- Under Amendment ley damage Ace, 1898. Uncompleted. IRRIGATION BOARDS. Upper Plain .. 5,000 R. .. .. .. Construction of water-supply for Not in complianoe irrigation-works, &o. with terms of the Act. LAND DRAINAGE BOARDS. Aorangi .. 99 G. No poll 99 .. Construction of drainage-works .. Under section 22 of required the Act. Manawatu .. 760 G. Ditto.. 760 .. Construction of drainage-works .. Ditio. „ .. .. .. .. .. 1,600 Construction of diainage-works. Otakia.. .. .. .. .. .. 100 Construction of main public drains. Sluggish River ... .. .. .. .. 300 Construction of drain. 859 859 2,000 Under Section 2 of " The Government Loans to Local Bodies Act Amendment Act, 1891." Minister of Lands | 63,723 .. .. 7,531 9,441 i Opening up for settlement various I blocks of land. 181,817* 43,959 48,441 * £6,000 has to be deducted from this amount for loans refused. Note.—P.G., means provisionally granted ; G., granted; K., refused.

8.—14,

6

Statement of Liabilities and Assets. Outstanding liabilities, — £ s. d. £ s. d. £ a. d. Debentures issued under "The Government Loans to Local Bodies Act, 1886"* .. ... .. .. .. .. .. 1,239,400 0 0 Under " The Government Loans to Local Bodies Act, 1886 " — Money promised to local authorities which have complied with the provisions of the Aotf .. .. .. 24,650 0 0 Money liable to he advanced as required when the provisions of the Act are complied with .. .. .. 36,605 0 0 61,255 0 0 Under " The Government Loans to Local Bodies Act Amendment Act, 1891 "- Unpaid balance of loans .. .. .. .. 10,046 10 8 Applications for loans for which the neoessarv steps are not yet completed .. .. .. .. .. 80,751 7 11 90,797 18 7 £1,391,452 18 T Assets,— £ a. A. £ s. d. £ ». d. Payments for twenty-six years of 5 per cent, per annum on amount of inscribed debts of local bodies (£1,031,799 Bs. 4d.{) 1,341,339 4 10 Less amount paid in respect of the annual repayments 314,835 11 1 1,026,503 13 9 Inscribed debt under " The Government Loans to Local Bodies Aot Amendment Act, 1891 " .. .. .. .. 213,602 2 5 Less amount refunded on disposal of lands .. .. 47,576 6 1 166,025 16 4 Sinking fund created under section 5 of "The Government Loans to Local Bodies Act Amendment Act, 1892" .. .. .. 165,093 7 8 Gash balance, 31st March, 1899 .. .. .. .. .. 4,349 17 2 £1.361,972 14 11

The Treasury, Jas. B. Heywood, 4th July, 1899. Secretary to the Treasury. Note.—The total amount borrowed up to the 31st March, 1899, was £1.219,400. The toial amount repaid to Publio Works Fund up to the 31st March, 1899, was £89,800. The total amount advanced to local bodies up to the 31st March, 1899, was £931,618 Os. sd. The total amount advanced under " The Government Loans to Local Bodies Act Amendment Act, 1891," up to the 31st March, 1899, was £21.3,832 2s. sd. * £912.300 of this amount has been converted into Consolidated Stock debentures under " The Consolidated Stock Act, 1881." t Including second year's grants, for which all formalities have been completed. t This amount represents the debt as inscribed on the Ist February. 1899. It includes the inscribed stock exchanged for debentures under " The Boads and Bridges Construction Act, 1882," amounting to £89,878 Bs. 9d. (See 8.-13,1891.) Approximate Cost of Paper.— Preparation, not given; printing (1,410 copies), £8 4s.

Price 6'd.] By Authority : John Mackay, Government Printer, Wellington.—lB99.

This report text was automatically generated and may include errors. View the full page to see report in its original form.I whakaputaina aunoatia ēnei kuputuhi pūrongo, e kitea ai pea ētahi hapa i roto. Tirohia te whārangi katoa kia kitea te āhuatanga taketake o te pūrongo.
Permanent link to this item
Hononga pūmau ki tēnei tūemi

https://paperspast.natlib.govt.nz/parliamentary/AJHR1899-I.2.1.3.19

Bibliographic details
Ngā taipitopito pukapuka

APPLICATIONS MADE BY LOCAL AUTHORITIES FOR LOANS UNDER "THE GOVERNMENT LOANS TO LOCAL BODIES ACT, 1886," FOR THE FINANCIAL YEAR ENDED 31st MARCH, 1899 (ANNUAL RETURN OF)., Appendix to the Journals of the House of Representatives, 1899 Session I, B-14

Word count
Tapeke kupu
2,547

APPLICATIONS MADE BY LOCAL AUTHORITIES FOR LOANS UNDER "THE GOVERNMENT LOANS TO LOCAL BODIES ACT, 1886," FOR THE FINANCIAL YEAR ENDED 31st MARCH, 1899 (ANNUAL RETURN OF). Appendix to the Journals of the House of Representatives, 1899 Session I, B-14

APPLICATIONS MADE BY LOCAL AUTHORITIES FOR LOANS UNDER "THE GOVERNMENT LOANS TO LOCAL BODIES ACT, 1886," FOR THE FINANCIAL YEAR ENDED 31st MARCH, 1899 (ANNUAL RETURN OF). Appendix to the Journals of the House of Representatives, 1899 Session I, B-14

Log in or create a Papers Past website account

Use your Papers Past website account to correct newspaper text.

By creating and using this account you agree to our terms of use.

Log in with RealMe®

If you’ve used a RealMe login somewhere else, you can use it here too. If you don’t already have a username and password, just click Log in and you can choose to create one.


Log in again to continue your work

Your session has expired.

Log in again with RealMe®


Alert