Page image
Page image

2

8.—14

List of Applications and Advances- continued.

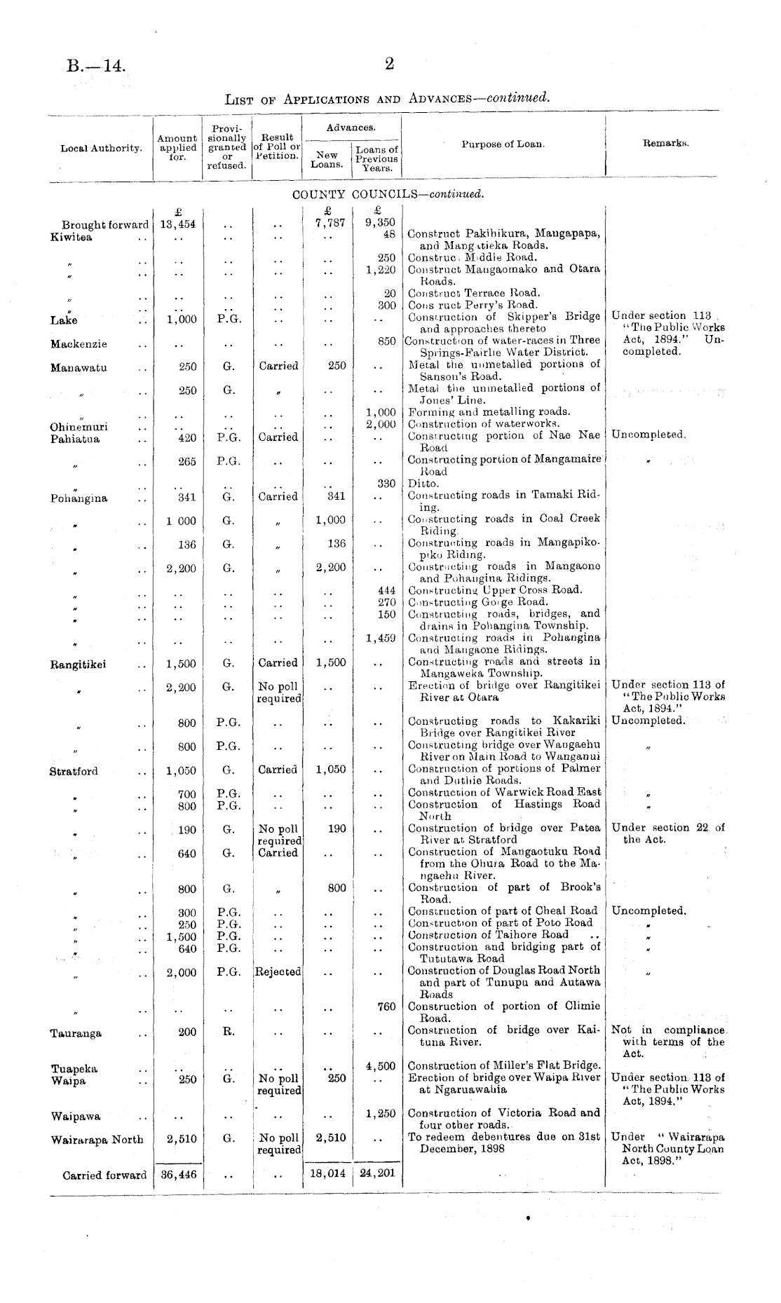
Provisionally granted or refused. Advances. Local Authority. Amount applied for. Result of Poll or Petition. w Loans of new previous Loans. Years Purpose of Loan. Remarks. C( iUNTY 30UNCI: LS — continued. Brought forward Kiwitea £ 13,454 £ 7,787 £ 9,350 48 Construct Pakihikura, Mangapapa, and Mang itieka Roads. Construe, Middle Road. Construct Mangaomako and Otara Roads. Construct Terrace Road. Cons ruct Perry's Road. Construction of Skipper's Bridge and approaches thereto Construction of water-races in Three Springs-Fairlie Water District. Metal the unmetalled portions of Sanson's Road. Metal the unmetalled portions of Jones' Line. Forming and metalling roads. Construction of waterworks. Constructing portion of Nae Nae Road Constructing portion of Mangamaire Road Ditto. Constructing roads in Tamaki Riding. Constructing roads in Coal Creek Riding. Constructing roads in Mangapikopiko Riding. Constructing roads in Mangaone and Pohangina Ridings. Constructing Upper Cross Road. Constructing Gcge Road. Constructing roads, bridges, and drains in Pohangina Township. Constructing roads in Pohangina and Mangaone Ridings. Constructing roads and streets in Mangaweka Township. Erection of bridge over Rangitikei River at Otara 250 1,220 20 300 Lake 1*000 P.G. Under section 113 , "ThePublic Works Act, 1894." Uncompleted. Mackenzie 850 Manawatu 250 G. Carried 250 250 G. Ohinemuri Pahiatua 1,000 2,000 Uncompleted. 420 P.G. Carried 265 P.G. Pohangina *341 G. Carried 341 330 1 000 G. 1,000 136 G. 136 2,200 G. 2,200 444 270 150 1,459 Rangitikei 1,500 G. Carried 1,500 2,200 G. No poll required Under section 113 of "The Public Works Act, 1894." Uncompleted. 800 P.G. Constructing roads to Kakariki Bridge over Rangitikei River Constructing bridge overWangaehu River on Main Road to Wanganui Construction of portions of Palmer and Duthie Roads. Construction of Warwick Road East Construction of Hastings Road North Construction of bridge over Patea River at Stratford Construction of Mangaotuku Road from the Ohura Road to the Mangaehu River. Construction of part of Brook's Road. Construction of part of Cheal Road Construction of part of Poto Road Construction of Taihore Road Construction and bridging part of Tututawa Road Construction of Douglas Road North and part of Tunupu and Autawa Roads Construction of portion of Climie Road. Construction of bridge over Kaituna River. 800 P.G. Stratford 1,050 G. Carried 1,050 700 800 P.G. P.G. 190 G. No poll required Carried 190 Under section 22 of the Act. 640 G. 800 G. 800 300 250 1,500 640 P.G. P.G. P.G. P.G. I Uncompleted. I i 2,000 P.G. Rejected 760 Tauranga 200 R. Not in compliance with terms of the Act. Tuapeka Waipa 250 G. 250 4,500 Construction of Miller's Flat Bridge. Erection of bridge over Waipa River at Ngaruawahia No poll required Under section 113 of "The Public Works Act, 1894." Waipawa 1,250 Construction of Victoria Road and four other roads. To redeem debentures due on 31st December, 1898 Wairarapa North 2,510 G. No poll required 2,510 Under " Wairarapa North County Loan Act, 1898." Carried forward 36,446 18,014 j 24,201

Log in or create a Papers Past website account

Use your Papers Past website account to correct newspaper text.

By creating and using this account you agree to our terms of use.

Log in with RealMe®

If you’ve used a RealMe login somewhere else, you can use it here too. If you don’t already have a username and password, just click Log in and you can choose to create one.


Log in again to continue your work

Your session has expired.

Log in again with RealMe®


Alert