Page image
Page image
Page image
Page image
Page image
Page image
Page image
Page image
Page image
Page image
Page image
Page image
Page image
Page image
Page image
Page image
Page image
Page image
Page image
Page image

Pages 21-40 of 45

Pages 21-40 of 45

Page image
Page image
Page image
Page image
Page image
Page image
Page image
Page image
Page image
Page image
Page image
Page image
Page image
Page image
Page image
Page image
Page image
Page image
Page image
Page image

Pages 21-40 of 45

Pages 21-40 of 45

C—lA

Session 11. 1906. NEW ZEALAND.

DEPARTMENT OF LANDS: SURVEYS (ANNUAL REPORT ON).

Presented to both Houses of the General Assembly by Command of His Excellency.

The Acting-Surveyor-Geneeal to the Hon. ths Minister of Lands. g TRi Department of Land;?, Wellington, Ist Juno, 1906. I have the honour to submit herewith the annual report on the survey operations o$ the Department for the twelve months ended the 31st March, 1906. I have, &c, Thos. Humphries, The Hon. T. Y. Duncan, Minister cf Lands. Acting Surveyor-General".

Work done during the Year. The number of surveyors employed during the year ending the 31st March, 1906, was 107, consisting of 35 staff, 40 temporary, and 32 on contract, 76 of whom were employed in the North Island and 31 in the South. The amount of work in the different classes completed during the year, together with the cost, is as follows :—

The completed work returned in each class, with the exception of Native Land Court surveys, greatly exceeds that of the previous year, and the cost of the surveyors and their field parties is only £1,413 greater. The exosss in area is in a measure due to the fact that some of the surveys enumerated above were partially executed during the previous year, but now, having been completed, they appear for the first time with the total cost, which includes that incurred pricr to the Ist April, 1905. A comparison of the figures quoted above under the heads of " Minor triangulation," " Provisional settlement," and " Rural and suburban" surveys with thase of the same classes for the preceding year shows the cost per acre for work returned this year to be considerably less in each case.

I—C. IA.

Class of Work. Area. Cost per Acre. Total Cost. Minor triangulation Topographical Topographical provisional settlement .. Rural and suburban Town section Acj'es. 355,072 l'13d. 101,577 2d. 244,093 4-05d. 605,425 l-63s. 939 18-25s. per section 4,191 4-12s. 28,766 l-68s. 307m. £15'6 per mile £ s. 1,666 14 846 9 4,119 3 49,532 10 1,531 1 d. 6 6 7 1 0 Gold-mining surveys Native Land Court Roads and railways Miscellaneous work and other duties .. 863 14 2,413 11 4,789 10 10,419 9 4 5 7 5

C—lα'.

Minor Triangulation. The area completed and returned this year is greater than usual, but was found necessary to proper'y govern the large extent of settlement surveys—slightly over a million acres —that have been undertaken during the past two years. It consists chiefly of breaking down from the major or secondary series, and as the greater pert of it coveied forest country and the season was unfavourable for the work, the average cost of slightly over Id. per acre is to be considered satisfactory. The chief part of it was in the North Island, Taranaki contributing 111,500 acres, Auckland 87,687 acres, Hawke's Bay 78,000 acres, and Wellington 50,500 acres ; the remainder, 27,385 acres, being in Nelson and Westland. In the older-settled parts of the colony, especially in the vicinity of cities and large towns, the trießgulation of earlier days has lost much of its usefulness on account of buildings, plantations, hedges, &c, obstructing the view. The only alternative is a further extension of the standard survey along the roads, with well-established raference-marks ot a permanent character at intervals. The principal centres and some of the larger towns have already been so treated, and in part their suburbs, but there is greafc need for further extension of this special work in many parts of the colony, so as to furnish connections for Land Transfer surveys, especially those of subdivisions for building purposes, both in the case of new townships and the extension of established ones, which have teen so general during the past few years. Topographical. The area returned under this heading—viz., 345,670 acres —consists of two classes of work. In Westland, exploration surveys have been made of 10],577 ac<os of hitherto practically unknown country, with a view of ascertaining, and in a general measure locating, tha geographical features, and at the same time acquiring a knowledge of the country's possibilities, especially from a settlement standpoint. The information thus obtained unquestionably justifies the expense incurred. The remaining 244,093 acres was purely provisional settlement surveys —in other words, the prospecting for and laying-out of roads, approximately locating streams, ridges, &„■., and acquiring other data for the preparation of suitable «'le maps for disposal of the land under the system of " selection before survey," which was forced upon the Department in consequence of the abnormal demand for land during the past two years, which could not be readily met if the land had to be sectionised before disposal. By this departure from the usual procedure the immediate demand was largely satisfied, and, as will be seen further on, the extra pressure now removed, opportunity has been afforded to make the final and complete sur/eys of a very large area selected under this system. Rural and Suburban. This year has seen the completion of the subdivision into 2,035 sections of 605,425 acres of this class of work, a greater area than has been returned in any single year since 1895. Auckland takes the lead with 194,701 acres, followed by Wellington, Taranaki, Marlborough, and Nelson, with 96,862, 71.211, 61,478, and 52,116 acres respectively, the remaining 129,057 acres being divided amongst the four most southern districts. As already indicated, there is included in the above figures, in accord with the practice of former years, work that was in hand and incomplete at the date of last report but finished during the year. The coot, which is at the rate of Is. 7d. per acre, is highsr than last year. This was to be expected, for the season has been particular I}'1}' unfavourable for survey operations, and a considerable part of the area returned was in rough bush country. A large proportion of the area returned has been the sectionising of blocks that were provisionally surveyed and. thrown open for selection in previous years, principally in Auckland, Taranaki, and Nelson. There is also included the completed sectional survey of twelve estates purchased under the Land for Settlements Act. Town Section Surveys. The coming into operation of " The Workers' Dwellings Act, 1905," combined with the surveys of townships in land-for-settlement blocks, the provision ot sites for miners' homes at Golden Bay, and the resurvey of two old townships in Westland where the occupations were at variance with ths titles, has had the effect of increasing the amount of this class of work, a total area of 939 acres having been subdivided into 1,678 allotments. Native Land Court Surveys. Seventy-eight blocks, comprising 28,766 acres, were surveyed by staff officers or contract surveyors under the direction and control of the Department. This area is less than usual; but surveys of 106,046 acres in 138 blocks have been made during the year by licensed surveyors at the cost of the Native owners, the authorities for such surveys being issued on application to the Department, and the maps checked and recorded. Gold-mining. Surveys. Ninoty-six claims have been surveyed, comprising 4,191 acres ; 65 claims, or about two-thirds of the total, falling to Otago, 14 to Southland, 12 to Auckland, and 5 to Westland. Other Work. This was of the usual miscellaneous character, the total cost being £10,419 9s. 5d., as shown in Table 1. Generally speaking, it includes the cost of inspection of surveys, renewals of and rspairs to trig, stations, defining and reporting on timber areas, surveys and reports for Land Boards, and for the Mines; Tourist, Education, Public Works, and Native Departments, and numerous other miscellaneous matters which will be found mentioned in attached reports by the se\eral Chief Surveyors.

2

3

C—la.

Inspections of Surveys. The system of inspections has been thoroughly carried out during the year, and has proved that the work now being done is, with a few exceptions, of a high class. As might be expected, in the case of one or two private surveyors, out of the very large number in private practice, faulty work was dis<" covered, but, taken as a whole, the quality of the surveys executed both by staff and private surveyors is excellent. The good record of the staff officers has been maintained, the average error in closures, including surveys in rough forest country, being less than 2 links per mile; and, with the exceptions mentioned above, the Land Transfer survey work done by licensed surveyors is also of a highly creditable character. Magnetic Survey. During the year Mr. Skey 1 5 taken thirty-three sets of magnetic observations ir Otago and South Canterbury, which completes the field-work of the magnetic survey. In all, observations have been taken at about three hundred positions, which are, generally speaking, from twenty to thirty miles apart. In order to make this work of value it is now necessary to reduce the observations to a common epocn, by the aid of the magnetic curves obtained at Christchurch, and the subsequent preparation of isomagnetic maps, all of which will need very careful calculation,-besides involving a large amount of clerical work. This will now be undertaken by Mr. Skey and his assistant, in conjunction with the usual routine work of the observatory, which consists of magnetic, seismological, and meteorological observations. Mr. Skey's interesting report on the year's operations will be found in Appendix 111. Surveyors' Board. During the year the Board held eighteen meetings, and in conjunction with the Australian Boards conducted examinations in March and September. At the first examination ten candidates presented themselves, six of whom passed, and at the second there were fifteen candidates, seven of whom passed. Th; Board issued in favour of one surveyor a letter of recommendation to the surveying authorities in South Africa, and a similar one to the New South Wales Board. Thirteen certificates of competency and fourteen licenses were also issued. A conference of the Surveyors' Board was held in Melbourne on the 27th April, 1905, at which the Board was represented by Messrs. Richardson and Ward, when important matters affecting both the public and the profession were dealt with. Standard Surveys. Mention of the necessity for an extension of this class of survey is made in an earlier part of this report, and it will be seen that several of the Chief Surveyors in their reports refer to it also, and urge its prosecution, recognising the risk run through so many Land Transfer surveys, which define the boundaries of properties, especially in rising townships, being at the present time unconnected with properly established permanent reference-marks. Standard surveys are now being made of the City of Wellington and part of the Borough of Timaru, the local bodies paying portion of the cost, but in botn instances the work needs to be extended into the suburbs. In other parts of the colony, however, standard surveys have been temporarily suspended on account of the necessity for opening up large areas of country to meet the demand for land for settlement and the security of surveyors. It is to be hoped, however, that before long opportunity will be afforded to resume this very important and necessary work. Proposed Operations for 1906-7. With the surveys actually in progress at the presert time, those for which instructions are issued but not yet commenced, and others in prospect, there is every indication that the coming year will be a very busy one for the Department. The number of surveyors engaged at the beginning of the year is thirty-five staff and thirty-eight temporarily employed, a total of seventy-three, which will need to be largely augmented if expectations regarding additional fresh work are realised. The extent of the surveywork already allotted to the various surveyors and partly in progress comprises 1,091 square miles of trig, and topography ; 687,359 acres of settlement-work, consisting of provisional and final sectional surveys, two-thirds of which is in the North Island, more particularly in the Auckland and Taranaki Districts ; 59.147 acres of Native blocks ; 532 miles of road-surveys ; and the sectionising of 176 acres of town land. It is not intended to execute this year more triangulation-work than will be necessary to control the settlement surveys that have to be undertaken, although a considerable amount will be required to accomplish this. In addition to the area of required settlement surveys mentioned above, there is the work of sectionising 35,900 acres in Southland and Stewart Island that has been apportioned to landless Natives. This, however, is not very urgent, and will possibly have to stand over for the present in favour of more pressing work. The road-surveys, which in a large degree represent the survey of roads that ha\ ; e at different times been taken by the local bodies or Roads Department, but never defined or legalised, though important, must, until surveyors are specially employed for that purpose, be made in some degree subservient to urgent new-settlement work. Besides the foregoing, there will doubtless be further and heavy demands made on the Department for sectional surveys of estates acquired under the Land for Settlements Act, and for even more exter.sive surveys in connection with dealings in Native land by the Councils and Boards constituted under " The Maori Lands Administration Act, 1900," and " The Maori Land Settlement Act, 1905." Appended are reports in detail by the Chief Surveyors of the operations in their several districts, and also interesting and valuable reports by Mr. District Surveyor T. N. Brodrick on the movements of the Tasman and Mueller Glaciers during the past seventeen years, and Mr. Henry F. Skey, B.Sc, who is in charge of the Magnetic Observatory at Hagley Park, Christchurch. In conclusion, I regret not being in a position to give a more exhaustive review of the operations of the Department during the past year, which is due to the fact of my having only very recently assumed the duties of my present position.

C.—lα.

Mr. F. W. Flanagan, Chief Draughtsman, reports :— The routine duties appertaining to this office have been carried out satisfactorily and expeditiousiy, notwithstanding the extra-departmental work of preparing maps and data for the census enumerators imposed on several of the draughtsmen off and on for some months. Mile-to-the-inch Maps.—The compilation of these maps now devolves on the District Office staff, and consequently the new publications are decreasing year by year. The preliminary county maps have practically taken the place of the mile-to-the-inch maps, and as the former show all the available data relative to sections, roads, and reserves, they are of more utility to the Department and the public than the mile-to-the-inch maps, and they arc produced at a fraction of the cost. The following are the maps printed and published during the year—viz., Turanganui, in the Hawke's Bay Land District; Owen Gordon and Waitapu, in the Nelson Land District; Glenorchy, Castlemount, Dart, Martin s Bay, Clinton, Skipper's Creek, Earnslaw, Mid-Wakatipu, Upper Wakatipu, South Wakatipu, Forbeside, Humboldtside, Caples, Clintonside, Yon, Benmore, Domet, Coneburn, Ohau Eiver, Otamatakau, Shotover, Mount Burster, all in Otago Land District (several of these district maps contain very little information beyond topographical features) ; Glaisnock, Mavora, and Eyre North, in Southland Land District. New editions of mile-to-the-inch maps of the following districts have been printed and published —viz., Corwar, Hawkins, and Wakanui, in the Canterbury Land District; Glenomaru, Waitahuna East Waitahuna West, Greenvale, Mount Hyde, Lee's Stream, and Otepopo, in Otago Land District; Oteramika Hundred, Lindhurst Hundred, Lothian Hundred, and Mataura Hundred, Otama Survey District, and Chatton Survey District, in Southland Land District. The following maps of towns have been printed and published—viz., Waharoa, Taumarunui, and Te Kuiti (Auckland) ; Patea (Taranaki) ; Blackball and Waitaha Village (Westland). Amongst the miscellaneous maps published during the year the following may be mentioned—viz., Reprints of Sheets Nos. 2, 3, and 4, Auckland, on a scale of four miles to an inch ; maps showing the single electorates of Auckland West, Auckland Central, Auckland East; Wellington North, Wellington Central, and Wellington East: Christchurch North, Christchurch East, and Christchurch South ; Dunedin North, Dunedin Central, and Dunedin South ; map of New Zealand on sixteen-mile scale showing localities of sawmills ; map showing British and German line of demarcation in the western Pacific ; and map showing sea routes to New Zealand. The map of the City of Dunedin and Suburban Boroughs, drawn to scale of 5 chains to an inch, has been completed, and will be published at an early date. The map covers six sheets, each measuring 34 in. by 46 in. The index county maps of the colony on the mile-to-the-inch scale have been kept well up to date. Old maps have been replaced by new maps containing the most recent sectional and topographical data, and showing the land tenure, in colours. Maps of the following counties have been printed and published during the year—viz.. West Taupo (one mile to an inch) ; parts of Waipawa and Patangata (completed), one sheet; Cook County ; Wairoa County ; parts of Clifton County (completed), two sheets ; parts of Marlborough County (two sheets) ; Grey County ; parts of Waimate County (two sheets). The following county maps have not yet been received from the Chief Surveyors—viz., Buller, Inangahua (Westland), and Amuri. The map of Mackenzie County is now in course of publication. The following old county maps have been renewed —viz., Waipawa, Patangata, Masterton, Castlepoint, Lake, Mangonui, Waitomo, Featherston, Rotorua, Akitio, Wanganui, Waitotara, Waimarino, Kawhia, Mauriceville, Eketahuna, Awakino, Waimea, Collingwood, and Takaka. Sixty plans of private townships have been examined, reported on, and recommended for approval of His Excellency the Governor under section 18 of " The Land Act, 1892 "—viz., Dursley Extension, Eadesville, Aberfeldy Extension, Kowhanga, Beresford, Worota Extension No. 1, Worota Extension No. 2, Sandford, Waikino Extension No. 2, Clandelands Subdivision No. 1, Brightside, Pakaraka, Tira, Morrinsville No. 1, Kakahi Village, Clovernook, Grand Park, North Crew, and St. George, in Auckland Land District; Waipura, Hauiti, Te Karaka Extensions 1, 2, 3, 4, and 5, Kirktown, and Havelock Extension No. 3, in Hawke's Bay Land District; Tironga, Crownville, and Abrahamstown, in Taranaki Land District; Rautawhiri," Carlton North Extension, Carlton North, Jolmsonville Subdivisions Nos. 3 and 4, Ferryside Extensions Nos. 1 and 2, Matipo, Millshaven, Smithfield Extension. Virginia, Gower, Bexley, Reayville, Taihape Extension, Kawa, and Okiwi Extension No. 3, all in Wellington Land District; Wroxton, Brucefield, Cashmere Extension No. 3, Opawa Extension No. 2, Craig Neuk, Benvenue, Lower Fendalton, and Kowena, in Canterbury Land District; Maitlands and Robertson, in Southland Land District. The preparation of data for the census enumerators was an important feature of the year's work, The colony was divided by the Registrar-General into fifty-six enumerators' districts. Maps of each district in duplicate weTe furnished by the Head Office. On each map were shown the names, and in different colours the boundaries, of counties, ridings, road districts, with subdivisions, boroughs, town districts, mining districts, electoral districts, &c. These enumerators' districts were_ subdivided into subenumerators' districts, necessitating the preparation of 1,050 maps by the District Omce_ staff. The final checking of all the maps and marking thereon with precision certain blocks the population of which will be required by the Representation Commissioners for the readjustment of the representation of the people in the House of Representatives devolved on this office. The Registrar-General has acknowledged the excellence of the maps. In this connection I have to state that to Mr. McCardell and the draughtsmen who assisted him much credit is due. Eight hundred and twenty-two maps and tracings have been mounted, also 400 lithographs of land-sales for the portfolios in the Head Office.

4

C—la.

APPENDICES.

APPENDIX L—SURVEYS.

AUCKLAND.

Minor Trigonometrical and Topographical Survey. —During the year 87,687 acres of minor triangulation lying in Tauranga, Whareorino, and Patetere North Districts was executed, at a cost of l - 01d. per acre, being a breaking-down from major trigs for section survey check. Rural and Suburban. —This year a return of 194,701 acres, at a cost of I'24b. per acre, is probably a record for settlement-work completed during the period, while the cost is low, for a large proportion of this aroa lies in heavily timbered broken country, difficult of access and subject to continuous rains. A reference to the table will show the location of the various operations for the period. It should be noted that large areas, the surveys of which have extended over more than one period, having been delayed from the causes already mentioned, were completed and returned this year. These were principally in the Tutamoe, Whareorino and Rotoma Survey Districts, the surveys of which were executed by District Surveyor G. A. Martin, with Assistant Surveyors H. M. Kensington and L. Jackson; District Surveyor R. S. Galbraith, with Assistant Surveyors F. E. Byrne and McCabe ; and the last named block by District Surveyor D. I. Barron. There is also an area of 10,735 acres executed by licensed surveyor?, principally the subdivision of Crown leases under section 12 of " The Land Act Amendment Act, 1895," and paid for by private arrangemeent. In addition to this, an area of 135,777 acres of provisional topographical survey was prepared for the purpose of getting areas quickly into the market, the cost averaging Ts6d. per acre, the principal, blocks being in Patetere (Selwyn), Opotiki, Waioeka, Whareorino, and Maungamangero Districts, the surveys of which were done by Assistant Surveyors Edgecumbe, Allom, Mitchell, Thompson, Seaton, Mountfort, Kensington, and Byrne, thus making a total area of 330,478 acres prepared for settlement purposes. Town Section Survey. —Under this heading is returned an area of 1291 acres, consisting of 142 allotments. These comprised portions of Putaruru Village Extension (Selwyn), and Kakahi Village, Rotorua, and a small area in Matamata Village. Lands for Settlement. —Under this heading there has been considerable activity during the year, so as to get the land acquired opened and made profitable with the least possible delay, the offering of the southern portion of the Selwyn Block being within six months from date of starting the survey. In Piako County an area of 88,431 acres, Selwyn Settlement (formerly the Thames Valley Estate), was prepared and offered for selection this year. This is included in the settlement area surveyed. The subdivision was conducted by Assistant Surveyors Edgecumbe, Wilson, Mountfort, and Kensington, under the supervision of Assistant Surveyor J. B. Thompson. The bush portion, about 60,000 acres, of this estate was defined and excluded from settlement with a view to being dealt with later for milling purposes. Preliminary operations have also been started on the Mangawhero and Mangapouri Estates, in the Waikato, adjacent to Selwyn, which were purchased by the Government this year for close settlement; also the workers' dwellings settlements near Auckland —viz., Cadman, Carroll, Eccleston No. 2, Lawry, and Prescott Settlements, the periphery surveys of which were executed by contract surveyors P. Chambers, J. W. Harrison, and Kelly. Schemes for the subdivision of these settlements were prepared by Inspector J. Langmuir, and a portion of Lawry Settlement at Ellerslie pegged off to enable a start to be made in the erection of the proposed dwellings. Native Land Court Surveys. —15,150 acres, comprising 40 blocks, have been surveyed, at a cost of 19'55d. per acre, for which certificates of costs have been issued, and lying principally in Whareorino, Awakino, Maungaru, Whaingaroa, and Mangamuka Districts. In addition, 54 blocks, totalling 22,432 acres, were surveyed, of which I have no official knowledge of the cost, which gives a grand total of 94 blocks of 37,582 acres. These surveys were executed by licensed surveyors, with the exception of 4,213 acres by the staff. Gold-mining Surveys. —This year 734 acres, covering twelve claims and costing ss. per acre, have been surveyed Dy licensed surveyors, also 182 acres in five claims paid for by arrangement. The area returned is less than usual, as there was nothing to cause a demand for many fresh claims ; apart from this, the existing claims are in a prosperous condition. Roads. —Of this class of work 8654 miles were surveyed, at a cost of £16-21 per mile. With the exception of two contracts, these were all staff surveys. The greater portion of this is the survey of lines graded by the Roads Department, which required definition in order to establish a proper title. This occupied a large portion of time, which I often grudge, and which might be applied to settlement survey. The average cost is satisfactory, as many are in broken country, and in some cases includes the cost of redefining the old boundaries intersected as well as grading. Detention by Native Opposition. —The amount of £43 11s. Bd. represents cost of delay caused by opposition to the survey of scenic reserves at Ngatira, on Rotorua Railway, by contract surveyor G. A. Jackson. Other Work. —Under this heading a cost of £2,667 19s. 3d. is shown covering the usual various duties, all necessary in their way, but outside actual subdivision surveys, and includes inspections, surveys, flax and timber reports, trig, renewals, small surveys for Tourist, Education and other Departments, valuations, and numerous other duties in connection with the preparation of the Selwyn Settlement

C— lα.

for selection, road-exploration, redefining old boundaries, scheme-plans for workers' dwellings subdivisions, reports for Warden, Land Board, and miscellaneous duties which are constantly arising. Inspection. —During the year the Inspecting Surveyor has made 28 inspections of staff, contract, and Land Transfer surveyors' work, connected with which schedules and diagrams were forwarded_ to the Head Office. Mr. Langmuir reports that both staff and private surveyors, on the whole, are doing very good work —some of it has been excellent. At the same time, there are cases of unsatisfactory surveys, in which, however, more recent inspections show signs of improvement. Altogether, greater care and interest is being taken in keeping up to a higher standard of excellence. In addition to inspection duties, the Inspector laid down standards of lengths in different centres, tested wires, supervised surveyors' practical examinations, made schemes for workers' dwellings, and attended to a number of other necessary matters requiring special reports and technical consideration. District Surveyors Wheeler, Haszard, Galbraith, and Assistant Surveyor A] loin have also made inspections in addition to their ordinary duties ; and their reports, four in number, with schedules and diagrams, were duly forwarded to headquarters. The tabulation of closures taken from the work of nine staff surveyors indicates that the field-work on the whole has been kept well within the limits of error allowed by regulations, the mean error being I'll links on meridian and l'O3 links on perpendicular. Field-work in Progress.— Table 2 shows that nine staff and eleven temporary surveyors will have 70,000 acres topo. in Piako Swamp, 179,000 acres settlement surveys, and 213 miles of road surveys, besides township and Native work, in hand for the ensuing year. The main areas are situated in Mangonui, Hokianga, Thames, Piako, Opotild, and Kotorua Counties, which also include the subdivision of the Mangapouri and Mangawhero Estates purchased for close settlement. In addition to this it is anticipated that there will be a large amount of Native work in connection with Native areas opened for settlement. Land Transfer Surveys.—A total of 381 plans was examined and approved by this brarch, and 398 recorded. Mr. J. W. Davis, Land Transfer Draughtsman, reports that the work is now fully up to date, there being no arrears on the 31st March ; also that the gensral'character of the surveys is greatly improved, owing largely to the closer inspections that have taken place and stricter compliance with the survey regulations. In addition to the current work, this branch will this year undertake the compilation of new record maps. I would point out that the standard work in and about Auckland requires expansion and attention, as, notwithstanding all precautions taken for their preservation, many standards are displaced through the carrying-out of the ever-varying and necessary works which must occur in a large and growing city and suburbs. The trig, stations adjacent to the city are also becoming gradually useless consequent on building expansion and growth of trees, &c, and should be replaced by standard lines along the streets and roads. Office-work,— 2os settlement and 54 Native Land Court plans, 275 road plans and tracings covering a mileage of 1535 in roads taken and 101 miles roads closed have been examined, involving 1,342 trig, and traverse sheets. 158 tracings of roads were prepared and the boundaries of 13 school districts were described for the Board of Education, whilst the work incidental to 21 staff and 34 contract surveyors, 55 in all, who were at work during the year, alone involved heavy office-work in the examination of plans and preparation of dati. 2,139 plans were placed on Crown grants, certificates of title, &c, covering 181 quadruplicates, 440 triplicates, 46 duplicates, and 3 single copies ; 51 Native Land Court orders were also indorsed in duplicate. 4,050 lithographs were printed, and £109 Bs. 4d. collected in fees for searches, lithographs, &c, while 1,208 tracings were prepared for new selectors, local bodies, Rangers, &c, being a monthly average of 100 tracings. Numerous tracings were prepared for ordinary posters and lands for settlement and transmitted to Head Office for printing and publication. With the great pressure of every class of settlement, Native, mining, scenic, road, and other surveys, and plan work in connection with our forest, kauri-gum, coal-mining, and other industries, all of which are ever passing through the office, the current correspondence, &c, thus occasioned shows no sign of diminution, but rather increases yearly as new settlement goes on, taxing to the full the energies of the staff, and resulting in much extra labour for those responsible for the different channels through which the work of a large office naturally passes. Measuring-bands of a total length of 194 chains have been compared with the new Imperial standard at the Supreme Court for 23 surveyors, and certificates issued. Transfers, (fee—Mr. J. A. Craig, field cadet, was transferred to Nelson District on the 10th January, 1906, and Mr.' R. Sinel, clerical cadet, to Napier on the 12th September, 1905, while Miss Cooper, also of the clerical staff, was transferred to Nelson on the 20th October, 1905. I regret to report that Mr. W. Bertrand, who was custodian of the strong-room, died on the 18th January, 1906, after a painful illness. He was a hardworking and reliable officer, zealous in the execution of his duties, and his loss is much regretted. Mr. J. O. McCabe, temporary Assistant Surveyor, left the service on the 31st January, 1906, upon the completion of the field-work he was engaged on in the Whareorino District. Mr. District Surveyor Barron, after long field service in this district, is under instructions to proceed In° conclusion, at the close of another busy j r ear I have again to acknowledge my thanks for the ready assistance given by the inside and outside staff alike in the endeavour to cope with the year's operations. James Mackenzie, Chief Surveyor.

HAWKE'S BAY. Topographical Surveys. —No topographical surveys have been made during the past season. Minor Triangtdation.—The only work executed was 78,000 acres of minor triangillation, at a cost of id. per acre, by District Surveyor F. S. Smith, to enable him to check' surveys in the Ngatapa and Koran ga Survey Districts.

6

C—lα.

Rural and Suburban. —The total area returned under this heading is 17,213 acres, consisting of 89 sections, at a cost of l - 675. per acre. The whole of this area was surveyed by staff officers. Of the above area 13,444 acres was the subdivisional survey of the Lindsay Settlement by Messrs. Brook, Farnie. and Wilson ; the balance, 3,743 acres, represent isolated sections and reserves in widely separated districts, and 26 acres a proposed scenic reserve in the Tahoraite Survey District, surveyed by Mr. H. Martin Smith. Only the work of which the plans are completed is returned, but the field-work of 64,546 acres is in a forward condition, and most of it will be plotted during the coming winter, the particulars being as follows : 2,423 acres, being lands exchanged, for portion of Ruangarehu Block, surveyed by Mr. Wilson, the plans of which are in hand ; 38,000 acres, settlement survey in the Ngatapa, Moanui, and Motu Survey Districts by Mr. Roddick, who has the field-work well advanced; 2,500 acres, the survey of which is completed, in the Hikurangi District, being the unselected portion of the Waitahaia Block ; and an area of 11,623 acres of the Waipaoa Blocks Iα and 3a, in the Tuahu Survey District, which is being roaded and subdivided for settlement by Mr. Farnie ; but there being a considerable length of road to be surveyed over a rough country, it will probably be well into next summer before this block is open for selection. The cost of this field-work above enumerated is all carried on to next year. Town Sectional Surveys.-— Under this heading 25 acres have been cut up into forty-five acre and quarter-acre allotments, at a total cost of £128 9s. Id., by Messrs. Brook and Roddick, in the Village of Frasertown and Motu. Native Land Court Surveys. —No surveys under this heading have been made by the staff, but 37 surveys, of a total area of 45,362 acres, have been executed by licensed surveyors at the cost of the Native owners ; applications for and authority to survey have been recorded and issued, and the plans checked and recorded. Road Surveys. —Road surveys executed by the staff of which the plans are completed are 3T25 miles, at a total cost of £758 Bs. 5d., or £2427 a mile. Of this Mr. Dalziell surveyed 18"4 miles through Native lands to give access to an education reserve and Crown lands, Mr. Brook 8 - l miles to give'access to Crown lands, and Mr. Farnie 3 miles, being a deviation of the Inland Waiapu Road. There are also 18 miles, the field-work of which is completed but not mapped, and cost carried to next year; 7 miles of which was surveyed by Mr. Wilson in the Hikurangi and Waiapu Survey Districts, and 11 miles by Mr. Farnie, the latter being 3 miles through S.G. Run 41, and 8 miles of the Arai Valley - Parikanapa deviation. Other Work. —This item, £714 4s. 7c1., includes miscellaneous work which cannot be included under other headings, such as field inspections, reports on blocks, information for Land Purchase Inspector re blocks, information for Tourist Department, reporting on Native blocks and estates, repairing trig, stations, &c. Inspections. —Twelve field check surveys have been made. District Surveyor F. S. Smith has made 10 field checks of surveys varying from small town lots to the Tahora Block of 60,000 acres. Only four diagrams have been sent in. In the others the calculations are nearly completed, but the diagrams are not plotted. Mr. Brook made a field check of a Native survey at Wairoa, and Mr. Dalziell of town sections in Dannevirke, diagrams of which have been sent in. I have visited the surveyors' camps in Hawke's Bay, and supervised the location of roads and general subdivision of estates for settlement. lam glad to be able to report that generally the inspections show that the work carried out by the licensed surveyors is satisfactory. Proposed, Operations for 1906-7. —About 64,000 acres of settlement surveys are on hand, and about 40 miles of road survey. Mr. Roddick will be engaged completing the survey of about 39,000 acres for settlement in the Motu, Moanui, Koranga, and Ngatapa Districts ; Mr. Farnie, 12,000 acres in the Waipaoa Blocks for settlement and road to give access to same, and marking old boundaries of runs recently leased in that neighbourhood ; Mr. Wilson, surveying roads in the Waiapu District to give access to Crown tenants, and settlement surveys ; and Mr. Brook on settlement surveys in Hawke's Bay. Office-work. —During the year 297 plans have been examined, approved, and recorded, of a total area of 185,074 acres ; and 1,172 diagrams have been placed on certificates of title, leases, and other instruments. Of the above plans, -37 were departmental, with an area of 15,704 acres; 37 Native Land Court, area 45,362; 32 Public Works, area 176 acres; and 173 Land Transfer, area 123,832 acres. Tracings of Cook and Wairoa Counties have been made and forwarded for photo-lithography ; lithographs coloured, showing topography adjoining schools, for the Education Department; and census maps and schedules prepared. 310 maps and lithographs have been mounted. Miscellaneous. —Nothing requiring special mention has occurred. Field and office staff have both been fully employed in keeping pace with the increasing work of the Department. The standard survey of the Town of Gisborne should be completed, it being a most important work, which at present is stopped as instructed, but without doubt should be completed to govern Land Transfer surveys in that fastgrowing town. Changes in the staff have been : District Surveyor Dalziell has been transferred to another district, and Mr. L. Hay, temporary draughtsman, resigned. Ebtc C. Gold Smith, Chief Surveyor.

TARANAKI. The operations under the various headings during the year represent a gross area of 195,391 acres. The details are as follows :— Minor Triangulation. —lll,soo 'acres were observed and plans completed of same during past season by Messrs. Bullard, Laing, and Kensington, in the Totoro, Aria, Waro, and Mahoe Districts. Topographical or Provisional Settlement Surveys. —The operations under this class amount to 12,680 acres only, in 24 sections situated in the Mahoe District,

7

C—lα.

Rural and Suburban.—The total of this class amounts to 71,211 acres, in 223 sections, at an average cost of 2'2Bs. per acre. All this work was undertaken by staff surveyors, and constitutes the completion of final and permanent survey of a large area of provisional work undertaken during the years 1902-4. The coming season will see the completion of the remaining provisional work. These rural and suburban surveys were situated in Totoro, Aria, Ohura, and Waro Districts, being all rough forest country more or less difficulb of access. Towns. —This comprises a small area of 15 acres, in 44 lots, at an average cost of 25-84s. per lot. Native Land Court. —One small survey only, containing 226 acres, and situated in the Totoro District, was undertaken during the year. Roads. —Under this heading work amounting to 19 "36 miles was completed at an average cost of £19-18 per mile in the Totoro, Mimi, Ohura, and Mahoe Districts. Other Work.— The expenditure under this heading amounted to £397 195., and was made up of cost against general miscellaneous work connected with survey operations, reports, and plans on various subjects, road-deviations, exploration, opening up of pack-tracks through new blocks, and a variety of other matters. Inspections. —During the year I have visited all the staff surveyors and inspected the work being carried out under their direction, and generally with veTy satisfactory results. Inspections were also made over work being undertaken by most of the private surveyors working in the district. I regret that during the year the Department has lost the services of two zealous and competent officers. For private reasons Messrs. Murcott and Buckeridge resigned from the field staff ; the former had been on the staff continually since 1891. Office-work. Examination of Plans. —The number of plans in the ordinary survey branch checked during the year was 99, with 415 traverse sheets, comprising 717 sections, of a total area of 127,780 acres, and 34 miles 68 chains of roads taken and closed, and railway land plans. Of these, settlement surveys represented 26 plans, containing 212 subdivisions, of an area of 56,096 acres. Trigonometrical: 2 plans, containing 68,500 acres ; 7 plans, defining 25 miles 8 chains of lands taken and roads closed ; 6 plans of 9 miles 60 chains railway land plans. Three plans of townships, giving 29 subdivisions of a total area of 184 acres ; 5 Native Land Court plans, containing 5 subdivisions of an area of 729 acres ; and 50 miscellaneous plans of 465 subdivisions, containing 2,271 acres —making a total as above. Compilation. —Two new Crown-grant record maps were made, and all recording has been brought up to date. Three Land Transfer, 4 road record, and 1 new trigonometrical maps have been constructed. Also during the year 13 town maps and 24 block sheets were made, and all recording on these and previous sheets has been kept up to date. Publications.—Nine photo-lithographic tracings for sale purposes, comprising 122 sections of an area of 27,493 acres, and 6 town maps were prepared and forwarded to Head Office for publication. Native Land Court Plans.—Five plans were dealt with, 17 plans were indorsed in duplicate on Native Land Court orders, and 21 authorities for survey under the Act were dealt with. One large map was compiled for Land Court purposes. Land Transfer Work.— Eighty-five working-plans with 127 traverse sheets were checked and approved, comprising 347 sections and subdivisions of an area of 10,363 acres 1 rood 1376 perches. Titles. 1,287 plans were paced on Crown grants, Land Transfer certificates of title, Crown leases and licenses, and Native Land Court orders, and 261 leases and licenses were prepared. " Thirds " and " Fourths " to Local Bodies.— Twenty-eight proposals amounting to £3,129 12s. 10d. for expenditure on roads, &c, were submitted by the local bodies and approved by the Land Board. The amount of " thirds " and " fourths " to credit of local bodies in the Receiver-General's Deposit Account and the Receiver of Land Revenue's Deposit Account on the 31st March, 1906, was £4,864 9s. Id. Miscellaneous—The usual demands made on the office staff were attended to. These comprise attending to and supplying information to the general public, data to the staff for execution of surveys, information to local bodies and Departments, preparation of maps for Census Enumerators and Education Boards, and reports on Native land and other matters. 106 tracings were made for the ValuerGeneral, and 92 for Crown selectors. Proposed Operations for 1906-7. — A staff of three permanent and five temporary surveyors is at present engaged in different parts of the district on field-work, covering an area of 116,627 acres, more or less, of subdivisional work in Totoro, Aria, Ohura, Waro, Mahoe, and Upper Waitara Survey Districts ; also the survey of roads to be taken under warrant through Native lands, road-deviations, and other miscellaneous work. The completion of the alignment survey of Hawera (town and suburban), held over for the last four years, should be undertaken and finished. I wish further to emphasize the urgent necessity of standard "points, &c, being fixed in the rising townships in this district, so as to avoid the trouble, litigation, &c, that must naturally follow on neglect in this direction. Fkans. Simpson, Chief Surveyor.

WELLINGTON. The. gross area surveyed during the year under the various headings is approximately 160,753 acres, besides 18 miles of North Island Main Trunk Railway, plans of which are only completed for 6 miles. The particulars are as follows :— Triangulation.— An area of 50,500 acres has been triangulated and plans sent in. This work was essential to control settlement surveys now in progress, as the original minor trig, work ended at the Kaitieke Block, and it was necessary to connect with the Auckland triangulation to the north,

8

o.—lα.

Rural and''Suburban. —The principal surveys of this class have been extending the subdivision of the northern portion of the Waimarino Block, situated in the Hunua and Kaitieke Districts, for ordinary Crown lands settlement, by Messrs. Thompson, Lowe, and Roberts ; also the Hikawera, Mahupuku, and in the Huangarua District, subdivided by Messrs. Strachan, Girdlestone, and E. A. Marchant, for occupation under the Land for Settlements Act. Mr. M. Carkeek has been engaged completing the subdivisions of the Ohotu Block for the Aotea Maori Council. f Native Land Court. —The surveys of 15 blocks, containing 28 subdivisions, with a total of 11,179 acres, in which the Government is interested, having advanced the cost of survey and taken out liens in the Native Land Court, were undertaken by Messrs. J. McKay and J. R. Strachan, staff surveyors, and 2,211 acres by Mr. R. P. Greville, temporary surveyor ; and, in addition, 47 Native blocks, comprising 165 subdivisions, containing 38,251 acres, were surveyed by private surveyors for the Natives direct, so that the total surveyed by staff and authorised surveyors is 51,641 acres. The field operations have been much delayed during this season by inclement weather. Standard Surveys. —The Inspecting Surveyor, Mr. Climie, made a revisional survey of part of the City of Wellington, where the standard blocks had in a great many cases been displaced by street operations in the city by traffic, tram-lines, drainage, &c. At the request of the Borough Council, Mr. District Surveyor Thompson readjusted certain standard blocks in Palmerston North. Office-work. Examination of Plans. —During the year 170 plans of sectional and Native surveys, containing 87,445 acres, were received, and 160 were approved ; 53 statutory plans were received, 200 approved and recorded, 49 examined, and 42 sent for proclamation. Compilations. —Sixteen drawings and tracings were prepared for photo-lithography, 2 new record maps showing net areas, 4 Crown-grant maps were compiled, and 4 40-chains trig. maps. Reserves. —During the year the reserves ledgers have been kept up to date, also index and detail maps of each county posted up. Twenty reserves have been vested, 56 permanently reserved, and 25 sent forward for gazetting. Roads and Railways. —Owing to the staff being principally employed on settlement surveys, only necessary deviations and side pegging have been attended to. Eighteen miles of the North Island Main Trunk Railway have been surveyed, at a cost of £274 10s. 5d., but only 6 miles plotted. Other Work. —This heading comprises many and various duties distinct form the actual cost of subdivision, surveys, and includes small surveys for scenic purposes and other Departments, repairing and replacing trig, stations and displaced standard blocks, redefining old boundaries, timber estimates, road-deviations, &c, the character of which cannot be tabulated in the ordinary schedule of work returned. The usual repairs to trig, stations have been effected at a cost of £54 9s. 10d. Inspection of Surveys. —Mr. Inspector Climie inspected 12 surveys during the year, including 9 for the Land Transfer Department, at a cost of £92 4s. 10d., and Mr. Mountfort completed 16 inspections, at a cost of £238 Bs. 10d. The surveyors' work maintains a uniform standard of excellence, regardless of the difficulties obtaining in the rough and remote backblocks in which the surveys are now being carried on. " Thirds " and " Fourths."— The allocation under " The Land Act, 1892," to the credit of the local authorities of the proportions of rent under the various systems of tenure have been made, and £6,486 18s. 6d. has been paid to the local bodies, in accordance with the duly approved proposals and under hypothecation certificates. 357 proposals for expenditure of " thirds " and " fourths " were received, and after thorough examination 332 of these were submitted to the Land Board for consideration and were approved. Two certificates of hypothecation were also approved of by the Land Board and issued under the signature of the Chairman. I regret to have to report that the amount paid to the local bodies on their proposals, &c, as above is over £5,000 less than during the previous twelve months. This is partly due to some of the bodies having made extra proposals last year in order to reduce the large sums standing to their credit. This effort has not been sustained, and there was on the 31st March last £14,816 Bs. Bd. in the Receiver of Land Revenue's Deposit Account to the credit of the County Councils and Road Boards. I would mention, however, that payments from newly taken up sections in the Waimarino have increased the credit of that county, while the roads being at present under construction by the Roads Department, I presume that the County Council has not deemed it advisable to expend "thirds "on them. This reason, however, does not apply to other cases, and I regret that some action has not been taken under " The Public Works Act Amendment Act, 1904," as so many settlers are still struggling with the want of better road access, while this large sum of accrued "thirds " is waiting expenditure on the improvement of the roads for the benefit of the sections which have contributed the money. ■ Land Transfer Office (Survey Branch). —Four hundred and thirteen plans were passed, showing an increase of 53 over last year ; but this does not include 50 single and 2,960 in duplicate plans indorsed on transfers, &c, all of which have to be examined. Four new record plans have been completed, and 41 Land Transfer plans and tracings have been mounted and repaired. Miscellaneous. —The usual demands were attended to by the office staff. These comprised supplying information to the public generally, data for the execution of surveys by staff surveyors and the preparation of lithographs required for taking the census by the Sub-enumerators. Eightysix tracings, 51 general plans, 429 lithographs, 29 sale plans, 106 applications, 31 maps repaired, 1 ; and 7 folding lithographs for pocket were prepared, and a multitude of other duties performed. Titles. —There were 3,095 deeds and other instruments passed, 50 single and 2,960 plans in duplicate were placed on certificates of title, being a considerable increase compared with last year ; 20 mis* cellaneous plans were drawn or compiled, and 4 new record plans were completed.

2-0. la.

9

C— U.

Proposed Operations. — A staff of eight permanent and three temporary surveyors is at present engaged in different parts of the district, and has an area of some 108,800 acres of subdivisional surveys in hand, consisting chiefly of pastoral country in large areas. The standard survey of the City of Wellington will be completed during the current year, but will not include the suburbs, which, owing to the large amount of subdivision taking place, ought to be included in the scheme of standard work. An area of about 51,600 acres in the North Waimarino will be completed during the coming season by Messrs. Lowe and Roberts. About 11,000 acres in the Kaitieke Block will be finished by the end of the season by Mr. District Surveyor Thompson, leaving about 11,000 acres of selection survey to complete next summer. The completion of the Parapara No. 2 Block, and subdivision of the Moiikau Block (Native land), Rarete District, will be taken in hand shortly. An area of about 16,300 acres of the Dry River Estate, Huangarua, Haurangi, and Waipawa Districts, is being subdivided by Messrs. McKay, Strachan, and Girdlestone, and will be completed shortly. Mr. Stevenson has about 18,900 acres of Native reserves, Waimarino subdivisions, in process of roading prior to subdividing amongst the Natives. Mr. Carkeek will complete the plans of the Ohotu Block, and will then be available for other duties. The other staff surveyors, when available, will be fully employed on the subdivision of land for settlements, Crown and Native lands, and other miscellaneous work. John Strauohon, Chief Surveyor,

NELSON. Minor Triangulation. —Mr. District Surveyor Sadd triangulated 19,646 acres in the RintoulTadmor and Howard Survey Districts, at a cost of l"08d. per acre, necessary to control settlement surveys in those districts. This officer has on hand 409,488 acres of minor triangulation and topography to map, postponed until settlement surveys have been overtaken. Mr. Macpherson completed 1,339 acres of trigonometrical and topographical work in the Oparara Survey District, at a cost of 2"15 d. per acre. Topographical Surveys. —All these were in dense broken bush country. This heading gives an area of 62,136 acres, cost sd. per acre. These surveys are undertaken for the purpose of providing sufficient data for reports, schedules, and schemes of subdivision into suitable areas, and the necessary poster lithographs to enable the land to be expeditiously placed before the public. In the prosecution of this work in the field, all existing tracks or routes for future roads were explored, those deemed necessary for the opening of the country or through traffic provisionally traversed, centre-line of roads pegged, and all streams and ridges located, so as to ascertain the " lay " of the country, to enable the section boundaries to conform to the features of the country and give settlers the best lines of fencing, all section areas being subject to subsequent sectional survey. Rural and Suburban Section Survey. —Under this heading 52,116 acres of forest-clad country were surveyed, at a cost of l's9s. per acre, of which 10,682 acies were in the Mokihinui-Westport Harbour Board Endowment Block, and 17,768 acres in the Tadmor and Howard Survey Districts. The balance of 23,666 acres consists of detached sectional surveys of lands applied for in various districts. Gold-mining Surveys. —The number of surveys passed through the office under the above heading was 7, all executed by private surveyors. The total area was 518 acres and 3 perches, at a cost of 7"ls. per acre. A gold-mining survey of 37 acres 3 roods 16 perches was revised by the District Surveyor, Reefton; and a coal lease was surveyed by Mr. District Surveyor Thomson, Pakawau Survey District, 502 acres; cost, 2 - 265. per acre. Township Allotments. —Under the above heading 39| acres in the Onetaua Survey District were subdivided into 137 allotments, at a cost of 16'8s. per allotment. These subdivisions are in the vicinity of the Puponga Gold and Coal Mine Company's land, and were laid off to provide sites for miners' homes ; 97 of these allotments are in the immediate vicinity of the mine, and will be administered by the Warden under the Mines Act. The balance, 40 allotments, are laid off at what is known as Puponga Port, and will be opened under the usual conditions attached to township lands. Village Homesteads. —50| acres in Block X, Reefton District, have been laid off into 9 sections so as to test the demand for such lands in the vicinity of a gold-mining centre, and will be opened to the public shortly. Proposed Operations for 1906-7.—The staff surveyors have on hand 23 square miles of triangulation —43,556 acres of settlement surveys, and 60 miles of road survey. The latter consists principally of the repegging and surveying of the Greymouth-Reefton-Westport Road. Mr. District Surveyor Montgomerie has also to explore the country to the west of the Inangahua River, Inangahua District, with the view to its suitability or otherwise for settlement. There are also various small blocks of land that might be suitable for settlement on the West Coast, but mining and coal privileges block the way. The temporary staff have on hand 35,711 acres of settlement survey in the Maruia, Rappahannoc, Oparara, and Matiri districts. Road-works. —Mr. District Surveyor Snodgrass has on hand the engineering survey of the Moki-hinui-Little Wanganui Road for the Roads Department. He reports as follows: During the year 5 miles 4 chains have been constructed, with bushfelling 1 chain wide, formation 6 ft. wide, and metal 6 in. deep, at an expenditure of £3,209 9s. 2d.; of this amount £260 was expended on maintenance, and £6 3s. 3d. on compensation for injuries. Thirteen miles of above road have now been constructed, of which 7\ miles was formed 15 ft. wide and required to be metalled ; the remaining 5| miles are formed 6 ft. wide, and have been metalled, leaving 3J miles to complete the work and open the road for traffic. The blocks of land brought under Local Bodies' Loans Act, and on which money has been borrowed for road-construction, are the following: Maruia, Owen, Owen East, Matiri Lake, Mount Arthur, Inangahua, and the Brewerton Blocks,

10

C—lα.

the year lithograph sale-posters and Land Guides were sent out to the number of 5,080; tracings for photo-lithography, 8 ; other tracings for Head office, surveyors, public bodies, &c, 451 ; vouchers passed through the office, 594. Eighty-one survey-plans containing 57,088 acres, I minor triangulation, 30 Midland Railway land plans, 10 road-deviations, 6 engineering, and 1 township plan were examined and approved. The total number of letters, telegrams, &c, dealt with during the year was 15,378. Certificates, leases, &c, issued for the year were 1,542. The office also prepared maps required for the census returns, and 104 school-maps for the Education Department in this district. This office also transacts all work or business required for the Roads Department in the Nelson Land District. W. G. Murray, Chief Surveyor.

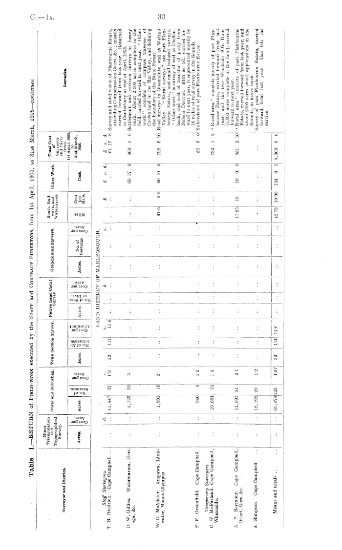
MARLBOROUGH. Minor Triangulation. —This class of work has been suspended for the time being, and there remains an area of about 140,000 acres situated mostly in the Pelorus Valley waiting to be done. Some of the work done many years ago also requires revision. Topographical Surveys. —There has been nothing done under this heading during the year Rural and Subdivisional Section Surveys. —There were 61,478 acres of this class of survey completed during the year. Of this area the Flaxbourne Estate accounted for 46,566 acres, and the bulk of the work in connection therewith was executed during the previous year ; but as it was not quite finished, it was all carried forward to the year 1905-6. It may be noted that other areas have been surveyed, but owing to the surveyors being detailed for other work near the close of the year the area could not be included in this return, and is consequently carried forward to next year. Roads and Railways. —There were 42| miles of road survey completed, about 30 miles being up the Wairau Valley and the balance in the Sounds. Native Land Court Surveys. —The subdivision of the Maungamaunu Reserve —total area, 4,524 acres —was well advanced towards completion on the 31st March ; the country being a 1! heavy forest lands, and the subdivisions numerous, the progress of the work has been retarded considerably, but it is expected that it will be completed by May next. Other work consists chiefly of compass survey of Crown lands in the Rai Valley ; defining boundaries of State forest in the Wakamarina ; and survey of reef at Dieffenbach, that was a menace to navigation. Land Transfer Surveys. —Twenty-seven plans of surveys under the Land Transfer Act were examined and approved, and 142 diagrams were drawn on 71 certificates of title. Inspection of Surveys. —During the year inspections embracing the work of five surveyors were made at Kaikoura, Pelorus, and Queen Charlotte Sound, Spring Creek, and the boroughs of Blenheim and Picton, the results of which were satisfactory, and therefore call for no special comment. Proposed Operations. —During the ensaing year I propose to complete the subdivision of the Maungamaunu Native Reserve for the Native Land Court (4,524 acres), and cut up some 7,000 acres of Crown land in the Wakamarina and Onamalutu Districts, and 3,500 acres in the Sounds. In addition to these, there are 3,000 acres of sawmill areas and 34 miles of road surveys to be done. The above will keep the present staff fully occupied, and it will probably be necessary to provide an extra surveyor and party to survey the scenic reserves, which it is anticipated will be recommended by the Scenic Commission. Office-work. —Work in connection with the acquisition and settlement of Flaxbourne Estate kept the staff very busy for a large portion of the year. This comprised, the holding of two ballots, compilation of two sale-plans, preparation of data for pamphlet, preparing 120 leases in quadruplicate, and providing the settlers with tracings of their holdings, &c. During the year 84 plans, embracing 106,517 acres, and 265 traverse sheets were examined and approved ; 634 diagrams were drawn on 178 Crown leases, &c. ; 187 certificates of title and Crown leases were prepared (674 copies) ; locality maps (5-mile radius) of 35 schools were made for the Education Department, and a large number of plans were prepared for the Scenery Commission, and for the Clarence Valley Exploration Party. Henry Trent, Chief Surveyor.

WESTLAND. Topographical Survey. —During the past year several blocks of land, aggregating 33,500 acres, which were generally known as comprising areas fit for settlement purposes, were thoroughly explored, and such portions as were found suitable will be sectionized and placed in the market in due course. By means of exhaustive reports and maps by the surveyors every care is used in the scheming out of blocks of sections, especially having regard to the best road-locations, the providing of the necessary reserves of various kinds, the exclusion of milling-timber areas, and the conservation of auriferous country. In addition to the above area of land, which has been provisionally surveyed prior to sectionizing, 101,577 acres of practically unknown country have been explored with a view to the fixing of certain prominent geographical features, at the same time with r the possibility of discovering areas of land which may be available for settlement purposes. Mr. Douglas, explorer, continues to materially assist in furnishing most useful topographical information in this connection. Rural and Suburban. —The sectional work completed iinder this heading comprises blocks newly sectiom'zed for settlement purposes, and also the locating of selections made before survey, the latter of which .were urgently required by settlers. There is still a very considerable area under both of the above headings to be completed in the next twelve months.

11

C—la,

12

Town Section Survey. —It was found necessary, for purposes of Midland Railway Company's and other titles, which had been pending for a number of years, and settlement of which was urgently required, to resurvey parts of the Town of Ahaura and the Township of Hatters Terrace. These surveys have been carefully executed and titles have issued. These resurveys have also been satisfactory as clearing up doubts consequent upon very old survey work, and defining absolutely the rights of occupiers, some of whose boundaries, as held, were very erroneous, and were absolutely necessary before we could tack on new settlement work to the town boundaries. Gold-mining, &c, Survey. —The number of plans sent in under this heading was 5, comprising special claim and coal leases (490 acres), in some cases payment for which was by special private arrangement with the applicants for the areas. Roads. —The length of roads located and surveyed amounts to nearly 60 miles, and in all cases this roading is through rough forest country. The above roading is wholly with a view to giving access to settlement lands. Other Work. —Under this heading various surveys have been executed, such as road-deviation, coastal features definition, repairs to trig, stations, surveys chargeable to the Land Transfer Assurance Fund, reconnaissance work in approximately defining timber areas held in the Arnold Valley, special reports and surveys upon bridge-sites, special roadworks at Runanga, the pegging of several scenic reserves which were being encroached upon by adjacent sawmillers, the traversing of portions of the Main South Road which had not previously been defined, and plans, reports, and inspections connected with constructive works on behalf of the Departments of Roads and Mines, as well as compass-surveys and special reports on lands for the information of the Land Board. Referring to the above works, all costs are duly recouped if incurred for other Departments. The amount recovered during the year equals £880 19s. Field Inspections, &c. —I have made 18 inspections of surveyors' camps, equipage, and field-work during the past year in every part of the district, and the results in all cases were satisfactory. Reports and diagrams of these inspections were'duly forwarded to Head Office at the time. The various settlement blocks were also visited, and the areas proposed to be subdivided and road routes suggested by the sectional surveyors were also personally inspected. We have experienced an undue period of wet weather, which has, to a great extent, retarded survey work. 5 As, however, the winter months generally comprise some of the finest weather during the season, it is the custom on this coast for survey parties to be continuously employed. This office, as before, has charge of the maintenance and construction of all the Government roads in Westland. Attached to this report is a'statement by Mr. District Surveyor Wilson upon certain construction works which were paid for by appropriations of the Lands and Survey Department. To Mr. Wilson's ability and attention is largely due their successful operation and completion. New Chain Standard. —The establishment of a new standard having become necessary, a suitable site was selected, and the terminal and intermediate blocks and brasses have been laid down, but owing to the recent unsuitable weather the final marking of the plates has not yet been accomplished. Proposed Operations, 1905-6. —The proposed survey work for next year will comprise the sectionizing of blocks for new settlement and the location of areas selected before survey, this latter work including areas taken up under the Regulations for the Occupation of Pastoral Lands in Westland. It will also probably be necessary to survey and cut out many of the scenic reserves, descriptions of which have been forwarded for approval, should our recommendations be adopted. Office-ivork. —Mr. T. M. Grant, Chief Draughtsman, whose cordial and skilful co-operation I desire to acknowledge, supplies the following items under this heading : The number of plans received was 102; of these 73 were examined and passed. The number of tabulation sheets completely checked in course of above work was 174. The plans passed during the year included 16 town and 10 rural Land Transfer surveys, 5 special claim and coal leases, and 42 staff surveyors' plans. The map of Grey County, on a 40-chain scale, for photo-lithographing was completed, and a stock of lithographs of same, on the one-mile scale, has now been received from the Head Office. There have been 1,443 plans put upon deeds during the year, this work practically taking up the time of one draughtsman. Thirteen plans for photo-lithographing have been drawn. Seven new application plans have been compiled, and the new Land Transfer record plans of Hokitika and Cobden Towns have been added to. Plans and descriptions of 137 general reserves for proclamation in the Gazette were prepared and forwarded. As heretofore, the whole of one draughtsman's time is occupied in the keeping of application maps up to date and the supply of survey data for private and staff surveyors. This last item, as affecting the Grey Valley, requires much search and careful adjustment, in all cases a provisional plan, showing the location of existing old pegs, having in the first place to be supplied by the surveyor and then carefully compared in this office with Crown grant boundaries. The office duties have, as in the previous year, been exceptionally heavy, and while current work has been kept up to date, there are still arrears which can only be taken up during very infrequent periods of leisure from more pressing requirements. G. J. Roberts, Chief Surveyor.

Reports on Constructive Works oarrikd out by the Lands and Survey Department, Westland, 1905-6. Vote 81, Item 41.— Kokalahi, Hokitika River, and Main Road Protective Works. —Cost for year, £1,303 ss. 8d. —This work was commenced last year to protect the main Kokatahi Road and settlers' holdings from encroachment by the Hokitika River. Two pile groins were constructed last year and 8 this year, using about 190 rimu piles. The groins have been faced with heavy timbers and protected from scour with scrub and wire fascines. Owing to the river in flood-time rising over both bank and

C—lα.

protection-works a slight scour has taken place here and there, but these weak places have been protected. Although there have been several small floods there has not been a large one during the year, but judging from the action of the river on the groins there is every hope that they will answer the purpose for which they were constructed. Vote 81, Item Protective Works (Wanganui River, South Westland). —Cost for year, £154 11s. 3d.—These works were rendered necessary to protect the Main South Road and to prevent the Wanganui River encroaching on the lands in the vicinity. Substantial groins of wire, crate, and stone have been erected, and so far the works have stood well. Vote 81, Item 83. — Roads in Runanga Township. —Cost. £2,636 15s.—The construction of roads, tracks, &c, has proceeded steadily through the year under the able supervision of the overseer in charge, Mr. R. Rothwell. We have endeavoured as far as possible to meet the needs of the miners and others holding sections in the township, and have constructed the streets where the most building was being carried on. The overseer has had several shafts sunk, and fortunately discovered gravel on the hill in the village extension. We are now using this metal for our roads, and it is much less costly than buying metal from the Railway Department, who have now taken charge of the line. As building operations progress it will be necessary to give further street access. The actual work done during the year is as follows : Dray-roads formed 16 ft. wide, 1 mile Hi chains ; dray-roads metalled 12 ft. wide, 22 chains ; dray-roads metalled 6 ft. wide, 52 chains ; bridle roads formed 7 ft. wide, 1 mile 1 chain ; bridle roads metalled 4 ft. wide, 76| chains : street cleared 66 ft. wide, 5 chains ; tramways on narrow metal for access, 2 miles ; creeks cleaned out for drainage purposes, 45 chains ; ditching 3 ft. by 2 ft. for drainage purposes, 25 chains ; culverts 24 ft. wide (46 ft.- total), No. 12 ; shafts sunk averaging 10 ft., No. 4 ; engineering surveys, roads pegged and graded, 1 mile 40 chains. Stockman's Hut, Long Beach, £12 os. 6d. —This is the balance of a vote operated on last year for erection of stockmen's hut, and represents fencing and clearing the enclosure. W. Wilson, District Surveyor.

CANTERBURY. The operations during the year have, as of late years, been restricted almost exclusively to settlement surveys, triangulation and standard surveys having been for a time discontinued. District Surveyors Messrs. Brodrick and McClure, who were last year temporarily transferred to Marlborough and Westland respectively to undertake urgent work in those districts, returned here after it was decided to acquire the Kinloch and Morice Estates, to make the subdivision survey of the same, in conjunction with Mr. Webb, engaged temporarily to assist. Owing to the urgency of the foregoing surveys, Mr. District Surveyor Wilmot, from Otago, was engaged in this district for about two months, subdividing the lands acquired for the Mills Settlement, in South Canterbury. The field-work completed in this district amounted to 17,413 acres, divided into 105 sections, at an average cost of 2~Jd. per acre. Of this, 16,001 acres was in the Kinloch, Morice, and Mills Settlements, and the balance, 1,412 acres, included a portion of the Hanmer Plains Reserve and a part of the abutting St. Helens Run, proposed plantation reserves. The settlement surveys have this year proved rather more expensive than usual, principally owing to the extremely wet and boisterous weather experienced by the surveyors while engaged upon the peninsula settlement surveys, combined with the grading and traversing of tortuous roads over hilly and steep spurs, and determining abutting intricate boundaries. The town section survey consisted of the reproduction, at the request of the Public Works Department, of a block of land acquired by the Crown for a State coal-depot. Other work is chargeable with £242 16s. 6d., and includes the cost of 2 miles 5 chains of standard traverse survey made during 1900, but which, owing to pressure of other work, has only recently been mapped ; rough survey, valuation, and report for Land Purchase Department on a property at the Hook, in South Canterbury; reporting on and redetermining the position of the marked stones on the Mueller Glacier and the terminal faces of the Mueller and Tasman Glaciers during February last, to determine their movements during the past five years. A number of small miscellaneous surveys and a large amount of office-work absorbs the balance of the cost. Six inspections of Land Transfer surveys were made, and with a few slight exceptions they were found to be very creditably executed, and up to the usual standard of surveys made by the licensed surveyors of this district, who hold a good reputation. The proposed operations for the coming year consist of the extension of the standard traverse survey within the Borough of Timaru, specially authorised, and the subdivision into 5 small grazingruns of two runs comprising 12,500 acres in the Hororata District, the leases of which expire on the 28th February next. Surveys are also required of 3 rural sections and 31 reserves, containing 1,712 acres, mostly situated in isolated positions, and as there is no special urgency in these cases, it will be advisable to allow them to remain in abeyance until a surveyor is in the locality. I would again strongly recommend that in the event of no estates being acquired for settlement in this district during the year, the surveyors should be employed in extending the standard traverse surveys through the suburbs surrounding Christchurch and Timaru, as reference marks along the principal roads are very much required in connection with Land Transfer surveys, and are becoming a necessity owing to the majority of the trig, stations in these localities being quite useless as starting and check points, on account of the increase of buildings and plantations. Office-work.—The acquisition by the Crown of 15,981 acres 1 rood 17 perches, comprised in the Morice, Kinloch, and Mills Settlements, gave considerable work in preparing the working and other tracings and searching in. the Transfer Office to determine the areas and boundaries of the lands acquired, besides which, in order to facilitate the surveyors' work in the field, the plans of the Morice and

13

α-^u.

the greater portion of the Kinloch Settlement surveys were plotted and completed in the office, the expense attending it, amounting to £180 Is. 2d., being added to the cost of the surveyors' work. There were 8 large and 11 small plans of completed surveys received for check and record, of which 12 were of acquired lands subdivided for settlement, and the balance miscellaneous surveys. Plans were placed on the originals of 64 certificates of title issued in lieu of Crown grants (the copies being made in the Transfer Office), and on 324 lease deeds, representing 113 separate leases —namely, 52 pastoral and miscellaneous licenses prepared in duplicate, 24 occupation-with-right-of-purchase licenses and grazingfarm leases in triplicate, and 37 leases in perpetuity in quadruplicate. Additional information was placed on a number of the record-maps, and 83 certificates of title, 1,093 Crown grants, and 37 leases in perpetuity registered thereon. The arrears comprise the preparation of 61 leases in perpetuity for sections situated in the recently acquired settlements, which we now propose taking in hand, the surveyors' plans having been completed and checked. The work of recording leases issued is up to date, but we still have a very large number of old Crown grants to record. Maps for photo-lithography were prepared of the Morice, Kinloch, and Mills Settlements, besides a number for miscellaneous sale maps; and also 8 large tracings, being a compilation of the Mackenzie County, which embraces 21 survey districts, were drawn and forwarded for publication. Census maps for 180 Sub-enumerators' districts, comprising 218 maps and lithographs, were prepared, mounted, and completed; and, in addition, the usual large amount of miscellaneous mapping was done. Thos. Humphries, Chief Surveyor.

OTAGO. Rural and Suburban. —The total area of this class of land surveyed during the past year is 43,210 acres, and includes District Surveyor Calder's survey of small grazing-runs 254b, 254 c, and 254 d, Mr. Wilmot's part Steward Settlement, and the part of Greenfield Settlement surveyed by Mr. Neill. Mr. Neill has not yet completed the plans of his survey of part of Steward Settlement, containing 11,127 acres ; this area will therefore appear in next year's returns. The average cost of the area returned was o'9s. per acre ; number of sections, 181. Town Section Survey. —One hundred and four sections, having an area of 44J acres, were surveyed during the year, and include sections in the Towns of Waitaki Bridge, Havelock, and Kaitangata ; also the Windle Settlement for workers' homes. The cost was 28615. per allotment. Gold-mining Surveys. —Only 5 sections, having an area of 162 acres, were surveyed by the staff surveyors during the year. All the others were surveyed hy private surveyors for fees deposited by the applicants. Altogether there were 65 sections, aggregating 2,503 acres, surveyed, at a cost of 3 88s. per acre. Land Transfer. —The work done during the year under this head includes 56 plans checked, passed, and recorded; deeds, &c, checked, 1,190; single certificates, 13; in duplicate, 696; miscellaneous tracings and plans, 18. Other Work. —The amount charged to expenditure under this head is £271 Bs. 5d., and was incurred in various services, including making inspections and reports for the Wardens of the Mining Courts and for the Land Board ; surveying wharf reserves at Lake Wakatipu for the Railway Department ; repairing trig, stations ; pegging water-race in Serpentine District; taking levels and attending Compensation Court in connection with the case of Momona settlers versus the Otokia Drainage Board ; laying down permanent standard of length ; work for the Native Land Court re Moeraki Native Eeserve, and office-work. Office-work. —The volume of work compares more than favourably with that of previous years. Seventy-four staff surveyors' plans of settlement blocks and spotting surveys, together with traverse reduction sheets, were examined, passed, and recorded on record, Land Office, and county maps, &c. ; 39 plans in duplicate of mining and special claims, together with traverse sheets, Wardens' tracings, and 55 sets licenses in triplicate were examined, passed, and recorded ; 37 plans of railways and roads in duplicate or triplicate, with traverse sheets and schedules, were examined, passed, and recorded in the usual way. The preparation of 131 Sub-enumerators' district maps for census purposes, on which were defined all requisite boundaries, entailed a large amount of extra work, which was carried out with commendable promptness (only one extra assistant being employed), with a minimum of inconvenience to the public through delaying other work. This was rendered possible owing to the existence of so complete a set of lithographs of this district. The acquisition by the Government of the Waitaki Plains Estate for closer settlement also entailed a large amount of office-work in the tracing of all original work for the surveyors. Boundary plans for purposes of purchase and titles, besides numerous lithographs, coloured to illustrate correspondence in connection therewith, were also prepared, as well as the drawing of map of new subdivisions for photo-lithographing purposes and the taking of photos for pamphlets. Supplementary maps to Dunedin and suburbs map were made to embrace more of the Anderson's Bay, Tomahawk, and West Harbour Districts, and proof lithographs were revised and sent to Head Office. An extensive tracing on 40 chains scale was made, showing the whole of Taieri Plain and surrounding country; also numerous lithographs coloured to show existing drainage and river districts, &c. The following items may also be mentioned — viz., New compiled working-plan of the Town of Alexandra; record-map of Town of Ranfurly; lithograph of Shotover District, revised for photo-lithography; 12 new Land Office maps made; a map of proposed extension of National Park; compiled trig, map Wakatipu Lake; lithographs in duplicate were prepared of pastoral licenses and proposed small grazing-runs and land in course of survey for small grazing-runs; schedule of areas and new run index; tracings and descriptions,

14

O.—U.

&c, for scenic purposes, also for Valuation, Road, and Police Departments, &c.—in all, 798 tracings Plans were indorsed on certificates of title, leases in perpetuity, agricultural, occupation, pastoral, smal , grazing-runs, and various other leases —in all, 938. There were 250 copies of Block 111, Waitahuna West District, printed ; also 330 Land Transfer notes, 250 Block XIII, Waitahuna West, and 150 protractors ; 1,397 maps were mounted for Land and Survey, 31 for Rangers, 13 for Road Department, 131 for census, 12 for Stock Department, and 120 for Valuation Department —in all, 1,704 maps. Proposals for ensuing Year. —The work for the year 1906-7 will probably be more than our limited staff can undertake. This consists of the survey of the Lee Stream Run of 25,880 acres and the Blackstone Hill Run of 16,370 acres into small grazing-runs. Under the Land for Settlements Act there will be three estates to be subdivided—Totara, Corriedale, and Hedley. District Surveyor Wilmot has the usual number of miscellaneous applications within his district to attend to, while Mr. Calder is also in the same position. District Surveyor Neill has also a number of small-settlement applications to overtake, but as all these are scattered over a wide area they entail a great deal of travelling and time. D. Barron, Chief Surveyor.

SOUTHLAND. Rural and Suburban. —Under this heading 19,708 acres, consisting principally of bush land, were subdivided into 133 sections, at an average cost of 2'2s. per acre, a rate creditable to the surveyors, considering the wet season, and seeing that nearly the whole area was covered with dense bush, of which some 500 acres embraced worked-out sawmill areas, which, generally speaking, are much more expensive to survey than maiden bush. Town Surveys and Native Land Court Surveys. —No work under these headings was undertaken during the year. Gold-mining Surveys. —There were 464 acres surveyed by private surveyors into 14 sections or claims at an average cost of s'2s. per acre, being a slight increase on last year's cost. The mining industry has not yet apparently recovered from the bad effects of the late boom, which, generally speaking, dredged money from the shareholders, which evidently has not been found conducive to the mining industry nor satisfactory to the investing public. Land Transfer Surveys. —Mr. J. L. Dickie, Land Transfer Draughtsman, reports that the number of plans received for deposit is about the same as last year —viz., 102, comprising 537 lots, representing 30,053 acres, which have bejn all examined and approved of before deposited. There were diagrams in duplicate placed on 408 ordinary certificates of title, diagrams in single placed on 7 provisional certificates, and diagrams in triplicate placed on 33 certificates of title in lieu of Crown grants. In addition to this there were diagrams in duplicate placed on 88 ordinary certificates of title and diagrams in single placed on 1 provisional certificate by the draughtsmen of the Survey branch. Field Inspections. —During the year I have visited the staff surveyors' camps on several occasions, and have much pleasure in saying that the work in every respect has been faithfully carried out in a most professional manner. I ha\ r e also sent in during the year from time to tima sevsral diagrams showiig checks applied to private surveys made under the Land Transfer Act, which were also found very satisfactory. Proposed Operations for 1906-7. —As soon as Mr. Otway finishes the survey of Greenhills Township he will proceed to Orepuki, Longwood, and take up and complete the unfinished work left there by the late L. 0. Mathias in Block 11, then push on with settlement surveys in Blocks I, V, VII, X, and XI, same district, embracing an approximate area of some 6,000 acres recently withdrawn from State forest reservation. This probably will be more than he will be able to overtake, as the surveys in Blocks I and II are exceedingly intricate. 1 purpose putting a surveyor on the cutting-up of some 3,000-odd acres in Blocks XVII and XVIII, Jacob's River Hundred, also recently withdrawn from State forest reservation. These surveys, I anticipate, will keep my two staff surveyors fully employed during the ensuing year. Besides the work already enumerated there is a landless Native block of about 28.000 acres to be cut up known as the Hokonui Block, besides two other landless Native blocks in Stewart Island, one of 6,900 acres between Paterson Inlet and Port Adventure, known as the Port Adventure Block, and the other containing an approximate area of 6,500 acres known as the Toetoe Block, adjoining and west of the already surveyed Lord's River Block. The Native surveys must remain in abeyance for a time unless my staff is increased, for which I have made provision in my salary estimates already forwarded. I would again draw your attention to the necessity existing for the street alignment and standard surveys for the better control of Land Transfer surveys, referred to in my proposed operations for year 1903-4, but such surveys can only be entrusted to surveyors of long and well-known"experience. Offioe-work, etc. The Chief Draughtsman reports that the number of plans checked and passed during the year was 60, comprising 136 sections, of a total area of 19,444 acres, 6 miles 53 chains of roads taken and closed, and 2J acres taken for railway. New photo-lithographic drawings were made of Oteramika, Lindhurst, Lothian, and Mataura Hundreds, as the old lithographs, besides being out of date, had run out of print. Forty-one lithographic tracings for sale plans were prepared, and new application maps made of Chatton, Otama, and Waikaka Districts. There were 114 Land Transfer plans traced for the Valuer-General, in addition to 473 othar tracings of a miscellaneous character. A considerable amount of work was done for the Agricultural Department in mounting and colouring lithographs showing the position of all unoccupied Crown lands, and for the Education Department in preparing a set of mounted lithographs showing the position of all the schools in the district. Some time was also occupied in the preparation

15

C—lα.

of Census Sub-enumerators' maps, but as it was found impossible to finish the work in time, authority was obtained to have it done in overtime. Diagrams were placed on 43 Crown leases in quadruplicate, 11 in triplicate, and 26 in duplicate, and on 227 certificates of title in lieu of grants in triplicate. Thirtytwo schedules in duplicate were prepared for expenditure of " thirds " by local bodies. The number of maps, lithographs, &c, mounted was 565. I was pleased to find opportunity to complete the blocking-out of the survey districts, several of which, many years since, had been only partly blocked. The block lines have now been placed on the working-plans, record and application maps, and any future dealings with the surveyed lands will be at once reliable and exact. I have also had in view the desirability of lithographing the whole of this district on the mile-to-the-inch scale, and during the year three of the interior districts —Eyre North, Mavora, and Black Hill —have been drawn with this object, and published at Head Office. The general map of Southland and Wallace Counties on a scale of 4 miles to an inch has also been revised and republished. This map has been much appreciated by the general public, and is of the greatest assistance to strangers who visit this district with the serious intention of settling, and also to the tourist. Among the larger duties performed must be mentioned the preparation of a map of the colony, intended for information of visitors to the Christchurch Exhibition later in the year. lam pleased to speak in terms of praise of this map, which is being prepared as a pictorial map at your request, and is well forward towards completion. It shows the various sanatoria, mountain features, trade centres, railways, main roads, and, I believe, every accommodation-house and track known to the Tourist Department. Placed before the public in a pictorial form this piece of work will at once invite attention, and the visitor will not pass it without adding considerably to his knowledge of the geography and the many engaging features of the colony. I trust that this map may be reproduced prior to, or at the close of, the Exhibition, for it furnishes just what a stranger to this country would wish to know, and it would be a pity if prints were not obtainable by scientists and travellers visiting the colony. I am again pleased to place on record my best thanks to all the officers, and my appreciation of their willing co-operation at all times in furthering and carrying out the many duties connected with the year's work. Before concluding this report I very much regret having to record the sudden and untimely death of Mr. District Surveyor L. O. Mathias in his camp at Orepuki on the 18th April of last year —a sad and severe shock to his near relatives, to whom the Department offered its sincere condolence and sympathy. He was a most proficient and capable officer of long and varied experience, one who will be greatly missed, as by his sudden death the Department sustains the loss of an able officer and gentleman, whose place is not readily filled, and one who had many friends and relatives, to whom his absence leaves a void which time alone can assuage. John Hay, Chief Surveyor.

APPENDIX IL—GLACIER MOVEMENTS.

REPORT ON MOUNT COOK GLACIERS BY MR. DISTRICT SURVEYOR T. N. BRODRICK. Herewith I forward plans of the Mueller and Tasman G-laciers, on which are recorded the results of the latest measurements. I have added a table of rates to the plan of the Mueller stones. I did this because I am so often asked what they are, that I am led to believe that for every ten tourists who see the plan perhaps only one gets a chance of reading the report accompanying it. The measurements taken in summer between the 6th February, 1898, and the 16th April, 1898, show a very distinct increase of speed over the average rate, which, of course, includes the winters. The only exception to this was stone No. 10, which was doubtless retarded by some local condition. The variation of the rates in different seasons is compared in the following table. The stones mentioned in the first column advancing between the years set opposite to them in the second column passed the course traversed by the stones in the fourth column between the years stated in the fifth column, and the rates are given in the third and sixth columns : —

From this comparison it is obvious that the ice was flowing about 1 in. a day slower between 1895 and 1906 than it was between the years 1889 and 1895. It is therefore surprising to find that instead

16

Second Passage ovi sr Course. First Passage ovei Course. No. Years. Rate per Diem. No. Years. Bate per Diem. Remarks. 8 15 14 1899-1901 1901-6 1898-1906 In. 6-3 7-3 8-9 2-fi 6 9 8 I 1889-90 1889-90 1890-98 1889-95 1889-95 In. 8 8-2 7-9 Almost the same course. No. 15 being nearer the centre than 9 should have been faster instead of slower. This is in a rapid, part of the glacier, and 14 is nearer the centre than 8, so the comparison is not a fair test. 4 flows between stones 3 and 1, so this is an excellent comparison. 1895-1906 8-91 8*9 J

THE TERMINAL FACE OF THE TASMAN GLACIER

C.-1.

Dec. Chch.

C—l.

C:—lα.

of receding, the terminal face has advanced generally, about 25 chains of it as much as from 250 ft. to 300 ft., except at the river-outlet, where the ice always wastes away at an abnormal rate because the water undermines it and great blocks then fall and are carried away by the river. The terminal face was traversed in March, 1889, in November, 1890, and again in February, 1906, and its varying positions are shown on the accompanying plan. I think I remarked in a former report that the Hooker River, flowing as it does along the face of the Mueller Glacier, made it an unreliable one on which to note short-time changes; nevertheless, its advance in 1906 is quite certain. A retrograde motion might have been caused by the river, but there is the forward one in spite of it. The Tasman Glacier terminal face was also traversed in November, 1890, and again in February, 1906, and this, too, shows an advance varying from 50 ft. to 150 ft. When the slower rate of the Mueller is considered side by side with the advance of its terminal face in the same period, there seems to be only one explanation of it—viz., that it is not melting away so rapidly as it did formerly. It is well known that the summers have been colder and the winter falls of snow lighter during the last eight years than they used to be, and this is apparently the only way to account for the slower movement and greater advance. It is a pity that no proper records of the temperature and falls of snow at the Hermitage have been kept. I noticed more changes on the surface of the Mueller this year than I ever remember to have seen since it was under my observation. There are great holes full of water chains wide, and perhaps 50 ft. deep, where it has always been fairly even before, and ice faces are appearing where all was formerly deeply covered with moraine. The levels seem to show that the surface is, as a rule, about 20 ft. lower than it was seventeen years ago. The gradual compression of the ice in its course from the neve to the terminal face of a glacier is well illustrated by comparing the present with the original positions of the marked stones on the Mueller. Taking Nos. 8 and 2as an example, it will be seen that on the 29th March, 1889, they were 5,680 ft. distant from each other ; but on the 6th February, 1906, they were only 3,830 ft. apart. Thus it will be seen that as the ice between them was confined to a regular channel, and did not escape by any other exit, it was evidently compressed to the extent of 1,850 ft. This explains how the scattered medial moraines of the upper part of a glacier are gradually gathered together until they become a surface moraine covering the whole of the lower part of it. It may be interesting to note the following rates of foreign glaciers for comparison with our Canterbury ones : — Nansen records that the highest rate of the ice in three glaciers measured in the district of Julianehaat was some 12 ft. in twenty-four hours. Lieutenant C. Ryder, in August, 1886, mentions a daily rate of 100 ft. in the Upernivik Glacier, in North Greenland. W. S. Karr states that Muir's Glacier, Alaska, enters the sea at the rate of 40 ft. a day in the month of August. Forbes noted in June, 1842, that the motion of the ice on the mer de glace of Chamouni opposite a point called the angle was as much as 17| in. in twenty-four hours. You have also records of the observations made on our West Coast glaciers by Harper and Wilson. A. Harper gives as high a rate as 207 in. per day for one part of the Francis Josef Glacier, and W. Wilson as much as 13 4 in. as the winter rate of the Fox Glacier. T. N. Beodeick, District Surveyor.

APPENDIX 111. THE MAGNETIC OBSERVATORY AND THE MAGNETIC SURVEY. Dueing the past year the work of the Observatory has been carried on without interruption. The large quantity of reduction-work to be carried on did not permit of any extension of the routine observational work at the Observatory itself; but it was felt necessary at all costs to finish during the summer the observational work of the Magnetic Survey, and for this purpose a sum of £150 was placed on the estimates. During the summer complete sets of observations were made at thirty-three new stations in the southern part of the South Island, and one former station was repeated. A list of the stations is appended. During the year Mr. B. V. Pemberton and Mr. E. Kidson, B.Sc, ably acted as assistants. The latter has however lately resigned in order to take up the position of Demonstrator in Chemistry at Canterbury Collage. On the 31st July the Observatory had the honour of a visit from Professor Ernest Rutherford, D.Sc, F.R.S., an erstwhile student of the New Zealand University. The past year has been largely devoted to the measurement and reduction of curves, and this will shortly be finished over the period of antarctic research. At the request of the Admiralty a published list, of magnetic observations made here was furnished for use in the compilation of new charts. The magnetic survey will be of great value for this purpose when published. I have to acknowledge with thanks the receipt of many publications, &c, from various institutions. too numerous to specify. I have also to gratefully acknowledge the cordial way in which various officers of the Department have given information and lithograph plans, &c, to facilitate field observation ; also to. thank the Telegraph Department for time signals afforded.

3—C. la.

17

C.—lα.

The Magnetographs. . . r. ■, The magnetographs have been kept in operation successfully throughout the year and the resulting magnetograms have been developed up to the end of February, 1906. On the 12th August it was at last necessary to readjust the vertical-force magnetograph, the aging of the balance magnet having brought the recording light-spot too high. For this purpose the sealed cover was removed and the balancing-screws adjusted. Advantage was taken of this opportunity to make some slight alteration of the position of the balance in order to bring the recording beam of light to a more exact focus, since owing to some creeping movement or shrinkage of the supports this had gradually deteriorated since the first setting of the instrument. To do this it was necessary to enlarge the adjusting-holes in the base. This being successfully accomplished, the balance and supports were carefully cleaned before replacing and finally adjusting. On the 9th January, in order to reduce the effect of electric-tramway disturbances of the verticalforce balance, I added two massive copper damping-plates to the vertical-force magnetograph. These were to some extent successful in reducing these disturbances. Since the Ist April, 1905, the horizontal-force magnetograph has required no further readjustment, and the declination instrument has required none since it was first installed. On the 10th January I left Christchurch to continue field observations, and until my return the magnetographs were daily attended to by Mr. Kidson with the exception of a few days' holiday at Easter and a few other occasions. On these occasions I am indebted to Dr. Farr for kindly giving them the necessary attention ; also for assisting Mr. Kidson in making the absolute observations once a fortnight during my absence. Appended is a list of the absolute observations made during 1905. The " Yearly Means from Absolute Observations " given below are the arithmetic means of the values observed each month for declination, horizontal force, and inclination, with the mean value of vertical force calculated from these. These may be taken as fairly representing the mean value of the elements for the year, but later on the values derived from the magnetogfams will be published. Milne Seismograph No. 16. This seismograph has been kept in good order throughout the year, and obtained registrations of eighty-seven quakes from the Ist April, 1905, to the 31st March, 1906. A list of these is appended, and eight important ssismograms are reproduced herewith. Greenwich mean civil time is used. For the earlier information of other observatories, the local record of the great San Francisco earthquake is also reproduced. The mean boom period of the seismograph is 154 seconds ; the sensibility 1 millimetre = 0-66" of tilt. In future, in order to make our results more directly comparable with the lists of other observatories it will be advisable to publish lists from the Ist January to the 31st December of each year, as is done in other places. The quake recorded on the 23rd July, 1905, originated in or near India. The Indian record of it, kindly forwarded by the Director-General of Indian Observatories, shows that there the motion was very large and commenced about 135 minutes earlier than here, the time of duration there being 4h. 3-1 m., against 4h. 125 m. here. The similarity of the times of duration is remarkable. As previously, a copy of our seismograph-records has been forwarded to the British Association Committee for inclusion in their Seismological Circular. The disastrous effects of the recent San Francisco earthquake have clearly shown the great superiority of steel framing for large buildings. lam of opinion that this should not be lost sight of in the design of any lofty five, seven, or more story buildings, such as are at present in course of erection in Christchurch. The same applies to Wellington. Henry F. Skey, B.Sc, Magnetic Observer.

18

C—l

Diagram shewing the positions of the NUMBERED STONES ON THE MUELLER GLACIER IN 1889, 1890, 1893, 1895, 1898, 1899, 1901 & 1906. ALSO Changes at the Terminal Face

C—3a

C—3a.

C—lα. '

The Magnetic Observatory, Christchurch: Absolute Observations during the Year 1905.

19

hie,' final ion [orizoni 'orce. [no] jion. New Zealand Standard Time. C.g.s. New Zealand Standard Time. Mean. Date. Declination. Needle No. Inclination. New Zealand Standard Time. 1905 January 5 O ' // H. m. H. m. H. m. i ° ' H. m. H. m. 3 18 to 3 42 ) 3 49 to 4 9 \ 4 12 to 4 35 ) o t 12 14 27 I •22660 ' 3 55 to 4 53 1 2 3 67 43-7 67 45-6 67 42-9 67 44-1 16 23 6 10 27 1 2 3 67 44'3 67 45-9 67 43-2 3 31 to 3 47) 3 51 to 4 8 I 4 11 to 4 30 I 67 44'5 28 February 11 14 16 261 16 25-4 It 52 11 38 •22632 I •22637 12 16 to 12 55 12 10 to 12 55 1 2 3 2 67 46-3 67 48-0 67 44'7 67 46-8 11 39 to 11 58) 12 3 to 12 21 \ 12 24 to 12 41 J 11 40 to 12 50 67 46'4 23 March 4 6 16 31-3 3 £2 •22580 i 12 5 to 12 51 2 3 1 67 46-0 67 43-0 67 44-5 3 49 to 4 4 ) 4 5 to 4 24 I 4 27 to 4 42 ) 67 44-5 7 15 21 16 24-1 16 26-6 10 57 4-06 ■22617 12 12 to 12 24 1 2 3 3 2 1 67 45-3 67 48-1 67 44-9 67 45-4 67 48-5 67 46-21 April 12 •22626 3 49 to 4 1 11 57 to 12 40 ) 10 12 to 11 0 I 11 4 to 11 49 ) 10 45 to 11 37 ) 11 42 to 12 28 \ 12 34 to 1 6 J 67 46-1 67 46-7 13 14 28 May 1 16 21-6 16 24-7 10 10 10 20 •22604 •22617 •22614 10 42 to 11 39 11 51 to 1 0 11 23 to 11 34 67 46-4 67 48-1 67 45-8 67 44-8 67 469 67 43-4 67 44-9 67 48'1 67 45-7 2 38 to 3 23 ) 3 29 to 4 7 !■ 4 11 to 5 10 I 3 3 to 3 27 3 29 to 3 50 I 3 53 to 4 22 ) 2 18 to 3 8 3 11 to 3 46 I 3 52 to 4 34 J 67 46-8 16 16 26;2 12 48 •22634 10 29 to 11 59 1 2 3 1 2 3 3 2 1 67 45-0 June 6 67 46-2 7 20 16 27-0 3 24 ■22654 ■22643 11 59 to 12 57 11 46 to 12 34 1 2 3 3 '37 45-2 67 47-6 67 43-9 67 44-5 2 37 to 3 0) 3 4 to 3 25 I 3 25 to 3 47 J 3 49 to 4 17 21 22 August 2 4 16 30-4 67 45-6 12 87 11 58 to 12 49 •22567 2 2 3 1 2 3 67 46-8 67 49-3 67 46-7 67 46-6 67 48-2 67 44-6 11 45 to 12 11) 12 14 to 12 31 L 12 33 to 12 54 j 3 3 to 3 31 ) 3 33 to 3 58 I 4 0 to 4 30 I 67 47-6 16 67 46-4 * 18 21 31 16 27'8 430 •22627 10 26 to 10 37 •22593 11 52 to 12 45 1 2 3 67 46-9 67 47'7 67 45-7 3 28 to 3 53) 3 55 to 4 14 V 4 17 to 4 38 ) 67 46-8 September 1 15 16 23-9 11 38 1 2 3 67 45-5 67 47-2 67 44'4 3 41 to 4 0) 4 3 to 4 24 I 4 26 to 4 50) 67 45-7 18 October 4 16 25-8 12 42 •22633 •22604 2 53 to 3 44 -.1.1.52.10-12-38 - _1_ 2 3 -67 45-3 67 46-8 67 43-9 3 42 to 3 56 ) 4 0 to 4 17 \ 4 20 to 4 44j 67 45-3 5 17 18 16 29-3 16 231 4 27 10 25 •22599 10 54 to 11 50 1 2 3 67 44-8 67 45'8 67 43-5 3 42 to 4 4) 4 6 to 4 25 \ 4 27 to 4 49) 67 44-7 November 3 4 16 29-7 3 32 •22648 3 55 to 4 46 : 1 2 3 67 46'8 67 48-7 67 44-9 10 41 to 11 14) 11 20 to 11 51 L 11 54 to 12 26) 67 46-8 22 23 16 30-9 12 22 ■22618 12 3 to 12 49 j 1 2 3 1 2 3 67 46'1 67 47-8 67 44-2 67 44-4 67 45-4 67 43-4 3 36 to 3 57) 4 0 to 4 25 \ 4 27 to 4 49 ) 3 42 to 4 4 4 7 to 4 27 I 4 28 to 4 47 j 67 46-0 December 4 ■22623 12 9 to 12 47 67 44-4 8 16 16 30'2 3 44 •22601 11 51 to 12 42 1 2 3 67 47-6 67 50-4 67 46-5 11 10 to 11 32 ) 11 37 to 11 56 \ 11 57 to 12 25) 67 48-2

C—lα.

Yearly Means from Absolute Observation. ■■■*■■ 1905. Alteration since 1903. Declination ... ... ... ... 16° 27-2' + 08-8' Horizontalforce ... ... ... -22622 c.g.s. - -00035 e.g.s. Inclination ... ... ... ... 67° 45-9' + 03-6' Vertical force ... ... ... -55336 c.g.s. + -00077 c.g.s.

Comparison of Observatory and Field Magnetometers and Dip Circles.

List of New Magnetic Stations, 1906. MethvMi. Duntroon. Roxburgh. Middlemarch. Mount Algidus. Kurow. Alexandra. Nightcaps. Hakateie. Hakataramea Downs. Cromwell. Winton. Fairlie. Bog Roy. Naseby. Heriot. Lake Tekapo. Longslip. Liniiburn. Waipahi. Lilybank. Lawrence. St. Bathan's. Mataura. Lake Pukaki. Waimahaka. Hjde. Riversdale.. ■ The Hermitage. Waikawa. Hindon. Warepa. Repeat Station : ' Clinton.

20

Station. Date. Magnetometer. Value of H. Difference in Value of H. NABC, No. 1. 1906. January 6 6 ... NABC ... No. 1 I 3.g.e. '•22642 1-22624 ( 000018 iast Pillar Station. Date. Dip Circle. Needle No. Inclination Mean. Difference Circle 147. Field Circle. West Pillar 1906. January 7 No. 147 1 2 3 1 2 O I If 67 46 51 ) 67 47 51 67 44 56 ] 67 46 5 I 67 46 45 I 0 I It 67 46 33 \ + 08" Field 67 46 25 1 7

21

G.--1A

Records of Milne Seismograph No. 16, at Christchurch, New Zealand.

3*—C. lα.

Latitude :; ,43° 31' 50" S. Longitude: 172° 37' 18" B. Time employed: Greenwich ; Mear Civil Time. No. 1, 2, , . . for each month. Time: G.M.C.T., as stated above. P.T. = Preliminary tremors less than 2mm. complete range; A.T. = After-tremors less than 2mm. oomplete range; B.E. — Beginning and end o1 vibrations not less than 2 mm. ; Amp. = Half range in millimeters. Ma From aximi j la. To Amp. B. A.T. till B.P. Bemark». i j ! ! P.T. Maxima. CD from Apbil, 1905. H. m. H. m. . H. Hi. 2 Indefinite .. 1 45-7 4 1 100 1 25-9 2 08-0 9 4 55-4 .. 5 021 19 Indefinite 12 43-9 12 475 25 9 84-6 9 39 8 9 419 2 4 9 19 H. in. Mm. j H. m. H. m. Sees. '. 05 .. Indefinite .. In middle of continuous tremors. 8-5 3 21-0 5 17-4 .. Origin Northern India." 0-3 .. 5 11-9 .. ' 2-55 | 12 56-8 Indefinite .. P.T. and A.T. obsoured by night tremors. 13 9 42-9 „ .. A.T. obscured by night tremors. . v . .-■.■! D j 'v Sees. 26 May, 1905. 11 .Indefinite 17 45-9 17 48-0 15 4 05-4 .. 4 09-0 17 i 23 179 .. 23 26-1 18 i Indefinite 14 00-8 14 11-2 23 6 42-6 .'. 6 59-4 25 3 47-0 .. 4 03-6 1 -5 17 50-1 Indefinite .. P.T. and A.T. obscured by night tremors. 0-5 i .. 4 24-5 0-7 .. 24 111 6-9 | 14 37-5 Indefinite .. P.T. and A.T. obscured by night tremors. 0-55 . • .. 8 08-7 0-5 .. 4 33-6 .. June, 1905. 1 i .. 21 07-8 9 Indefinite 12 44-5 12 53'8 11 5 225 5 226 5 31-8 14 Indefinite 11 36-9 11 46-6 16 9 40-0 .. 9 49-4 17 21 01-6 .. 21 13-9 21 7 43-3 .. 7 46-4 29 7 31-5 .. 7 38-8 30 17 13-1 17 18-3 17 24-4 17 24-9 0-9 .. .. ..In middle of continuous tremors. 2-35 12 56-3 Indefinite .. N.T. obscuring. 2*9 5 42*7 6 53*5 17-0+ 12 20-4 Indefinite .. N.T. obscuring. .0-75 .. 10 37-2 0-3 .. 21 32-7 7 52-6 .. Very slight. 0-3 .. 7 46-5 17-0+ 18 29-9 19 29-5 July, 1905. 1 1 01-8 1 22-4 1 24-4 9 Indefinite 10 30-2 11 204 11 15 57-2 .. 16 08-6 17 0 29-4 0 36-7 0 38-2 23 3 06-8 3 17-2 4 19-3 27 .. .. 23 230 81 .. .. 9 03-5 2-1 1 26-5 2 10-0 ..i 2-85 11 32-5 Indefinite .. j P.T. and A.T. obsoured by night tremors. 0-35 .. 16 47-9 .. I Swellings merely. 1-5 0 39-3 • 2 06-7 .. 5-8 5 28-6 : 7 19-3 .. ! Very slight swelling. August, 1905. 4. 8 11 12 15 15 4. .. .. 7 51-7 8 Indefinite 13 21-6 13 23-2 11 12 13 20-6 .. 13 22-9 15 .. .. 4 42-1 15 Indefinite .; ' 8 12-1 29 4 li'8 .. 4 124 l .. Very slight swelling. 10-3 13 38-6 Indefinite .. P.T. and A.T. obscured by night tremors. . Small tremor-storm between 21b. 57-3m. and 22h. 57-3m. Indefinite .. A.T. obscured by night tremors .. Very slight. 0-8 .'. Indefinite .. In middle of continuous tremors. 1-0 .. 4 19-1 29 ■C'J.- ;' ; !_ S September, 1905. _____ 4 4 41-9 4 5 39-8 6 4 42-4 . 4 46-0 8 2 07-8 .. 3 51-9 12 .. .. 21 59-8 15 6 22-8 6 52-8 6 55-9 15 22 43-5 .. 22 51-3 16 .. .. 6 24-9 18 .. .. 9 07-4 29 Indefinite 12 09-4 12 30-1 4 4 6 8 2 .5 .5 .6 .8 !9 12 33-2 4 50-1 .. Slight swelling. 5 46-0 0-5 .. 5 09-8 0-3 .. 4 13-0 .. ? Origin India. .. Very slight. 2-2 7 13-5 9 43-5 0-6 .. 23 23-8 Thickening of line. 7-35 12 49-7 Indefinite .. P.T. and A.T. obscured by night tremors. 12 33-2

C—lα.

Records of Milne Seismograph No. 16, at Christchurch, New Zealand —continued.

22

Maxima. A.T. till B.P. A Remarks. Amp. B. 1 from B, Prom To , ■■ October, 1905. 8 6 22-9 .. .. . • • ■ • • 6 28-0 .. Very alight. 10 Indefinite 18 09-0 18 11-0 .. 3-2 18 16-7 Indefinite .. P.T. and A.T. obsoured by night tremors. 13 5 29-9 .. 0-6 .. „ .. Ditto. 21 I 18 43-7 18 45-8 18 47'9 1-4 18 48-4 . ... 22 8 28-5 .. 9 11-9 .. 05 .. 9 39-8 .. November, 1905. 1 10 49-7 10 54-8 10 57 9 .. 2-35 1100-0 12 21-7 2 4 13-2 ... 4 14-3 .. .. .. 4 25-6 .. Very slight. 2 9 09-1 .. 9 12 7 .. 0-85 .. 9 36-0 .. 9 19 47-9 .. 19 51-0 .. .. .. 20 11-6 .. Slight. 24 5 30-5 .. 5 40-8 .. 0-25 .. 6 06-7 .. December, 1905. H w H m H. in. H. in. Mm. H. m. H. DO. Sees. 4 23' 08-6 .. 23 11-1 .. 0-3 .. 23 359 .. 17 6 17-3 .. 6 390 .. 0-9 .. 7 35-9 .. 21 4 44-2 .. 4 48-9 .. 0-2 .. 5 04-9 .. Slight. 28 23 19-2 23 20-8 ! 23 21-3 .. 2-65 23 27-5 24 28-5 January, 1906. 3 2 03-7 .. 2 09-9 .'■ «. 0-4 .. 3 141 4 i 4 08-7 ' 4 33-5 .. 0-3 .. 4 59-4 18 ■ 1 35-3 .. .. • • • • ■ ■ 2 03-2 .. Thickening of line. 22 4 16-9 .. 4 23-1 .. 1-5 .. 5 02-4 .. 24 i 7 46-2 .. .. .. • • • • 8 35-3 .. Thickening of line. 24 22 01-2 22 04-3 0-4 .. Indefinite .. Ended between 22h. 09-4m. and 22h. 13-6m., while attending instrument. 25 1 53-9 .. .. .. • • • • 2 09-5 .. Slight thickening. 30 j .. .. 23 00-5 .. .. .. •• •• Slight swelling. 31 Indefinite 16 03-0 16:42-8 ' .. 15-5 I 18 32 0 ; Indefinite .. f.T. and A.T. obsoured by j night tremors. February, 1906. 1 2 30-9 2 36-1 I 2 39-2 2 42-3 2-95 2 49-5 3 39-2 .. ; 2 0 21-6 .. .. • • • • 0 40-2 .. l Thickening of line. 5 4 29-1 4 33-2 i 4 34-3 .. 3-45 4 37-4 j 5 41-0 .. g 0 20-7 .. . ■ • • ■ • 1 12-4 .. : Thickening of line. 10 9 16-3 .. 9 2U-7 .. 0-4 .. 9 380 .. 12 6 46-2 6 49-3 6 53-4 .. 1-5 6 54-4 7 37 9 14 0 40-7 .. 0 45-9 .. 1-0 .. 1 06-5 .. j 16 23 28-7 23 32-8 23 38-0 .. 1-4 23 41:1 24 24-5 .. 19 2 07-2 2 12-4) gt™ SS&(«-0+ 3 18-6 j 5 01-5 .. 20 6 07-2 .. '• 6 11-8 .. 0-2 .. 6 218 .. j 1 2 5 8 10 12 14 16 19 •20 March, 1906. 3 I Indefinite .. 9 51-3 .. 0-7 .. Indefinite, .. P.T. and A.T. obscured bynight tremors. 8 ! 21 27-5 .. 21 32-7 ,. 0-5 .. 21 36-8 ; .. 9 Indefinite 19 32-6 .. 5-4 .. Indefinite! .. P.T. and A.T. obsoured by night tremors. 10 6 40-8 ! 6 48-1 6 51-2 .. 5-3 7 08-7 „ .. Ditto. 10 i Indefinite \ 16 33-6 16 35-7 .. 8-5 17 06-7 „ .. .; 11 3 35-7 .. 3 38-8 .. 0-85 .. 4 11-8 .. 11 8 49-1 .. 8 52 2 .. 0-9 .. 9 19-1 .. j 11 Indefinite! .. 21 52-4 .. 0-5 .. Indefinite .. P.T. and A.T. obscured by tremors. 20 2 24*8 2 341 i .. 045 .. „ .. A.T. obscured by second quake. 20 I 3 31-0 .. 3 32-5 3 33-6 0-75 .. 4 27-9 I 3 8 9 10 10 11 11 11 ■m io

23

a—v

Table 1.— SUMMARY OF RETURNS of Field-work executed by the Staff and Contract Surveyors, from 1st April, 1905, to 31st March, 1906.

I I Minor Triangulation and Topographical Survey. Topographical Survey. Rural and Suburban. Town Section Survey, j Native Land Court Survey. Gold-mining Survey. Koads and Railways. Other Work. Total Cost of Surveyors and Parties from 1k+. Anvil 1QfK District. Acres. I 1 Acres. Acres. if 02 J Acres. BJ || Acres. «5 i< Acres. o o 0D Miles. Cost per Mile. Cost. to 31st March. 1906. ! d - d. ; s. I s. S. £ £ s. d. £ a. d. Auckland Hawke's Bay Taranaki Wellington .. / .. 87,687 78,000 111,500 50,500 101 0-5 1-39 1-0 *135,777 1-56 j194,701 .. I 17,213 *12,680 14-0 71,211 .. I 96,862 .. ] 61,478 •62,136 j 4-97 \ 52,116 454 89 223 208 1-24 1-67 2-28 1-84 129-5 25-22 14-85 569-34 i 142 45 44 I 874 2994 57-09 25-84 9-39 15,150 226 13,390 40J19-55 1 21-24 37 20-78 734 12 4-99 i i .. .: ■ 12 86-54 31-25 19-36 10-51 16-21 I 24-27 j 19-18 18-62 I 2,667 19 3 714 4 7 397 19 0 I 1,290 15 9 20,603 13 5 4,084 19 0 7,745 2 8 8,916 15 4 Marlborough 223 1-57 32 ! 111 11-6 ! 42-75 10-95 154 8 1 3,308 0 6 Nelson 20,985 1-15 259 1-59 44 154 17-4 : •• I •• f501 ; 20-93 ■ J 2,806 3 5 6,806 0 1 Westland 6,400 6-52 135,077 3-64 31,513 160 2-51 78-75 202 360 I 490 5 4-97 59-32 8-19 J J 1,705 0 0 8,810 15 11 Canterbury . j. .. J 17,413 105 2-24 1-25 2 118 •'■ ■• 242 16 6 1,976 8 0 Otago " - .. 43,210 181 0-90 44-5 104 I 28-61 2,503 65 3-88 271 8 5 2,286 9 10 i i ! I i Southland .. "■■■■" I .. j j -.--.- .. i 19,708 133 2-2 ■ I .. '•■ •■ 464 J 14 5-24 7-25 I 7-93 168 14 5 1,517 7 10 Means and totals I j " 355,072 1-13 345,670 3-45 605,425 2,035 1-63 939-41 1,678 18-25 28,766 78 20-14 96 4-12 307-08 15-6 [10,419 9 5 66,055 12 7 4,191 * Provisional settlement surveys. fl8 miles railway survey.

Q.tdU:

24

Table 1. — RETURN of Field-work executed by the Staff and Contract Surveyors, from 1st April, 1905, to 31st March, 1906.

Surveyor and District. Minor Triangulation and Topographical Survey. Kural and Suburban. Town Section Survey. Native Land Court Survey. Gold-mining Surveys. Roads, Railways, and "Water-races. Other Work. Total Cost ol Surveyor and Party from 1st April, 1905, to 31st March, j 1906. Remarks. ■• ; .;! ; ;>; \ ... I,® . Acres. « g O Acres, jjj Acres, "g 2 •a Acres. «mQ Q 2, 3 Cost per Mile. Oost. ;'■•:::■ .: !■: ,AND ■IS' IGT OF AUi 1KLAND. i s. Staff Surveyors. J. Langmuir. Auckland, Opotiki, &c. d. 8. s. £ £ s. a. 679 19 2 £ s. a. 679 19 2 Q. A. Martin. Tutamoe, &c. W. J. Wheeler. Tauranga, Omapere, &c. H. D. M. Haszard. Hapuakohe, Waitoa, &c. D. I. Barron. Botoma, &c. 60,000 0-50 10,054 12,366 13,771 50,501 24 45 ■2<)\ 06! 1-79 1-08 0-98 0-65 337 14 .. ! i 19- 17 60-00 ■ i I j ! 7-80 34-23 1100 18-69 7-20 7-36 35-121 9-73 I 26 7 3 902 14 8 255 12 2| 973 12 9 240 6 51 1,026 12 0 228 15 0 889 0 4 Chiefly staff, Land Transfer, and contract survey inspections ; workers' dwellings scheme plans; laying aown new Imperial standard, also chain standards in different pares of district; interviewing surveyors throughout district re field-work, &o. Carried forward, £14 15s. 9d. Rough bush country; continuous rains delayea field-work. Carried forward, £358 9s. 8d. Forest and open. Scattered road and section surveys. Chiefly swamp. Cadet Clarke assisting. "Other work" is principally inspection, flax, timber, Warden's, and scenic reports. Carried forward, £248 11s. 8d. Mostly heavy forest. Brought forward, £1,035 16s. 7d. " Other work " is chiefly roadsurvey inspection, road-work, trig, renewals, reports, &c. Carried forward, £1,354: 5s. lid. Chiefly broken bush country. Brought forward, £586 3s. 2d. " Other work "is inspection, &o. Carried forward, £332 Is, 4d. Open, undulating country, Selwvn Settlement. Carried forward, £557 16s. < ;4d. Cadet Sherratt assisting. Very broken bush country. Brought forward, £472 5s. " Other work " is chiefly fieldinspection and revisional-work. Carried forward, £1,133 2s. 8d. Broken bush country. Brought forward, £549 10s. 5d. 5.000 acres in progress. Carried forward, £981 11s. Very broken bush country. Provisional settlement survey. Brought forward, £6103s. 10d.; carried forward, £1,124 8=s. 2d. R. S. Galbraith. Whareorino, &c. 12,500 1-73 7,980 •28 2-34 0-251 20-00 ! 42 0 10 818 2 2 H. F. Edgecumbe. Patetere, &c. •35,160 1.00 16,233 0-21 991 0 i\ A. G. Allom. Waiawa, Opotiki, &c. •16,027 225 3-55 7-00j 1819 155 7 1 989 4 10 1.05 • |- ' ■ I W. 0. O'Neill. Maungataniwha .. 814 7 7-69 1 799 17 0 •12,000 I H. T. Mitchell. Waioeka, &o. ! _„_ 822 7 6 0.60 '■ I i

25

o.—la

Temporary Staff. J. B. Thompson. Patetere, &c. .. I 9,320 *26,172 1-50 1-50 16,516 9 023 050 1 61-00 369 6 I 1,180 19 5 Open undulating country. Brought forward, ! £529 11s. 8d. Provisional (26.172 acres) and ,. . complete (16,516 acres), Sehvyn Settlement. I Cariet Campbell assisting. Can ied forward, : £922 :7s. 8d. "Other work" is supervision Selivyn Settlement, preparation pamphlets : and scheme, plans, r-poit«, &c. i 820 11 7 Bush and open. Brought forward, £518 14s. 8d. 4,130 acres, Selwyn Settlement. "Other work " is survey for Tourist: Department at Lake Tarawera, &c. i 769 17 5 Vf ry broken bush country. Brought forward, £228 3s. 10d. Provisional survey, Waioeka District. Carried forward, £285 9s. 5d. " Otlier work" is exploration and trackcutting. i 851 17 10 Braken and undulating open country. Provisional work is part Selwyn Settlement. Brousht forward, £370 10s. 7d.; carried forward, £1,281 13s. 3d. " Other work "is miscellaneous duties, Selwyn Settlement. 866 19 5 Heavy forest and open ; principally surveys in Selwyn Settlement and Tutamoe Survey District. Brought forward, £725 19s.; carried forward, £1,048 9s. 5d. 546 8 0 Heavy forest, rough country. 889 10 4 Forest and open. " Native .Land, Court Sur-. vey " is subdivision for Pn sident Tokerau Maori Council. "Other work" is chitfly defining old boundaries, reports Native land, &c. Brought forward, £329 7s. Id.; carried forward, £691 11s. 836 4 8 Rough bush country. About 10,000 acres in progress. Kakahi Village. Carried forward, £469 Hβ. 8d. ; ; \ ., .' , : 668 3 6 Very rough bush country. Provisional survey is in Waioeka Survey District. Brought forward, £1 436 13a. 6d. ; carried forward, £140 2s. 4d. 612 12 6 Chiefly open. Scattered road and section surveys, "Other work" is Hahei Hot Springs Reserves for Tourist Department, road surveys for Roads Department, cemetery and school sites, &c. 740 1 6 Very broken b <sh country. Chiefly roadgrading and section surveys. Assistant, to Mr. A. G. Allora. Br ug'ht forward, £278 3s.; carried forward, £1,013 4s. 6d. 485 8 3 Very broken bush country. " Rnad " is survey of deviation Mxns-aotuki-Awakino Road for Eoads Department. Brought forward, £418 18s. 3d. Left service 31st January, 1906. 18,161 5 2 . ■ • ... .-■: I ! ! A. Wilson. Whareorino, &o. ) 8,694 24 1-26J I 33 13 0 :, 5 867 4-00 '' I ] i ♦14,849 i A. A. Seaton. Maungamangero,&c. 2-55 i 1,756 13 2-73 I, I I ! . ■• I i 123 0 0 •• I } • ■ ■ ■ 4. J>. Mountfort. Patetere N., &c. *12,241 1-50 ) 6,906 21 1-02 94-00 .84 16-86 ■I' 60 O 0 i ■• i I ■;'.., : • H. M. Kensington. Patatare N., Kawakawa, &c. *15,518 1-50 ) 10,052 51 1-83 I i : 10 16 4 . 7,416 31 1-51J; 701 3|i 1-92J : I L. Jackson. Tutamoe, &o. V. I. Blake. Takahue, &a. •■ 3,862 3 15-76 325 28-25 I 129 18 3 i i ! I !j I : li - ■ ■ i; i [ [ 3. L. D'Arcy Irvine. Rotorua, &c. ■ ■ • ■ ; l ! D 35-00; 57 i ! 48-66 J'' J [j 3-50 2000 i P. E. Byrne. Whareorino, &c. .. *3,810 9-06 i 11,200 22| 2-99 •. x ' 3. Reilly. Piako, Hapuakohe, &c. 670 17 8-07 i I i; .. ! ■ 312 17 8 •■ ■ •• I i f i A. Stretton. Opotiki, Waioeka, <&c. K . : ! ■ ■ ... ! ! ! J. O. McCabe. Whareorino .. I . 87,687 •135,777 1 . ■ : I 5.370. 1O' 2-87 ••! ■ 129-5 '• j 29.94 4,213 .. .. ..J .. .. ll , \- I i: ... I a-6i j i I - - I 3681 16-44 2,667 19 3 Means and totals .. .. I 101 1-56 181,225 404 1-20 129-5 142 8 16-18 .. 78-73 l • . I ! ; I I 1 *Pi rovisional sett tlement sn irveys. ;:i .-. S<9Jl£t : ... . ■:.::.; :' ' . . . . ■ ! ■; ;, .:, •-■■• ■* a ;k 7 s ■ • ■: ,;. - :: i ''*'■•■■■ . , h [J.OITJ j. 3 1 If 1 '■J ''- ■-■ 1 ; ■" j '■■<;-• .. : : "-■' ■ ; ■■■

G-V-lA

26

Table 1. — RETURN of Field-work executed by the Staff and Contract Surveyors, from 1st April, 1905, to 31st March, 1906— continued.

Minor Triangulation and Topographical Survey. Rural and Suburban. Town Section Survey. Native Land Court Survey. Koads, Bail-Gold-niining Surveys. ways, and Water-races. Other Work. Total Cost of Surveyor and Party from st April, 1905, to 31st March, 1906 I Surveyor and District. Remarks. "' (1 AcreB. ■« u og Acres, jj-3 ll Acres. 5] si Si Acres. n % t g° o Acres. No. of a g Section, a 5 I GO 3 Cost per Mile. Cost. ! ,AND D ■istr: i :CT OF AX] cklan: — contii iued. Contract Surveyors. E. F. Arlaras. Thames .. W.M.Atkinson. Mangakahaia, &o. E. W. Buckeridge. Kawhia P. E. Cheal. Tuhua, Rmgiriri, &o. C. Clayton. Whakatane M. B. Creagh. Whareorino, &o. .. R. Campbell. Kaeo, &c. P. Chambers, Otahuhu •• d. 276 142 1,279 2 i s. , '2-63 2-48 1-21 •• s. j I ■' i "41 820 I d -l "l 17-56 3 20-30 •• 1 3 I 236 6 s. 7-75 £ £ s. d.l £ s. d. 91 9 9 36 5 C 3 0 0 87 0 2 77 18 4 222 4 ] 15 0 0 30 11 6 Mining. Forest and open. Open. Forest and open. 3,150 6 16-93 6 .. • • ! I 104 69 1 3 2-88 8-86 •• •• •• I i ■■ • Open. Contract survey workers' dwelling settlements— viz., " Cadman," "Carroll," and part " Lawry." Forest and open. -- .. .. i A. L. Foster; Rotorua, Colville, &c. H. P. Hanify. Awa o te Atua J. W. Harrison. Pirongia, &o. 922 1,941 645 4 1 3 204 098 1-88 62 1 ; 6-20 ■• •• Ii3 9 10 95 6 2 60 11 4 ■ Forest and open. Includes periphery survey of Ecoleston No. 2 and Lawry Settlements (workers' dwellings). Forest and open. Survey of road for Roads Department. Open and swamp. .. I • • P. J. Hosking. Maungaru, &o. .. N. F. J. Haszard. Waihou, Waihi N., &c. M. P. Haszard. Waitoa, Ohinemuri, &e. p> V. and A. M. Kelly. Awakino, Otahuhu, &c. 102 357 I 4 591 1-84 i 1 300 136 3 2 •■ ! S'37 3-24 6-56 1 14-68 96 1 3 80 16 0 55 0 21 Forest and open. 3 i I I 258 1 3' 2-80 3,952 4 15-85 I I ; ' ■ I 297 2 6 Forest and open. Includes periphery survey of Presco&t Settlement (workers' dwellings). Open. Forest and open. H. W. Mitchell. Tauhara T. J. Mountain. Waihou, &o. G. P. R. Neumann. Omapere, &o. A.D.Newton. Karioi .. A. O'N. O'Donahoo. Rotoiti P. Pavitt. Waitoa F. B. Sewell. Opotiki .. L. G. Siadden. 1 Karioi .. P. Ward. Mangamuka, Rotorua, &o. 279 3-31 900 36-75 46 5 0 137 16 2 15 0 0 13 16 0 135 0 0 32 0 8 150 0 0 6 0 0 369 9 8 5 - 6 ■■ •• •• 52 92 512 763 2,132 25 1,306 1 1 1 1 2 1 5 5-77 3-00 5-27 0-83 4-80 1-80 •• " - •• Open and swamp. Forest. Op-n. Chiefly forest. Includes contract survey of part cenic reserve, Ngatira, on Rotorua rail Wα Mostly forest. Includes contract survey of part scenic reserve, Ngatira, ou Rotorua railway, which was obstructed by Natives. .. 1 1,887 11 30-36 1-25 1041 I f\. A 1 I H. M : . Wilson and G. A. Jackson. Patetere, Kaipara, &o. 2,220 1-02 187 23-10 175 4 8 . J i 10,937 7-81 1395 2,442 8 3 Means and totals 13,476 50 32 2084 •• 1-71 734 12 4-99 13-95 ■• Grand means and totals 87,687 *135,777 1-01 1-56 194,701 454 1-24| 129£ 14: 29-94 15,150 40 19-55 734 12 4-9a 86-54 16 21 |2,667 19 3 20,603 13 5 ■

27

C—la

4-C. 1a

P. Stepbenson Smith 78, OOOj 0-501 1-751 21-981 583 13 ft] 784 12 7 Brought forward, £190 5s. Id. District Surveyor and Land Officer. " Other work " consists of field-inspection and general departmental duties. Carried forward, £190 5s. Id. Brought forward, £115 6s. 2<3. Generally fiat and undulating. Heavy forest and open. Transferred to New Plymouth, 31st January. " Otber work " consists of report on Pohukura Block and other inspections. Brought forward, £439 7s. Id. Lindsay Settlement. "Other work" includes inspections, attending Compensation Courts at Wellington. Carried forward, £130 14s. 5d. Abbotsford Estate. Brougnt forward, £140 10s. 10d. Kough forest country; very broken. Carried forward against Motu and Koranga Blocks, 38,600 acres, £779 16s. Id. Brought forward, £488 0s. 9d. Open, hilly, and steep bush country. "Other work" refers to prospecting and grading Hangaroa Valley Road. Carried forward, £687 16s. 4d. Brought forward against Lindsay Settlement, £137 5s. lid. Carried forward egainst Rangikohua Exchange Block, £602 10s. 10d. " Other work" refers to repairing trig, stations, &c, rough bush country. Survey proposed scenic reserve, Tahoraite No. 1. District Surveyor. P. A. Dalziell 26 9 0 560 3 6 .. .. 2,216 1-80 18-40 24-40 Assistant Surveyor. Thomas Brook 18 13 5 540 9 4 7,880 29! 1-38 9-46 14 114-41 8-10! 25-44 Temporary Surveyors. }. Roddick I ! 1,4.20 1-50 15-756 31 31-21 794 2 7 E. H. Farnie 3,290 2-33 75 8 10 731 12 3 39 3-00 21-61 J.G.Wilson .. 2,381 14 1-59 10 0 0 664 18 9 Crown Lands Banger. H. M. Smith .. 9 0 0 • •• •■ 26 1 6-92 Means and totals i 78,000 0-50 17,213 25-216 45 57 09 ■' 24-27 714 4 7 4,084 19 0 89 1-67 ■ • ■ • • ■ • • 31-25 • • LAN! DI! uric . OF T. ranak: 18-891 H. M. Skeet. Ohura and Heao .. 13,966j 47 2-741 131 42 • - ! • ■ I 8-30 151 0 41 1,765 1 3i £1,668 19s. lid. brought forward from last year. £1,167 18s. 4d. carried forward against unfinished major and minor triangulation and town and standard work. The year's work comprises broken forest country. " Other work " includes inspection, attending on Surveyor-General through Ohura Country, opening-up pack-tracks for survey and settlement purposes, general supervision of settlement-work, and investigations connected with the adoption of Imperial Standard. £926 2s. 4d. brought forward from last year. £848 7s. 10d. carried forward against unfinished sectional and other work. Hilly forest countrv, very difficult of access. " Other work " consists of Heao Valley exploration, re roadingof Mr. Bassuan's block, and investigation re the adoption of Imperial Standard. Leave of absence and sick leave. O. H. Bullard. Mahoe .. I 2-75 41,000 ♦12,680 1-24 14-o! 20-00 91 19 2 1,031 4 5 P. A. Dalziel * I 52 1 91 52 1 9 * Provisional settlement surve; ■a.

C—lA

28

Table 1. —RETURN of Field-work executed by the Staff and Contract Surveyors, from 1st April, 1905, to 31st March, 1906—continued.

Surveyor and District. Minor Triangulation and Topographical Survey. Bural and Suburban. 4 Town Section Survey. Native Land Court Survey. Gold-mining Surveys. Boads, Bailways, and Water-races. Other Work. Total Cost of Surveyor and Party from Remarks. no Acres. -" £ D Acres. jS -go Acres. ~ZS S3 xS o o Acres. «* q -g g O O O 4 Aores - Section. § I S I Cost Ulile. Cost. to 31st March, 1906. LAND DISTRIC OF T. .EANAKI— continued. a. 8. 2 01 s. I d. I I i S - £ £ s. d. £ s. d. 830 14 3 £940 14a. 8d. brought forward from last year. £70 carried forward against minor trig, work. Hilly forest country, difficult of access. £443 19s. 6d. brought forward from last year. Broken forest country. Mr. Murcott resigned from staff in February last. £291 12s. 9d. brought forward from last year. £642 2s. carried forward against unfinished sectional work. " Other work " includes cutting out small scenery reserves and minor road-deviations. Okau Road, &c. £1,111 10s. 2d. brought forward from last year. £1,721 16s. 2d. carried forward to unfinished permanent work. 14,000 acres sectional work completed in field. £613 15s. 2d. brought forward from last year. Rough bush country. Mr. Buekeridge resigned from staff in January last. £1,268 19s. lid, brought forward from last year. £111 0s. 6j. carried forward against unfinished sectional work. High cost per acre due to prior heavy loading by previous surveyors working on block. £199 3s. carried forward against unfinished section work. Mr. Halse joined the staff in December; 1905. £721 17s. 7d. brought forward as previous liability on block. £807 3s. 4d. carried forward against unfinished sectional work. Mr. Gillett joined the staff in January, 1906. £4 15s. 3d. brought forward from last year. £39 14s. 65. carried forward against unfinished sectional work in the Omona district. " Rural and suburban and town " comprise small isolated surveys scattered throughout the district, accounting for high cost. " Other work," revision surveys in old districts. W. T. Morpeth. Aria 18,622 31 ■ • • • Additional Surveyors. W. H. Murcott. Aria, Ohura 11,323 2-02 663 3 0 m W. Laing. Mimi and Waro 34,000 4-56 20-01 33 9 4 758 10 3 2-00 B. O. Weir. Aria, Totoro 3-75 18-24 752 19 0 . B. W. Buekeridge. Aria, Ohura .. 14,265 1-65 556 17 1 27 '■ ! N. C. Kensington. Totoro, Aria .. 36,500 12,117 2-97 226 21-24 752 5 4 1-00 60| E. F. Halse. Ohura i 199 3 0 N. Gillett, Pouatu, Upper Waitara •-. 85 5 9 T. G. Sole (office surveyor), Paritutu, Waitara, Opaku, &o. 918 2-85 148-58 69 8 51 297 17 7 4-76 Means and totals 111,500 •12,680 1 39 14-0 71,211 223 2-28 1485 44 25-84 226 1 21-24 • • •• 19-86 19-18 397 19 0; 7,745 2 8 * Provisional sett! lement surveys.

29

C. — JA.

or»gfe Q a o = "S a* g S g.g asg a ° a g § * SH'-S O OJ - 0a.-2.-rJ . «>3 ■BSrfB-OS'OBTl CS >^>3 S; * 'E-M-Sco.S-g ».a iS rd • J g'-S S3 t>>-E ■£ toiS -SS- 0 s-2l3SJ^Ss«g|"5-'sis*S M ja I a a-=.5 3-8a** -ilffSaiU !i • if i!|l|! l-i-rfi«Uliii f S JI li" fT-M im 1 »=<* j ifMipi *M*ftf iii'iF .8 iwi niililWi'ktii ■3 a a S J cm Si's -o co So g § hi 60 fi k S 5 a? o 5 00 co &« a as eo" o 3 o-c 88 as co -h ° 0 5nS« 03 2 os - os co 5jh ctjEhQc! o >o fi a o osPcj-jr-i ca 5j 0 0 p sgcoirHJCi--; opq 3 r-H tT.rC. CO CD fl H? gjfc a * I o 1-3= g agS|r-, I 2.2a£ > r ,tng.aas 3 S I ¥ S 8 3 « ** rfl " 3 U k+) rO *W S . S 3 £ grrj So B- cS "0 g S 3 *» 3r« 6CCDCO ->,cd .2 hh co aj-j--.HiL o 2 HI -S ■" 2-3Hig a rj . H~ la 1° .>s3 . n i3° ■J('g o3S ,3 E^nt- r H <5 "rl .» » ;O0 J S mk3 tn Hr*>^B d.S 0° 60.9 5S53 cur-j flrci'^^tDCDcrrt SPhPh §g rrn" cfl rH rH © © © in © © © © rH © © CO © CO © fc00 © o © rH © IO CO rH © © IO © CO © rH © © © © rH CM © rH -a CO CO © rH o © © © © rH fc--a 1 - ' co © o rH © © © © iO © •0 trH CM rH © © Ol on CO CO - © rH rH © rH CM 01 rH -O rjH O0.8 CM r-i LrH rH CO tCO rH rH =« ; © co tH o cb co CD CD rH fca rH fcrH CO rH rH CXJ CO O H r5 M _ tJ i-H o O rH CM CO cb CO 6 CM CQ, 5 p IO CM CO CS CO CO CO rjH rH CO rtT © fcrH rH J co ; rH rH CO rH oa oi 6 CO fc- © CO 6> CM rH CO C-h! CM o CO rH fc* _C0 CO rH rH © © © CO © I rH I CO © © ■O to . »o 6i © cp Ol rH CO © 6 CO H I rH rH CM rH rH CM "cm" rH rH CO tH CO CM Jo CO IO rH CQ o~ CM rH rH © CM © GO CO CM © CO CM © © CM fcCO Ol CO © fc--_ fc-" o in rH © r}i ©~ tH rrj ■ r-i o o iro o" IO o o JO o" IT) i ceo a> 00 roo s 03 .g 03 fH CD a CD O a l-s oo" | 5 oo -M 00 HO '3 W < . ft a" o cn P. a O sz EH 0J -M 00 H9 '3 M ccf 3 a 3 W HJ w Es O l-H t o '-H c3 M OJ 3 a tto '£ i-o p 03 - f-i C-, 3 03 03 WW o a fH -3 cS 3 cH of 0 £ 09 ao 'A 3 rH -^ S a OJ C= ■sa 03 o 03 3 a HH ffl 3 - 3 3 = a" PhJ . O ("V3 -fl -a -g $& co a' cs 60° c a 3 03 - as m oo g § ■ rfOO g w "S?„a a",? wig .aw tD fl O sstf r-t " 503 3 w Oj M oj '3 H-3 fl 1= cs -- rfl C3 O tiD 3» a CO "cl o fl dS co fl s CD a H O 0h ?o"3 ** o I* CO Id g* a '3 a ee 60 a oi a o '3 ce '-W r'CS a 2 g'C Ssf CD ■-> CO DQ

C—lA.

30

Table 1. — RETURN of Field-work executed by the Staff and Contract Surveyors, from 1st April, 1905, to 31st March, 1906— continued.

Surveyor and District. Minor Triangulation and Topographical Survey. I * ag Acres. +j g Rui'aland Suburban. Town Section Survey. Native Land Court Survey. Gold-mining Surveys. Roads, Railways, and ' Water-races. Other Work Total Cost of Surveyor and Party from 1st April, 1905,j to 31st March, 1906. Remarks. log ag Acres. dB -g g Acres. "S 2 ■ \&> ag Acres, « g , O O :O S5 i Cost per Mile. Cost. ■ Temporary Surveyors —contd. Roberts, A. M. Makotuku, Kaitieki -AND iistb: CT IF WELLING , ON— coi ■tinued. £ s. d. f .. 22,344-51 13 .. 254-61 6 I 0-9 s. ■ d. [ s. I 7 £ s. d. 18 0 £ s. d. 793 1 5 Greville, R. P. Belmont, Mangaone, Mangahao .. I .. •• I 2-0 79 1 0 235 11 9 J* e. u. 793 1 5 , 235 11 9 , £1,389 14s. is carried forward to next year, being £996 14. 5d. against the Tβ Tuhi, Ahuahu, and Puketotara Blocks, and £392 19s. 7d. against the North Waimarino Block. Surveys in rough hilly bush land. £168 14s. 10d. is brought forward from last year and not included in total cost of party. Transferred to Mines Department 1st September, 1905. Small, scattered surveys; much travelling. 8-81 2,211' 23-14 1,290 15 9 8,916 15 41 Means and totals 1 l 96,862-l; I 1-84 I 569-34) 9-391 13,390 — I 10-51 18-62 50,500 2081 874] 37, 20-78! t .. I ,AND DIS , 'RIOT OP NELSON. Staff Surveyors. J. A. Montgomerie. Reefton, &e. i 687 50-5 lj 9 3-63 27-75 I i I i i ■■ ■• ■• •• ! ! 11-61 18-00 7-763 37-5 402 2 01 893 4 21 "Other work" includes office-work (District Surveyor, cadet, and contingencies), £240 4s. Id.; revisions at Reefton and Black's Point, £14 8s. 7d.; Brown and Rough Creeks Roads (incompleted), £3417s. 7d.; ReeftonGreymouth Road (incompleted), £52 2s. 2d.; and 5,000 acres (incompleted) in Inangahua Survey District, £51 2s. Three last mentioned amounts will be carried forward to next year, together with £75 5s. 7d. brought forward from 31st March, 1905, on incompleted Reefton-Greymouth Road. Of "Rural," 17,768 acres, 9,236 acres are open and 8,532 acres are forest. " Other work" includes £103 4s. 7d. for miscellaneous works, £36 7s. 8d. for Road Department's work, and £36 19s. 2d. for incompletsd work on Rainy River Block (sectional survey). The amount last mentioned, and £887 9s. 9d. brought forward from 31st March, 1904, on 409,488 acres of income pleted trig, and topo. work, will be oarried, into next year. i I I I B. T. Sadd. Motupiko, &o. l • 1-08 17,768 3.3 897 4 0 19,646 ♦18,136 47 1-01 1-25 8-0 176 11 5 1 ,

29

C—la.

J. Snodgrass. Kawatiri, Ngakawau, Ac. a3,19! 3-08| i 17 22-001 ; 500 5 8 939 9 l< " Rural " IB mostly small isolated surveys and revision of all work, so adding to cost. "Other work" includes inspecting Mr. Hughes' Brighton work twice, £26 6s. 3d. ; officp-work, £123 ; Road Department's work, £234 3s. 7d. ; incompleted sectional surveys, £78 8s. 3d. Last mentioned amount will |be carried forward to next year. Sectional work was in rough, hilly, bushclad country, and as a rule widely separated. Eight months' working in mining district, where the expenses of party were heavier than usual. " Other work" includes road-deviation, and subdivision of Marina Mining Reserve, coal lease, (502 acres). I J. D. Thomson. Burnett, Motueka, *: ■11,0 •11,000 1-23 11,811 54 1-09 40 137 16-83 8-82 3-81, 98 1 1 948 5 10 I i I Temporary Surveyors. D. Maopherson. Otumanana, Kongahu, &c. 1,3 1,339 2-15 5,677 2-47 3-675 23-089 186 6 11 935 0 9 " Other work " includes re survej' of roads, Otumahana and Kongahu Districts, £97 Us. 8d. ; subdivision of Section 2 of XV, Oparara, £6 6s. 8d. ; general work, £20 14s. 7d.; incompleted sectional woik in Oparara Survey District, £46 15s. 8d. (to be carried forward into next year). Only started work on 19th February, 1906. "Other work" is for road-deviation and new road in XII, Matiri District. Mr. Hughes left Nelson staff on 31st. Oct.. 1905, to join Westland staff. Costs include £630 5s. Id. brought forward from 31st March, 1904, and £531 4s. Id. brought forward from 31st. March, 1905. Other work " represented by 53J miles of traverse. The 10,637 acres was extremely rough country covered with thick bush. "Other work " includes laying out and levelling 4 m. 66 ch. of main Marina Road, preparing longitudinal plans for two miles thereof, superintending construction of part said road, traversing 2 miles Glenroy River, and miscellaneous small surveys, all on the Marine Block. £956 7a. 3d. includes £289 4s. 9d. brought forward from 31st March, 1905. " Topographical" cost includes £143 10s. brought forward from. 31st March, 1905. " Other work " includes Section 1 of VIII, Marina District, and school-site at Newton. • - " ■ D. L. Fairhall. Matiri .. 979j 1-77 20 1 7 106 9 11 ! I T. W. Hughes. Brighton, Waitakere 1,315 V2 2-50 I 6-75 23-0 1,220 5 4 378 8 8 I D.M.Wilson. Mokinui, &c. 10,637 48^ 1-80 ■ - 158 9 10 825 12 4 J. Curuine. Matiri, Maruia, &o. .. *J 33,0 I •33,000 7-14 I 43 19 7 i!. i -■ ! 882 4 7 Means and totals .. .. 2 20,985 *62,136 20,9 1-591 44 17-4 2,806 3 5 6,806 0 1 1-15 4-97 52,116-5 —- 259 154 • ■ •• 132-1051 11.33 • Pro' visional settlement surveys. t Railway.

C—la

30

Table 1. — RETURN of Field-work executed by the Staff and Contract Surveyors, from 1st April, 1905, to 31st March, 1906— continued.

i Minor Triangulation and Topographical Survey. Rural and Suburban. Town Section Survey. Native Land Court Survey. Gold-mining Surveys. Boads, Kailways, and "Water-races. Other Work. Total Cost of Surveyor and Party from Surveyor and District. Bemarks. Acres. *g U OO Acres. • t! o"* Acres, o! ■*■ g oS So Acres. «-a -g 3 6 o o Acres. Se N e ° io °i s . || 6 Cost per Mile. Coat to 31st March, 1906. LA] D DISTR: ct o: makl: i ;0R0UGH. Staff Surveyors. T. N. Brodrick. Gape Campbell .. a. 11,447 ■27 8. i-2 32 111 s. 11-6 d. s. £• £ s. d.j £ s. d.i 61 17 81 Survey and subdivision of Flaxbourne Estate, attending Compensation Court, &c.; mostly carried forward from last year. Returned Co Canterbury at end of April, 1905. Settlement and revision surveys in heavy bush. About 2,000 acres complete in the field, carried forward to next year. " Other work" consists of compass traverse of Crown land in the Rai Valley, and denning the boundary of the State Forest. Road surveys in Onamalutu and at Wairau Valley. "Rural surveys" are part Flaxbourne Estate, and small isolated surveys. " Other work " is survey of reef at Dieflenbach, and cost of transfer of party from Nelson District. £407 9s. 5d., carried forward to next year, is represented mostly by 16 miles of road survey in the Sounds. Subdivision of part Flaxbourne Estate. D. W. Gillies. Wakamarina, Heri4,126 35, 3 69 17 8J 808 1 0 W. G. MoAlister. Arapawa, Linkwater, Mount Olympus 798 6 10 1,201 16 31-5 9-5! 66 10 5 P. E. Greenfield. Gape Campbell 940 1-2 56 8 0 Temporary Surveyors. C. W. McFarland. Cape Campbell, Whernside. 19,681 1-4 ! 732 1 2 " Rural area " consists mostly of part Flaxbourne Estate, carried forward frcm last year, and the two Woodside S.G. Runs (5,000 acres complete in the field), carried forward to next year. "Rural area" consists of part Flaxbourne Estate, carried forward from last year, and about 2000 acres small applications in the Sounds, in heavy bush. Survey of part Plaxbourne Estate, carried forward from last year. Has left the service. 74 •■ A. P. Seymour. Gape Campbell, Orieri, Gore, &c. ll,89l| 84 21 11-25 15 18 0 0 851 5 10 A. Simpson. Gape Campbell 12,192 29 1-2 ! i Means and totals .. — 61,478 223 32 111 ii-e 42-75 10-95 154 8 1 3,308 0 6 • • .. 1-57 .. ■•

31

a—ia.

LAND DIS' 'RII IT OF WESTLAND. G. H. McClure. Temiko and Waiwhero 6,400i 6-52, 1201 a 3-66, .. I .. I 50 16 51 246 16 5 Comprises two months' work, as Mr. McClure was retransferred to Canterbury District, leaving Westland on 7th June, 1905. The minor triangulation and topography included careful definition of coast-line and adjacent wild rugged country. " Other work " includes repairs to trig, station, definition of mining-holdings, and picking up of old sectional boundarlea. Apart from the two sections, all Mr. McClure's work is preparatory to proposed settlement surveys. 367 5 0 Of this amount £293 17s. 6d. is recovered from other departments. Tne balance, £73 7s. 6d., represents cost of supervision, surveys, reports, &c, and correspondence in connection with oonstructive-works carried out by the Lands and Survey Department (total expenditure being £4,212 12s. lid.); and also Land Commission business, reports on surveys, valuation of lands, &c. 957 10 11 Heavily timbered country. Mr. Maitland's work comprised some intricate operations in connection with the adjustment of boundaries of Town of Ahaura, and a number of rural sections consequent upon old faulty work. This was absolutely required for the subdivision of adjoining Crown lands. The road and railway survey near Lake Brunner was undertaken to adjust oertain sawmill boundaries which were iu dispute. " Other work" included survey of holdings at Stafford, and exploration and report upon lands proposed to be resumed for settlement purposes. • W. Wilson. Westland Land District 367 5 0 H. Maitland. Waimea, Brunner, Ahaura, and Mawhera-iti, &c. •7,680 5.0 2,095 10 3-5 18-25 150 32-5 525 10 134 5 11 A. H. Harrop. Hohonu •16,000 2-1 6,268 25 1-911 90 85 ]90 9 0 1,006 3 0 006 3 0 In heavy-timbered country. " Other work" includes traverses of water-races, £105. Survey of gravel reserves, and roaddeviation survey, both for Road Department (cost, £31 2s. 4d., to be recouped), traverse of Greenstone Road, repairs to trig, stations, &c. C. H. Morrison. Mai Mai, Ma-whera-iti, Mawhera-nui •17,300 1-97 2,800 20; 4-001 60-5 52 4616 7-0 100 190 0 0 1,081 6 7 081 6 7 In rough, broken, forest country. " Other work" includes connection*, traverses for isolated sections, £175 ; balance repairs to trig, stations, reporting on areas, &c. Cost of sections is high on account of these being isolated areas adjaoent to old and faulty survey-work. * Topogra] ihical surveys.

C—la

32

Table 1.—RETURN of Field-work executed by the Staff and Contract Surveyors, from 1st April, 1905, to 31st March, 1906— continued.

Minor Triangulation and Topographical Survey. Rural and Suburban. Town Section Survey. Native Land Court Survey. Gold-mining Surveys. Eoads, Bailways, and Water-races. Other Work. ] Total Cost of Surveyor and Party from it April, 1905, Remark*. Surveyoi and District. cue Acres. -a g o 03 u Acres. •■« ~g 02 Z2 Acres. ~ g *> i « °3 Acres. <~Q -» o o o o i Cost per Mile. !S|| .a.JJJ.il, _L»UD,| to ; 31st March, 1906. Cost. lan: DIS , I 'Eli IT OF WESTLAND— eo; 1 I ntinuii d. t. d. 1-05 233 s. .. s. 10?.5 £ 10-05 £ s. d. 359 11 9 £ s. d. 900 18 9 W. F. Bobinson. Bruce Bay, Mount Douglas, Arnold, Brunner S. T. Burton. Waiho, Gillespie's, and Karangarua J. Cunningham. Okuru.. T. W. Hughes. Waiwhero and Punakaiki •20,500 •11,300 •7,000 •6,492 7-531 5-0 2-07 2,990 3,279 5,728 3,250 16 16 ; ?T : 2-91 2-25 1-5 i i I •■ 2-82 2-0 9-0 . 12'0 140 5-67! 140 0 0 3 16 11 847 12 0 958 0 0 407 16 2 In forest country. "Other work" includes special inspection survey of timber-holding in Arnold Valley, £269 11s. 9d. ; topographical survey and value of improvements on runs in Makawhio Valley, £75 ; special location of boundaries of fNative Reserve No. 30 '(£10 cose to be recouped by Road Department), &c. In bush and heavy - scrub country, work involving a considerable amount of exploration in connection with road access, &o. In heavy forest and swampy country. " Other work " includes exploring for roads, reports and valuations for Board, repairs to trig, stations, &c. In rough forest country. " Other work " is cost of engineering survey (£3 16s. lid. to be recouped by Road Department.) Mr. Hughes commenced work in Westland on 4th November, 1905, thus cost represents rather less than five months' work. Partly river-bed and partly swamp, bush, and scrub. "Other work " includes sixteen miles of river-traverse, four miles coasttraverse, eight miles compass-traverse of track, lakes, and swamp, and grading roadlines, &c. Mr. Richardson resigned from the staff and left Westland on the 21st December, 1905. Partly river-bed and partly heavy bush. Mr. Johnston resigned at end of October to take up work in South Africa. Partly river-bed and partly forest land. Expensive but necessary exploring before settlement. Mr. Webb commenced duties in Westland on the 9th Ootober, 1905, thus nearly six months' work is shown in statement. H. Richardson. Wataroa and One One 705 12 0 ! •6,500 6-0 2,600 15 2-52 215 10 0 ! i J. A. Johnston. Waitaha and Mount Bonar •10,300 2-69 2,383 10 3-08 i 482 12 0 i P. C. Webb. Mount One One, Wanganui, Wataroa, Poerua '16,580 * I 140 2-3 388 16 1 5-16 t

33

C—]a

5— C. 1a

.SSga- i-||o| oi iisi i § § i-i §i a?aj ° aogiCDHo; oo g Ir-rSrl-a g | Si Oft | .- d _J fH SCO |- g Sp5 § «hoh : o hh"..o. a „cs > ■su" ° __■__§ _.S8-._~_|.S "g »= § fl gg-3 -3 a»§ o.-gag S °'5 s g'cl-So?^ a CD &, -h FH ro c3 Qh_o ro . W r* r*N 2-POPfl »43 g'*-"-0 ro rH fl EH EH M W ©~ ~~"©~ © ~ ©~ '- , -^0._3-fl 11?|« mh%3-d* |1 -a Ssa- io§ . a OS'S . Sifla r S-' 3 : A ! s0c3Bt;r at , i»S»c S o,a m „Ho;-?.2c3c32ao 035-c-3 8ftl§„a ."Ss .ilMs co & ,§ a ° a 3 S s -a = s a oo <B _ „ o •§!•-» s B N -?rS.asp;s-gt JS _.S "i2° r.2| g =« 6D-3 s? 3 i_ -ft a "S 8 ° fc M 5 o a a '-S &>£ __ -fl 2 ©"_ •flllla i-rfj«ill 1° jf iir« J^l? M l48ft8f:^1'aBjjaa|ig O § CO *,--?-£ Oft" *g_ 11 i i-lc|i_«jiM§i.r3.Sfl! i sa|§ liStS PM IO Oh" _ _._____... _____ ™ , rH JO H rH " rH | rH O in H4 -c-j- rH iO rH rH cc, a rH CC- © *fl © rH rH O © GO CO rH CM © O IA CO ID Ol rH CO 00 00 HI fcCO CM 00 th# L— CM rH UO CM CO © GO fc- rH CM Ol rH CO © rH oi © t- © 0 O oo rH © >n o JO o © co io m o __ ; ____. © rH ; ; : : ob rH rH CM CM CM OJ rH OJ I cm' CO : ; '. os . " -H rH I fcrt". rH © ■ ; ; ; ib ** 4n . . . rH rH lO © O © CT. © CD CC- rH rH © rjH m t>» CD g fl CO N, c5 rfl P. ro o CO. o P2 fi pq fi ' H rH < o : : ion o EH . O . fi tH cc ■ : rH Q - — I " " ' ' 1 I Q < ______ CO r-i © ; '. '. © . CO I © © . CO CO rH rH CM OJ © CM Ol © CM Ol CM ib iO CM rH IO rH * fl c3 « -a CO PC co ro" O) r—t rH 00 5 fl fl ° (S ft ttj « Q io t- : ; cb t- — io : : oi . _ © rH ~~" CO rH iO CO Ol rH ip CO © CO © crH © © m CO tH CQ CO c3 CM I If • a a t> g % >> S 5 2 PQ 1 ° - i fl s cd « 8 "B ■ a 2 03 fi B HH CJ3 oo o oo ft C3 VH _ g £ £ Q l-_ r-i CM I rH "»b" CM rH CO © jo © CM CM CO >n CM O " CO ; 9 o° CO. rH O o CO. CO GO '"" J rH | OJ CM CM" © rH Ol oY rH _____ _____ _ L CO © I Ol CM CO CM o CM I I m j rH " rH trH © fc- © GO GO rH CM © CO I CO rH rH i • coPH 6C _ °=1 2| 18 s M 3 Hi i'cfi . 3 AI fl CD CO CD .3 O C.h »h .14 a pq<s-fo-rH _••§ Sh' HO Olf ". tH B.2 .a tjD O co - a _ cs pa a M 'r» o,? "a 8 S -» 3 So 5*H? 111 CO "3 I „ o a I w B O OJ coo s cs" p CJ3 JjS H JO CD 15 r4 ro !>» fl ro C CQ CO " Q cfl „ O -fl fl ce CQ fl _ CD a

34

C—lA

Table 1. —RETURN of Field-work executed by the Staff and Contract Surveyors, from 1st April, 1905, to 31st March, 1906—continued.

Minor Triangulation and i Topographical Survey. Rural and Suburban. Town Section Survey, j Nativ | Conrt Roads, Eail-(iold-imning Surveys. ways, and Other Work. ' Water-races. Total Cost of Surveyor and Party from 1st April, 1905, to 31st March. 190P. Snnreyor snd District. I __ . ». j j< ig i Cost ! Acres. Se N c ?; o °' ■ - g I S ' Per , Cost. o "*! ! Slile. I L I 3 I __ Remarks. Acres. « g i i ° Acres. 6 -g| t Acres. o ® > ■*=» 5 Acres k9 ;5 'A J LAND DISTRICT OP OTAGO. d. 9! ll s. 1-11 34 21-62 1 a. 1 i ...... ! -28 4 8. 2-74 i £ £ s. d. 132 0 2: & S. d.l 737 10 6 £130 brought forward from last year. "Rural and suburban " subdivision of part of Steward Settlement and some spotting sections. E. H. Wi'mot. Qneenstown, Lawrence, and Oaroaru ] 12,281 18-0 i 1 ■ 68 16 6: 34! 1 6.00 i D. M. Calder. Naseby and surrounding districts I 22,345 0-60| I • I 744 7 3 I Area returned is mostly a subdivision of Bocklands Station into tbree small grazingruns. Balance small surveys. ! 25-0 i 75 11 9 702 12 7 I 69 : 3132 I ! W. T. Neill. Dnnedin, Greenfield, and Oatnani 8,279 ■2V 1-19 i -■ j 6414 15s. 2d. brought forward from last year, and £443 9s. 9d. carried forward for unfinished work. "Rural work" includes 7,882 acres of Greenfield Settlement not returned last year. G. Mackenzie > 5 10 0 100 1 1-10 J. Sppnce (temporary Surveyor) .. 87 44 1896 ' 1 82 9 6 Subdivision of ferry reserve on Greenfield Estate. 1 L. D. Macgeorge (private Surveyor) 113 1-77 1-5 80-00 14 0 0 Surveyed for fees deposited by applicants. •• 1 - Means and totals 43,2io! 162 3 42 271 8 5 2,286 9 10 ;■■ 181 0-90; [ 44-5 104 J 23-61 5 Mining Surveys b;/ Private Survey OT'S. L. D. Macgeorge ... John Edie L. O. Bea] C. 0. M>K.ellar H. J. Williams .. C. C. Ware J.W.Johnston.. .. . ■.. I I ; !' j ! •• I I .. 1,308 526 325 50 .. j .. 43 .... 63 29 15 11 1 I 2 1 1 3-38 4-69 4-09 4-46 5-27! 7-71J 3-95| i ,. j I I 1 I i .. .. i • .. I ■• I ■• - i •• I Means and totals I • • •• i ; 2,341 60 3-91 i ■ • Grand means and totals ' ■■ 43,210! 181 0-90; 44-5 104! 28-61 ■2,503 63 3-88^ 271 8 5 2,286 9 10 ■ i i

35

a—ia

Staft Surveyors. h. O. Mathias (District Surveyor), Wairau District B, H. Wilmot (District Surveyor), Kingston, Mid and South Wakatipu W. D. R. McCurdie (District Surveyor). Toetoes District and Borough of Invercargill G. Ocway (temporary Surveyor). Alton, Waiau, New River, Hokonui, Oteramika, Toetoes, Winton, Lindhurst B. G. Christophers (temporary Surveyor). Hokonui, Winton, Forest Hill, Taringatura, Lillburn, Monowai L. AND DISTRICT OP SOtH 'HLan: ■ ! " ' ! •• 314 3 1-4 .. .. j .. - .. 63 9 1 63 9 lj 22 6 31 Died, 18th April, 1905. Work done for Railway Department. Otago Staff Surveyor. ! •■ ! 1 20 94 16 1 114 16 1 Commenced duties, 6th September, 1905: retired, 31st December, 1905. •• •• I ] ■ .. j 10,132 79 2-25 . 6-25 6 I 7 15 8 599 1 10 I All bush country. Work m progress. Cost to da,te, £43 15s. 4d., to be carried forward to next year. ! i I 28 2-3 ! . ! ! 2 13 7 717 14 7j Mostly bush. Surveys widely scattered. Cost of unfinished work, £218, to be carried forward to next year. .. t 4,984 - ! Authorised Surveyors. N. L. Falkiner. Waikawa, Otara, Oteramika T. S. Miller. Longwood, Aparima i .. j 1,661 9 1-5 •2 1-9 .. ., .. .. Paid by fees deposited by applicants. Mostly rural. Paid by fees deposited by applicants. Sawmill areas. Paid by fees deposited by applicants. Half sawmill areas. Paid by fees deposited by applicants. Sawmill areas. Paid by fees deposited by applicants. Mining. •■ .. I 400 i i E. C. Basstian. New River, Hokonui, Preservation H. R. Dundas. Longwood, Oteramika, Aparima P. B. Macdonald. Wendon J. W. Johnston. Wakaia, Waikaka, Wendon James Blaikie. Waikaka, Chatton L. O. Beal. Wendon _. .. ; 775 4j 1-9 •• ! . .. J .. 1,442 8J 2-1 I ; • ...... •• I i .. j .__ 127 241 2 9 4-7 5-6 ■■ i I .. .. .. •• - .. .. , ! ■ i I 2 1 4-7 15-7 - 92 i •■ " w "• •■ •■ .. i * m Means and totals .. 19,708 138 2-2 5 i i 5-24 7-25 7-93! 168 14 5 1,517 7 10 .. .. .. 464 464 14

36

C—la

Table 2. —Showing Surveyors employed and the Work on Hand on 1st April, 1906.

Table 3. —Plans placed on Crown Grants and other Instruments of Title from the Crown from 1st April, 1905, to 31st March 1906.

Table 4.—Work done under the Land Transfer Act, &c., from 1st April, 1905, to 31st March, 1906.

Table 5.—Lithographs and Photographs printed and sold, from 1st April, 1905, to 31st March, 1906.

Approximate Cost of Paper.— Preparation, not given ; printing (1,950 copies), £35 9s. 6d. By Authority: John Mackay, Government Printer, Wellington.—l9o6. Price Is.]

Surveyors employed. ■or! on !aii' Chief Surveyors. Staff. Temporary. District. i Trig. 1 Settlement. Native Boads, T . .. Blocks, &c. &c. w Mining :and Mineral Leases. fames Mackenzie S. C. Gold Smith Francis Simpson ohn Strauchon .. Y. G. Murray .. lenry Trent i. J. Roberts Lhos. Humphries >. Barron '. Hay 9 2 3 8 4 2 2 2 3 ■ U 3 5 3 4 2 I 8 • • 2 Auckland Hawke's Bay Taranaki Wellington .. Nelson Marlborough Westland Canterbury .. Otago Southland .. Sq. Ml. 110 594 23 219 Acres. 179,000 62,400 110,627 85,466 79,267 37,960 45,500 14,256 63,680 3,203 Acres. 50 54,516 Miles, i Acres. 213 5 42 16| 50 12 ! 118 57 34 133 Acres. 4,524 145 "57 131 I *8 iii I .. Totals 35 38 1,091 687,359 59,147 5321 176

Number. ic Cost. lieSingly. In Duplicate. In Triplicate. In Quadruplicate Total Copies. Auckland Hawke's Bay Taranaki Wellington .. Nelson Marlborough Westland Canterbury .. Otago Southland 3 9 10 1 46 59 23 29 160 29 124 52 121 26 440 59 40 220 132 20 41 24 232 238 181 73 47 98 102 129 268 37 43 2,139 587 363 1,120 1,125 634 1., 443 388 938 938 & s. d. 108 8 0 39 6 3 31 0 5 114 0 0 84 7 6 91 6 0 120 1 3 52 9 0 152 0 0 105 8 0 64 Totals .. 898 6 5 87 069 1,446 978 9,675

District. No. of Plans passed. Deeds and other Instruments passed. Number of Plans placed on Certificates of Title. Singly. In Duplicate. In Triplicate. Miscellaneous Plans drawn or compiled. Cost. Auckland Hawke's Bay . .• Taranaki Wellington Nelson Marlborougti .. Westland Canterbury Otago Southland 381 180 85 413 58 27 26 339 64 102 * 3,095 148 * 3 4 50 15 31 13 8 I 585 289 2,960 201 71 91 1,910 696 496 54 114 "S7 21 5 41 924 20 17 £ s. d. 1,350 15 0 450 19 7 278 3 9 1,371 19 6 90 0 4 46 1 0 211 7 10 976 8 11 301 19 10 270 0 0 2,362 1,190 363 27 18 Totals 1,675 7,158 124 7,299 231 1,047 5,347 10 9 * Information not available.

Distriot. Number of Lithographs printed. , , „, . , Amount of Fees received Number of Photographs from gale Qf M anfl P rlnted - L.thographs Auckland Hawke'a Bay Taranaki Wellington Nelson .. Marlborough Weatland Canterbury Otago Southland 4,050 £ s. d. 109 8 4 18 12 6 36 10 G 65 5 4 10 17 0 10 1 0 5 11 6 59 14 11 26 4 6 37 14 9 880 Totals 380 0 4 4,930

c.

C.i.

This report text was automatically generated and may include errors. View the full page to see report in its original form.I whakaputaina aunoatia ēnei kuputuhi pūrongo, e kitea ai pea ētahi hapa i roto. Tirohia te whārangi katoa kia kitea te āhuatanga taketake o te pūrongo.
Permanent link to this item
Hononga pūmau ki tēnei tūemi

https://paperspast.natlib.govt.nz/parliamentary/AJHR1906-II.2.1.4.2/1

Bibliographic details
Ngā taipitopito pukapuka

DEPARTMENT OF LANDS: SURVEYS (ANNUAL REPORT ON)., Appendix to the Journals of the House of Representatives, 1906 Session II, C-01a

Word count
Tapeke kupu
26,317

DEPARTMENT OF LANDS: SURVEYS (ANNUAL REPORT ON). Appendix to the Journals of the House of Representatives, 1906 Session II, C-01a

DEPARTMENT OF LANDS: SURVEYS (ANNUAL REPORT ON). Appendix to the Journals of the House of Representatives, 1906 Session II, C-01a

Log in or create a Papers Past website account

Use your Papers Past website account to correct newspaper text.

By creating and using this account you agree to our terms of use.

Log in with RealMe®

If you’ve used a RealMe login somewhere else, you can use it here too. If you don’t already have a username and password, just click Log in and you can choose to create one.


Log in again to continue your work

Your session has expired.

Log in again with RealMe®


Alert