Page image
Page image
Page image
Page image
Page image
Page image
Page image
Page image
Page image
Page image
Page image
Page image
Page image
Page image
Page image
Page image
Page image
Page image
Page image
Page image
Page image
Page image
Page image
Page image
Page image
Page image
Page image
Page image
Page image
Page image
Page image
Page image
Page image
Page image
Page image
Page image

1

1908. NEW ZEALAND',

NATIVE LANDS AND NATIVE-LAND TENURE: INTERIM REPORTS OF NATIVE LAND COMMISSION ON NATIVE LANDS IN THE WAIAPU COUNTY.

Presented to both Houses of the General Assembly by Command of His Excellency.

To His Excellency the Governor. May it please Your Excellency — We have investigated the Native land known as Tauwhareparae Iβ and If, near Tolaga Bay, and we recommend that it lie set aside and reserved for Maori settlement, and that an Order in Council be issued accordingly under section 10 of "The Native Land Act, 1907." We have the honour to be Your Excellency's humble and obedient servants, Robert Stout, A. T. Ngata, Commissioners. Rotorua, 18th January, 1908. May it .please Your Excellency,— We have the honour to forward a further report on Native lands under the Commission issued to us dated the 21st day of January, 1907. We propose to deal with the Native lands in what is called the East Coast District under the heading of counties, and in this report we deal with the Waiapu County. Waiapu County. The Commission sat at Waiomatatini, near Port Awanui, from the 9th to the 12th of December, 1907, both inclusive, and later sat at Waipiro Bay and Tokomaru Bay, to deal with lands in the southern portion of the county. Wo have placed in an appendix to our report an address delivered by Mr. Ngata at the opening of the Commission at Waiomatatini. This address gives in a succinct form the early history of the Native-land question in this county. The area of the Waiapu County is 705,228 acres, approximately. Of this area 150,000 acres were acquired by the Crown, and 172,000 acres sold to Europeans, making a total of 322,000 acres the freehold of which the Maoris have parted with. They own a balance of, roughly, 380,000 acres, of which 113,025 acres are under lease to Europeans. The first land was obtained from the Maoris mainly through the influence of Sir Donald McLean, who asked the Maoris to sell the interior land, keeping the sea-coast for their own use. The price given to the Maoris for the inland land was from Is. to 3s. per acre, and most of it went to the Crown. Other portions were sold to Europeans at from 2s. to ss. an acre. Between 1876 and 1893 large areas of the lands reserved from sale, and lying generally to the south of the Waiapu River and between the sea-coast and the lands sold, were leased to Europeans. They comprise the well-known Waipiro, Tuparoa, Taoroa, and Tokomaru leaseholds. We show in the First Schedule to this report the lands which are now under lease to Europeans, and the unexpired terms of the same. In the Second Schedule are shown the lands, the titles to which have been ascertained, which are now under Maori occupation or which are desired to be reserved

I—G. i.

G.—i

2

for Maori occupation. The schedules specify the mode proposed for disposing of the same. In the Third Schedule are shown the lands, the titles to which have been ascertained, which are proposed or are available for general settlement. The area available for this purpose in the county is limited for the following reasons : — (1.) The bulk of the lands suitable and available for general settlement are papatupu —that is, the titles have not been ascertained definitely. We propose to deal specially with these blocks. (2.) Some large blocks which might have been dealt with under Part I of " The Native Land Settlement Act, 1907," have been leased privately by the Maori owners to European tenants, either through their committees, in the case of incorporated lands, or by individual owners signing the instruments of lease. (3.) A number of small blocks are suitable for Maori occupation, and, indeed, the owners had arranged to lease the same to some of their number. Leases for these had been partly executed, and in most cases the proposed Maori lessees had entered into occupation and made improvements on the understanding that leases would be issued to them eventually. • Papatupu Lands. We give a list of these lands in the Fourth Schedule, showing that the total area is 149,285 acres, approximately. A full and detailed statement is given in the schedule of the position of each block. We can, however, only give a tentative opinion about these lands. The Legislature by the Act of 1907 has limited to lands the titles to which have been ascertained the scope of recommendations we may make and which can be given effect to under that Act. The main papatapu blocks lie to the north of the Waiapu River, in the north and north-eastern part of the county. But, even though the title has not been ascertained, considerable improvements have been made on much of this papatupu land. The improvements are set forth in detail in the schedule, together with the stock depasturing on the occupied lands. These people do not seem to have hesitated, of late years at any rate, to enter upon some of their tribal lands and to carry out their methods of farming, which have proved fairly successful on the lands which have passed the Court. They cannot be blamed for the action they seem to have been forced to take in the year 1894, owing to the indiscriminate purchase by the Native Land Purchase officers of portions of their papakainga blocks, of withdrawing the papatupu lands from the jurisdiction of the Native Land Court. The position can only be retrieved by the prompt settlement of the long-standing disputes as to tribal and other claims by means of the Native Land Court. We are glad to have the assurance of the Native Department that arrangements have been made for the Court to hold a prolonged sitting at different places in the district to deal with these papatupu lands.* The foundation for the inquiry into at least one-half of the papatupu area has been laid by the Block Committees under " The Maori Lands Administration Act, 1900." They seem to have taken a good deal of evidence, which should narrow the issues down considerably for the decision of the Court. We estimate that when the titles are ascertained one-third at least of these lands will be available for general settlement. Maori Farming. In a general review of the position of Native lands in this district we cannot ignore the progress made by the Maoris in utilising their lands according to modern methods. So far as we have proceeded with our duties, this district impresses us the most as to the ability of the Maoris to become sheep-farmers and graziers. The various schedules to this report show that they have cleared of bush and grassed 57,000 acres of land, and that they are possessed of 83,000 sheep and 3,200 head of cattle. From the census returns of 1906 we have ascertained that, in addition, they have 8,200 pigs and many horses. They have fourteen wool-sheds, as well kept as any kept by sheep-farmers in the Dominion. In three sheds up-to-date shearing machinery was installed last season, and we are informed that, owing chiefly

* The Court commenced its sitting on the 1 3th February.

Ci.—i

3

to labour conditions and a laudable desire to emulate others, it is proposed to introduce machinery into other Maori sheds. The Maori farms are carefully fenced, and improved in a satisfactory manner. In fact there is amongst the Maoris of the east coast an enthusiasm for farming not so noticeable in other districts we have so far visited. Their success up to the present warrants their looking forward with hope to further development of the sheep-farming industry. There are 2,600 Maoris in the county. Considering their number, and that the land is chiefly pastoral, unsuited for agriculture and close settlement, we do not know if the area that is possessed by them is too great for their own development. It would, in our opinion, be calamitous if the Maori development that has taken place in this district should be in any way interfered with. On the other hand, more liberal provision should be made for them. We may state that there are, roughly, 900 Europeans in the district, of whom 120 are landowners or occupiers of land, holding an area of 450,000 acres, if the Native leaseholds are included, or an average area of 3,750 acres per head of the sheep-farmers, or 500 acres per head of the European population. This is a far larger area per head than the Maoris hold, even if their papatupu lands were included. We have directed special attention in this district to the possibility of mdividualisation. In the various schedules of lands the titles to which have been ascertained it will be seen that a feature of these lands is the congestion of the titles. The bulk of the Maori population hold small individual interests in many different blocks. There is hardly one block which can be conveniently individualised. The experience of the people seems to have dictated, on the lands they are farming, the consolidation of the various blocks or subdivisions thereof under committees, which had a general direction and supervision of the farming operations. With the exception hereinafter referred to, individualisation of title in this district, in the sense of allocating to each owner his individual area, is hopeless and absurd, and the only chance of the land being worked is by co-operation amongst the Native owners, or by arrangements that will give to some of the owners the exclusive right to farm and occupy the tribal or hapu lands under a system of leasing. The Maoris have realised this, and have asked us, in almost all cases where their lands are to be held for Maori occupation and are of any considerable area, that they should be worked on the " incorporated system." This system has had a trial. One block has been successfully carried on under it since 1889, and the members of the committee that has had the control of the block and the farming operations have held office with few changes during all these years. This block or group of blocks has been properly and securely fenced and subdivided, and it has suitable farm buildings for the working of the property. The buildings are equal to similar buildings on European pastoral lands, and the stock are reputed in the district to be equal to the average on lands farmed by Europeans. The management is equal to the most approved pastoral farming. The labour is supplied by Maoris and generally by the owners or their families. All the details of the farming operations are carried out and settled by a competent manager, who is paid a salary. At the end of each financial year the accounts are made up and adjusted, and the profits divided amongst the owners according to their respective interests in the land. The committee is responsible for the general policy of the improvements, and has general supervision of the finances, and is the sole authority for declaring a dividend. But the details are left to the manager. The Maoris are a communal people, and this system, which preserves a community of interest, but also allows and rewards individual exertion, may be the best means of creating a better industrial life amongst a communal people. This system of incorporation is new to our Dominion, and has not, so far as we know, been adopted in any part of the world in dealing with farming pursuits. It is a union of capital and labour, for the labour on the incorporated blocks is almost wholly supplied by the landowners or their relatives. In these days, when so many social" experiments are being tried, this system merits consideration and careful watching. There is nothing we know of that could hinder it being adopted by Europeans. If ten, twenty, or thirty families of colonists were to obtain a block of land either by purchase or on perpetual lease, and to manage it as the Maoris manage these incorporated blocks, perhaps a higher village life might be led and true altruistic

G.-i

4

communities formed. For under this system labour is paid at the current rates, and the holder of what may be called the " stock " or " capital " gets the profits ; but, as the holders of the " stock " are also the workers, they reap directly not only the reward, but the profit of their labour. Further, the settlers would not live apart on separate farms, but their houses would be close to each other, and thus there would be a better social life than in many country districts. There would be closer social communication. The drawback to country life is often the want of a village or town life, the absence of social intercourse, and the lack of art, music, and literature that are common to most towns. How is country life to be made popular ? How are country settlers to have all the privileges and pleasures of town life whilst they enjoy the great benefits of an open-air country life ? This is one of the many social problems of to-day. There have been many communities started in country districts in other countries to enable their members to reap the advantages of such a life. Most of them have been based on a community of goods as well as of life, and there has been less scope for individual effort or exertion than is open in individualistic communities, and even where such communities have had a strong religious sanction, few of them have existed for any great length of time. The communistic societies that have been started in the United States of America under various conditions have almost all been failures. One community, the Oneida Creek, lately abolished its communal system, and created its members into a cooperative or joint-stock company. Its members work and are paid for their labour. They have stores, &c, that supply their wants, and dividends are paid to the stockholders. Since this system has been inaugurated we understand the community has been fairly successful. All over the civilised world a search is being made for some new social system. Who knows but that the goal of a higher social life may not be reached through some such system as the Maoris in this district are trying ? It is not for us to predict what the end of the experiment may be. It may be a step towards a more intelligent system of individualisation, not on the basis of the tribal, or hapu, or family subdivisions according to Native custom, but on the basis of the most fit receiving a title to occupy portions of the communal land and farming thereon independently of communal restraint. It is significant that the younger generation on the new lands now being occupied favour leasing where the conditions do not admit of individualisation, whilst at the same time the village or kainga life is preserved. It is enough to say that in our opinion the system now in vogue should receive a full and fair trial, and that the Maoris should be helped to realise their aim—namely, to have the best industrial methods and an educated people, whilst that communal life which allows close social intercourse should not be wholly destroyed. That the tendency towards progress is not limited to farming the land is shown by the evident anxiety of the people to have their children properly educated. For example, in one kainga they asked for a school, which was refused. They then offered the Government to contribute £200 towards the school buildings. The offer was accepted ; the school has commenced. Recently they have thought of raising funds for the erection of small hostels or nursing-homes, where competent nurses could be stationed to assist the medical man in charge of the district. We have a further evidence of their self-reliance in the fact that at their own cost and under their own management they have erected about two hundred miles of tele-phone-wire, with the result that all their main settlements are now connect' d by telephone, which is proving indispensable in the organization of the many schemes for the tribal welfare. We have taken all these facts into consideration in judging of the land question in the district. It is due to the European settlers of this progressive district to say that they have assisted to the best of their ability the farming operations and the schemes of social advancement of their Maori neighbours. The local storekeepers, the settlers—notably the family of Williams, that occupies the Tuparoa and Waipiro Runs—have made Maori farming possible by rendering financial assistance, in most cases on insufficient security. They have put the Maoris on the way towards improved methods of farming, and educated them in proper business methods of managing their stock and disposing of their produce to the best advantage. The County Council have always been on the best terms with the Maoris, who are rapidly

5

G.—i

recognising their responsibilities for the maintenance and construction of public works. We are assured that with the settlement of the titles of the papatupu areas a very great increase in the realisable assets of the local body will result, and that within a short space of time no land under Maori occupation will escape its proper liability for local rates. General Remarks. A large area of the Native lands now leased to Europeans will revert to the Maori owners in six or seven years. We are of opinion that, with regard to the bulk of the lands included in the Tuparoa and Waipiro leaseholds, an opportunity should be given to the owners to consolidate at least the family holdings. We have made representations on the matter to the Hon. the Native Minister, and a copy of our letter to him of the 6th instant will be found in the Appendix hereto. The area affected is over 50,000 acres of execllent pastoral country. There are more than five hundred owners in the larger blocks. We are confident that, with the assistance of an officer of the Native Department and an officer of either the Valuation or the Lands and Survey Department, the owners will be able to arrange the details of exchanges and the consolidation of their family holdings. Legislation will be necessary to carry out the proposals; but if the consolidation is effected the settlement of this large area will be greatly facilitated when the leases expire. Though the average quality of the land in this county is excellent and the bush lands reported to be extraordinarily rich, the broken nature of it, the predominance of the papa formation, and its tendency to slip, and the difficulties of land and sea communications will always stand in the way of close settlement. The pastoral areas should no doubt be cut up into smaller areas than are now held. But the lands that will be available for general settlement within the next two years must be disposed of in fairly large areas in order to attract settlement. Our recommendations are set forth in detail in the various schedules. We have the honour to be Your Excellency's humble and obedient servants, Robert Stout, A. T. Ngata, Commissioners.

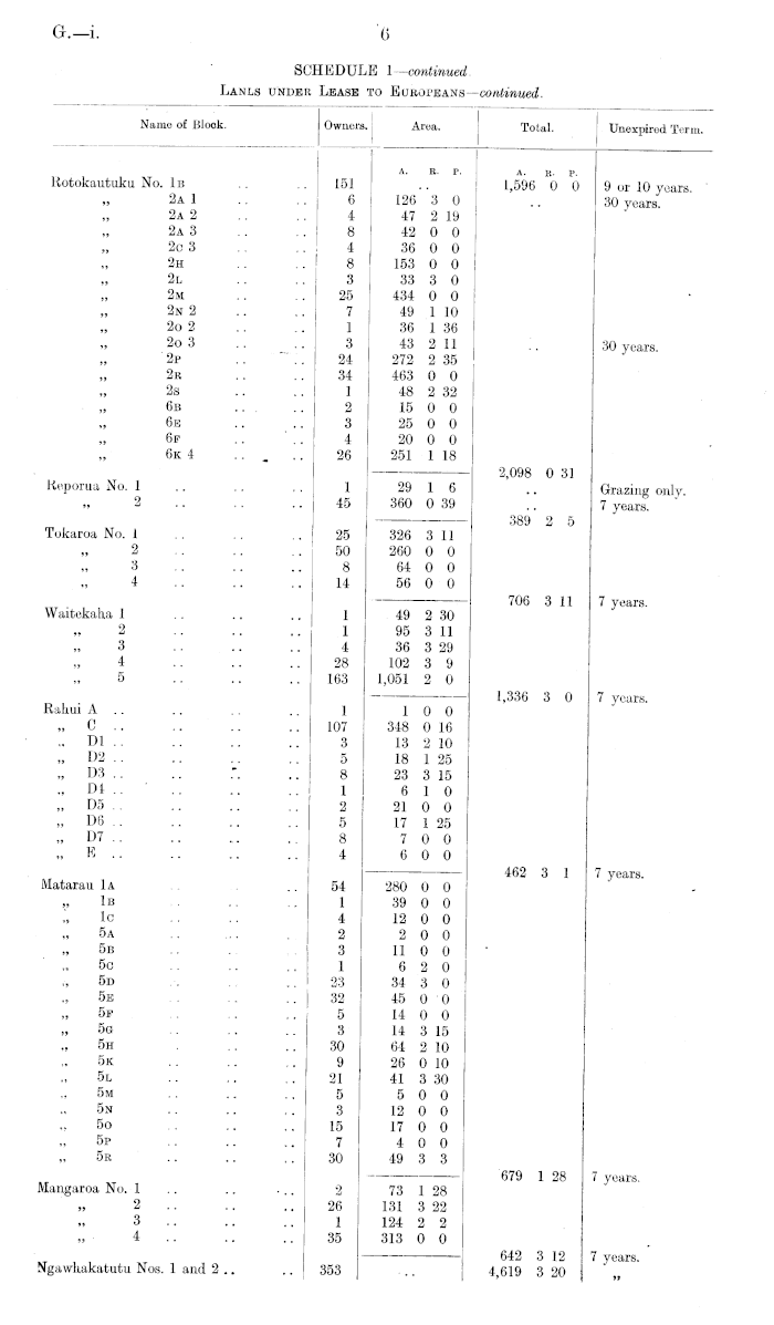
SCHEDULE 1. Lands under Lease to Europeans.

Namj i/f iiiock. Owners. Aroa. Total. Unexpired Term Matakaoa .. Whakaangiangi 5b 2b 2 2b 3 2b 4 4b 2 4b 3 63 18 1 5 25 5 A. It. P. A. K. P. 2,780 0 0 I 8 or 9 ytiars. ■ i 290 2 1 27 0 0 40 0 0 262 0 0 40 0 0 Maraohara B Pohautea .. Waiorongomai Tiikamorc .. „ No. 1 .. 214 1 428 26 19 659 2 1 1,067 1 0 445 0 0 13,595 3 0 7 or 8 ye;! re. i 7 years. ; ' 35 wars. : 750 0 0 250 0 0 « 1,000 0 0 I

G.-i.

SCHEDULE 1 —continued. Lanls under Lease to Europeans—continued.

6

Name of lilook. Owners. Area. Total. Uuuxpired Term. A. B. P. a. k. p. 1,596 0 0 Rotokautuku No. Iβ 2a 1 2a 2 2a 3 2c 3 2h 2l 2m 2n 2 2o 2 2o 3 2p 2r 2s „ 6b 6b 6f 6k 4 151 6 4 8 4 8 3 25 7 1 3 24 34 1 2 3 4 26 126 3 0 47 2 19 42 0 0 36 0 0 153 0 0 33 3 0 434 0 0 49 1 10 36 1 36 43 2 11 272 2 35 463 0 0 48 2 32 15 0 0 25 0 0 20 0 0 251 1 18 9 or 10 years. 30 years. 30 years. Keporua No. 1 2 1 45 29 1 6 360 0 39 2,098 0 31 389 2 5 Grazing only. 7 years. Tokaroa No. 1 2 25 50 8 14 326 3 11 260 0 0 64 0 0 56 0 0 3 4 Waitekaha 1 2 3 4 5 1 1 4 28 163 706 3 11 7 years. 49 2 30 95 3 11 36 3 29 102 3 9 1,051 2 0 1,336 3 0 7 years. Raliui A .. „ C .. „ Dl .. „ D2 .. „ D3 .. ,. Dl .. • .. „ Do .. „ D6 „ D7 „ E .. 1 107 3 5 8 1 2 5 8 4 1 0 0 348 0 16 13 2 10 18 1 25 23 3 15 6 1 0 21 0 0 17 1 25 7 0 0 6 0 0 7 years. Matarau Iα i, Iβ lc 5a „ 5b 5c 5d 5b „ 5f „ 5g „ 5h 5k 5l „ 5m 5n 5o 5p 5r 54 1 4 2 3 1 23 32 5 3 30 9 21 5 3 15 7 30 280 0 0 39 0 0 12 0 0 2 0 0 11 0 0 6 2 0 34 3 0 45 0 0 14 0 0 14 3 15 64 2 10 26 0 10 41 3 30 5 0 0 12 0 0 17 0 0 4 0 0 49 3 3 462 3 1 Mangaroa No. 1 2 .. 3 .. 4 .. 2 26 1 35 73 1 28 131 3 22 124 2 2 313 0 0 679 1 28 7 years. 642 4,619 3 12 3 20 Vgawliakatutu Nos. 1 and 2 .. 7 years. 353 n

G.—i

7

SCHEDULE 1—continued. Lands under Lease to Europeans— continued.

Name ot Block. •wnere. Area. 'otal Fnoxpirei crm Manutahi No. 1 2 .. 8 231 A. r. p. 221 3 0 471 0 0 A. r. r. 692 3 0 7 years. Mangaharei No. 1 .. 2 .. 8 33 92 0 0 587 1 0 Ngamoe No. 1 2 3a .. 3b .. 4a 4b .. 145 10 12 142 12 142 679 1 0 7 years. 5,980 3 12 220 0 0 50 2 0 935 3 26 24 0 0 468 3 2 7,680 0 0 7 years. Wliareponga No 1 .. 3 .. 42 55 240 1,356 1 7 0 29 12 84 1,596 1 16 7 years. VVaitangi No. 2a 2b .. .. - 47 414 2 0 0 0 461 3,088 2 0 3 0 7 years. Matahiia Waiaranga No. 1 .. 3 .. 123 101 14 738 0 0 60 2 25 »j 798 899 3 0 0 0 7 years. Taikatiki .. Tapuaeroa Iβ Less area for lease to Maoris.. 79 184 3,307 2 1,800 0 0 0 »? 185 244 24 2 2 5 2 12 35 11 47 11 119 1,507 6,598 750 2 0 0 0 0 0 21 years. Tapuaeroa Iα Ahiateatua B Makarika A C D E F G H J K L M 67 1 38 15 0 0 15 0 0 30 0 0 11 0 0 66 3 0 145 3 0 40 0 0 60 0 0 31 0 38 288 2 38 »> >? 21 years. Orua No. 4 5c 3 130 100 1 15 1,550 0 0 770 3 34 Hauami B Taoroa 2d 1 „ 2d2 „ 2d3 * „ 2d 4 „ 2d 5 „ 2d 6 „ 2d7 „ 2d 8 „ 2D 9 Waipiro No. 1 3 4 5 52 n 12 ! 22 13 7 - 45 I 20 9 46 I 124 ' 56 123 111 1,650 270 1 15 0 0 21 years. *» 2,603 0 0 About 12 years 8,825 3,149 9,926 3,026 i 3 0 i 0 i 0 0 0 0 0 7 years. Kaupeka-a-Haumia Rangikoh.ua No. 4 .. Paliiitaua No. 1 4 .. % 81 13 24,926 960 2,483 3 1 3 0 0 0 »s 217 0 512 1 0 0 JJ 2 7 13 729 1 0 7 years. Waihoa No. Iα Iβ Iγ 23 2 0 140 0 0 650 0 0 813 2 0 7 years.

G.—i

8

SCHEDULE I—continued. Lands under Lease to Europeans— continued.

SCHEDULE 2. Native Lands the Titles to which have been ascertained, and recommended to be reserved for Maori Occupation under Section 54 of "The Native Land Settlement Act, 1907." A. Lands now under Lease or proposed to be leased to the Maoris specified.

Narao of Blcck. Owners. Area. Total. Unexpirod Terra. iSTuhiti No. 1 2 6] 22 A. R. P. 3,760 3 0 340 1 0 A. R. p. Tangoiro Marahea .. Taumatapatiti 3 Anaura (part) Waioue Tokomaru Bl K4» K4c B9d B9g B4b 1 .. B4b 2 .. B4b 3 .. B6a B6c B6d BIOa BIOb .. BIOd .. B5a B5d BSe B5f K6 K7 K8 49 55 ? 36 29 6 4,101 348 441 213 5,100 146 0 1 3 1 0 2 0 0 0 0 0 0 7 years. 101 1 0 1,500 0 0 1,104 0 27 95 3 11 29 0 13 43 3 36 87 2 28 79 1 20 1 0 17 9 0 34 52 2 22 19 1 11 30 1 9 184 3 1 75 0 37 35 1 5 432 0 25 93 2 24 884 2 0 669 1 0 285 2 0 3 years. Various terms 5 9 15 Taumatapatiti Iβ Tuakau-Pirauau Iα.. 1b2 1 •• Tauwliarcparae 1e .. 8 11 50 5,814 1 0 669 3 0 Various terms 3,500 0 0 314 0 0 80 0 0 3,894 0 0 256 0 0 Various terms. 5 Total .. 113,024 3 14

Name of Block. Ownera. Area. Remarks. Special Recommendation. A E. P. 823 :t 23 Leased to Mikaera Powhairangi. Really family farm. liOased to To Iwingai'O Potao. leased to Goorgo Rylands (h-c.) Ix'aso to Nopia Mahuika not complete Lease to Wi Popoiono not completo Undor negotiation .. * Tokomaru K5 6 Tauwhareparae 2a Tawhiti Ie .. Wliakarei No. 1 25 40 41 1,042 0 21 771) 1 (» 110 3 0 That block h> loased to Nepia Mnluiika. To bo leased to Wi Peporene. Wharau No. 3 Tapuaehikitia 2 Arataha No. 1 32 14 ■ 48 247 0 0 I 186 0 0 j 26 0 0 Arataha No. 2 ttitu No. 2 71 649 0 0 ■2S5 0 0 Part leased to Rvfimira lo Pnni and Pitiroi to Puni Lease to Ihaka Pui and Akiihata Kaua not complete To bn leased to Ratiinira te Puni and Pitiroi to Puni. The interests of Toowai Tiarete and party to bo out out and loased to Teowci Tiarete. The balance tf the block to be loased to Ratimira te Puni and Pitiroi to Puni. 10 acros to be reserved as a papr.kainga. Tho balanco to be leased to Ihaka Poi and Akuhats Kaua. To bo loasod to present lessors. 166 Pukokaahu 1 and 3 .. I f>0 0 0 Loaie to Ronata Pohatu and Joseph Smith not ocmploto Loaso to Hiine Poi and Tutori Poi not complete Undor negotiation for leaoe to Peti to Pu 2 Piikomannka B2 38 '230 0 0 To be leased to prosent lessors. Pipiuiangi .. II 110 0 0 To be leased to Peti to Pu.

G.—i

9

SCHEDULE 2—continued. A. Lands now under Lease or proposed to be leased —continued.

fnote —Over one-half of this area has been taken up and leased or occupied under agreement to lease or by arrangement during the last two years. Of the whole area about 4,100 acres are m grass are now carrying 6,000 sheep.]

2— G. i.

Owners. Area. Remarks. ipecial iecommeni tion. Name of Block. Hauturu No. 2 Taumataomanu 2a .. Whakarei No. 2 Herupara 2d Herupara 2b Waiorongomai 46 101 78 75 32 30 19 0 0 158 0 0 1,013 0 0 941 0 0 119 3 0 113 2 29 One-half leased to Horomona Teopaipa ; about one-fourth belongs to another party under Himiona Apanui Lease to Henare Mahuika being executed. Part farmed by Henare Pereto Unimproved bush land Application for incorporation signed by majority. Land all improved Occupied by Paraone Wahu .. Open land, native grasses, scrub Interests of Himiona Apanui and party to be cut out and leased to Mita Kiwara and Hohua Karaha ; balance to be leased to Horomona Teopaipa or assignee. To be leased to Henare Mahuika, who will transfer half to Henare Pereto. To be leased to Nepia Mahuika. Suggest application proceeding. Committee to lease 60 acres east end (subject to 5 acres papakainga) to Heni Morete. Reserve 1 acre for Renata Pohatu and 2 acres for communal paddock at east end under control of Renata Pohatu. Balance of block to leasp to Renata Pohatu. Interests of Paraone Wahu and party to be cut out and reserved as papakainga. Balance to be leased to Renata Pohatu. To be leased to Hanara Tuhere Maraki. Interest of Rapata Manuera to bo cut out; balance to be leased to Timoti te Kaui. To be leased to Te Auiti Haenga, subject to 5 acres papakainga. To be leased to Te Auiti Haenga. Te Auiti to buy out interests ot other owners in the sheep on this and Pukemanuka C2 Block. 5 acres white-pine bush to be reserved. To be leased to Rapata Manuera for 30 years. To be leased to Rapata Manuera for 21 years. Reserve for Maori occupation. Interests of Kereama Wharehinga and family to be leased to him. Pukemanuka A2 8 10 3 0 All improved and occupied .. Pukemanuka C2 28 105 0 13 All improved Waihuka BlB 14 272 3 3 Partly improved and occupied as communal farm Waihuka B4b 72 2 7 Partly improved 3 Waihooru 2b 6 45 0 0 Waihuka B2b 10 145 0 14 This is further subdivided, and one subdivision belongs to Kereama Wharehinga and party Occupied by Peta Raroa and family Tikapa 3b .. 37 102 0 0 10 acres papakainga ; balance to be leased to Peta Raroa for 21 years. Interests of Peta Raroa and paity to be cut out and adjoin 3b, and be leased to Peta Raroa. To be leased to Mokena Potae and Henare Kohere tor 21 yearB, renewable for further 21 years; first three years free of rent. Tikapa No. 4 44 191 0 0 Taumataomanu 2b .. 54 618 0 0 Heavy bush, unimproved Pakihikura 2 3 4 Tututohora 2a2 12) 85 [ 39 j 44 660 0 0 Unimproved bush and scrub.. To be leased to Hori Mahue and Waiheke Tureia. To be leased to Riwai Te Uhu for 30 years. To be leased to Popata Pariohe. 187 0 0 Part cleared by Riwai te Uhu. Bush land Occupied by Popata Pariohe. Bush land ; some manuka Bush land Papatarata A B Tapuaeroa 2a2 85 76 62 137 0 0} 490 0 0 J 1,383 0 0 To bo leased to Materoa Ngarimu on payment to Anaru Ngamu of compensation for improvements. Aruhemokopuna 1 2 .. 13 28 17 2 01 13 3 33 J All improved To be leased to Pineaha Koia on payment to Patio Akena of survey lien and improvements. To be leased to Hapi Haerewa, subject to papakainga of 30 acres. Interests of Kohere family to be cut out; balance to be leased to Hapi Haerewa. Interest of Ani Kane Roki to be cut out to adjoin Angaanga 2; balance to be leased to Hihi Haerewa for 30 years. Two blocks to be leased to Tuhoro Kawhia. 3 acres to be reserved as papakainga for Henare Wawatai. Maraehara A 90 361 1 0 Has been occupied by Hapi Haerewa and partly improved Kopu ; 86 0 0 Pukemanuhiri 24 105 0 2 Hihi Haerewa occupying. Light scrub and fern Te Angaanga Iα 1C 6 10 10 2 01 66 0 0 J Partly improved Total 12,167. 1 24

G.—i.

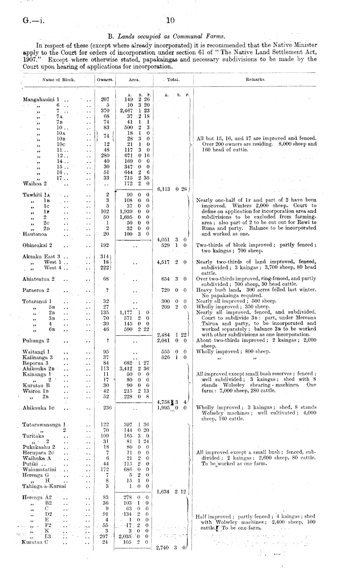
B. Lands occupied as Communed Farms. In respect of these (except where already incorporated) it is recommended that the Native Minister apply to the Court for orders of incorporation under section 61 of " The Native Land Settlement Act, 1907." Except where otherwise stated, papakaingas and necessary subdivisions to be made by the Court upon hearing of applications for incorporation.

10

Name of Block. Owners. Area. Total. Remarks. Mangahauini 1 .. 6 .. 7 .. 7a 7b 10.. 10a 10b 10c „ 11 .. 12.. 14 .. „ 15.. 16.. 17.. Waihoa 2 207 5 370 68 74 83 A. K. P. 149 2 26 10 3 20 2,467 1 23 37 2 18 41 1 1 500 2 3 18 1 0 28 3 0 21 1 0 117 3 0 671 0 16 169 0 0 347 0 0 644 2 6 715 2 35 172 2 0 A. E. P. [74) All but 15, 16, and 17 are improved and fenced. Over 200 owners are residing. 8,000 sheep and 160 head of cattle. 12 48 280 40 30 51 33 Tawhiti Iα Iβ lc „ Iγ ,,2 „ 2c „ 2d Hautanoa 90 0 0 108 0 0 37 0 0 1,939 0 0 1,695 0 0 50 .0 0 32 0 0 100 3 0 6,113 0 28 J 2 3 5 102 50 1 2 20 ) Nearly one-half of If and part of 2 have been improved. Winters 2,000 sheep. Court to define on application for incorporation area and subdivisions to be excluded from farmingarea ; also part of 2 to be cut out for Rewi te Runa and party. Balance to be incorporated and worked as one. 4,051 3 0 529 1 0 Ohineakai 2 192 Two-thirds of block improved ; partly fenced ; two kaingas ; 700 sheep. Akuakμ East 3 .. West 1 .. „ West 4 .. 314) 18 222) 4,517 2 0 Nearly two-thirds of land improved, fenced, subdivided ; 3 kaingas ; 3,700 sheep, 80 head cattle. Over two-thirds improved, ring-fenced, and partly subdivided ; 700 sheep, 30 head cattle. Heavy bush landi 300 acres felled last winter. No papakainga required. Nearly all improved ; 500 sheep. Wholly improved ; 350 sheep. Nearly all improved, fenced, and subdivided. Court to subdivide 3b : part, under Mereana Tairua and party, to be incorporated and worked separately ; balance 3b to be worked with other subdivisions as one incorporation. About two-thirds improved ; 2 kaingas ; 2,000 sheep. Wholly improved ; 800 sheep. Ahiateatua 2 68 654 3 0 Paraeroa 2 ? 729 0 0 Totaranui 1 .. „ 5b „ 2b .. 3b .. ii 4 6b .. 32 27 135 70 39 46 1,177 1 0 571 2 0 145 0 0 590 2 22 j 300 0 0 209 2 0 2,484 1 22 2,041 0 0 Puhunga 2 .. ? Waitangi 1 Kaiinanga 3 Reporua 3 Ahikouka 2b Kainanga 1 2 .. Kuratau B Wairoa Iβ „ 2b 95 37 84 113 11 17 30 42 52 682 1 27 3,412 2 36 50 0 0 80 0 0 90 0 0 215 2 13 228 0 8 555 0 0 526 1 0 4,7581,3 J 0 ,, ii All improved except small bush reserves ; fenced ; well subdivided; 3 kaingas; shed with 8 stands Wolseley shearing • machines. One farm : 7,000 sheep, 280 cattle. Ahikouka lc 236 122 70 109 31 18 7 6 44 172 7 8 3 307 1 36 144 0 20 165 3 0 81 1 24 80 0 0 11 0 0 21 2 0 115 2 0 680 0 0 5 2 0 15 1 0 10 0 Wholly improved; 3 kaingas ; shed, 8 stands Wolseley machines; well cultivated; 4,000 sheep, 160 cattle. Tutarawananga 1 2 Turitaka „ • a . Pukekaahu 2 Herupara 2c Waihuka A Putiki .. Waiomatatini Herenga G . „ H Tahinga-a-Karuai All improved except a small bush ; fenced, subdivided ; 2 kaingas ; 2,600 sheep, 80 cattle. To worked as one farm. 278 0 0 103 1 0 63 0 0 134 2 0 1 0 0 17 2 0 3 0 0 2,035 0 0 105 2 0 1,634 2 12 Herenga A2 B2 „ C D2 E „ F2 .. . K .. „ Ii3 !."■• '■■ Kuratau C 83 36 9 91 4 . 55 3 297 : 24 2,740 3 0/ Half improved ; partly fenced ; 4 kaingas ; shed with Wolseley machines; 2,400 sheep, 300 cattle-!\To be one farm.

G.— i.

B. Lands occupied as Communal Farms —continued.

[Note.— Of the area here shown, about 27,000 acres have been improved, and carry in the winter 43,000 sheep and 1,200 head of cattle.]

C. Other Lands occupied by Maoris or proposed to be reserved for Maori Occupation.

3-G. i.

11

Name of Block. Owners. Area. Total. llemarka. Tokata 201 A. K. P. a. k. r. 3,405 0 0 About 800 acres improved ; little fencing ; 1,500 sheep. Whakaumu A .. B .. Tikapa 5 ,,6 ,,7 Taumata-o-te-Whatui Iα .. Iβ .. lc. Id . . 2a .. 2b .. 2c .. 20 142 96 J 102 ! 65 Q 9 4 13 4 4 14 9 0 0 347 0 0 152 0 0 114 2 0 55 1 0 7 0 15 7 2 5 23 2 23 24 1 17 39 0 20 9 3 6 41 1 L3 1 I Three-fourths of land improved; several kai Bgas; partly fenced ; 900 sheep. 830 2 18 i 458 0 0 One-hall improved. Application for incorporation pending before the Court : these should proceed. The Committee to decide on lessee, subject to Court cutting out interests of objectors. Haronga-a-te-lvaalui, A, B, C, D, and E 253 Pariwhero A B C .. I) 46 125 59 84 286 3 0 145 0 0 61 1 0 - 590 0 0 1,083 0 o) ) These blocks already incorporated. Land occupied by Terei Ngatai, who has cleared over 200 acres. Committee to lease to Terei Ngatai. 500 sheep. Omaika Iα Iβ 2 37 60 74 45 0 0 359 0 0 260 0 0 These blocks already incorporated. 226 acres cleared by Enoka Rukuata, Committee to lease to Enoka Rukuata. Carrying 250 sheep. Already incorporated. Occupied by Iharaira Parapara (now deceased), who cleared 40 acres, to whom Committee intended to lease. Committee to le se to Manihera Parapara. L 664 0 o) 740 0 0 Pakihikura 1 45 Rotokautuku 3 .. 6k 1 6k 2 6k 3 1 7 8 18 243 0 0 40 1 9 88 3 12 80 0 20 Improved. To be worked as one farm. Court may exclude any subdivision if desirable. 800 sheep. 461 1 1 Total 41,482 2 5

Name of Block. Owners. Area, Total. Remarks. 16 67 A. u. l'. A. it. P38 0 0 191 0 0 Reserve as a papakainga. All cleared ; partly fenced. Further disposition awaits adjustment re sheep on land. Reserve as papakainga. All improved. For papakainga. "No remarks. For papakainga. Herupara 2 a Te Wharau 2 Arataha 3 Tikapa 2 3a ,,1 14 8 42 28 54 0 0 114 3 0 32 0 0 '34 0 0 5 t 200 3 0 53 0 0 Already leased to a Maori, who has wholly improved the land. No remarks. Waihooru Iβ Waihuka B 6b . . B5 .. 3 7 43 2 4 94 1 13 Manga - o - tawbito No. 1 South B2 1 137 3 17 107 3 35 Not improved. Owners desire land to be incorporated and worked with Tikitiki Block when title to latter ascertained. Improved. To be incorporated with Tikitiki. Tanmata-o-te-Whatui North Tutuwhinau 1 .. 2 .. 3 .. 4 .. 1 208 35 35 40 1,229 0 0 246 0 0 80 0 0 193 0 0 35 0 0 1,748 0 0 About half improved in rough way ; 4 flocks sheep —total, 1,800. Requires surveys between different farms. Waikohu 1 Whareponga 2 . . 3 15 128 0 0 281) 0 0 417 0 0 322 0 0 Under grazing lease to European. To be incorporated and worked as family farm on expiry of arrangement. Lease expired. All improved. For family farm. Tapuaeroa lc Aruhemokopuna 3 5a 5e 5c r> r. 3 0 15 j 11 111 17 3 2(i 34 2 0 For Maori occupation. All improved. 20 (I 0 (i 0 0 52 1 26 Owners wish land to be worked with Hinetirahn Block when title to latter ascertained. Te Angaanga Iβ 2a 38 l> 35 0 0

G.—i

12

C. Other Lands occupied by Maoris or proposed to be reserved —continued.

SCHEDULE 3. A. Lands dealt with by Commission, and available for Sale or Leasing, recommended to be dealt with under Section 4 of " The Native Land Settlement Act, 1907."

Name of Block. Owners. Area. Total. Remarks. Te Angaanga 2 .. Waipiro 2 13 129 A. R. P. A. E. P. 28 0 0 2,503 0 0 All improved. Family farm. Wholly improved; fenced and subdivided 4,000 sheep, 120 oattle. To be included in scheme for consolidation (see Appendix II). Improved. Family farm. Papakainga. Improved. Family farm. Unimproved. For Maori occupation. For Maori occupation. Owners are incorporated. Reserve for Maori occupation. Pending hearing appeals. Waihuka B3 Paritutata Waihuka B5 Makahi.. Tauwhareparae Iβ «j » 1* 2 1 7 ? 14 22 87 0 0 33 1 0 94 1 13 115 1 24 563 2 0 922 0 0 Paraumu 1, 2, 3 Mangahauini 3 .. * .. 07 1 10 1 0 0 17 1 0 417 0 0 9 .. 51 4 2 0 Occupied by European and his wife (one of owners) with consent of owners, but not leased. Here is School and Cemetery Reserve, and part of Maori kainga. Tokomaru K2 .. 4 374 3 20 22 3 0 K3 .. 1 360 2 14 Being used as family farm. 200 sheep on it, and houses. All improved ; partly fenced ; farmed by owner ; 300 sheep. Partly improved by owner ; 700 sheep. Occupied by owner. K4a .. B9a .. „ B9e .. B6e .. Gl .. 1 10 ? 1 6 1,000 0 0 17 2 35 15 2 31 18 3 9 194 2 20 t> G2 .. G3 .. 7 10 4 5 '328 3 0 1,051 2 37 Improved and fenced and used as sheep-farm by the owner, Eraihia Matahiki. Improved and farmed by Hapi Kahu. 400 sheep. Improved and farmed by Wiremu Potae and party. 3,000 sheep on this and adjoining lands. Under grazing lease, but owners desire to reserve for Maori occupation. Occupied by Wiremu Potae under exchange with European owner. „ B5e .. B5o .. „ E 62 3 20 59 0 33 350 0 0 1 J Tauwhareparae Iα 4 457 0 0 3,834 3 19 1 49 2 34 Land has been incorporated ; should be reserved for Maori occupation. 1 owner ; wishes reserved. lo 506 2 34 90 0 0 Tawhiti 2b 9 Owners wish to work as family farm. Total .. 12,589 3 8 [Note. —Area mprovi d, 9,100 acn is. Stock, 12,. ■00 sheep, about 600 head cattle.j

Name of Block. For Sale. For Lease. Pukeamaru 6b 2 Ahomatariki 3b Honokawa Iβ Pouturu No. 1 Rmgikohua G Iβ 5b Paekawa Iβ Puateroku L Wharohapua Iα 2a Otorangiwhaiao 1 Purapurakowhitia .. Paparoa No. 1 No. 2 To Wake No. 1 Rakautautini A To Puia No. 2 :. A. R. P. 186 0 0 A. R. P. 531 "0 0 134 0 0 455' 0 29 263 (i (i 157 0 0 118 1 0 26 0 0 288 1 21 8o"o 0 105 0 0 81 0 0 49 0 0 40 0 0 107 -2 0 41 0 0 11 2 3:i 119 2 34 230 3 0 71 2 0 Totals 1,556 2 27 1,481 1 10

13

Ot.—i.

B. Lands vested in the Tairawhiti Maori Land Board under "The Maori Land Settlement Act, 1905."

SCHEDULE 4. Waiapu County.—Papatupu Lands. The area of papatupu lands in this county the title to which has not yet been properly ascertained is 149,285 acres, approximately. We find that in the year 1894 the claims for investigation of the titles to these lands came before the Native Land Court, but, owing to the dissatisfaction, felt by the people with the Crown purchases of Native lands in the district, these claims were all withdrawn, and the lands remained papatupu until after the passing of " The Maori Lands Administration Act, 1900," under which it was proposed to investigate claims to papatupu blocks through Maori committees selected by the claimants. The committees were required to report to the Maori Land Council, which confirmed or otherwise disposed of the report, subject to appeal to the Native Appellate Court. Between 1902 and 1905 Papatupu Block Committees dealt with Waiapu lands of the area of 73,625 acres ; they reported to the Council, but, owing to a technical defect in the Council's orders of confirmation, the Native Appellate Court referred the matters back. We have made representations to the Hon. the Native Minister that a Court should be appointed as soon as possible to deal with these and other papatupu lands in the Waiapu County, and we are assured that a Court will sit about the middle of February. Until the titles to these lands are ascertained we are not in a position to make definite recommendations in respect of any block. We are of opinion that the bulk of the unoccupied Native lands suitable for settlement are in these papatupu areas. The chief claimants recognised as having substantial claims, that do not appear to be disputed, have expressed a willingness to part with a proportion of their lands for general settlement. For instance, in the Marangairoa No. 1 Block it was indicated to us that an area between 10,000 and 12,000 acres will be available for general settlement as soon as the title is ascertained. The Tangihanga Block of 5,424 acres was proposed to be vested in the Tairawhiti Maori Land Board for leasing to the highest bidder or the highest tenderer. On the other hand, we had in evidence particulars of how the Natives claiming some of these lands are occupying portions thereof. The last two years have seen great developments on some of the Hocks, while two or three blocks have been farmed for many years on the co-operative principle. We give a summary of how the Maoris are occupying, the area that has been brought into cultivation, the stock depasturing, and other particulars. 1. Te Mawhai. —This is near Tokomaru Bay. It is naturally grassed, and stock from the surrounding land, which is leased to a European, runs over the land. Area, 94 acres. 2. Kokai (area, 1,300 acres, approximately).—lt is practically a reserve. There is one' main kainga and two smaller kaingas thereon. More than two-thirds of the land is improved. There are 800 acres improved, the rest being light scrub and manuka. There is one woolshed and sheep-yards. 3. Turangarahui (area, 508 acres). —The whole is cleared and grassed, and is occupied by a European under grazing lease from year to year. The existing arrangement will terminate when the Tuparoa leases expire, six or seven years hence. The laud will be required, and is suitable for Maori occupation. 4. Manyawhariki (area, 7,150 acres, approximately). —This block lies between Ohinepoutea, which has been vested in the Tairawhiti Maori Land Board for the purpose of general settlement by lease, and Waiorongomai, which has been leased privately to Europeans during the last year. The claimants have during the last two years cleared and sown in English grasses on six subdivisions of this block 1,475 acres of bush. There are six farms, three of them intended to be leaseholds, and three family or hapu farms to be worked on the co-operative system. There are 600 sheep and some forty head of cattle, but a large increase of stock is expected before the winter. Those claiming this block desire to retain the whole of it for their own use, and we see no reason to doubt that within seven to ten years the whole area will be under cultivation, divided into small farms, and carrying a large amount of stock.

iamo o! ilM-l J'ea. j'uiur .s. Oliinepoutea Tangihanga Maungawaru (1) Ahiaparua Whakaangiangi 0a 2 Iα 2 Iβ 2 a a. v. 230 2 0 .. 114 1 20 .. ' 159 (t 0 A. K. P. 5,089 0 0 6,424 0 0 3,900 0 0 555 0 0 Title not ascertained. We recommend that this be sold. Ditto. Whakaangiangi 3n Ahirau B 503 3 26 401 i 0 0 (»00 2 0 We recommend this for lease to Hoani Huriwai, Maori lessee spocified by the owners. We recommend this for leaso to Rupata Huriwai and Tamati Taiapa, Maori lessees specified by the owners. Wo recommend this to bo leaned to Renata Tamepo and Paratene Waiti. We understand that this is vested for leasing to Maori!!, and that tho Board has made all arrangements with the owners for location of sections, and has specified lessees. Anaura 8,330 0 0 24,868 1 26 Total ..

14

G.-i

5. Hurakia (area. 9,450 acres). —Most of the surrounding land is under European occupation. The land is almost entirely bush, and, like the last block, is splendid pastoral country. In 1906 some of the claimants cleared and grassed 400 acres, and last year 710 acres were brought under cultivation, making a total of 1,100 acres in two years, and representing the efforts of six families. The Maoris desire to retain the whole, block for their use as farms. We are assured that a larger area would ere now have been felled and grassed if the title had been ascertained. 6. Tangihanga (5,424 acres). —Good pastoral bush country, proposed to be vested in the Board for the purpose of leasing to the general public under " The Maori Land Settlement Act, 1905." We understand that the Board has already arranged the cutting-up of the block, and the leasing awaits the completion of the Board's title. 7. Tikitiki (6,079 acres). —There is one main settlement on the block and five smaller ones. It is expected that when the title is finally ascertained there will be about five hundred owners. The land has been worked under the management of a committee for many years, but until recently lack of funds prevented any extensive improvements being made. But within the last two years over 1,100 acres of bush land have been cleared and partly grassed, so that the area now under cultivation is a little over 2,200 acres. There are 3,000 sheep, 200 head of cattle, and innumerable horses. There is a large up-to-date woolshed. The land lies well, and in the Poroporo Valley there is a good deal of arable land. When the title is ascertained the greater part of the land is proposed to be worked as a co-operative farm, while some families will take up (and are already doing so on well-recognised subdivisions) sections, while not a few small sections will be leased to the younger men amongst the owners. The claimants desire the whole land to be reserved for their use. 8. Pohoterangi (area, 1,316 acres). —This block has been for many generations under the occupation of the Maori claimants. On the arable land, last generation, wheat was cultivated, but after the Hauhau troubles the land was allowed to go back, and was overrun with manuka and sweotbriar. It is now being brought under cultivation again. Over one-half is improved, and there are six small flocks of sheep, totalling 1,450, on the block. The delay in the ascertainment of title has retarded the progress of the improvements, the claimants being in a much more favourable position now to finance. There are some small kaingas on the block. The day will come when the flats will be cultivated and ploughed for maize and other cereals. The whole block should be reserved for Maori occupation. 9. llahau 1 and 2 (780 acres). 10. Potikitangata (143 „ ). 11. Hinetiraha (346 „ ). 12. Whakaari (128 „ ). 13. Waitapu-a-kowhai (114 „ ). 1,511 „ These small blocks are and have been under tin: occupation of the Maoris for generations, and may be regarded as the papakainga blocks of this particular section of the Ngati-Porou. There are six kaingas. There are several small flocks, totalling 2,700 sheep, with cattle and horses. All but small areas are under grass. The land is almost wholly arable flats. They will be required for the use and occupation of the Maoris, partly as papakaingas and partly as farms. 14. Marangairoa No. 2 (4,776 acres). —This is almost entirely bush land, and is a rich pastoral area. Two small farms were begun at the north end of the block seven or eight years ago, but made little progress owing to the disputes about the title. There have been cleared and grassed 1,050 acres, and recently cleared and burnt and about to be grassed 450 acres, making a total of 1,500 acres. There are nearly 2,000 sheep on the block, likely to be increased to more than 3,000 this winter. The land is desired, and should, when the title is ascertained, be reserved for Maori occupation. 15. Poroporo (10,597 acres). —This is one of the best of the virgin areas of the county. With the exception of a kainga with small cultivations round it at the south-east end of the block and a little area cleared at the north-east end, this block is unimproved and unoccupied. We understand that the disputes as to title are very serious—so serious as to have deterred the hapus claiming from entering into-occupation as they have done in other cases. The land adjoining it on the west, Tangihanga, has been offered for general settlement, and it may be found necessary to include a portion of the Poroporo Block in the area to be leased when the title is ascertained. 16. Herupara No. lis a small block of heavy-bush land, 429 acres. There is milling-timber on it, some of which has been cut out and used for building purposes in the locality. The claimants desire it to be retained for their use when the title is ascertained. It is almost surrounded by lands which have been improved by the owners. 17. Marangairoa No. 1 (41,555 acres). —This large block lies near the East Cape. It is broken land in parts. By Native custom the block is divided into four parts as follows : — (a.) Whakararanui (or No. Iα) (about 8,000 acres). —There are three small settlements on this subdivision, and farming has been commenced on a small scale, chiefly within the last two years. There are 330 acres cleared, with 700 sheep. The Natives desire to retain portions for farms, but cannot indicate the areas or location of these portions. They are willing that a proportion be made available for general settlement. The latter is estimated at about one-half of the block. (b.) Horoera (or No. 16). —The area of this is estimated at 16,000 acres. There are small clearings at the north end of the block now carrying 600 sheep, and at the south end 200 acres of bush have,been cleared and are about to be grassed. The chief claimants recognise that, though portions of the block can. be farmed by the owners, a large portion of the block must be opened for genera! settlement. We estimate that the portion to be so opened will be at least 7,000 acres, and will be so located as to adjoin the portion of No. Iα that will be set apart for general settlement. The balance will be readily taken up by the Maoris themselves as communal and individual farms.

15

G.—i,

(o.) Te Pahihi (or No. lc). —The area is estimated at 8,000 acres. There are three farms on this block, and nearly 1,350 acres improved, of bush land and scrub. There are three flocks, totalling 2,100 sheep. We are informed that this block is the only land of any extent owned by the Natives claiming, who desire to retain the whole area for their use and occupation. One family is able to manage and improve nearly 3,000 acres. (d.) Te Kautuku (or No. Id), being the balance of the Marangairoa No. 1 Block. —The land is under Maori occupation, and small portions have been cultivated for some years past. There is one main kainga, and three small detached kaingas. Six families have recently taken up sections of the block under a tribal arrangement, which guarantees the improvements should they bo prejudiced when the title is finally ascertained. The area of bush and scrub cleared is 2,350 acres, of which 750 acres were felled last season. The Natives are confident that they can work the whole block, and plead that as a people they have only 2,000 acres other land ; they are not interested in any lands under lease to Europeans, except a small block of between 400 and 500 acres. We see no reason why the wishes of these people should not be given effect to when the title to their land is determined. 18. Tihiomanono (2,958 acres. —The whole of this is bush land, in the neighbourhood of Te Araroa, and is excellent pastoral land. The owners, or, rather, the claimants, have commenced farming, and have cleared 300 acres of the bush and scrub. The people are of a quarrelsome disposition, and do not seem to have had the capacity of their fellow-tribesmen in the middle and southern portions of the county in making amicable arrangements to facilitate the proper occupation of their lands. Until the title is ascertained no satisfactory arrangements can be made for the settlement of the Maoris on this land. They ask that the land be reserved for Maori farming. 19. Whetumatarau (5,346 acres). —The Te Araroa Township is on this block. About one-seventh may be deducted from the area fit for farming purposes as being occupied by the township, and not fit for any but scenic purposes. There are at present two communal farms, representing an improved area of about 900 acres, with 1,400 sheep. These have been carried on under very adverse conditions, and amid constant quarrelling ; but we iu\\y anticipate that with the settlement of the title Maori farming on this and adjoining lands will proceed more satisfactorily. We understand that the Maoris who will be found entitled to these two blocks have parted with the freehold of 26,000 acres in the neighbourhood to Europeans and to the Crown. 20. Kairapirapi is a small block of 392 acres adjoining Whetumatarau, is unoccupied, and will come into the system of blocks in this part of the district that is suitable for Maori farming. 21. Tapatu (8,400 acres). —This is reported to be excellent pastoral bush land, and is wholly unoccupied. We are of opinion that when the title is ascertained a portion of this block should be made available for general settlement. 22. Wha,rekahika, or Hicks Bay (approximate area, 42,000 acres). —There are two main kaingas at Hicks Bay, and two smaller kaingas. There are two small farms established during the last six or seven years, and small clearings have been made during the last two years. The area under cultivation and cleared of bush and manuka is about 700 acres, and there are 1,000 sheep. At least one-half of this block should, when the title is ascertained be made available for general settlement. The balance will be worked as communal farms by some of the families or leased to young Maoris from the southern end of the county, who are anxious to get farms of their own. Summary. The area of these papatupu blocks is 149,285 acres, approximately. Of this area and in the different blocks the Maoris ask and propose that 103,261 acres be reserved for their own use and for leasing to Maoris. We estimate that an area of 46,024 acres will be available for general settlement. This will probably be found to be an underestimate. Of the area claimed for Maori occupation, over 16,000 acres have been actually cleared, and will after the autumn sowing be all under grass and carrying 24,000 sheep. Most of the improvements have been effected during the last four years. APPENDIX I. ADDRESS BY MR. NGATA ON OPENING OF COMMISSION AT WAIOMATATINI. Before the Commission formally opens I wish, member of the Ngati-Porou myself, and as having a close intimacy with the land dealings in the district, to give a brief historical sketch of the position of the lands since the " 705." I take it that, with regard to this district, you, sir, will have to exercise your independent judgment of the work that is being done in it and of the future disposition of its lands. I have great diffidence myself, as one mainly responsible for a good deal of the industrial progress of the last ten years, in expressing my own views as to what should be done in the future. Commencing with the Native Land Act of 1865, I may say that that Act was not in operation long enough to enable the Courts to exercise jurisdiction under it so far as this district was concerned. For the same reason the amending Act of 1867 had no operation here. It was not until the Act of 1873 was passed that the Court sat in exercise of its jurisdiction in this district. You will recall that under that

G.—i

16

Act there was the first attempt at individualising the ownership of Native lands, and the title under it was called a " memorial of ownership. never the misfortune in this district, as they had in Wairoa and Hawke's Bay, of practically handing over to trustees, who were nominally owners, the power to sell, lease, or otherwise dispose of the tribal lands as they thought fit. Under the Aot of 1873 the whole of the owners had to execute a deed of sale or lease before the land could pass. During the " 70's " there was a good deal of hesitation on the part of the Maoris to come to the Courts for the titles to their lands. This was the case more particularly with regard to the lands lying to the north of the Waiapu River. Those lands south of the Waiapu River were first dealt with, and, with the exception of a few small blocks, the titles were all ascertained by 1888. During this period the first attempts were made by the Maoris to carry on sheep-farming on some of their lands. The attempts were crude, and necessary operations like dipping were neglected. The prevalence of scab brought down the Government Stock Inspector, who ordered the destruction of the Maori flocks. Thus ended the first attempt to follow in the ways of the Pakeha. This set-back, taken in conjunction with the fact that their titles were passing through the Native Land Court, and that Europeans and Government agents were scouring the country buying or leasing land, diverted the energies of the people for a time towards litigation, and the rapid conversion of their lands into money to be dissipated at the publichouses. But they were never so foolish as to part with the freehold of their lands near the coast These were leased, but the back country was willingly parted with. When the Waipiro Station, which consisted chiefly of Native lands leased to Mr. J. N. Williams, commenced operations, and the Maoris saw from 1883 down to 1888 what could be done by Europeans in farming land and managing the stock, they commenced to work on their lands in a small way what they had seen done on the European farms. Fortunately, most of the blocks by the coast were open lands under natural pasture, and the only question at first was how to obtain stock. One Maori station, which has since developed into one of the best-paying properties on the East Coast, began with the purchase of sheep for £70, the balance of money raised in connection with a meeting-house. In other cases the owners of a block took a bushfelling contract for Europeans and invested the proceeds in the purchase of sheep. There was no great amount of litigation to engage the attention of the people between 1888 and 1894. Down to 1898, although there were no extensive improvements, small beginnings were made on many different blocks, and the pastoral industry grew steadily if slowly. Financial difficulties stood in the way of rapid development. In 1898 and 1899 the system of management and control was reorganized somewhat on the lines laid down in the rules and regulations of incorporated blocks. Although not formally incorporated, the system rested broadly on the co-operation of the owners, who were willing to give the general direction of the improvements to the committee, who in turn delegated the detail-work to managers having some experience in sheep-work and who had the confidence of the Europeans of the district. This made it possible for arrangements to be made to secure advances on the farming-stock. The Williams family have during the last ten years provided the greater part of the capital for the Maori farms, and without their assistance the great progress made by the Maoris of the district of late would not have been possible. The Maoris have also received great assistance from the local storekeepers. In the last ten years the stock has been doubled, while the land brought under cultivation has more than doubled. The Maoris have been steadily acquiring experience in sheep-farming and stock-raising generally. A wonderful improvement has been made in the quality of the sheep, while their European neighbours have on every occasion given them sound advice in the management and handling of their flocks. In 1892 the Native Land Purchase Act was passed for the purpose of purchasing Native lands for settlement under the provisions of " The Land Act, 1892." From 1891 to 1894 many blocks situate to the north of the Waiapu River were investigated by the Native Land Court, and almost as soon as any block passed the Court it was bought up by the Government. So long as the Government was buying the inland blocks the tribe as a whole raised no objection, though there were some who doubted the wisdom of parting so readily with these bush blocks at what now appear to be low prices. But when the Land Purchase officers began purchasing blocks under Maori occupation and where they were attempting to carry on farming, there was the greatest resentment felt. It seemed to be a departure from the policy of the Government, which was to acquire the waste lands of the Maoris, and not lands occupied by them. All papatupu lands which were before the Court in 1894 and awaiting hearing were withdrawn. They were kept out of the jurisdiction of the Court until 1902 —until, in fact, there was a guarantee from the Seddon Government that no purchases would be carried on by the Crown in this part of the district. The area thus excluded from the jurisdiction of the Court by the concerted action of the people amounted to about 170,000 acres. After 1902 the titles to some of the blocks were investigated by Block Committees under " The Maori Lands Administration Act, 1902." The title to 22,000 acres has finally passed, while 87,000 acres investigated by the committees have, owing to a technical defect in the Board's confirming order, been referred to the Native Land Court. Although papatupu, a considerable area is under occupation, and improved, and carrying sheep and cattle. Dealing with lands for which the Natives have obtained titles, which were reserved from sale or lease to Europeans or to the Government, details will no doubt s how they are occupied. There is only a small area of land the title to which has been ascertained which will be found available for settlement, if the area of 24,868 acres already vested in the Tairawhiti Maori Land Board for leasing to the general public is excepted. The bulk of the unoccupied lands is papatupu. The main question for inquiry seems to me to be whether the Maori owners of the lands in this district, by their past action and present endeavours, have justified their claiming a large proportion of the balance of their lands for their own use and occupation. It depends on the view the Commission takes as to whether their settlement of their lands up to the present has been satisfactory or otherwise. I know that the younger members of the tribe and not a few of their elders are very anxious to get farms of their own.

G. —i

17

APPENDIX 11. Sir, — Native Land Commission, Rotorua, 6th January, 1908. During our investigations into the position of lands in the Waiapu County the Native owners of certain large areas, now held under lease to Europeans and known as the Waipiro and Tuparoa leaseholds, made strong representations to us to recommend a system of exchanges whereby the interests of families could be grouped and consolidated. The blocks included in the Tuparoa leasehold, and which are desired to become subject to the proposed exchanges, are shown in the First Schedule. Though there are many different blocks, the owners, with a few exceptions, belong to the same hapu composed of a number of families, and exchanges on an equitable basis can, in our opinion, be easily arranged amongst them. The blocks composing the Waipiro leasehold are shown in the Second Schedule, to which is added Waipiro 2, a block under Native occupation. The owners are more compact even than in the case of the Tuparoa Blocks. We ourselves have not the time at our disposal for the detailed inquiry necessary. We therefore recommend that an officer of the Native Department —say, the Registrar of the Native Land Court, Gisborne —or a Judge, and an officer of the Lands or Valuation Department, be instructed to make the investigations. We can, if you desire it, draft the reference indicating the lines on which in our opinion the exchanges and consolidation of interest shall proceed. The report should be sent to us, so as to form the basis of recommendations for legislation. We have, &c, Robert Stout, A. T. Ngata, Hon. J. Carroll, Native Minister. Commissioners. SCHEDULE 1 TO APPENDIX TT. Blocks. Areas - A. R. P Reporua No. 2 ... ... ... ... ... ... ... ... 3GO 0 0 Tokaroa Nos. 1, 2, 3, and 4 ... ... ... ... ... ... 707 3 11 Waitekaha Nos. 1, 2, 3, 4, and 5 ... ... ... ... ... ... 1,336 239 Rahui A, C, Dl, D 2, D 3, D 4, D 5, D 6, D 7, and E ... ... ... ... 462 3 1 Matarau lα, Iβ, lc, sa, sb, sc, sd, sb, sp, sg, sh, sk, 51, sm, sn, 50, sp, and 5r ... 679 1 28 Mangaroa Nos. 1, 2, 3, and 4 ... ... ... ... ... ... 642 3 12 Ngawhakatutu Nos. 1 and 2 ... ... ... ... ... ... 4,619 3 20 Manutahi Nos. 1 and 2 ... ... ... ... ... ... ... 692 3 0 Mangaharei Nos. 1 and 2 ... ... ... ... ... ... ... 679 1 0 Ngamoe Nos. 1, 2, 3a, 3b, 4a, and 4b ... ... ... ... ... 7,680 0 0 Waitangi Nos. 2a and 2b ... ... ... ... ... ... ... 461 2 0 Waitangi No. 1 (and not in leasehold, but occupied by Maoris as sheep-farms, and fully improved) ... ... ... ... ... ... ... 555 0 0 Totals ... ... ... ... ... ... ... 18,877 331 SCHEDULE 2 TO APPENDIX 11. Waipiro Leasehold. Blocks. AreM - A. E. P. A. R. P. Waipiro No. 1 ... ... ... ... ... ... 8,825 2 20 ' „ No. 3 ... ... ... ... ... ... 3,149 0 0 No. 4 ... ... ... ... ... ... 9,926 0 0 No. 5 ... ... ... ... ... . 3,026 0 0 24,926 2 20 Rangikohua No. 4 ... ... ... ... ... .. ... 2,483 3 14 Kaupeka-a-Haumia ... .. ... ... ... ... ... fl(iO 1 0 Waipiro No. 2 (not in leasehold. The exchanges will exclude the township area and small subdivisions already made of the block.) (Original area) ... ... 2,950 0 0 Totals ... ... ... ... ... ... ... 31,320 231 Approximate Cost of Paper. —Preparation, not given ; printing (1,500 copies), £12 6s. By Authority : John Mackat, Government Printer, Wellington.—l9oB. Price 9d.\

Partitions of WAIPUKA.QKAIHAU &WAIMARAMA

This report text was automatically generated and may include errors. View the full page to see report in its original form.I whakaputaina aunoatia ēnei kuputuhi pūrongo, e kitea ai pea ētahi hapa i roto. Tirohia te whārangi katoa kia kitea te āhuatanga taketake o te pūrongo.
Permanent link to this item
Hononga pūmau ki tēnei tūemi

https://paperspast.natlib.govt.nz/parliamentary/AJHR1908-I.2.4.3.1

Bibliographic details
Ngā taipitopito pukapuka

NATIVE LANDS AND NATIVE-LAND TENURE: INTERIM REPORTS OF NATIVE LAND COMMISSION ON NATIVE LANDS IN THE WAIAPU COUNTY., Appendix to the Journals of the House of Representatives, 1908 Session I, G-00i

Word count
Tapeke kupu
11,914

NATIVE LANDS AND NATIVE-LAND TENURE: INTERIM REPORTS OF NATIVE LAND COMMISSION ON NATIVE LANDS IN THE WAIAPU COUNTY. Appendix to the Journals of the House of Representatives, 1908 Session I, G-00i

NATIVE LANDS AND NATIVE-LAND TENURE: INTERIM REPORTS OF NATIVE LAND COMMISSION ON NATIVE LANDS IN THE WAIAPU COUNTY. Appendix to the Journals of the House of Representatives, 1908 Session I, G-00i

Log in or create a Papers Past website account

Use your Papers Past website account to correct newspaper text.

By creating and using this account you agree to our terms of use.

Log in with RealMe®

If you’ve used a RealMe login somewhere else, you can use it here too. If you don’t already have a username and password, just click Log in and you can choose to create one.


Log in again to continue your work

Your session has expired.

Log in again with RealMe®


Alert