Page image
Page image

G.—i.

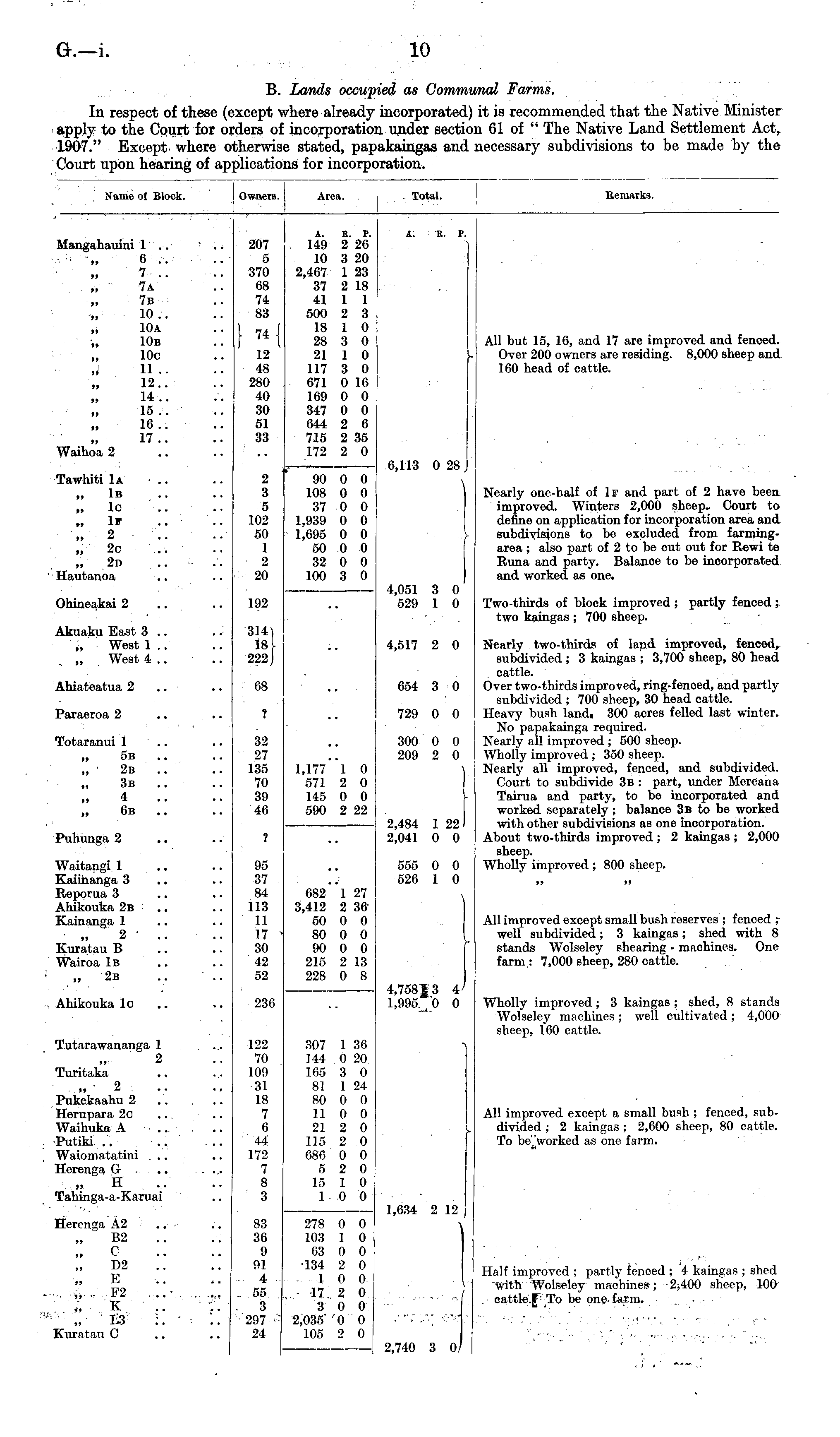
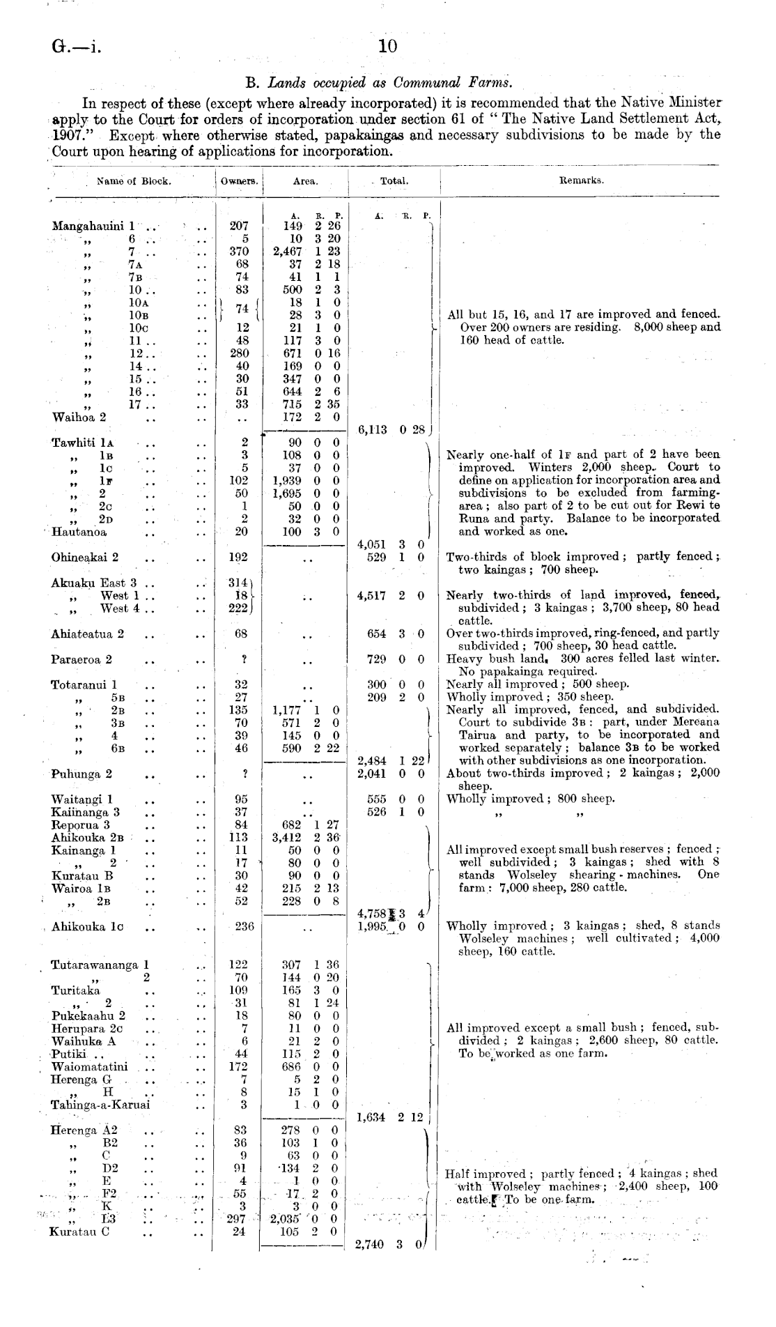
B. Lands occupied as Communed Farms. In respect of these (except where already incorporated) it is recommended that the Native Minister apply to the Court for orders of incorporation under section 61 of " The Native Land Settlement Act, 1907." Except where otherwise stated, papakaingas and necessary subdivisions to be made by the Court upon hearing of applications for incorporation.

10

Name of Block. Owners. Area. Total. Remarks. Mangahauini 1 .. 6 .. 7 .. 7a 7b 10.. 10a 10b 10c „ 11 .. 12.. 14 .. „ 15.. 16.. 17.. Waihoa 2 207 5 370 68 74 83 A. K. P. 149 2 26 10 3 20 2,467 1 23 37 2 18 41 1 1 500 2 3 18 1 0 28 3 0 21 1 0 117 3 0 671 0 16 169 0 0 347 0 0 644 2 6 715 2 35 172 2 0 A. E. P. [74) All but 15, 16, and 17 are improved and fenced. Over 200 owners are residing. 8,000 sheep and 160 head of cattle. 12 48 280 40 30 51 33 Tawhiti Iα Iβ lc „ Iγ ,,2 „ 2c „ 2d Hautanoa 90 0 0 108 0 0 37 0 0 1,939 0 0 1,695 0 0 50 .0 0 32 0 0 100 3 0 6,113 0 28 J 2 3 5 102 50 1 2 20 ) Nearly one-half of If and part of 2 have been improved. Winters 2,000 sheep. Court to define on application for incorporation area and subdivisions to be excluded from farmingarea ; also part of 2 to be cut out for Rewi te Runa and party. Balance to be incorporated and worked as one. 4,051 3 0 529 1 0 Ohineakai 2 192 Two-thirds of block improved ; partly fenced ; two kaingas ; 700 sheep. Akuakμ East 3 .. West 1 .. „ West 4 .. 314) 18 222) 4,517 2 0 Nearly two-thirds of land improved, fenced, subdivided ; 3 kaingas ; 3,700 sheep, 80 head cattle. Over two-thirds improved, ring-fenced, and partly subdivided ; 700 sheep, 30 head cattle. Heavy bush landi 300 acres felled last winter. No papakainga required. Nearly all improved ; 500 sheep. Wholly improved ; 350 sheep. Nearly all improved, fenced, and subdivided. Court to subdivide 3b : part, under Mereana Tairua and party, to be incorporated and worked separately ; balance 3b to be worked with other subdivisions as one incorporation. About two-thirds improved ; 2 kaingas ; 2,000 sheep. Wholly improved ; 800 sheep. Ahiateatua 2 68 654 3 0 Paraeroa 2 ? 729 0 0 Totaranui 1 .. „ 5b „ 2b .. 3b .. ii 4 6b .. 32 27 135 70 39 46 1,177 1 0 571 2 0 145 0 0 590 2 22 j 300 0 0 209 2 0 2,484 1 22 2,041 0 0 Puhunga 2 .. ? Waitangi 1 Kaiinanga 3 Reporua 3 Ahikouka 2b Kainanga 1 2 .. Kuratau B Wairoa Iβ „ 2b 95 37 84 113 11 17 30 42 52 682 1 27 3,412 2 36 50 0 0 80 0 0 90 0 0 215 2 13 228 0 8 555 0 0 526 1 0 4,7581,3 J 0 ,, ii All improved except small bush reserves ; fenced ; well subdivided; 3 kaingas; shed with 8 stands Wolseley shearing • machines. One farm : 7,000 sheep, 280 cattle. Ahikouka lc 236 122 70 109 31 18 7 6 44 172 7 8 3 307 1 36 144 0 20 165 3 0 81 1 24 80 0 0 11 0 0 21 2 0 115 2 0 680 0 0 5 2 0 15 1 0 10 0 Wholly improved; 3 kaingas ; shed, 8 stands Wolseley machines; well cultivated; 4,000 sheep, 160 cattle. Tutarawananga 1 2 Turitaka „ • a . Pukekaahu 2 Herupara 2c Waihuka A Putiki .. Waiomatatini Herenga G . „ H Tahinga-a-Karuai All improved except a small bush ; fenced, subdivided ; 2 kaingas ; 2,600 sheep, 80 cattle. To worked as one farm. 278 0 0 103 1 0 63 0 0 134 2 0 1 0 0 17 2 0 3 0 0 2,035 0 0 105 2 0 1,634 2 12 Herenga A2 B2 „ C D2 E „ F2 .. . K .. „ Ii3 !."■• '■■ Kuratau C 83 36 9 91 4 . 55 3 297 : 24 2,740 3 0/ Half improved ; partly fenced ; 4 kaingas ; shed with Wolseley machines; 2,400 sheep, 300 cattle-!\To be one farm.

Log in or create a Papers Past website account

Use your Papers Past website account to correct newspaper text.

By creating and using this account you agree to our terms of use.

Log in with RealMe®

If you’ve used a RealMe login somewhere else, you can use it here too. If you don’t already have a username and password, just click Log in and you can choose to create one.


Log in again to continue your work

Your session has expired.

Log in again with RealMe®


Alert