Page image
Page image
Page image
Page image
Page image
Page image
Page image
Page image
Page image
Page image
Page image
Page image
Page image
Page image
Page image
Page image
Page image
Page image
Page image
Page image
Page image
Page image

H.—23b.

1910. NEW ZEALAND.

THE ANNUAL SHEEP RETURNS FOR THE YEAR ENDED 30th APRIL, 1910. SECOND INTERIM RETURN.

Presented to both Houses of the General Assembly by Command of His Excellency.

Department of Agriculture, Commerce, and Tourists, Wellington, 27th August, 1910. A. —Table showing Increase or Decrease in the Number of Sheep in each County throughout the Dominion.

B. —Eeturn showing (in Totals under Districts) — 1. The Districts into which the Dominion is divided. 2. The Number of Sheepowners in each District.

C. —Statement showing Classification of Sheep.

D.— Eeturn showing— 1. The Subdivisions of the Districts into which the Dominion is divided. 2. The Number of Sheepowners owning 1 to 200, 201 to 500, 501 to 1 000 1,001 to 2,500, 2,501 to 5,000, 5,001 to 7,500, 7,501 to 10,000,10,001 to 20,000, 20,001 and over; also, Total Number of Owners of Sheep, and Total Number of Sheep, for the Year ended 30th April, 1910. 3. The Names and Eesidences of Officers holding Appointments under the Stock Act. THOS. MACKENZIE, Minister of Agriculture.

I—H. 23b.

2

H.—23b

A.—Table showing the Number of Sheep in each County throughout the Dominion on 30th April, 1909 and 1910. NORTH ISLAND.

Number of Sheep on Increase. Decrease County. 30th April, 1909. 30th April, 1910. | l_ Mongonui Whangaroa Bay of Islands Hokianga Rodney .... Whangarei Otamatea Hobson Waifcemata Eden Manukau .". Goromandel .. Thames Ohinemuri Waikato Raglan Waipa Piako and part Matamata . West Taupo and part Matamata Kftwhia Awakino Waitorao and Ohura East Taupo and Rotorua Tauranga Whakatane Opotiki Waiapu Cook Waikohu Wairoa Hawke's Bay .. ,. Waipawa Waipukurau Patangata and Weber Dannevirke Woodville Clifton .. .. .. Taranaki Egmont Stratford Whangamomona Eltham Hawera and Waimate West Patea Waitotara Waimarino Wanganui tj «it-Voi f Hunterville subdivision Rangitikei | PeH ai ng subdivision ■ • I 19,780 9,463 37,951 9,052 68,888 34,985 53,104 38,516 45,804 5,227 120,463 21,746 5,757 8,438 57,940 126,467 41,626 117,845 6,740 32,004 41,756 74,194 29,412 7,502 35,209 57,621 588,223 963,553 438,708 655,484 1,128,659 379,748 76,288 788,645 249,598 102,317 71,237 43,853 12,100 115,062 68,166 46,614 92,269 267,649 167,265 131,040 459,963 710,837 202,743 162,841 111,278 330,293 151,931 144,756 138,597 138,954 85,388 496,656 192,183 574,308 172,853 223,515 231,070 91,434 79,643 22,177 9,047 41,646 11,218 74,450 32,796 I 59,074 46,932 47,662 5,245 116,385 26,508 5,605 6,181 71,619 145,013 40,337 113,614 8,337 37,408 i 51,367 99,738 35,776 5,291 34,477 79,132 613,270 967,952 512,761 647,477 1,187,206 437,586 91,212 803,956 281,606 104,212 80,914 38,535 11,895 119,539 88,892 47,129 103,461 274,227 178,975 164,326 490,934 723,274 220,020 170,212 116,305 340,203 149,075 149,705 167,935 154,214 84,672 534,500 195,937 595,252 185,129 232,494 244,374 98,521 82,740 I 2,397 ; 3,695 2,166 5,562 5,970 8,416 1,858 184,762 13,679 18,546 ; "1,597 5,404 9,611 i 25,544 6,364 21,511 I 25,047 4,399 74,053 j 58,547- ! 57,838 14,924 15,311 32,008 1,895 9,677 '4,477 20,726 515 11,192 6,578 11,710 33,286 30,971 12,437 17,277 7,371 5,027 9,910 4,949 29,338 15,260 416 2,189 4,078 152 2,257 1,289 4,231 2,211 732 8,007 '5,318 205 , 2,856 I Oroua Kairanga Kiwitea Pohangina Manawatu Horowhenua Hutt Makara .. Featherston South Wairarapa.. Masterton Castlepoint Akitio .. Pahiatua Eketahuna Mauriceville 37,844 3,754 20,944 12,276 8,979 13,304 7,087 3,097 716 Totals—North Island [ 12,193,211 12,917,662 759,108 34,657 id 724,451 Net increase, North Mai

3

H.—23b

A.—Table showing the Number of Sheep in each County throughout the Dominion on 30th April, 1909 and 1910— continued. SOUTH ISLAND.

County. Number of Sheep on j - IncreaBe. 30th April, 1909. 30th April, 1910. j Decrease. Waimea .. Takaka .. Collingwood Buller .. ' .. Inangahua Murchison Grey Westland Sounds Marlborough Kaikoura Amuri Cheviot Ashley and Waipara Akaroa, Wairewa, and Mount Herbert Selwyn, Tawera, and Waimairi Ashburton Geraldine and Levels Mackenzie Waimate Waitaki Maniototo .. ... Vincent Lake Waihemo Waikouaiti Peninsula .. Taieri Bruce Olutha Tuapeka Southland Wallace Stewart Island .. .. 271,371 297,271 25,900 41,241 44,244 3,003 12,550 11,771 4,075 4,282 207 8,534 8,026 31,643 28,043 21,448 24,408 2,960 22,425 25,445 3,020 154,194 172,037 17,843 657,550 686,532 28,982 198,296 214,377 16,081 457,566 : 452,632 192,101 198,846 6,745 874,772 900,921 26,149 236,649 248,827 12,178 758,486 795,153 36,667 962,349 938,750 673,283 658,590 471,260 485,614 14,354 650,970 592,754 584,573 590,666 6,093 .. , 314,817 325,045 10,228 .. I 349,203 ; 277,630 206,679 j 242,401 35,722 135,821 ! 140,456 4,635 84,564 ! 72,321 .. j 4,898 I 5,075 ! 177 203,553 214,757 11,204 217,153 214,352 .. I 358,862 351,993 445,498 441,451 1,156,247 1,163,013 6,766 .. , 522,220 521,254 .. I 2,645 3,021 376 779 508 3,600 4,934 23,599 14,693 58,216 71,573 12,243 2,801 6,869 4,047 966 Totals for South Island Totals for North Island 11,287,496 11,351,958 269,290 12,193,211 12,917,662 759,108 11,351,958 269,290 204,828 34,657 204,828 12,917,662 759,108 34,657 Totals for the Dominion .. j 23,480,707 24,269,620 : 1,028,398 24,269,620 1,028,398 239(485 239,485 i ' I Net increase : North Island South Island Total net increase for Dominion 724,451 64,462 788,913

H.—23b

4

B.

1. 2. 3. Number of Owners on Number of Sheep on Names of Districts. f 30th April, 1909. I 30th April, 1910. j 30th April, 1909. j 30th April, 1910. I Auckland ... 2,705 2,388 2,535 2,453 i 1,089,346 5,620,437 1,205,346 5,913,301 Napier-Gisborne Wellington- West Coast 4,716 4,626 5,483,428 5,799,015 ! Marlborough-Nelson- Westland Canterbury- Kaikoura 2,077 4,880 5,092 2,107 4,792 5,009 1,225,031 5,475,732 4,586,733 I 1,302,059 5,486,464 4,563,435 Otago Totals for Dominion i 21,858 21,522 23,480,707 788, 24,269,620 ,913 Increase ... i 788,913 Decrease ... i i 336

5

H.—23».

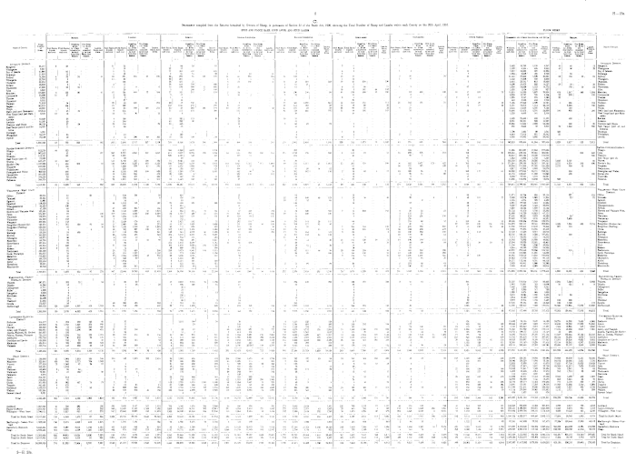
C. Statement complied from the Returns furnished by Owners of Sheep, in pursuance of Section 52 of the Stock Act, 1908, showing the Total Number of sheep and Lambs within each County on the 30th April, 1910. STUD AND FLOCK RAMS, STUD EWES, AND STUD LAMBS.

Hereto. Lincoln. BOHNBY. English Lkiobstlk. Shropshire, Southdown. Otheb Bkebbb. CllOSSBRED ANB OTHER LONGWOOLS, NOT STUDS. Merino. Border Leicester. Total „ _ . Number Name of County. of f Breeding Dry Ewes, Ewes, i.e., Ewes HMid Jiuiiis. rieeJi fin in-, i.e.. Ewes not ■ Lambs, f 2-tooth 2-tooth intended to intended Hams, ami and over, and over. be bred to bo bred Ewes, fromthis feomthis I Season. Season. I Breeding Dry Ewes, Effes, i.e., Ewos Siudftttiiis. I''lnek Hums. ;,«, Hives not Lanibs, 1 2-tOOth 2-tootl. intenlrd in intended Hunts, and and over, and over. be bred to bo bred Ewes, from this from tbis Season. Season, Breeding Dry Ewes, Ewes i.e., Ewos Sttidfiains Floelt Hams, i.e.. Hw- not Lambs, f 2-tOOth 2-toolb intended to intended Rams, and and oyer, aud over. lie bred to be tired Ewos. from this from this : Season. Season, j . Breeding Dry Ewes, Ewes, i.e., Ewes Stud liaiiif, t'loek 11 s, i.e.. I'bvos not Lambs, 1 2-tooth S-toutli intended to intended Hums, and and over. and over. be bred to be bred Ewes, from this from tbis Season. Season. ; Breeding Dry Ewes, Ewes, i.e., Ewes Lamb* Stud Hums. flock Hams. ;>.. Bwes not ,j " , c ' 2-tooth 2-tOOth intended :■■> in I ended "*,*!■ and over, and over. be biod lo be bred „"" fromtbis fromthis J ™ e8, Season, Season. Breeding Dry Ewes, Ewes, i.e., Ewes : jumj.. Stud Katun, t'leuk lin.ms. .,<<., Ewes not Hams' 2-tooth 2-tooth intended to intended , ' und over. and over. be bred lo be bred ,.'...' from this from tbis * ,meB ' Season Season. | Breeding Dry Bww. Ewes. i.e.. Ewos , . Stud Ktuns, 1'toek Knuis, i.e.. hw,* not j£Si B ' 2-tOOth '2-tooth int<?ii:l»<l U, intended audover. mid over, be bled to bo bred .,,?" from this from this C|W0B Season. Season. Breeding Dry Ewes, Ewes, i.e., Ewes T „,„i,, St.id K11 ins. I'loekliiiiii::. i,(,,Kra not 3-tooth S-toylli uiiriidrii l<: intended Kftl H s ' and over, and over. be bred to be bred _™ a fromthis fromthis bms ' Season. Season, Brooding Dry Ewes, EweB, i.e., Ewes 1 Tjmll . Wethers, i.e.. Ewes not ,,',''.' 2-tooth intended!., intended ,,,,,?''' audover. be bred to bo bred i;™ from this from this j ljWeB ' Season, Season. Breeding Dry Ewes, Ewes, i.e., Ewes r „ ml „ Wotners, i.e., Ewes not ™?™! 2-tooth intende.i In intruded e „„, and over. be bled to bo bred J""", from tbis from tbis liW0B ' Season. Season. Name of County. Auckland District. Mangonui ■• ■■ 22,177 Whangaroa . ■ - ■ 9,047 Bay of Islands .. -■ 41,646 Hokianga . ■ ■ ■ 11,218 Rodney ■■ ■■ 74,450 Whangarei .. ■■ 32,796 Ui-am.il'.aia .. ■■ 59,074 Hobson ■ ■ ■ ■ «,932 Waitemata ■• ■• '^^ Eden .. ■• ■■ M« Manukau .. •■ 116,385 (womimdel ■■ ■■ 26,508 Thames .. -■ 6,605 Dliini'-iiiuri .. ■■ 6,181 Waikato ■■ '1.619 Raglan.. ■■ ■■ ll '- l)l:i Waipa «,337 Piako (and part Matamata) 113.014 West Taupo (and part Mata- 8,337 mata) Kawhia -. -- 37,408 Awakino .. 51,861 Waitomo aud Ohura • • 99,788 East Taupo (part of) and Ro- 14,087 torua Tauranga ■■ ■■ ■'— ll Whakatane .. - • 34,477 Opotiki .- •■ 79,132 11 32 1 .. i .. 3 10 .. i 0 25 .. .. ! .. 4 36 I 48 221 : 625 55 236 15 63 j 148 ! .. : 4 IT .. ■■ 15 57 1 8 6 20 .. .. I .. 67 184 : 840 72 ! 594 2 38 I .. -. i 2 2 .. .. I .. 27 -. ; .. 22 46 440 .. I 263 21 162 .. .... 14 26 368 140 ! 273 8 254 12 75 30 .. 18 1 3,682 10,769 1,126 6,247 1,533 4,104 498 2,685 7,037 19,363 567 13,288 1,624 5,856 566 , 2,702 11,545 37,260 1,790 ; 20,661 5,533 17,208 795 8,900 5,416 1 33,791 912 16,890 4,466 25,873 282 14,537 5,338 ■ 24,026 1,123 14,775 1,426 : 1,014 1,165 827 15,815 i 55,690 5,867 29,904 3,930 12,787 : 786 8,194 1,335 2,147 ! 870 : 1,180 442 I 3,506 I 463 1,710 7,526 I 37,949 ! 4,909 : 15,785 8,567 : 78,878 1,114 49,510 2,254 21,633 1 4,787 9,164 10,496 63,478 6,701 28,699 1,229 4,469 141 2,318 Auckland Distbict. Mangonui. Whangaroa iky (if Islands. Hokianga. Rodney. Whangarei. Otamatea. Hobson. Waitemata. Eden. Manukau. Coromandel. T Lames. Ohinemuri. Waikato. llaglan. Waipa. Piako (and part Matamata). West Taupo (and part Matamata). Kawhia. Awakino. Waitomo and Ohura. East Taupo (part of] and Rotorua. Tauranga. Whakatane. Opotiki. 2 28 ,. ..'.,' 7 68 10 .. | 10 22 53 .. .. : .. 77 205 510 .. 440 0 86 j 95 .. 92 28 299 ] 94 140 170 22 207 I 38 357 51 96 421 730 .. 360 76 100 000 15 446 3 1 200 25 140 27 325 ! 247 .. 118 3 57 .. .. ., 1 5 .. 10 20 59 950 .. 38 150 1,045 491 .. 289 35 40 282 184 191 11 251 431 .. 380 6 .. .. I i\ .a I .. j 2l ■ 2 6 ,. 3 .. .. 5 2 ,, 16 'l7 ,. .... 1 14 59 45 330 .. 330 1 8 55 96 ... 75 10 1 187 44 ! 182 45 ■ 193 ' 466 35 260 16 I I 8 5 .. , .. ., .. 20| ■■ ■■ ! ■• 12 161 174 HI 12 12 j 80 46 26 99 54 .. 33 1J 88 186 .. 145 .. ; io ,. .. . .. '.'. '.'. '.'. 5 I , " 8 " 14 '.'. '.'. 9 44 40 65 53 45 60 29 86 16 .. .. j .. 4 22 76 i 45 2 9 .. 13 6 1.. 1 28 79 "4 136 "80 45 16 27 .. ! 2 1 2, 16 102 4 .... 4 1 .. 11 58 210 ,. 140 1 18 21 2 ! 61 " i "4 ;: ;; | :: 1 ! .. ; 60' .. 31 14 45 i 270 ..I 136 4 1 j 5 .. 6 3 ! 21 : 197 ., ! 51 2 ' 26 .. ! 3 16 .. '.'. \ " 76 1 6' .. ,. I .. I 1 " 3 '.'. '.'. '.'. 3 '.'. '.', 8' .. ','. '.'. '.'. "67 '.'. I " '.'. '.'. "28 '.'. '.'. 88 168 ' 33 93 28 30 '.'. 30 109 50 24 818 1,547 i ' 440 1,094 32 368 | ., 126 30 .... 2 j 68 ■ 5 66 2 1 ,. .. I Ill 290 '. 258 .. 88 9 33 .. 13 450 .. 100 2 , .. 2 2:.. .. 1 10 17 103 ! .. 73 .. 19 2 1 1 12 j 14 104 6 1 46 19 7 10 13 .. 1 : 2 ( .. 8 22 22 39 100 60 117 .. 1 79 ! 348 1 1,092 .. 047 22 151 120 .. 50 25 j 217 ; 40 50 82 ! 573 ' 244 .. 107 ,. ; 10 .. .. , -. 24 142 103 .. 71 9 j 8 21 ! .. .. I " , l51 •• I " 1 " 4 i 17 j '20 .. "l3 1 j 82 j 19 18 3 404 ., 104 3,250- .. 780 140 100 800 .. 300 1 : 22 ' "4 '.'. "2 26 30 .... 37 28 .. I 5 ll| ■■ - ! ■■ 4 199 .. I 4 250 22 458 .. 29 4 48' 10 181 113 .. ! 40 41 293 60 | 81 446 .. | 20 .. i 23 4 | 15 j - j 4 j 10 ' 15 I .. I 41 .. ; 9 60 29 .. I 23 .. 55 .. 3 11 .. 8j .. I .. " 2! .. \ " 4! :: " 5 2,429 22,450 403 11,106 8,261 26,701 388 15,267 16,350 51,239 2,039 28,530 390 8,942 50 2.210 400 300 '.'. "20 70 1,868 .. 360 " 27 j .. '.'. "4 35 '.'. .... 12 i 43 702 283 .. 102 - 44 123 41 .. .. 197 121 43 5 55 200 60 ! 105 293 2,496 2,517 327 1,519 117 360 2,727 , *,055 387 1,837 90 1,021 i .. 5 52! ,. .. .. 157 3,180 I 347 100 ! 164 139 3,873 ' 3,337 869 ' 3,121 71 1,688 i 838 47 : 581 49 : 2,195 ■ 982 100 826 55 1,522 I 886 472 16 684 407 ., 364 22 1,337 251 5 217 966 18,629 11,103 1,508 7,582 "4 122 '.'. '.. 31 714 310 .. 240 793 5,506 5,474 364 2,960 594 6.288 4,437 .. 3.374 411 6,007 2,976 100 1,834 328 4.391 542 .. 450 20 17 3,041 256 80 366 7,002 4,275 197 3,162 47 2,872 1,098 .. 970 20 538 455 .. 521 82 , 5,206 1.793 .. 1,441 20 1,031 4 1 1 542 67 .. 54 12 '. 1,549 248 j 6 127 1,898 38,487 16,151 303 12,013 424 1 136 210 39 29 1 589 320 .. 140 2 1 615 8 133 .... 4 234 105 31 134 32 1.121 430 25 270 17 933 218 171 742 8 2,827 242 73 55 4,917 1.829 5 1.003 30 751 636 429 102 1,072 2,470 1,680 148 645 4,972 80 3,168 269 3.059 3,377 27 2,607 50 934 575 ., 683 12 724 401 .. 1.247 274 1,467 2,689 .. 1,585 103 1,410 1.039 242 1,128 49 869 593 .. 399 220 3,073 6,845 434 4,915 56 771 1,806 .. 1,598 29 3,488 1,016 .. 742 4 1,225 101 2 1,517 107 .. 130 3 551 145 .. 125 2 372 30 22 1,509 34,638 30,156 844 22,260 :: "il ':: :: ! :: . 4 .. ,. 2, .. .. I .. 14 " - I - 279 2,062 '. 2,018 .. j 1,105 ' 2 1 .. .. .. 8 7 1 .. .. j ■- 226 763 j 1,573 79 1,182 .. 1 .. .. .. 2 ! .. ' :: I :: :: 1,706 1,491 89 1,641 4,943 17,919 821 10,545 9,960 43,863 1 3,002 20,642 143,233 632,400 41,254 337,816 350 I 25 I 08 ! 400 634 .. 285 43 276 613 I 248 1 ■■ _!._:_ 45 j 344 162 .. j 111 1,629 j 9,617 523 3,013 Total. Total .. ■■ 1,205,346 285 Naker-Gisboexe District. Waiapu ■■ ■■ 613.270 Cook .. -■ •■ IHS7.!i:>2 Waikohu -■ •■ -'I-' 1 '' Mast Taupo (part of) .. 21,089 Wairoa.. .. ■■ 0+7,477 Hawke's Bay .. ■• 1,187,206 Waipawa ■- " 437.o80 \Wipi.kurwi .- ■■ M.2J2 I'aiiit.itatii. and st;:i.!i.,n Dannevirke .. ■■ 281,600 Woodviile ■■ -- I 1 "'--'' 2 Pahiatua ■ ■ ■ ■ 244,374 Total .. ■ ■ 5,913,301 10 332 7 454 252 .. 50 .. i 125 .. .... el 488 .. 102 I 63 I 165 I .. 15 61 2,020 ! 252 .. 262 113 .. .. | .. 44 . 635 391 160 105 109 I 75 143 1,925 1,507 ' 115 1.009 II 178 , 78 .. 36 106 7 582 80 .. 70 2 322 110 .. | 102 135 .. .. ■ 37, 202 125 1,718 896 i ., 380 434 .. I " 11 j " 29 :: j :: :: 80 ' 716 1,115 ' 25 1,011 211 .. I 1 j 45 26 18 12 4 702 342 I .. 150 .. i 204 .... 1 I 39 . .. ! .. 16 .. .. ! .. 222 I 4,316 i 2,379 43 I 1,553 25 .. .. ! ■■ 1 . 151 18 .. I 16 .. . « .. .. 1 .. 25 i 205 ■ 170 .. I H10 95 .. ,. .. 46 .. .. ! .. 2 54 62 4 17 13 .. .. ! 14 .. j 1 37 j .. .... 29 686 250 4 132 124 74 482 278 7 1 213 99 7 1 50 652 1,077 173 I 822 36 175 168 .. 109 24 10 389 28 ; .. 2 3 99 85 1 89 .. 9 ..... 85 ...... 179 j 2,138 1,638 I 180 \ 1,235 _J j —. 13 166 .. 20 15 197 15 4 703 168 .. 16 50 14 ..... j ., ,. 7 .. I .. .. 7 386 137 .. 65 65 ...... 47 ..!.., ., 12 .... .. I ___ _ J , 61 ' 1.640 305 '■ .. \ 101 j L 71,556 291,327 17,240 217,688 109,555 438,104 87,561 304,921 52,357 262,185 16,183 173,919 1,342 11,983 1,703 (5,387 135,368 205.395 50,392 180,231 171.011) 530.560 0.1.557 336,181 ■10.004 215,930 27,532 141,430 9,017 47,396 ' 8,663 24,076 98,398 377,634 ' 63,101 248,261 25,174 143,647 11,000 96,090 8,663 52,755 i 5,770 34,581 15,905 134,096 10,289 79,074 738,415 2,780,027 393,991 1,841,839 11,275 46,794 938 20,115 2,528 22,276 1,093 11,204 1,106 5,575 523 4,432 4,231 69,793 1,515 41,255 9,607 46,452 1,545 29,970 7,237 24,744 1,239 12,744 21,752 45,470 6,795 23,362 65,080 116,720 10,853 67,171 27,401 95,581 6,978 43,329 23.007 77,769 3,170 55,361 96,506 216,504 29,586 139,975 114,876 335,117 22,551 222,806 15,260 103,451 13.459 79,343 3,335 99,305 10,785 47,412 12,725 55,636 8,017 26,019 22,765 188,131 9,394 107,571 7,111 82,983 1,351 54,372 14,162 71,896 14,889 44,645 22,204 83,636 12,501 42,405 15,168 79,265 5,256 49,904 9,248 46,538 2,523 24,285 48,997 270,640 30.008 104,751 19,705 101,225 11,221 54,522 44,185 318,019 19,210 199,972 24,643 87.670 9,914 60,119 24,171 112,544 8,7*1 84,110 2,603 60,601 1,998 31,390 3,393 45,441 j 2,089 29,914 674,880 2,909,784 248,161 1,772,458 500 440 I .. 336 5,483 j 2,797 .. 40 2,721 4.374 350 400 2,273 800 55 Naheh-Gisboeke District. Waiapu. Cook. Waikohu. East Taupo (part of), Wairoa. Hawke's Bay. Waipawa. Waipukurau. l'atangata and Weber. Dannevirke. Woodviile. Pahiatua. 300 .'. '.'. 400 100 207 j 4,234 I 2,310 275 1,442 868 '.. .'. '.'. 11,345 8,671 905 1,315 Total. Wellington - West Coast Distbict. Clifton *>.9U Taranaki 3n.;.3-! Egmont '1,80,) Stratford .- •■ 119,539 Whangamomona - ■ 88,892 Eltham 47.12H Hawera and Wainini'' \' :■*■ 103.401 Patea 274,227 Waitotara .. ■■ 178,975 Waimarino ■■ 164,326 Wansamii .. ■■ 400.034 linu-itikM iHunlri'vilU'i .. 723,274 Rangitikei (Feilding) .. 220.D2H Oroua .. ■■ ■- 170.212 Kairanga .. ■■ I li'.305 Kiwitea ■- •■ 3411.203 Pohangina .- ■■ 1 io. (l 7-> Manawatu .- ■• i4^ 71^ Horowhenua ■ • ■ ■ 107.93.'> Hutt i 164.214 Makara -- -■ *>4.072 Featherston ■■ •■ ."531.oOd South Wairarapa .. lO.i.OT, Masterton -. -■ w\W Castlepoint .. •■ 185.120 Akitio Eketahuna ■■ "8.521 Mauriceville • ■ 82,740 Total . ■ • ■ 5,799,015 41 20 21 5 39 109 45 : .. 24 5 97 .. 100 4 49 ., 811 7 153 1 153 5 361 520 61 40 42 .. .. 50 4 ,. 6 24 400 06 66 33 22 j 7 248 16 2 47 81 75 45 10 59 2 6 31 1,927 935 87 270 237 .. 151 33 21 Wellington - West Coast District. 2 458 184 .. 50 184 ., 6 54 .. 48 1,012 133 .. 107 466 j .. 67 470 j 265 154 38 1,149 I 1,299 10 1,016 319 1,967 4,682 260 ! 3.609 20 1,094 I 1,124 .. 806 1 733 ! 31 2,038 670 .. 431 51 2,069 344 .. 235 94 1,229 : 1,959 85 1,265 18 382 . 607 180 478 15 116 1 828 .. 341 68 1,076 : 493 340 4 817 10 8 2 175 57 35 90 80 j 11 144 .. 12 .. 29 572 ; 609 .. 208 43 653 1,232 .. 1,152 72 2.384 : 1,348 50 954 8 642 80 70 1,054 466 6 564 345 .. 259 947 22,040 16,269 610 11,639 1 80 30 2 0 28 22 6 4 : 6 6 11 17 ! 48 893 : 526 .. 362 24 756 580 .. 410 75 1,785 j 1,164 .. 784 '.'. 27 j '.'. I '.. '.'. 110 .. I 51 2 .. j 8 52 423 .. 392 18' 241 397 .. 187 40 110 66 .. 117 20 5 202: 191 .. i 100 3 I 231 j 133 50 126 I 114 20 50 13 42 362 .. , 155 io 117 415 ., ! 283 .. '' 43 :: :: i :: 4 47 .. | I 42 04 458 20 .. ! 104 .. .. 13 .. .. j .. os .. ! 2l .. .. ! .. 16 .. .. i .. .. ! 36 .. .. j .. 158 1,864 2465 60 ! 1,414 92 : 22 88 180 40 I 123 10 17 52 .. 65 140' .. .. I 37 .. .... 4 i 38 300 .. I 310 30 25 200 .. 100 :: it :: :: ! :: 0 I 291 183 20 : 115 35 358 ' 177 93 50 3 I 45 70 14 124 .. 35 i 70 91 684 i .. ' 512 4 105 162 j 30 132 11 0 6 99 54 I .. 30 20 .... 2 38 65 .. 30 ... 24 .. .. 2 417 115 I 68 , 90 3 80 80 . .. I 100 71 .. .. ' 13 1 29 58 40 2 18 3 .. .. i .. 30 .. 6 .. .. I 96 .. i ,. 1 , 40 110 27 Clifton. Taranaki. Egmont. Stratford. WliiincEuiiomona. Eltham. Hawera and Waimate Wesl. Patea. Waitotara. Waimarino. Wanganui. Rangitikei (Hunterville). Rangitikei (Feilding). Oroua. Kairanga. Kiwitea. Pohangina. Manawatu. Horowhenua. Hutt. Makara. Featherston. Smith Wuirarapa. Masterton. Castlepoint. Eketahuna. Mauriceville. ,', .. "2 .. '.'. 16 38 j :: J ? :: ! :: 12 77 12 , 29 .... 7 14 202 .. 185 23 .. 8 8 3 26 33 I .. 23 3 155 35 ! .. 9 253 : 234 ! 150 2 »8 ■• gg! ■■ ■■ 4 80 1 5 I 8 J87 290 j .. 210 36 469 456 i .. 422 19 190 i 260 136 18 199 87 -. 44 5 32 I .. : 19 190 : 190 .. . 151 5 48 90 ■ .. 44 2 47 ! .. I .. 1 5 33, .... .. 6 ! 845 ■ 208 i 200 12 420 303 ■ .. I 260 32 1,100 1,167 .. 845 1 191 38 .. 26 .. 47 .. .. ! .. 2 221 68 ''■ 63 3 100 82 I 40 201 5,343 3,736 0 I 2,675 50 2,500 69 .. j i 17 .. ' .. 7 108 140 ... 139 3 30 : 116 ' .. ' 61 9 88 .... 2 .. 10 .. .. .. " 11 I 211 120 30 51 2 I 95 50 .. 50 4 269 46 I 32 22 I 267 120 134 378 2 ' 56 100 30 : 40 8 .. .. 4. 26 152 [ 94 1 '.'. 9 71 . .. .. 42 17 I 32 30 10 15 2 24 ..... .. i 9 .. 2 .. ,. IB I 3 39 120 4,338 7.204 425 2,174 207 ; 110 100 .5!) Hi 20 440 218 . .. 50 5 100 2:10 .. 33 2 ! 174 55 j 32 46 .. .. \ ■ ■ '.'. 23 '. .. .. 3 76 1,679 1,228 30 i 093 .. j 318 335 i .. .'. '.'. 2 j "71 "87 '.'. 86 .. ' 5 .. 232 j 2,330 2,418 292 1,749 .. 9 .. .. 3 76 1,167 683 J 174 628 4,880 10,552 425 2,346 Total. 1,414 Mablbokough—NelsonWestland District. Waimea ,. ■■ 207.271 Takaka .. ■• 44.244 Cnllinnwood ■■ ■■ 11,771 Buller 4,282 Ina-ntiahim- .. ■■ 8.020 Murchison .. ■■ 28.043 Grey 24,408 Wetland .. ■■ 25,445 Sounds 172,o;i7 Marlborough .. ■■ 680,532 Total .. .. 1,302,059 2 302 76 .. 34 16 4 1 2 8 12 19 j .. 56 .. 128 2,250 1 4,607 418 1,281 130 2,670 J 4,682 418 1,315 47 2,267 1,956 76 1,198 3 395 100 .. 05 92 21 1 41 .. 13 258 111 89 .. 3 2 951 23 .. 10 23 711 1,339 809 76 4,936 3,418 76 2,104 3,241 100 .. 70 29 I 22 11 2 ! 14 I 228 i 449 .. 200 I 32 .. 1 4 '.'. '.'. .'. 5 j .. .. ; 16 i '.'. '.'. '.. 3 I .. .. .. I 203 : 53! 2,279 1,331 .. 1,170 67 I 2,773 j 1,780 .. i 1,370 7 189 275 I .. 700 38 .. .. 2 5 8 8 17 12 6 .. ..I .. 6 200 373! .. HO 13 545 048 | .. 840 2 35 33 2 6 :: il :: :: ! :: 203 21 (i .. 7 .. 7 .. 6 ,. 38 22 .. .. I 1,083 " 61 '.'. ; 83 1 1,725 61 83 23,557 158,850 5,742 88,403 1,867 25,951 533 14,698 1,480 5,306 032 3,941 627 2,300 517 796 1,099 4,474 664 1,699 3,461 13,094 1,6*9 9,439 5,214 12,163 1,102 5,695 3,677 12,914 1,724 6,487 10,337 99,194 811 56,240 35,926 223,652 9,088 130,075 87,245 557,898 22,742 317,473 2,284 7,346 .. 2,662 10 426 6 9 '50 60 j Mablbobotj GH-N ELSO nWestland District. Waimea. Takaka. Collingwood. Buller. Inangahua, MuTehieon. Grey. Westland. Sounds. Marlborough. i 24 .. I .. 14 .. ., | .. .. ! 45 .. .. ! .. 3 424 160 .. 134 3 j 544 : 160 .. 134 ..." 20 '.'. •• 2 96 33 .. ! 2 j 1 150 300 130 1,709 ... 173 94,640 110,604 17,962 ' 43,668 97,264 120,444 17,968 ; 46,512 Total. CASTERBTraY-KAntOUBA District. Kaikoura .. .. 214.377 Amuri 452.032 Cheviot .. .. 108,840 Ashler and Waipara .. 1)00.921 Akaroa, Wairewa,Mt. Herbert 24S.S27 Solwvn, Tawera, Waimairi 795.153 Ashburton .. -■ j 938,750 Geraldine and Levels .. ij5S,59i.) Ma-ukisHzie ■■ -- 485.014 Waimate . - -. 592,754 Total .. .. 5,486,464 5 264 i 180 143 60 34 1,785 1,397 274 886 85 59 : 1,492 346 046 46 522 I 1,206 144 831 3 102 16 1,284 702 120 1,073 16 720 252 20 127 I 783 22 .. 10 15 966 582 120 353 4 442 980 30 149 225 6,927 I 6,813 1,196 4,135 37 i 2 15 .. .. ' 21 97 ■ 160 .. 55 1 38 j j 20 197 ! 454 30 ! 256 5 351 I .. 65 6' 122: 145 .. 92 12 36 i .. ,. 3 34 386 j 189 .. 158 103 1,292 j 948 30 [ 029 1 38 39 51 2 .. 16 306 296 .. 311 8 151 340 .. 311 16 209 018 .. 566 4 824 241 .. 220 4 161 124 155 52 1,981 1,789 .. 1,632 36 1,001 674 .. 553 23 466 220 .. 103 21 < 555 462 .. 223 12| 675 513 .. 271 37 ! 228 81 .. 69 .. 1 172 " 36 ; 773 648 .. 549 17 1 502 115 80 618 ! 2.325 5,555 1,386 4,500 62 i 1,600 484 (51 488 72 i 4,976 2,753 192 1,905 183 3,455 4,893 17 2,989 . __l *_ ?__ 1,117 ! 16.731 16,401 1,655 11,796 j — .. ; 38 .. .. ! .. .. 164 .. .... 6 129 71 .. 43 60 ! 1,402 827 27 , 727 2' 414 114 .. I 61 ' 1,064 2,387 190 I 2,060 65 i 1,970 . 2,821 220 '' 2,253 73 2,434 , 1,815 206 : 1,723 8 1,252 : 442 .. I 317 110 3,736 35536 110 2,797 391 j 12,623 12,013 753 9,924 4 1,115 ' 125 ' .. 128 11 1,594 491 | .. 400 74 1,118 534 3 295 160 I 4,079 ! 4,752 1 174 1 2,854 53 ] 3,077 ! 1,941 .. j 1,612 262 4,638 I 8,487 642 ! 6,251 234 5,898 4,931 373 1 3,760 115 3,368 ! 3,413 238 ' 2,422 6 1 832 I 292 .. 1 168 69 ' 1,425 ! 412 ..I 230 991 j 27,144 I 25,378 1,430 J 18,120 j I 11 I .. 1 3 269 252 .. I 144 189 .. .. I .. 75 ' 1,468 1.590 170 823 1 I 115 20 .. 50 61 884 2,404 ; 120 1.546 67 ! 1,697 2,181 i 125 1.790 26 I 246 661 . 102 533 ..I 12 .... 10 j 178 192 i .. 112 243 ! 5,069 7,309 j 517 5,004 ■ 2 .. 127 , 3 i 94 I 100 .. i 91 32 328 741 .. 521 1 . 9 I 34 1 19 74 726 1,843 25 1,402 21 271 6)1(1 30 513 21 .. I .. I .. .. .. 13 81 38 .. 2S 144 1,060 3,362 55 2,574 j 1 , .. 524 I 3 903 195 .. 139 18 ! 579 70 .. 91 110! 3,838 : 5,418 .. 2,992 11 ' 108 j 293 I 95 19 198 94 .. 67 242 842 ■ 1,004 .. 859 20 455 : 639 97 378 i 1,133 : 128 i .. HI 7 1,345 j 212! .. j 198 431 9,925 j 8,053 97 4,930 162 1,122 j 542 .. 548 2 553 I 105 .. 338 177 311 : .. j 27 404 134 148 2 464 121 .. 100 13,498 93,565 2,6*7 54,589 29,856 119.832 5,912 77,017 7.570 108.242 3.210 51,107 55,565 492,988 j 28,481 210,651 16,775 169.177 .' 2,713 51,549 54,480 314.813 29.337 161,134 65,912 483,350 53.705 206,287 39,019 320,967 34,588 175,927 52,306 151,189 13,238 95,412 42,116 296,446 22,3?8 166,791 377,097 2,556,569 196,218 1,240,464 39,999 230,181 18,054 98,998 38.040 136,330 11,084 73,164 12,822 52,838 5,581 41,679 27,328 47,949 8,067 32,758 10,042 71,541 7,349 39,404 6,493 39,426 5,914 15,970 111 3,318 1,070 440 45,982 89,351 12,113 +7,969 34,979 104,630 , 7,755 56,576 32,770 169,119 I 15,412 109,686 74,995 179,161 , 17,316 118,318 115,709 625,451 i 39,020 334,632 41,118 270,366 I 26,815 155,965 639 1,537 ' 143 078 487,027 2,021,198 ' 175,743 1,126,237 _ __ j 143,233 632,406 i 41,254 337,816 738,415 2,780,027 303,911 1,841,839 674,880 2,909,784 248,151 1,772,458 1,556,528 6,322,217 j 683,406 3,952,113 87,245 557,898 22,742 317.473 377,097 2,556,569 196,278 1,240,464 487,027 2,021,198 175,743 1,126,237 951,369 5.135,665 394,7(53 2,684.174 j 1,556,528 6.322.217 683,406 3,952,113 j 2...I17.S07 1U57.SW2 1.078,16!! 6.630.287 _J 24,375 15,200 2,455 ' 4,958 59,435 98,262 17,303 35,865 5,564 12,604 550 I 3,840 19,498 46,658 3,647 ! 7,095 22 406 .. .. 61,959 100,544 10,148 i 22,152 28,124 52,386 4,973 1 8,874 17,291 26,950 6,622 \ 9,652 67,154 68,245 6,367 . 23,624 22,406 23,167 2,869 8,930 305,828 444,422 54,924 124,990 70,888 60,390 11,151 38,500 24,572 20,686 3,421 7,750 57,625 67,738 15,622 18,425 49,368 44,017 7,836 21,495 104 2,241 34 63 382 1,710 30 500 6,241 5,423 "440 1,057 868 3,245 33 70 777 3,170 222 • 567 21,383 15,086 2,340 6,609 4,929 I 7,627 463 3,734 ■ 1,112 j 5,372 65 209 238,239 236,705 ! 41,656 98,379 Castebdury-Kaikoura District, Kaikoura. Amuri. Cheviot. Ashley and Waipara. Akaroa, Wairewa, Mt. Her It 11, Selwyn. Tawera, Waimairi. Ashburton. Geraldine and Levels. Mackenzie. Waimate Total, Otaoo District. Waitaki .V.H'uiiili Manii-noio .. .. 1125.015 Vincent 277,630 Lake 242,101 Waibnuo 140.450 Waikouaiti .. .. j 72,321 I'otiiiistiln .. .. 5,075 Taieri 211,757 Bruce 214.352 Olutha 351.005 Tuapeka .. .. 441,451 onuibland .. .. 1,163,013 Wallace ■■ .. V 1,254 Stewart Island .. .. 3,021 Total .. .. 4,563,435 41 1,804 1,010 154 388 106 965 2,773 704 1,343 73 1,046 l 67 i 24 ! 61 ! 1,216, .. I 8 88 54| -■ 4 47 168 .. j 38 '.'. "213 '.'. .. ! 4 97 . .. .. ! 55 «2 1 467 74 : 23 6 478 j .. .. I 4 I 737 !.. 50 192 '. 301 7,016 4,539 1,006 ! 1,853 393 142 1,359 333 ! 2,416 :: i\ :. :: 1 :: 2 11 48 28 3 2 ! 4 .. ; .. .. I .. .. I .. 3 13 | 2 1 61 ! 23 .. 15 31 282 1 243 .. 195 20 319 ' 250 40 160 462 874 1,927 | 373 J 2,816 254 2.950 1.876 50 j 1,734 65 ! 1,406 ! 155 ... 104 15 ! O20 474 30 ' 380 9 i 105 ! 174 5 | 124 93 835 473 .. 471 29 288 189 142 8 128 36 ' 616 ' 903 .. 921 122 1,319 ' 1,807 I 29!) ' 1,566 08 1,084 1,647 73 926 35 881 581 ! 26 470 233 5,849 5,544 346 4,849 113 2,412 2,080 24 1.201 1,080 18,798 | 15,909 j 853 j 12,947 135 782 337 ' 10 I 96 3 316 j 88 101 ... 78 .. .. 57 4 1 163 j 171 .. 82 24 343 504 130 420 40 .. j 4 8 66 10 I 50 20 .... .. 9 .. ' 1 13 65 f .. 15 11 43 ] 43 .. 85 :: : " 2 :: :: :: ••; :: :: . :: 28 . 456 : 417 • 50 418 ' 149 16 236 i 477 56 : 325 21 990 323 .. 184 22 780 I 254 30 191 3 352 191 ' .. 39 Otago District. Wailaki. Maniototo. Vincent. Waihemo. Waikouaiti. Peninsula. Taieri. Bruce. Clutha. Tuapeka. Southland. Wallace. Stewart Island. 1. 32 I 1 85 j 5 1 48 8 .. i 8 2 35 .. 12 384 360 5 ! 184 19 205 541 .. 385 6 179 2,790 1,510 15 913 34 . 15 I 12 24 .. ! .. 1 0 50, 24 4 .. ! .16 183 386 ; 11 255 5 ' 23 15 .. 5 .. 0 ' .. 1 47 ! 1 61 4 19 14 .. 12 51 j 707 1,100 151 781 6 144 ! 74 I 97 282 6,000 ' 2,564 ' 142 2,291 Total. Auckland .. ., 1,205.340 Xapmr-Gisbome .. 5.913.301 Wellington-West Coast .. 5,799,015 Total for North Island 12,917,662 Marlborough - Nelson-West- 1.302.050 land Uaiittrlmrv-Kaikruira .. 5,lMii,t04 Otago 4,503.435 Total for South Island 11,351,958 Total for North Island 12,917,662 Total for Dominion .. 24,209,620 43 702 283 .. 102 61 2,020 252 .. , 262 31 1,927 j 935 87 | 270 135 4,649 ! 1,470 87 j 634 130 2,670 I 4,682 418 I 1,315 I 293 2.496 2.517 327 1,519 966 18,629 I 11,103 1.508 7,582 947 22,040 16,269 1 010 11,630 2,206 43,165 { 29,889 '■ 2,445 ' 20,740 75 1,785 1,104 .. 784 793 J 5,506 5,474 364 2,960 1,898 38,487 16,151 303 12,013 1,509 34,638 30,156 844 22,260 4,200 l 78,631 51,781 1,511 37,233 76 4,936 3,418 76 2,104 08 460 634 ! .. ! 285 207 4.234 2,310 : 275 1,442 158 1.864 2,465 60 I 1,414 433 0,558 5,209 325 3,141 3 544 160 .. 134 279 ' 2,062 2,018 .. 1,105 222 : 4,316 2,379 43 1,553 232 I 2,330 2,418 292 1,749 733 j 8,708 6,815 335 4,407 67 2,773 1,780 .. j 1,370 226 763 1,573 I 79 1,182 29 685 2.50 J 4 132 76 1,679 1,228 30 6"3 331 3,127 3,051 ' 113 2,007 13 : 545 ! 648 840 43 276 613 .. 248 179 2.138 1,638 180 1 1,235 201 i 5,343 3,736 6 i 2,675 423 7.757 j 5,987 186 I 4,158 2 96 \ 33 ... I 2 45 344! 162 .. Ill 61 j 1,040 305 .. 101 76 I 1,167 : 083 174 628 182 i 3,151 1,150 174 840 1 1,725 61 .. j 83 431 9,925 8.053 97 4,030 282 6,000 2.564 142 : 2,291 714 17.650 10.078 239 j 7,304 182 3,151 1,150 174 840 896 210,801 11,828 I 413 j 8,144 I 1,629 9,517 523 3,013 11,345 8,671 905 ! 1,315 4,880 10,552 , 425 2,346 17,854 28,740 ! 1,853 6,674 97,264 120,444 17,968 46,512 Auckland. Xajiji'i-Cisborno. Wellington-West Coast. 6,874 Total for North Island. 225 i 6,927 ! 6,813 1,196 4,135 301 I 7,016 , 4,539 1,006 j 1,853 656 ' 16,613 I 16,034 2.620 7,303 135 ! 4,649 . 1,470 87 634 791 I 21,262 17,504 2,707 \ 7,937 103 1.292 948 30 ; 629 462 874 1,927 373 2,810 640 3,951 ■ 4.039 403 1,229 2,206 43,165 j 29,889 ; 2,445 20,740 2,846 47,116 j 33,928 j 2,848 j 24,969 52 1,981 1,789 .. 1,032 1,117 16,731 16,401 1,655 11,796 1,245 23,648 21,608 1,731 15.532 4,200 78,631 51,781 1,511 37,233 5,445 102,279 73,389 3,242 62,765 391 12,623 12,013 753 0,924 1,080 18,798 15,909 853 12,947 1.474 31,965 28,082 1,006 23.005 433 0,558 5.400 325 3,141 1,907 38,623 33,491 1,931 20.146 I 991 i 27.144 25.378 1,430 18,120 170 2.790 1.510 15 j 913 1,237 ! 32,707 28,668 1,445 20,403 733 S,708 6,815 335 4,407 1,970 : 41,415 35,483 ' 1,780 24,810 243 5,069 7,309 1 617 5,004 51 707 1,100 J 151 781 307 0,321 . 9,057 ' 668 6,6 5 331 3,127 ; 3.051 113 2,007 638 ' 9,448 I 12,108 j 781 8,632 1 111 1.000 3.302 55 I 2,574 0 144| '4 .. 97 152 1,900 3,409 55 2,673 423 7.757 5,987 180 : 4,158 575 9,057 j 9,456 | 241 I 6,831 305,828 444,422 j 54,924 124,990 238,239 236,705 j 41,656 98,379 I 641,331 801,571 114.548 269,881 j 17,854 28,740 \ 1,853 6,674 S 659,185 830,311 '■ 116,401 276,555 I ! Marlborough - Nelson-West-land. Canterbury-Kaikoura. Otago. Total for South island. Total for North Island. Total for Dominion. 7.937 I __ 2-H. 23b,

H.—23b

C — continued. SUMMARIES. Number of Sheep in each District at 30th April, 1910.

3—H. 23b.

7

r ort, Island. Auckland Sheep District. Napier-Gisbome Sheep District. Wellington-West Coast Sheep District. Total North Island. Stud Sheep and Flock Rams— Merinos Lincoln Romney Border Leicester English Leicester Shropshire Southdown Other breeds 1,130 7,152 15,097 1,447 5,464 3,823 1,180 662 2,595 39,788 68,852 8,468 8,513 1,100 5,370 2,107 j J 3,250 51,505 89,407 5,951 7,021 3,706 11,961 2,728 I 6,975 98,445 173,356 15,866 20,998 8,629 18,511 5,497 Totals Flock SheepCrossbred and other long-wools Merinos 35,955 136,793 ; 175,529 348,277 1,154,709 14,682 5,754,272 22,236 i 5,605,283 18,203 5,799,015 12,514,264 55,121 | 12,917,662 Grand totals 1,205,346 5,913,301 South Isla: id. Marlborough-Nelson-Westland Sheep District. CanterburyKaikoura Sheep District. Otago Sheep District. Total South Island. Stud Sheep and Flock RamsMerinos Lincoln .. .. .. ' Romney Border Leicester .. :. English Leicester Shropshire Southdown Other breeds 9,215 3,808 10,610 841 5,990 2,046 133 1,870 19,296 3,002 5,454 35,704 73,063 18,142 7,795 23,436 14,715 6,452 47,700 49,587 5,407 2,790 321 11,279 138,251 43,226 13,262 63,764 86,132 84,460 22,978 8,249 36,585 358,656 Totals 34,513 185,892 Flook SheepCrossbred and other long-wools Merinos 985,358 282,188 4,370,408 930,164 3,810,205 614,979 9,165,971 1,827,331 Grand totals 1,302,059 5,486,464 4,563,435 11,351,958 Totals. North Island. South Island. Total in Dominion. Stud Sheep and Flock Earns— Merinos Lincoln Romney Border Leicester English Leicester Shropshire Southdown Other breeds 6,975 98,445 173,356 15,866 20.998 8,629 18,511 5,497 43,226 13,262 63,764 86,132 84,460 22,978 8,249 36,585 50,201 111,707 237,120 101,998 105,458 31,607 26,760 42,082 Totals Flock Sheep— Crossbred and other long-wools Merinos 348,277 358,656 71 )6,933 12,514,264 55,121 9,165,971 1,827,331 21,61 1,81 10,235 S2,452 Grand totals 12,917,662 11,351,958 24,21 >9,620 Auckland Sheep District. Naniei- nu Wellington- Marlboroi borne Sheep West Coast Nelson-Wes District Sheep Sheep uiscnct. District. Distric ugh- Canterburystland Kaikoura ) Sheep :t. District. Otago Sheep District. Total in Dominion. Stud rams Flock rams Wethers Breeding-ewes Dry ewes Lambs 1,790 12,609 144,862 655,197 42,547 348,341 3,623 72,149 749,760 2,823,086 397,209 1,867,474 3,230 70,988 679,760 2,978,226 250,679 1,816,132 15, 184, 690, 41, 370, S67 )74 i09 !88 !04 117 2,580 66,621 682,925 3,066,656 255,280 1,412,402 3,478 53,060 725,266 2,301,927 221,594 1,258,110 15,068 290,501 3,167,082 12,515,380 1,208,513 7,073,076 Totals 5, §13,301 1,205,346 5,799,015 1,302,059 5,486,464 4,563,435 24,269,620

H.—23b

8

C — continued. SUMMARIES— continued. Merinos and Long-wools shown separately.

Number of Ewes in the Dominion (Stud and Flock).

Number of Rams, Wethers, Ewes, and Lambs in the Dominion since 1900.

Number of Sheep in the Dominion since 1897.

Males. -!-■ Females. Totals, [erinos .. 'rossbreds and other long-wools 823,448 6,185,603 i 7,009,051 6,909,912 1,109,215 16,151,354 17,260,569 16,570,795 1,932,663 22,336,957 Totals, 1910 . 1909 24,269,620 23,480,707 788,913 Increase Decrease .. 99,139 689,774

Year. North Island. South Island. Breeding-ewes. Dry Ewes. Breeding-ewes. Dry Ewes. North Island. Breeding-ewes. Dry Ewes. Dominion. 30ch April — 1897 1898 1899 1900 1901 1902 1903 1904 1905 1906 1907 1908 1909 1910 ! 4,041,431 4,058,998 4,242,764 .. 4,540,357 .. ! 4,838,419 .. j 4,660,130 .. I 4,319,918 .. ! 4,465,292 4,859,547 5,113,798 5,472,818 5,698,865 6,356,783 6,456,509 I 838,425 819,168 920,628 648,816 616,148 795,996 811,061 629,184 349,191 481,525 501,494 626,687 580,092 690,435 4,645,762 4,386,014 4,418,982 4,716,697 5,068,197 4,950,019 4,751,833 4,757,156 5,219,637 5,365,389 5,264,028 5,545,176 6,013,563 6,058,871 694,647 778,973 696,283 445,755 481,413 628,766 619,502 413,663 360,187 451,209 493,508 540,158 435,167 518T078 8,687,193 8,445,012 8,661,746 9,257,054 9,906,616 9,610,149 9,071,751 9,222,448 10,079,184 10,479,187 10,736,846 11,244,041 12,370,346 12,515,380 1,533,072 1,598,141 1,616,911 1,094,571 1,097,561 1,424,762 1,430,563 1,042,847 709,378 932,734 995,002 1,166,845 1,015,259 1,208,513

Year (30th April). Stud Hams, Two-tooth and Over. Flock Bams, Wethers, Two-tooth and Two-tooth and Over. Over. Breeding-ewes. Dry Ewes. Lambs. Totals. 1900 .. 1901 .. 1902 .. 1903 .. 1904 .. 1905 ,. 1906 .. 1907 .. 1908 .. 1909 .. 1910 .. 7,985 9,650 10,799 9,383 8,220 8,333 9,265 11,928 14,902 16,060 15,068 189,945 206,014 207,168 205,306 211,733 220,773 232,662 ' 243,574 257,850 282,858 290,501 3,528,799 3,413,238 3,358,066 3,232,219 2,871,809 2,771,872 2,788,900 2,899,763 3,378,398 3,427,994 3,167,082 9,257,054 1,094,571 5,276,841 9,906,616 1,097,561 5,600,020 9,610,149 1 1,424,762 \ 5,731,783 9,071,751 ! 1,430,563 ! 5,005,331 9,222,448 I 1,042,847 j 4,923,749 10,079,184 i 709,378 ] 5,341,335 10,479,187 ! 932,734 j 5,665,723 10,736,846 ! 995,002 j 6,096,659 11,244,041 ! 1,166,845 I 6,387,017 12,370,346 ! 1,015,259 I 6,368,190 12,515,380 I 1,208,513 ! 7,073,076 I ! 19,355,195 20,233,099 20,342,727 18,954,553 18,280,806 19,130,875 20,108,471 20,983,772 22,449,053 £3,480,707 24,269,620

u a Stud and Stud %< Flock Breeding1>|,3 Earns. ewes. I Ury 1 Stud . Ewes. LambB - Total Stud Sheep and Flock Rams. Wethers. B^ingFlock iheep. Dry Ewes. Lambs. Stud and Flock Sheep. Grand Total 1897 1898 1899 1900 1901 1902 1903 1904 1905 1906 1907 1908 1909 1910 193,196 187,756 190,670 197,930 215,664 217,967 214,689 219,953 229,106 241,927 255,502 272,752 298,918 305,569 164,909 164,947 181,602 182,255 200,159 201,181 183,398 161,205 192,364 206,612 215,528 230,075 222,799 227,187 13,518 14,598 14,940 15,047 16,715 19,484 15,184 13,049 10,866 11,105 12,773 14,725 14,192 13,943 109,478 113,904 112,490 123,145 135,109 132,585 123,878 104,647 120,649 141,319 151,881 157,556 153,948 160,234 481,101 481,205 499,702 518,377 567,647 571,217 537,149 498,854 552,985 600,963 635,684 675,108 689,857 706,933 4,052,477 3,918,236 4,092,310 3,528,799 3,413,238 3,358,066 3,232,219 2,871,809 2,771,872 2,788,900 2,899,763 3,378,398 3,427,994 3,167,082 8,522,284 8,280,065 8,480,144 9,074,799 9,706,457 9,408,968 8,888,853 9,061,243 9,886,820 10,272,575 10,521,313 11,013,966 12,147,547 12,288,193 1,519,554 1,583,543 1,601,971 1,079,524 1,080,846 1,405,278 1,415,379 1,029,798 698,512 921,629 982,229 1,152,120 1,001,067 1,194,570 5,112,538 5,410,676 4,674,379 5,153,696 5,464,911 5,599,198 4,881,453 4,819,102 5,220,686 5,524,404 5,944,778 6,229,461 6,214,242 6,912,842 19,687,954 19,673,725 19,348,506 19,355,195 20,233,099 20,342,727 18,954,553 18,280,806 19,130,875 20,108,471 20,983,772 22,449,053 23,480,707 24,269,620

H.—23b

D.

4—H. 23b.

9

1. Sheep Districts in Counties. 5 3 Owners ol Sheep owning 2. On the 30th April, 1910. Total Number ol 3heep. Shee P3. Name and Addkbss of Offices, and Appointments held by him. o o • O _, O r-i O © CM *Q r-t 3 O 1 rH O W-" I O © JO lo ■:. ° . ,_, O rH O tO O ~0 g o I Owners o'-a ! of Sheep. c8 AUCKLAND DISTRICT— Bay of Islands Subdivisio7i — Mangonui Whangaroa Bay of Islands ... Hokianga ... ... ... Marsden Subdivision — Eodney Whangarei Otamatea Hobson Auckla7id Subdivision — Waitemata Eden ... Manukau Coromandel Thames Waikato Subdivision — Ohinemuri Waikato Eaglan Waipa... Piako and part Matamata Taupo Subdivision — West Taupo and part Matamata ... Kawhia Awakino ... ... Waitomo and Ohura Bast Taupo (part of) and Eotorua... Bay of Plenty Subdivisio7i — Tauranga Whakatane Opotiki ... 47 ... 16 ... 67 ... 18 ... 182 ... 79 ... 58 ... 19 ... 86 ... 11 ... 163 ... 32 9 7 ... 45 ... 35 ... 54 ... .46 ... 12 19 ... 27 4 7 ... 22 ... 30 Pope, F. S., Wellington, Secretary of Agriculture. Eeakes, C. J., M.E.C.V.S., Wellington, Director of Live-stock and Meat. 47 16 67 18 29 13 23 18 4 3 8 2 1 1 5 1 1 I 3 1 82 33 107 39 22,177 9,047 41,646 11,218 IStone, J. T., Whangarei, Inspector of Stock, | Eegistrar of Brands. 182 79 58 19 96 38 44 19 20 11 22 13 6 3 11 6 1 1 2 4 305 132 137 62 74,450 32,796 59,074 46,932 1 Hull, E., Auckland, Inspector of Stock, Eegistrar of Brands. Brown, W. E., Auckland, Inspector of Stock. Wayne, P. G., Thames, Inspector of Stock. 86 11 163 32 9 29 109 25 8 15 39 15 4 6 1 15 1 2 "i\ 1 1 139 19 329 74 21 47,662 5,245 116,385 26,508 5,605 6 39 56 28 39 2 15 51 23 24 2 18 30 6 28 3 9 1 7 i i 17 121 182 112 146 6,181 7.1,619 145,013 40,337 113,614 1 Burkill, A. H., Hamilton, Inspector of Stock, Eegistrar of Brands. Huddleston, V. A., Te Aroha, Inspector of Stock. 2 7 23 12 49 4 3 18 17 46 2 9 11 23 5 1 2 2 "2 24 70 49 148 14 8,337 37,408 51,367 99,738 14,087 i i Wayne, P. G., Thames, Inspector of Stock (part East Taupo only). 7' 11! 27! 3 9 31 5 14 1 5 1 17 49 107 5,291 34,477 79,132 Mays, A. A., Tauranga, Inspector of Stock, Eegistrar of Brands.

H.—23b

D— continued.

10

2. On the 30th App.il, 1910, I 3. 1. _ ■ i Sheep Districts in Counties. Numbsr of Owners owning Total Number of Name and Address of Officer, and Appointments held by him. So o r-H CM O rH O CM lO rH rH O r-H O Ho :r l^ O.tS » aj °r L -- i H 2 rH CM »0 I— " O o o O CM tA ta 2 8 5 CM 3 Owners 1 Q1 , „, sheep, ol Sheep. ; r GISBOENE DISTEICT— Waiapu ... .. ••• ■•• Cook ... ... ... ... ... I Waikohu ... ... ... ... 23 74 3 39 48 10 29 40 24 58107 : 51 27 51 ! 24 29 58 27 10 ! 7 24 I 15 12 ! 12 6 18 5 7 2 3 185 613,270 397 967,952 147 512,761 I Hingston, W. B., Gisborne, Inspector of Stock, Eegistrar of Brands. NAPIEE DISTEICT— East Taupo (part of) ... ... ■■■ j Wairoa ... .... Hawke's Bay Waipawa ... Waipukurau Patangata and Weber Dannevirke Woodville Pahiatua ... ... ... ... 2 64 44 21 4 9 14 23 42 3 52 50 58 16 11 40 25 43 1 1 ... 41 53 25 64 81 55 74! 79 ' 23 23! 26 2 35j 75 ' 42 61! 54 15 26| 22 i 7 49; 63 '■■ 16 1 ... 15 8 22 11 8 6 2 1 17 9 4 ... 1 ... 3 1 1 14 23 3 3 9 1 9 21,689 275 647,477 359 1,187,206 273 437,586 74 91,212 219 803,956 192 281,606 105 104,212 218 244,374 ' Burkill, A. H., Hamilton, Inspector of Stock, Eegistrar of Brands (part East Taupo only). Wayne, P. G., Thames, Inspector of Stock I (part East Taupo only). (Graham, D. A., Hastings, Inspector of Stock, Eegistrar of Brands. Sutton, P. W., Woodville, Inspector of Stock, I Eegistrar of Brands. 15 4 1 1 6 WELLINGTON-WEST COAST DISTRICT— Wanganui Subdivision — Clifton Taranaki Egmont Stratford Whangamomona Eltham Hawera and Waimate West Patea ... ... Waitotara Waimarino Wanganui Ba7tgitilcei Subdivision — Eangitikei Oroua ... Kairanga Kiwitea Pohangina Manawatu ... ... ... •■• Horowhenua ... ... ... ... 41 115 20 50 29 35 54 36 22 77 36 56 36 30 20 13 29 28 53 33 4 30 32 17 16 33 23 60 42! 42! 9 7 31! 22i 11 14: 53! 32! 49! 44J 42! 22 ... 9 9; ... 7 1 1 31! 8 22! 12 9 11 13 2 14; 27! 9 53! 71! 21 32! 41! 14 49! 20 7 44l 65 30 i i 2 2 1 ... ... 6 1 ... 1 2 ... 2 10 4 8 158 80,914 166 38,535 33 11,895 152 119,539 106 88,892 80 47,129 121 103,461 221 274,2-i7 135 178,975 215 164,326 240 490,934 1 Munro, H., New Plymouth, Inspector of Stock, Eegistrar of Brands. Crockett, E., Opunake, Inspector of Stock. Otway, J. W., Stratford, Inspector of Stock. •"Elliot", D., Hawera, Inspector of Stock, Eegistrar of Brands. Munro, D., Wanganui, Inspector of Stock, Eegistrar of Brands. "i 88' 47 38 : 50! 33i 35i 44l 128 50! 30 65j 42! 27! 43! 128 184 65 50i 35 12 30 1 28 5 65 100 20 42' 44 6 27| 39 8 m 41 9 14 5 5 2 ... 1 ... 1 6 2 ... 1 1 2 1 I 1 4 549 943,294 182 170,212 133 116,305 263 340,203 139 149,075 142 149,705 166 167,935 J I Miller, J. C, Feilding, Inspector of Stock. VFleming, D., Palmerston North, Inspector of j Stock, Eegistrar of Brands. \

H.—23b.

11

Wellingt07t Subdivision — Hutt (together with the Islands of Kapiti, Mana, and Somes) 29! i 45| 33! ! 11 I.3! 163 154,214 '-Halligan, J., Wellington, Inspector of Stock, J Eegistrar of Brands. Makara Wairarapa Subdivision — Peatherston Wairarapa South Masterton Castlepoint Akitio ... Eketahuna Mauriceville 25| . J 20 J 16 1 19! 3 1 [ 2 86 197 169 314 64 191 146 95 84,672 534,500 195,937 595,252 185,129 232,494 98,521 82,740 ... j 29 45 41 9 14 39 22 24 44 58 8 49 52 21 38 40 68 12 80 23! 22 48 24 79 16 36 27 26 31 10 37 5 6 3 3 10 18 9 8 2 7 2 3 8 2 5 2 1 1 1 1 1 j Hubbard, A. T. P., Masterton, Inspector oi Stock, Eegistrar of Brands. 2 1 - i - Totals in North Island ... i i I 1 !— 2416 2142 1931 1954 667 222 115 126 41 9,614 112,917,662 1= == i j j ; : =1 \=4 ! —— i i MAELBOEODGH - NELSON - WESTLAND DISTEICT— Nelson, Motueka, Golden Bay, Butter, and Grey Subdivisions — Waimea Takaka Collingwood Buller Inangahua Murchison Grey ... Westla7id Subdivision — Westland Sounds Marlborough 371 75 24 32 33 44 62 266 46 10 4! 8 24 20 123 16 9 1 2 12 10 43 7 1 4 3 i 810 144 44 37 44 85 95 96 197 555 297,271 44,244 11,771 4,282 8,026 28,043 24,408 25,445 172,037 686,532 I Harvey, J., Nelson, Inspector of Stock, Eegisf trar of Brands. jEmpson, C. C, Hokitika, Inspector of Stock, f Eegistrar of Brands. 1 5 3 55 49 177 22 49 123 19 45 110 46 9.1 5 25 i 8' 2 10 [Harvey, J., Nelson, Inspector of Stock, Eegisj trar of Brands. 9 "a CANTEEBUEY-KAIKO UEA DISTEICT— Kaikoura Amuri Northern Subdivision— Cheviot Ashley and Waipara Christchurch Subdivision — Akaroa, Wairewa, and Mount Herbert Selwyn, Tawera, and Waimairi Ashburt07i Subdivision — Ashburton Timaru Subdivision — Geraldine and Levels Mackenzie Waimate 30 11 15 282 56 275 29 35 28 25 37 27 45 32! 34 233 165J141 52 43 43 278 161125 17 10 11 46 33 33 4 7 5 16 4 15 3 1 2 4 1 7 6 ll... 12 I 1 6 ... 146 133 144 898 231 897 214,377 452,632 198,846 900,921 248,827 795,153 1 Munro, J., Amberley, Inspector of Stock, Eegistrar of Brands. I I Mackenzie, P., Christchurch, Inspector of Stock, 'r Eegistrar of Brands. Ussher, S. H, Prebbleton, Inspector of Stock, Neville, C. S., Timaru, Inspector of Stock, Eegistrar of Brands. 185 227! 183J152 236 177 101 5ll 44 41 160l 105! 91 54 15 3 10 2 831 938,750 j 230 42 107 25 16 29 10 8 5 1 2 4 5 11 3 7 ! 1 785 218509 658,590 485,614 I 592,754

H.—23b

Approximate Cost of Paper.— Preparation, not given (printing, 2,000 copies), H32S 10».

By Authority : John Mackay, Government Printer, Wellington.— 1910. Price 6d.]

D— continued.

12

l. 2. On the 30th April, 1910. 3. Sheep Districts in Oountibs. Owners of Sheep owning Total Number of Name and Addbess of Officeb, and Appointments held by him. o d rH<^ o *° d rH O O to CM O £© © © Sri °-CMo o "" d -" d rH O HO O O O IO CM IQ S © -5 t-Z i r-i $ g° o§ So So Oq ore "-rH 0° eg *" r-i TO °™ Sheep, of Sheep. r OTAGO DISTEICT— Oamaru Subdivision — Waitaki 127 78! 21 6 540 590,666 Blair, P. W., Oamaru, Inspector of Stock, Eegistrar of Brands. 1281 170 Dunstan Subdivision — Maniototo Vincent 40 49 72 48 72 35 60 39 2 4 8 4 2 3 1 2 253 188 325,045 277,630 \ Fountain, E. G. P., Dunedin. Inspector of Stock, [■ Eegistrar of Brands. J Gossage, E. I., Mosgiel, Inspector of Stock. Wright, E., Invercargill, Inspector of Stock, Eegistrar of Brands. Lake 37 28 11 13 9 7 3 5 2 115 242, 401 Dunedi7i Subdivision — Waihemo Waikouaiti ... Taieri Bruce ... • • • 42 25 64 129 33 15 27 114 23 12 31] 76 28 41 43 10 3 3 ... 9 5 6 1 1 1 1 2 1 1 1 140 67 180 370 140,456 72,321 214,757 214,352 | Fountain, E. G. P., Dunedin, Inspector of Stock, j Eegistrar of Brands. Gilmour, T., Balclutha, Inspector of Stock, Eegistrar of Brands. Port Chalmers Subdivision — Peninsula 1 2 12 5,075 Fountain, E. G. F., Dunedin, Inspector of Stock, Eegistrar of Brands. Tapanui Subdivision — Clutha Tuapeka 139 96 138 110 94 77 69 78 10 14 4 1 3 ■2 1 5 1 3 459 386 351,993 441,451 ) Gilmour, T., Balclutha, Inspector of Stock, J Eegistrar of Brands. Southla7id Subdivision — Southland Wallace Stewart Island 627 140 7 482 171 3 ! 363 191 129 78 2 ... 44 17 14 6 4 ! 3 | 7 8 2 1 1,734 553 12 1,163,013 521,254 3,021 \ Wright, E., Invercargill, Inspector of Stock, j- Eegistrar of Brands. j Hill. H, Gore, Inspector of Stock. I ... I i : 1 Totals in South Island .3684 3322 2382 1709 ! 461 156 51 107 36 11,908 11,351,958 > i ! Totals in Dominion ... 6100 5464 4313'3663 1128 378 77 21,522 166 233 24,269,620 I .1

This report text was automatically generated and may include errors. View the full page to see report in its original form.I whakaputaina aunoatia ēnei kuputuhi pūrongo, e kitea ai pea ētahi hapa i roto. Tirohia te whārangi katoa kia kitea te āhuatanga taketake o te pūrongo.
Permanent link to this item
Hononga pūmau ki tēnei tūemi

https://paperspast.natlib.govt.nz/parliamentary/AJHR1910-I.2.3.2.41

Bibliographic details
Ngā taipitopito pukapuka

THE ANNUAL SHEEP RETURNS FOR THE YEAR ENDED 30th APRIL, 1910. SECOND INTERIM RETURN., Appendix to the Journals of the House of Representatives, 1910 Session I, H-23b

Word count
Tapeke kupu
8,043

THE ANNUAL SHEEP RETURNS FOR THE YEAR ENDED 30th APRIL, 1910. SECOND INTERIM RETURN. Appendix to the Journals of the House of Representatives, 1910 Session I, H-23b

THE ANNUAL SHEEP RETURNS FOR THE YEAR ENDED 30th APRIL, 1910. SECOND INTERIM RETURN. Appendix to the Journals of the House of Representatives, 1910 Session I, H-23b

Log in or create a Papers Past website account

Use your Papers Past website account to correct newspaper text.

By creating and using this account you agree to our terms of use.

Log in with RealMe®

If you’ve used a RealMe login somewhere else, you can use it here too. If you don’t already have a username and password, just click Log in and you can choose to create one.


Log in again to continue your work

Your session has expired.

Log in again with RealMe®


Alert