5
H.—23».
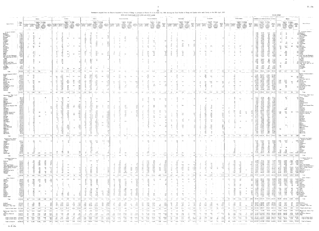
C. Statement complied from the Returns furnished by Owners of Sheep, in pursuance of Section 52 of the Stock Act, 1908, showing the Total Number of sheep and Lambs within each County on the 30th April, 1910. STUD AND FLOCK RAMS, STUD EWES, AND STUD LAMBS.
Hereto. Lincoln. BOHNBY. English Lkiobstlk. Shropshire, Southdown. Otheb Bkebbb. CllOSSBRED ANB OTHER LONGWOOLS, NOT STUDS. Merino. Border Leicester. Total „ _ . Number Name of County. of f Breeding Dry Ewes, Ewes, i.e., Ewes HMid Jiuiiis. rieeJi fin in-, i.e.. Ewes not ■ Lambs, f 2-tooth 2-tooth intended to intended Hams, ami and over, and over. be bred to bo bred Ewes, fromthis feomthis I Season. Season. I Breeding Dry Ewes, Effes, i.e., Ewos Siudftttiiis. I''lnek Hums. ;,«, Hives not Lanibs, 1 2-tOOth 2-tootl. intenlrd in intended Hunts, and and over, and over. be bred to bo bred Ewes, from this from tbis Season. Season, Breeding Dry Ewes, Ewes i.e., Ewos Sttidfiains Floelt Hams, i.e.. Hw- not Lambs, f 2-tOOth 2-toolb intended to intended Rams, and and oyer, aud over. lie bred to be tired Ewos. from this from this : Season. Season, j . Breeding Dry Ewes, Ewes, i.e., Ewes Stud liaiiif, t'loek 11 s, i.e.. I'bvos not Lambs, 1 2-tooth S-toutli intended to intended Hums, and and over. and over. be bred to be bred Ewes, from this from tbis Season. Season. ; Breeding Dry Ewes, Ewes, i.e., Ewes Lamb* Stud Hums. flock Hams. ;>.. Bwes not ,j " , c ' 2-tooth 2-tOOth intended :■■> in I ended "*,*!■ and over, and over. be biod lo be bred „"" fromtbis fromthis J ™ e8, Season, Season. Breeding Dry Ewes, Ewes, i.e., Ewes : jumj.. Stud Katun, t'leuk lin.ms. .,<<., Ewes not Hams' 2-tooth 2-tooth intended to intended , ' und over. and over. be bred lo be bred ,.'...' from this from tbis * ,meB ' Season Season. | Breeding Dry Bww. Ewes. i.e.. Ewos , . Stud Ktuns, 1'toek Knuis, i.e.. hw,* not j£Si B ' 2-tOOth '2-tooth int<?ii:l»<l U, intended audover. mid over, be bled to bo bred .,,?" from this from this C|W0B Season. Season. Breeding Dry Ewes, Ewes, i.e., Ewes T „,„i,, St.id K11 ins. I'loekliiiiii::. i,(,,Kra not 3-tooth S-toylli uiiriidrii l<: intended Kftl H s ' and over, and over. be bred to be bred _™ a fromthis fromthis bms ' Season. Season, Brooding Dry Ewes, EweB, i.e., Ewes 1 Tjmll . Wethers, i.e.. Ewes not ,,',''.' 2-tooth intended!., intended ,,,,,?''' audover. be bred to bo bred i;™ from this from this j ljWeB ' Season, Season. Breeding Dry Ewes, Ewes, i.e., Ewes r „ ml „ Wotners, i.e., Ewes not ™?™! 2-tooth intende.i In intruded e „„, and over. be bled to bo bred J""", from tbis from tbis liW0B ' Season. Season. Name of County. Auckland District. Mangonui ■• ■■ 22,177 Whangaroa . ■ - ■ 9,047 Bay of Islands .. -■ 41,646 Hokianga . ■ ■ ■ 11,218 Rodney ■■ ■■ 74,450 Whangarei .. ■■ 32,796 Ui-am.il'.aia .. ■■ 59,074 Hobson ■ ■ ■ ■ «,932 Waitemata ■• ■• '^^ Eden .. ■• ■■ M« Manukau .. •■ 116,385 (womimdel ■■ ■■ 26,508 Thames .. -■ 6,605 Dliini'-iiiuri .. ■■ 6,181 Waikato ■■ '1.619 Raglan.. ■■ ■■ ll '- l)l:i Waipa «,337 Piako (and part Matamata) 113.014 West Taupo (and part Mata- 8,337 mata) Kawhia -. -- 37,408 Awakino .. 51,861 Waitomo aud Ohura • • 99,788 East Taupo (part of) and Ro- 14,087 torua Tauranga ■■ ■■ ■'— ll Whakatane .. - • 34,477 Opotiki .- •■ 79,132 11 32 1 .. i .. 3 10 .. i 0 25 .. .. ! .. 4 36 I 48 221 : 625 55 236 15 63 j 148 ! .. : 4 IT .. ■■ 15 57 1 8 6 20 .. .. I .. 67 184 : 840 72 ! 594 2 38 I .. -. i 2 2 .. .. I .. 27 -. ; .. 22 46 440 .. I 263 21 162 .. .... 14 26 368 140 ! 273 8 254 12 75 30 .. 18 1 3,682 10,769 1,126 6,247 1,533 4,104 498 2,685 7,037 19,363 567 13,288 1,624 5,856 566 , 2,702 11,545 37,260 1,790 ; 20,661 5,533 17,208 795 8,900 5,416 1 33,791 912 16,890 4,466 25,873 282 14,537 5,338 ■ 24,026 1,123 14,775 1,426 : 1,014 1,165 827 15,815 i 55,690 5,867 29,904 3,930 12,787 : 786 8,194 1,335 2,147 ! 870 : 1,180 442 I 3,506 I 463 1,710 7,526 I 37,949 ! 4,909 : 15,785 8,567 : 78,878 1,114 49,510 2,254 21,633 1 4,787 9,164 10,496 63,478 6,701 28,699 1,229 4,469 141 2,318 Auckland Distbict. Mangonui. Whangaroa iky (if Islands. Hokianga. Rodney. Whangarei. Otamatea. Hobson. Waitemata. Eden. Manukau. Coromandel. T Lames. Ohinemuri. Waikato. llaglan. Waipa. Piako (and part Matamata). West Taupo (and part Matamata). Kawhia. Awakino. Waitomo and Ohura. East Taupo (part of] and Rotorua. Tauranga. Whakatane. Opotiki. 2 28 ,. ..'.,' 7 68 10 .. | 10 22 53 .. .. : .. 77 205 510 .. 440 0 86 j 95 .. 92 28 299 ] 94 140 170 22 207 I 38 357 51 96 421 730 .. 360 76 100 000 15 446 3 1 200 25 140 27 325 ! 247 .. 118 3 57 .. .. ., 1 5 .. 10 20 59 950 .. 38 150 1,045 491 .. 289 35 40 282 184 191 11 251 431 .. 380 6 .. .. I i\ .a I .. j 2l ■ 2 6 ,. 3 .. .. 5 2 ,, 16 'l7 ,. .... 1 14 59 45 330 .. 330 1 8 55 96 ... 75 10 1 187 44 ! 182 45 ■ 193 ' 466 35 260 16 I I 8 5 .. , .. ., .. 20| ■■ ■■ ! ■• 12 161 174 HI 12 12 j 80 46 26 99 54 .. 33 1J 88 186 .. 145 .. ; io ,. .. . .. '.'. '.'. '.'. 5 I , " 8 " 14 '.'. '.'. 9 44 40 65 53 45 60 29 86 16 .. .. j .. 4 22 76 i 45 2 9 .. 13 6 1.. 1 28 79 "4 136 "80 45 16 27 .. ! 2 1 2, 16 102 4 .... 4 1 .. 11 58 210 ,. 140 1 18 21 2 ! 61 " i "4 ;: ;; | :: 1 ! .. ; 60' .. 31 14 45 i 270 ..I 136 4 1 j 5 .. 6 3 ! 21 : 197 ., ! 51 2 ' 26 .. ! 3 16 .. '.'. \ " 76 1 6' .. ,. I .. I 1 " 3 '.'. '.'. '.'. 3 '.'. '.', 8' .. ','. '.'. '.'. "67 '.'. I " '.'. '.'. "28 '.'. '.'. 88 168 ' 33 93 28 30 '.'. 30 109 50 24 818 1,547 i ' 440 1,094 32 368 | ., 126 30 .... 2 j 68 ■ 5 66 2 1 ,. .. I Ill 290 '. 258 .. 88 9 33 .. 13 450 .. 100 2 , .. 2 2:.. .. 1 10 17 103 ! .. 73 .. 19 2 1 1 12 j 14 104 6 1 46 19 7 10 13 .. 1 : 2 ( .. 8 22 22 39 100 60 117 .. 1 79 ! 348 1 1,092 .. 047 22 151 120 .. 50 25 j 217 ; 40 50 82 ! 573 ' 244 .. 107 ,. ; 10 .. .. , -. 24 142 103 .. 71 9 j 8 21 ! .. .. I " , l51 •• I " 1 " 4 i 17 j '20 .. "l3 1 j 82 j 19 18 3 404 ., 104 3,250- .. 780 140 100 800 .. 300 1 : 22 ' "4 '.'. "2 26 30 .... 37 28 .. I 5 ll| ■■ - ! ■■ 4 199 .. I 4 250 22 458 .. 29 4 48' 10 181 113 .. ! 40 41 293 60 | 81 446 .. | 20 .. i 23 4 | 15 j - j 4 j 10 ' 15 I .. I 41 .. ; 9 60 29 .. I 23 .. 55 .. 3 11 .. 8j .. I .. " 2! .. \ " 4! :: " 5 2,429 22,450 403 11,106 8,261 26,701 388 15,267 16,350 51,239 2,039 28,530 390 8,942 50 2.210 400 300 '.'. "20 70 1,868 .. 360 " 27 j .. '.'. "4 35 '.'. .... 12 i 43 702 283 .. 102 - 44 123 41 .. .. 197 121 43 5 55 200 60 ! 105 293 2,496 2,517 327 1,519 117 360 2,727 , *,055 387 1,837 90 1,021 i .. 5 52! ,. .. .. 157 3,180 I 347 100 ! 164 139 3,873 ' 3,337 869 ' 3,121 71 1,688 i 838 47 : 581 49 : 2,195 ■ 982 100 826 55 1,522 I 886 472 16 684 407 ., 364 22 1,337 251 5 217 966 18,629 11,103 1,508 7,582 "4 122 '.'. '.. 31 714 310 .. 240 793 5,506 5,474 364 2,960 594 6.288 4,437 .. 3.374 411 6,007 2,976 100 1,834 328 4.391 542 .. 450 20 17 3,041 256 80 366 7,002 4,275 197 3,162 47 2,872 1,098 .. 970 20 538 455 .. 521 82 , 5,206 1.793 .. 1,441 20 1,031 4 1 1 542 67 .. 54 12 '. 1,549 248 j 6 127 1,898 38,487 16,151 303 12,013 424 1 136 210 39 29 1 589 320 .. 140 2 1 615 8 133 .... 4 234 105 31 134 32 1.121 430 25 270 17 933 218 171 742 8 2,827 242 73 55 4,917 1.829 5 1.003 30 751 636 429 102 1,072 2,470 1,680 148 645 4,972 80 3,168 269 3.059 3,377 27 2,607 50 934 575 ., 683 12 724 401 .. 1.247 274 1,467 2,689 .. 1,585 103 1,410 1.039 242 1,128 49 869 593 .. 399 220 3,073 6,845 434 4,915 56 771 1,806 .. 1,598 29 3,488 1,016 .. 742 4 1,225 101 2 1,517 107 .. 130 3 551 145 .. 125 2 372 30 22 1,509 34,638 30,156 844 22,260 :: "il ':: :: ! :: . 4 .. ,. 2, .. .. I .. 14 " - I - 279 2,062 '. 2,018 .. j 1,105 ' 2 1 .. .. .. 8 7 1 .. .. j ■- 226 763 j 1,573 79 1,182 .. 1 .. .. .. 2 ! .. ' :: I :: :: 1,706 1,491 89 1,641 4,943 17,919 821 10,545 9,960 43,863 1 3,002 20,642 143,233 632,400 41,254 337,816 350 I 25 I 08 ! 400 634 .. 285 43 276 613 I 248 1 ■■ _!._:_ 45 j 344 162 .. j 111 1,629 j 9,617 523 3,013 Total. Total .. ■■ 1,205,346 285 Naker-Gisboexe District. Waiapu ■■ ■■ 613.270 Cook .. -■ •■ IHS7.!i:>2 Waikohu -■ •■ -'I-' 1 '' Mast Taupo (part of) .. 21,089 Wairoa.. .. ■■ 0+7,477 Hawke's Bay .. ■• 1,187,206 Waipawa ■- " 437.o80 \Wipi.kurwi .- ■■ M.2J2 I'aiiit.itatii. and st;:i.!i.,n Dannevirke .. ■■ 281,600 Woodviile ■■ -- I 1 "'--'' 2 Pahiatua ■ ■ ■ ■ 244,374 Total .. ■ ■ 5,913,301 10 332 7 454 252 .. 50 .. i 125 .. .... el 488 .. 102 I 63 I 165 I .. 15 61 2,020 ! 252 .. 262 113 .. .. | .. 44 . 635 391 160 105 109 I 75 143 1,925 1,507 ' 115 1.009 II 178 , 78 .. 36 106 7 582 80 .. 70 2 322 110 .. | 102 135 .. .. ■ 37, 202 125 1,718 896 i ., 380 434 .. I " 11 j " 29 :: j :: :: 80 ' 716 1,115 ' 25 1,011 211 .. I 1 j 45 26 18 12 4 702 342 I .. 150 .. i 204 .... 1 I 39 . .. ! .. 16 .. .. ! .. 222 I 4,316 i 2,379 43 I 1,553 25 .. .. ! ■■ 1 . 151 18 .. I 16 .. . « .. .. 1 .. 25 i 205 ■ 170 .. I H10 95 .. ,. .. 46 .. .. ! .. 2 54 62 4 17 13 .. .. ! 14 .. j 1 37 j .. .... 29 686 250 4 132 124 74 482 278 7 1 213 99 7 1 50 652 1,077 173 I 822 36 175 168 .. 109 24 10 389 28 ; .. 2 3 99 85 1 89 .. 9 ..... 85 ...... 179 j 2,138 1,638 I 180 \ 1,235 _J j —. 13 166 .. 20 15 197 15 4 703 168 .. 16 50 14 ..... j ., ,. 7 .. I .. .. 7 386 137 .. 65 65 ...... 47 ..!.., ., 12 .... .. I ___ _ J , 61 ' 1.640 305 '■ .. \ 101 j L 71,556 291,327 17,240 217,688 109,555 438,104 87,561 304,921 52,357 262,185 16,183 173,919 1,342 11,983 1,703 (5,387 135,368 205.395 50,392 180,231 171.011) 530.560 0.1.557 336,181 ■10.004 215,930 27,532 141,430 9,017 47,396 ' 8,663 24,076 98,398 377,634 ' 63,101 248,261 25,174 143,647 11,000 96,090 8,663 52,755 i 5,770 34,581 15,905 134,096 10,289 79,074 738,415 2,780,027 393,991 1,841,839 11,275 46,794 938 20,115 2,528 22,276 1,093 11,204 1,106 5,575 523 4,432 4,231 69,793 1,515 41,255 9,607 46,452 1,545 29,970 7,237 24,744 1,239 12,744 21,752 45,470 6,795 23,362 65,080 116,720 10,853 67,171 27,401 95,581 6,978 43,329 23.007 77,769 3,170 55,361 96,506 216,504 29,586 139,975 114,876 335,117 22,551 222,806 15,260 103,451 13.459 79,343 3,335 99,305 10,785 47,412 12,725 55,636 8,017 26,019 22,765 188,131 9,394 107,571 7,111 82,983 1,351 54,372 14,162 71,896 14,889 44,645 22,204 83,636 12,501 42,405 15,168 79,265 5,256 49,904 9,248 46,538 2,523 24,285 48,997 270,640 30.008 104,751 19,705 101,225 11,221 54,522 44,185 318,019 19,210 199,972 24,643 87.670 9,914 60,119 24,171 112,544 8,7*1 84,110 2,603 60,601 1,998 31,390 3,393 45,441 j 2,089 29,914 674,880 2,909,784 248,161 1,772,458 500 440 I .. 336 5,483 j 2,797 .. 40 2,721 4.374 350 400 2,273 800 55 Naheh-Gisboeke District. Waiapu. Cook. Waikohu. East Taupo (part of), Wairoa. Hawke's Bay. Waipawa. Waipukurau. l'atangata and Weber. Dannevirke. Woodviile. Pahiatua. 300 .'. '.'. 400 100 207 j 4,234 I 2,310 275 1,442 868 '.. .'. '.'. 11,345 8,671 905 1,315 Total. Wellington - West Coast Distbict. Clifton *>.9U Taranaki 3n.;.3-! Egmont '1,80,) Stratford .- •■ 119,539 Whangamomona - ■ 88,892 Eltham 47.12H Hawera and Wainini'' \' :■*■ 103.401 Patea 274,227 Waitotara .. ■■ 178,975 Waimarino ■■ 164,326 Wansamii .. ■■ 400.034 linu-itikM iHunlri'vilU'i .. 723,274 Rangitikei (Feilding) .. 220.D2H Oroua .. ■■ ■- 170.212 Kairanga .. ■■ I li'.305 Kiwitea ■- •■ 3411.203 Pohangina .- ■■ 1 io. (l 7-> Manawatu .- ■• i4^ 71^ Horowhenua ■ • ■ ■ 107.93.'> Hutt i 164.214 Makara -- -■ *>4.072 Featherston ■■ •■ ."531.oOd South Wairarapa .. lO.i.OT, Masterton -. -■ w\W Castlepoint .. •■ 185.120 Akitio Eketahuna ■■ "8.521 Mauriceville • ■ 82,740 Total . ■ • ■ 5,799,015 41 20 21 5 39 109 45 : .. 24 5 97 .. 100 4 49 ., 811 7 153 1 153 5 361 520 61 40 42 .. .. 50 4 ,. 6 24 400 06 66 33 22 j 7 248 16 2 47 81 75 45 10 59 2 6 31 1,927 935 87 270 237 .. 151 33 21 Wellington - West Coast District. 2 458 184 .. 50 184 ., 6 54 .. 48 1,012 133 .. 107 466 j .. 67 470 j 265 154 38 1,149 I 1,299 10 1,016 319 1,967 4,682 260 ! 3.609 20 1,094 I 1,124 .. 806 1 733 ! 31 2,038 670 .. 431 51 2,069 344 .. 235 94 1,229 : 1,959 85 1,265 18 382 . 607 180 478 15 116 1 828 .. 341 68 1,076 : 493 340 4 817 10 8 2 175 57 35 90 80 j 11 144 .. 12 .. 29 572 ; 609 .. 208 43 653 1,232 .. 1,152 72 2.384 : 1,348 50 954 8 642 80 70 1,054 466 6 564 345 .. 259 947 22,040 16,269 610 11,639 1 80 30 2 0 28 22 6 4 : 6 6 11 17 ! 48 893 : 526 .. 362 24 756 580 .. 410 75 1,785 j 1,164 .. 784 '.'. 27 j '.'. I '.. '.'. 110 .. I 51 2 .. j 8 52 423 .. 392 18' 241 397 .. 187 40 110 66 .. 117 20 5 202: 191 .. i 100 3 I 231 j 133 50 126 I 114 20 50 13 42 362 .. , 155 io 117 415 ., ! 283 .. '' 43 :: :: i :: 4 47 .. | I 42 04 458 20 .. ! 104 .. .. 13 .. .. j .. os .. ! 2l .. .. ! .. 16 .. .. i .. .. ! 36 .. .. j .. 158 1,864 2465 60 ! 1,414 92 : 22 88 180 40 I 123 10 17 52 .. 65 140' .. .. I 37 .. .... 4 i 38 300 .. I 310 30 25 200 .. 100 :: it :: :: ! :: 0 I 291 183 20 : 115 35 358 ' 177 93 50 3 I 45 70 14 124 .. 35 i 70 91 684 i .. ' 512 4 105 162 j 30 132 11 0 6 99 54 I .. 30 20 .... 2 38 65 .. 30 ... 24 .. .. 2 417 115 I 68 , 90 3 80 80 . .. I 100 71 .. .. ' 13 1 29 58 40 2 18 3 .. .. i .. 30 .. 6 .. .. I 96 .. i ,. 1 , 40 110 27 Clifton. Taranaki. Egmont. Stratford. WliiincEuiiomona. Eltham. Hawera and Waimate Wesl. Patea. Waitotara. Waimarino. Wanganui. Rangitikei (Hunterville). Rangitikei (Feilding). Oroua. Kairanga. Kiwitea. Pohangina. Manawatu. Horowhenua. Hutt. Makara. Featherston. Smith Wuirarapa. Masterton. Castlepoint. Eketahuna. Mauriceville. ,', .. "2 .. '.'. 16 38 j :: J ? :: ! :: 12 77 12 , 29 .... 7 14 202 .. 185 23 .. 8 8 3 26 33 I .. 23 3 155 35 ! .. 9 253 : 234 ! 150 2 »8 ■• gg! ■■ ■■ 4 80 1 5 I 8 J87 290 j .. 210 36 469 456 i .. 422 19 190 i 260 136 18 199 87 -. 44 5 32 I .. : 19 190 : 190 .. . 151 5 48 90 ■ .. 44 2 47 ! .. I .. 1 5 33, .... .. 6 ! 845 ■ 208 i 200 12 420 303 ■ .. I 260 32 1,100 1,167 .. 845 1 191 38 .. 26 .. 47 .. .. ! .. 2 221 68 ''■ 63 3 100 82 I 40 201 5,343 3,736 0 I 2,675 50 2,500 69 .. j i 17 .. ' .. 7 108 140 ... 139 3 30 : 116 ' .. ' 61 9 88 .... 2 .. 10 .. .. .. " 11 I 211 120 30 51 2 I 95 50 .. 50 4 269 46 I 32 22 I 267 120 134 378 2 ' 56 100 30 : 40 8 .. .. 4. 26 152 [ 94 1 '.'. 9 71 . .. .. 42 17 I 32 30 10 15 2 24 ..... .. i 9 .. 2 .. ,. IB I 3 39 120 4,338 7.204 425 2,174 207 ; 110 100 .5!) Hi 20 440 218 . .. 50 5 100 2:10 .. 33 2 ! 174 55 j 32 46 .. .. \ ■ ■ '.'. 23 '. .. .. 3 76 1,679 1,228 30 i 093 .. j 318 335 i .. .'. '.'. 2 j "71 "87 '.'. 86 .. ' 5 .. 232 j 2,330 2,418 292 1,749 .. 9 .. .. 3 76 1,167 683 J 174 628 4,880 10,552 425 2,346 Total. 1,414 Mablbokough—NelsonWestland District. Waimea ,. ■■ 207.271 Takaka .. ■• 44.244 Cnllinnwood ■■ ■■ 11,771 Buller 4,282 Ina-ntiahim- .. ■■ 8.020 Murchison .. ■■ 28.043 Grey 24,408 Wetland .. ■■ 25,445 Sounds 172,o;i7 Marlborough .. ■■ 680,532 Total .. .. 1,302,059 2 302 76 .. 34 16 4 1 2 8 12 19 j .. 56 .. 128 2,250 1 4,607 418 1,281 130 2,670 J 4,682 418 1,315 47 2,267 1,956 76 1,198 3 395 100 .. 05 92 21 1 41 .. 13 258 111 89 .. 3 2 951 23 .. 10 23 711 1,339 809 76 4,936 3,418 76 2,104 3,241 100 .. 70 29 I 22 11 2 ! 14 I 228 i 449 .. 200 I 32 .. 1 4 '.'. '.'. .'. 5 j .. .. ; 16 i '.'. '.'. '.. 3 I .. .. .. I 203 : 53! 2,279 1,331 .. 1,170 67 I 2,773 j 1,780 .. i 1,370 7 189 275 I .. 700 38 .. .. 2 5 8 8 17 12 6 .. ..I .. 6 200 373! .. HO 13 545 048 | .. 840 2 35 33 2 6 :: il :: :: ! :: 203 21 (i .. 7 .. 7 .. 6 ,. 38 22 .. .. I 1,083 " 61 '.'. ; 83 1 1,725 61 83 23,557 158,850 5,742 88,403 1,867 25,951 533 14,698 1,480 5,306 032 3,941 627 2,300 517 796 1,099 4,474 664 1,699 3,461 13,094 1,6*9 9,439 5,214 12,163 1,102 5,695 3,677 12,914 1,724 6,487 10,337 99,194 811 56,240 35,926 223,652 9,088 130,075 87,245 557,898 22,742 317,473 2,284 7,346 .. 2,662 10 426 6 9 '50 60 j Mablbobotj GH-N ELSO nWestland District. Waimea. Takaka. Collingwood. Buller. Inangahua, MuTehieon. Grey. Westland. Sounds. Marlborough. i 24 .. I .. 14 .. ., | .. .. ! 45 .. .. ! .. 3 424 160 .. 134 3 j 544 : 160 .. 134 ..." 20 '.'. •• 2 96 33 .. ! 2 j 1 150 300 130 1,709 ... 173 94,640 110,604 17,962 ' 43,668 97,264 120,444 17,968 ; 46,512 Total. CASTERBTraY-KAntOUBA District. Kaikoura .. .. 214.377 Amuri 452.032 Cheviot .. .. 108,840 Ashler and Waipara .. 1)00.921 Akaroa, Wairewa,Mt. Herbert 24S.S27 Solwvn, Tawera, Waimairi 795.153 Ashburton .. -■ j 938,750 Geraldine and Levels .. ij5S,59i.) Ma-ukisHzie ■■ -- 485.014 Waimate . - -. 592,754 Total .. .. 5,486,464 5 264 i 180 143 60 34 1,785 1,397 274 886 85 59 : 1,492 346 046 46 522 I 1,206 144 831 3 102 16 1,284 702 120 1,073 16 720 252 20 127 I 783 22 .. 10 15 966 582 120 353 4 442 980 30 149 225 6,927 I 6,813 1,196 4,135 37 i 2 15 .. .. ' 21 97 ■ 160 .. 55 1 38 j j 20 197 ! 454 30 ! 256 5 351 I .. 65 6' 122: 145 .. 92 12 36 i .. ,. 3 34 386 j 189 .. 158 103 1,292 j 948 30 [ 029 1 38 39 51 2 .. 16 306 296 .. 311 8 151 340 .. 311 16 209 018 .. 566 4 824 241 .. 220 4 161 124 155 52 1,981 1,789 .. 1,632 36 1,001 674 .. 553 23 466 220 .. 103 21 < 555 462 .. 223 12| 675 513 .. 271 37 ! 228 81 .. 69 .. 1 172 " 36 ; 773 648 .. 549 17 1 502 115 80 618 ! 2.325 5,555 1,386 4,500 62 i 1,600 484 (51 488 72 i 4,976 2,753 192 1,905 183 3,455 4,893 17 2,989 . __l *_ ?__ 1,117 ! 16.731 16,401 1,655 11,796 j — .. ; 38 .. .. ! .. .. 164 .. .... 6 129 71 .. 43 60 ! 1,402 827 27 , 727 2' 414 114 .. I 61 ' 1,064 2,387 190 I 2,060 65 i 1,970 . 2,821 220 '' 2,253 73 2,434 , 1,815 206 : 1,723 8 1,252 : 442 .. I 317 110 3,736 35536 110 2,797 391 j 12,623 12,013 753 9,924 4 1,115 ' 125 ' .. 128 11 1,594 491 | .. 400 74 1,118 534 3 295 160 I 4,079 ! 4,752 1 174 1 2,854 53 ] 3,077 ! 1,941 .. j 1,612 262 4,638 I 8,487 642 ! 6,251 234 5,898 4,931 373 1 3,760 115 3,368 ! 3,413 238 ' 2,422 6 1 832 I 292 .. 1 168 69 ' 1,425 ! 412 ..I 230 991 j 27,144 I 25,378 1,430 J 18,120 j I 11 I .. 1 3 269 252 .. I 144 189 .. .. I .. 75 ' 1,468 1.590 170 823 1 I 115 20 .. 50 61 884 2,404 ; 120 1.546 67 ! 1,697 2,181 i 125 1.790 26 I 246 661 . 102 533 ..I 12 .... 10 j 178 192 i .. 112 243 ! 5,069 7,309 j 517 5,004 ■ 2 .. 127 , 3 i 94 I 100 .. i 91 32 328 741 .. 521 1 . 9 I 34 1 19 74 726 1,843 25 1,402 21 271 6)1(1 30 513 21 .. I .. I .. .. .. 13 81 38 .. 2S 144 1,060 3,362 55 2,574 j 1 , .. 524 I 3 903 195 .. 139 18 ! 579 70 .. 91 110! 3,838 : 5,418 .. 2,992 11 ' 108 j 293 I 95 19 198 94 .. 67 242 842 ■ 1,004 .. 859 20 455 : 639 97 378 i 1,133 : 128 i .. HI 7 1,345 j 212! .. j 198 431 9,925 j 8,053 97 4,930 162 1,122 j 542 .. 548 2 553 I 105 .. 338 177 311 : .. j 27 404 134 148 2 464 121 .. 100 13,498 93,565 2,6*7 54,589 29,856 119.832 5,912 77,017 7.570 108.242 3.210 51,107 55,565 492,988 j 28,481 210,651 16,775 169.177 .' 2,713 51,549 54,480 314.813 29.337 161,134 65,912 483,350 53.705 206,287 39,019 320,967 34,588 175,927 52,306 151,189 13,238 95,412 42,116 296,446 22,3?8 166,791 377,097 2,556,569 196,218 1,240,464 39,999 230,181 18,054 98,998 38.040 136,330 11,084 73,164 12,822 52,838 5,581 41,679 27,328 47,949 8,067 32,758 10,042 71,541 7,349 39,404 6,493 39,426 5,914 15,970 111 3,318 1,070 440 45,982 89,351 12,113 +7,969 34,979 104,630 , 7,755 56,576 32,770 169,119 I 15,412 109,686 74,995 179,161 , 17,316 118,318 115,709 625,451 i 39,020 334,632 41,118 270,366 I 26,815 155,965 639 1,537 ' 143 078 487,027 2,021,198 ' 175,743 1,126,237 _ __ j 143,233 632,406 i 41,254 337,816 738,415 2,780,027 303,911 1,841,839 674,880 2,909,784 248,151 1,772,458 1,556,528 6,322,217 j 683,406 3,952,113 87,245 557,898 22,742 317.473 377,097 2,556,569 196,278 1,240,464 487,027 2,021,198 175,743 1,126,237 951,369 5.135,665 394,7(53 2,684.174 j 1,556,528 6.322.217 683,406 3,952,113 j 2...I17.S07 1U57.SW2 1.078,16!! 6.630.287 _J 24,375 15,200 2,455 ' 4,958 59,435 98,262 17,303 35,865 5,564 12,604 550 I 3,840 19,498 46,658 3,647 ! 7,095 22 406 .. .. 61,959 100,544 10,148 i 22,152 28,124 52,386 4,973 1 8,874 17,291 26,950 6,622 \ 9,652 67,154 68,245 6,367 . 23,624 22,406 23,167 2,869 8,930 305,828 444,422 54,924 124,990 70,888 60,390 11,151 38,500 24,572 20,686 3,421 7,750 57,625 67,738 15,622 18,425 49,368 44,017 7,836 21,495 104 2,241 34 63 382 1,710 30 500 6,241 5,423 "440 1,057 868 3,245 33 70 777 3,170 222 • 567 21,383 15,086 2,340 6,609 4,929 I 7,627 463 3,734 ■ 1,112 j 5,372 65 209 238,239 236,705 ! 41,656 98,379 Castebdury-Kaikoura District, Kaikoura. Amuri. Cheviot. Ashley and Waipara. Akaroa, Wairewa, Mt. Her It 11, Selwyn. Tawera, Waimairi. Ashburton. Geraldine and Levels. Mackenzie. Waimate Total, Otaoo District. Waitaki .V.H'uiiili Manii-noio .. .. 1125.015 Vincent 277,630 Lake 242,101 Waibnuo 140.450 Waikouaiti .. .. j 72,321 I'otiiiistiln .. .. 5,075 Taieri 211,757 Bruce 214.352 Olutha 351.005 Tuapeka .. .. 441,451 onuibland .. .. 1,163,013 Wallace ■■ .. V 1,254 Stewart Island .. .. 3,021 Total .. .. 4,563,435 41 1,804 1,010 154 388 106 965 2,773 704 1,343 73 1,046 l 67 i 24 ! 61 ! 1,216, .. I 8 88 54| -■ 4 47 168 .. j 38 '.'. "213 '.'. .. ! 4 97 . .. .. ! 55 «2 1 467 74 : 23 6 478 j .. .. I 4 I 737 !.. 50 192 '. 301 7,016 4,539 1,006 ! 1,853 393 142 1,359 333 ! 2,416 :: i\ :. :: 1 :: 2 11 48 28 3 2 ! 4 .. ; .. .. I .. .. I .. 3 13 | 2 1 61 ! 23 .. 15 31 282 1 243 .. 195 20 319 ' 250 40 160 462 874 1,927 | 373 J 2,816 254 2.950 1.876 50 j 1,734 65 ! 1,406 ! 155 ... 104 15 ! O20 474 30 ' 380 9 i 105 ! 174 5 | 124 93 835 473 .. 471 29 288 189 142 8 128 36 ' 616 ' 903 .. 921 122 1,319 ' 1,807 I 29!) ' 1,566 08 1,084 1,647 73 926 35 881 581 ! 26 470 233 5,849 5,544 346 4,849 113 2,412 2,080 24 1.201 1,080 18,798 | 15,909 j 853 j 12,947 135 782 337 ' 10 I 96 3 316 j 88 101 ... 78 .. .. 57 4 1 163 j 171 .. 82 24 343 504 130 420 40 .. j 4 8 66 10 I 50 20 .... .. 9 .. ' 1 13 65 f .. 15 11 43 ] 43 .. 85 :: : " 2 :: :: :: ••; :: :: . :: 28 . 456 : 417 • 50 418 ' 149 16 236 i 477 56 : 325 21 990 323 .. 184 22 780 I 254 30 191 3 352 191 ' .. 39 Otago District. Wailaki. Maniototo. Vincent. Waihemo. Waikouaiti. Peninsula. Taieri. Bruce. Clutha. Tuapeka. Southland. Wallace. Stewart Island. 1. 32 I 1 85 j 5 1 48 8 .. i 8 2 35 .. 12 384 360 5 ! 184 19 205 541 .. 385 6 179 2,790 1,510 15 913 34 . 15 I 12 24 .. ! .. 1 0 50, 24 4 .. ! .16 183 386 ; 11 255 5 ' 23 15 .. 5 .. 0 ' .. 1 47 ! 1 61 4 19 14 .. 12 51 j 707 1,100 151 781 6 144 ! 74 I 97 282 6,000 ' 2,564 ' 142 2,291 Total. Auckland .. ., 1,205.340 Xapmr-Gisbome .. 5.913.301 Wellington-West Coast .. 5,799,015 Total for North Island 12,917,662 Marlborough - Nelson-West- 1.302.050 land Uaiittrlmrv-Kaikruira .. 5,lMii,t04 Otago 4,503.435 Total for South Island 11,351,958 Total for North Island 12,917,662 Total for Dominion .. 24,209,620 43 702 283 .. 102 61 2,020 252 .. , 262 31 1,927 j 935 87 | 270 135 4,649 ! 1,470 87 j 634 130 2,670 I 4,682 418 I 1,315 I 293 2.496 2.517 327 1,519 966 18,629 I 11,103 1.508 7,582 947 22,040 16,269 1 010 11,630 2,206 43,165 { 29,889 '■ 2,445 ' 20,740 75 1,785 1,104 .. 784 793 J 5,506 5,474 364 2,960 1,898 38,487 16,151 303 12,013 1,509 34,638 30,156 844 22,260 4,200 l 78,631 51,781 1,511 37,233 76 4,936 3,418 76 2,104 08 460 634 ! .. ! 285 207 4.234 2,310 : 275 1,442 158 1.864 2,465 60 I 1,414 433 0,558 5,209 325 3,141 3 544 160 .. 134 279 ' 2,062 2,018 .. 1,105 222 : 4,316 2,379 43 1,553 232 I 2,330 2,418 292 1,749 733 j 8,708 6,815 335 4,407 67 2,773 1,780 .. j 1,370 226 763 1,573 I 79 1,182 29 685 2.50 J 4 132 76 1,679 1,228 30 6"3 331 3,127 3,051 ' 113 2,007 13 : 545 ! 648 840 43 276 613 .. 248 179 2.138 1,638 180 1 1,235 201 i 5,343 3,736 6 i 2,675 423 7.757 j 5,987 186 I 4,158 2 96 \ 33 ... I 2 45 344! 162 .. Ill 61 j 1,040 305 .. 101 76 I 1,167 : 083 174 628 182 i 3,151 1,150 174 840 1 1,725 61 .. j 83 431 9,925 8.053 97 4,030 282 6,000 2.564 142 : 2,291 714 17.650 10.078 239 j 7,304 182 3,151 1,150 174 840 896 210,801 11,828 I 413 j 8,144 I 1,629 9,517 523 3,013 11,345 8,671 905 ! 1,315 4,880 10,552 , 425 2,346 17,854 28,740 ! 1,853 6,674 97,264 120,444 17,968 46,512 Auckland. Xajiji'i-Cisborno. Wellington-West Coast. 6,874 Total for North Island. 225 i 6,927 ! 6,813 1,196 4,135 301 I 7,016 , 4,539 1,006 j 1,853 656 ' 16,613 I 16,034 2.620 7,303 135 ! 4,649 . 1,470 87 634 791 I 21,262 17,504 2,707 \ 7,937 103 1.292 948 30 ; 629 462 874 1,927 373 2,810 640 3,951 ■ 4.039 403 1,229 2,206 43,165 j 29,889 ; 2,445 20,740 2,846 47,116 j 33,928 j 2,848 j 24,969 52 1,981 1,789 .. 1,032 1,117 16,731 16,401 1,655 11,796 1,245 23,648 21,608 1,731 15.532 4,200 78,631 51,781 1,511 37,233 5,445 102,279 73,389 3,242 62,765 391 12,623 12,013 753 0,924 1,080 18,798 15,909 853 12,947 1.474 31,965 28,082 1,006 23.005 433 0,558 5.400 325 3,141 1,907 38,623 33,491 1,931 20.146 I 991 i 27.144 25.378 1,430 18,120 170 2.790 1.510 15 j 913 1,237 ! 32,707 28,668 1,445 20,403 733 S,708 6,815 335 4,407 1,970 : 41,415 35,483 ' 1,780 24,810 243 5,069 7,309 1 617 5,004 51 707 1,100 J 151 781 307 0,321 . 9,057 ' 668 6,6 5 331 3,127 ; 3.051 113 2,007 638 ' 9,448 I 12,108 j 781 8,632 1 111 1.000 3.302 55 I 2,574 0 144| '4 .. 97 152 1,900 3,409 55 2,673 423 7.757 5,987 180 : 4,158 575 9,057 j 9,456 | 241 I 6,831 305,828 444,422 j 54,924 124,990 238,239 236,705 j 41,656 98,379 I 641,331 801,571 114.548 269,881 j 17,854 28,740 \ 1,853 6,674 S 659,185 830,311 '■ 116,401 276,555 I ! Marlborough - Nelson-West-land. Canterbury-Kaikoura. Otago. Total for South island. Total for North Island. Total for Dominion. 7.937 I __ 2-H. 23b,
Use your Papers Past website account to correct newspaper text.
By creating and using this account you agree to our terms of use.
Your session has expired.