Page image
Page image
Page image
Page image
Page image
Page image
Page image
Page image
Page image
Page image
Page image
Page image
Page image
Page image
Page image
Page image
Page image
Page image
Page image
Page image
Page image
Page image
Page image
Page image
Page image
Page image
Page image
Page image
Page image
Page image

G.—9

1911. NEW ZEALAND.

NATIVE LAND COURTS AND MAORI LAND BOARDS (REPORT FROM THE UNDER-SECRETARY, NATIVE AFFAIRS, ON THE WORKING OF THE) FOR THE YEAR ENDING 31st MARCH, 1911.

Laid on the Table of the House oj Representatives bij Leave.

ANNUAL EEPORT. The Hon. the Native Minister. Native Department, 25th May, 1911. I have the honour to append hereunder a report upon the work of the various branches affecting Native lands and Natives generally. Native Land Court. The work of the Native Land Court shows a marked increase in comparison with that of the last financial period. A total of 22,343 cases, as against 9,055, were scheduled for hearing, the number of Gazette notices totalling 94. To deal with this enormous amount of work the Court held sittings in 46 different localities, only very few cases being what are termed " old claims." The large increase in business is no doubt due to the advantages of the present law ; and the system of circuits inaugurated on the coming into operation of the Native Land Act, 1909, has no doubt been the means of enabling the Courts to deal with such an unprecedented and large volume of work. During the period under review the Courts investigated the ownership of a total area of acres, hitherto unclothed with a title, and has also dealt with 833 partitions affecting an aggregate area of 503,829 acres. The Native Appellate Court has also been kept very busy, having had to dea' with a total number of 471 cases. Table A attached hereto sets out in detail the operations of the Courts. During the year the judicial strength of the Native Land Court Bench was increased by the appointment of another Judge (Mr. T. H. Wilson). The revenue derived per medium of Court fees, &c, payable to, received, and outstanding for the financial year ended 31st March, 1911, amounted to the record sum of £6,834 18s. lid. A very large amount of work is done for other Government Departments, for which no credit lias been allowed in the sum mentioned. During March a conference of Judges of the Native Land Court was held in Wellington, when matters affecting the working of the Native Land Act, 1909, were discussed, and a schedule of sittings of the Courts arranged for the ensuing year. The conference will no doubt be of value not only to the Judges, but also to the Department. Maori Land Boards. The Boards have also been very busy, and are doing a large volume of business in respect to the revision and confirmation of private alienations, and the administration of a considerable area of trust lands. During the period some 435 leases were approved by the Boards, of a total area of 116,498 acres; 660 transfers, comprising 78,346 acres, were consented to. The aggregate area of lands administered by the Boards totals 975,010 acres ; of this area the Boards have issued 422 leases, of a total area of 282,402 acres, and 24 transfers, comprising 6,008 acres. Schemes for cutting up, reading, surveying, &c, of the remaining areas are now under consideration, and in several cases complete and only waiting final approval. Settlement of the greater area is hung up for want of surveys, and, although all the surveyors available are engaged, they are unable to cope with the demands made. Until surveys have beer made it is impossible to comply with the provisions of the statutes and place the lands on the market.

I— G. 9.

a.— 9

2

It is interesting to note that, for the first six months or more, practically no application was received to call a meeting of assembled owners to consider a proposed alienation. Now, however, the provision is better known, and the areas shown in the table as being dealt with under Part XVIII were marly all dealt with in the last half-year. It may be confidently assumed that that area will be trebled when the returns for 1911-12 come to be prepared. The Boards' revenues may be considered as self-supporting. They are now doing very good work, and facilitating settlement to a large extent, especially when one considers the advantages obtainable through the provisions of assembled owners' meetings. To quote figures, I may state the six Boards received on account of rents and land-purchase moneys, for the year ending 31st March last, a sum of £193,758 14s. 5d., made up as under : — Rents and Purchase-moneys, Fees, &c. £ s. (1. Ikaroa .. .. .. .. .. .. 98,074 10 0 Aotea .. .. .. .. .. .. 35,991 14 4 Waikato-Maniapoto .. .. .. ..' .. 35,382 9 0 Tairawhiti .. .. .. .. .. .. 11,442 811 Tokerau .. .. .. .. .. .. 9,311 19 0 Waiariki .. .. .. .. .. .. 3,555 13 2 Total £193,758 14 5 It goes without question that when sums as shown are handled, some actual business must be transacted. Table B attached hereto sets out in detail the operations of the Boards. The revenue derived per medium of fees received and outstanding for the financial period ended the 31st March, 1911, amounted to £3,469 18s. 6d. In connection with the work of the Boards, it must be remembered that they deal with a fair number of applications for meetings of assembled owners on behalf of the Native Land Purchase Board, for which they do not receive any fee, neither are they credited with the amount by way of transfer vouchers. In this connection, if fees were paid according to schedule, the sum of £132 would have been credited during the financial period just ended. Native-land Purchases. The purchase of Native lands has gone on apace. The Native Land Purchase Board, as constituted by section 361 of the Native Land Act, 1909, has been busy considering and dealing with numerous offers, aggregating 902,074 acres. During the period the Board held twelve meetings. The purchase of 75,437 acres has been completed, while some 430,560 acres are in course of completion. Table C shows in detail the operations of the Native Land Purchase Board. Surveys of Native Lands. As pointed out in previous reports, survey controls and is the crux of the whole position. If it were possible for the Survey Department to keep abreast of the demands made upon it for the survey of Native lands, the Native Department would then be in the position to place a very large area of land for settlement on the market. At the present time it is understood that surveyors are engaged in the survey of some 603,383 acres of Native land scattered over the Dominion, for the purpose of completing Native Land Court orders and cutting up lands for leasing by the various Maori Land Boards. Native Interpreters. The provisions of the Native Land Act, 1909, and the regulations have been the means of increae ing the number of applicants to be examined for a license of the first grade. During the period twentytwo first-grade and nine second-grade licenses were granted. The total fees collected under this head and paid into the Consolidated Fund amounted to £92 ss. for the financial year ending 31st March, 1911. Maori Councils. The position of the Maori Councils (Health) Act pequires attention —in fact, needs consolidating. 11 this is not done, then I think, from the point of view of health, it is advisable that the working of these Councils should be carried out under the jurisdiction of the Department of Public Health. They, now having charge of Native medical matters generally, could take up the work by the bringing of section 68, Public Health Act, 1908, into operation. Special District and Health Committees under that section could be set up on the lines of districts and Councils as now existing, which would allow of the necessary proceedings being carried out, and would perhaps, from the position of health, be more satisfactory, as being under the direct control of the officers of the Public Health Department. Maori Health. I regret to report that outbreaks of typhoid among Natives have been somewhat serious, notably in Waiapu, Gisborne, Kaipara, Kawhia, and Rotorua (Te Puke) districts. Typhoid, being an infectious disease, is under the control of the Department of Public Health. In every case, however, the Native Department has rendered assistance financially and offered the services of Dr. Pomare and Nurses Hei and Whangapirita.

3

a—9

It is my painful duty to record the death of Nurse Hei, who contracted typhoid whilst nursing at Gisborne. The deceased was a very able and conscientious nurse, and her loss is greatly regretted by the Department and all members of the Native race. Nurse Whangapirita was also attacked by typhoid, contracted whilst nursing at Te Puke, but 1 am glad to report that she has recovered. She has, however, since resigned. Upon the outbreak at Waiapu being reported Nurse MeElligot was engaged by the Department and ordered to proceed to Waipiro Bay and take charge of the patients. A temporary hospital was erected, and Nurse Whangapirita, who resides in the vicinity, kindly volunteered to assist in nursing. and her services were gratefully accepted. The outbreaks in most cases were overcome, and, although several deaths occurred, the majority recovered. Every attention has been given by Dr. Pomare, and his excellent work in the direction of coping with and overcoming these epidemics has proved satisfactory. Cabinet has decided, owing to the fact that infectious diseases must be dealt with by the Department of Public Health, that it would be perhaps more effective if the control of all health matters were placed under one Department. Accordingly, the Maori Health Blanch will for the future be administered by the Health Department, commencing from the Ist April, 1911. The sums of £3,000 from the Civil List, together with £600 voted on the estimates, have accordingly been transferred to the Department of Public Health. Maori Census. The Maori census and agricultural statistics were taken during the second week of March. All the returns have not yet been completed, but from the information to hand the indications point to an increase of approximately 2.000 persons since the last census. This may be mainly attributed to the greater care observed by"the enumerators. A special report, however, will be submitted in due course. General. A study of the schedules attached will, I think, satisfy the pessimists that the Native Department is doing all it possibly can towards the settlement of Native lands. The Act of 1909 is, no doubt, the contributing factor; and when all its provisions are more universally known, and the parties concerned take the necessary initial steps, the cry of " unoccupied Native lands " will be a thing of the past. At the present rate of progress it may be assumed that after eight years there will be little, if any, Native land that is not revenue-producing. Thos. W. Fisher, Under-Secretary.

TABLE A.—NATIVE LAND COURTS. Retur.v ok BrsiNESs and Fees for the Year ended 31st March, 1911. Native Land Court. Number of sittings . . .. . . . . . . .. 94 Number of places where sittings held . . . . . . .. 46 Number of cases notified .. .. .. .. .. .. 22,243 Number of cases for which orders made . . . . . . . . 9,812 Number of cases dismissed .. .. .. .. . . . . 4,388 Number of cases adjourned sine die . . . . . . . . . . 8,043 Number of partitions made . . . . .. .. . . 833 Area affected .. .. .. .. .. (acres) 503,829 Number of investigations of title . . . . .. . . .. 53 Area affected .. .. .. .. .. (acres) 186,679| Number of succession orders made .. .. .. .. .. 7,487 Number of other orders made . . '. . .. . . .. 1,574 Native Appellate Court. Number of sittings notified.. .. .. . . .. . . 19 Num her of places where held .. .. . . . . . . I •'! Number of cases notified . . . . . . . . . . .. 471 Native Land Court decisions varied . . .. . . . . .. 72 Native Land Court decisions affirmed .. .. . . .. 42 Native Land Court decisions referred back to Native Land Court .. 7 Appeals dismissed or withdrawn . . .. . . .. .. 187 Appeals adjourned sine die (including 14 applications under section 50) .. 68 Applications under section 208 ordered .. .. .. .. 22 Applications under section 208 dismissed .. .. . . .. 14 Applications under section 208 adjourned sine die .. .. , 11

GK—9

4

Court Fees. £ s. d. Amount collected by Court .. .. . . . . .. 3,808 6 0 Amount collected by Registrar . . .. .. .. . . 391 15 2 Amount outstanding .. . . .. .. .. .. 889 2 6 Search fees collected .. .. .. .. .. .. 278 15 3 Fees received in stamps .. .. .. .. .. 1,467 0 0 The Native Land Courts during the year held sittings at the following places : Tauranga, Shortland, Kohukohu. Te Kuiti. Rotorua, Ngaruawahia. Opononi, Taumanimii. Whangarei, Otorohanga. Auckland, Helensville, Te Kaha, Cambridge, Whakatanc. Dargaville. Russell, Opotiki. Port Fitzroy. Thames, Kaitaia, Tapuaeharuru, Taupo, Wanganui, New Plymouth, Taihape, Raetihi, Tokaanu, Wellington, Otaki, Hastings, Greytown. Picton. Kaiapoi. Puketeraki. Wairoa (Hawke's Bay), Te Araroa, Tokomaru. Tologa Hay. Waipiio, Tuparoa, Port Awanui, Nuhaka, To Eleinga, and Gis borne. The Native Appellate Court held sittings at Te Araroa, Gisborno, Tuparoa. Wellington, Kaiapoi, Invercargill, Dunedin, Hastings. Now Plymouth, Wanganui, Kaitaia, Auckland. Rotorua, Okoroire. and Ngaruawahia.

Table B. MAORI LAND BOARDS. Operations of Maori Land Boards for Period ending the 31st March, 1911, showing Area dealt with prior to the 1st April 1910.

The following lands have been dealt with during the past year under the provisions of the Native Land Act, exclusively : — a. n. ¥. Under section 230 (mortgage) (45) .. .. .. .. 4.007 119 Under Part XVIII— For sale to Crown (4) .. .. .. .. .. 14.921 0 0 For private sale (13) . . .. .. .. .. 71.826 0 13 For private lease (24) .. .. .. .. .. 27.095 324 For vesting under Part XVI (1) .. .. .. .. 1,300 0 0 Surveys requisitioned under section 396 (116) .. .. .. 112,685 1 14 Sales .. .. .. .. ... .. .. 86,747 013 Leases .. .. .. .. ~ . .. .. 27,095 324 Total .. .. .. .. 113.842 337 Summary, Sales—Brought forward .. .. .. .. .. 83,759 231 As above .. .. .. .. .. .. 86,747 013 170,506 3 4 Leases —Brought forward .. .. . . .. .. 147,615 336 As above .. .. .. .. .. .. 27,095 324 174,711 320

No. As at 1st April, 1910. V,. Durini! fear. Vn , As at 31st March, m - 1911. *">■ 1910. no. LiurmK iear. no. 1911. A. K. P. Lands vested under Part XIV [Leased.. 16 1.893 l> 15 (328,289a. Or. 25p.) }Sold .. I 103 0 0 Lands vested under Fart XV (Leased.. 221 267,369 2 H (395.850a. 2r. 10p.) i Sold .. 1 660 0 0 Lands vested under Part XVI f Leaned.. 1 537 :! 3!) (204,028a. 8r. 5p.) (Sold .. Lands vested under special enactment ( Leased 33 2.2S2 :i I of trust (40,241a. 3r. 20p.) \ Sold.. Lands leased by the owners and approved 2.193 1,175,187 '• 2 by the Boards Lands sold by owners and confirmed by 109 8,513 2.87 Boards Lands under the Native Town- (Leased 1,000? 1,(581 (» 26 ships Act, 1910 I Sold .. 17 108 1 5 (Leased.. .. 1,438,942 0 14 loUls •• ■• ISold .. .. 9,275 l> 2 ' i \. i<. r i\ Iβ 7.4!)<> 2 28 31 13 4,684 :{ 37 14 4il 1(1,442 2 25 270 1 II 8,037 3 0 12 1 744 o i) 1 5<i 5.137 3 (• 92 1 13 0 1 436 116,498 1 14 2.028 (i<10 ; 78.34li 0 37 7(i!> 1JO0O? 2 2 l> 37 19 147,615 3 36 .. j 83,759 2 31 : .. A. K. P. 9,393 1 3 4,7«7 3 37 L'(!7,8O2 0 33 550 0 <> 8,576 I :i!i 744 l> I) 7.420 2 13 1 3 0 1,291,685 I in 86,869 .'I :u 1.(581 0 2li 111 0 2 1.580,558 0 10 93,034 2 33 Gland totals .. .. .. 1,448,217 0 Iβ .. 231,375 2 27 .. 1.079,592 3 3

5

G.—9

Lands disposed of during Year. a. r. p. North Island—Land leased .. .. .. .. .. 174.711 320 Land sold .. .. .. .. .. 170,506 3 4 Total .. .. .. .. .. .. 345,218 224 South Island—Land leased .. .. .. .. .. 5.086 2 10 Land sold .. .. .. .. 11.628 3 28 Total .. .. .. .. .. .. 16.715 138 Grand total for year .. .. .. ..361.934 0 22

Ikaroa District Maori Land Board. Statement of Receipts and Expenditure for the Year ended the 31st March, 1911.

J. B. Jack, President. Office of the Ikaroa District Maori Land Board, Wellington, 31st March, 1911. Examined and found correct. —R. J. Collins, Controller and Auditor-General.

Balances April, Trausactione. Balances at 31at March, 1911. No. Name of Account. j Cr. Dr. Cr. Dr. Cr. Dr. j • r I 8. (I. £ B. d. £ S. (I. £ s. d. £ 8. d. t 8. d. .i(> Rakautatahi No. 1l .. .. .. 23 III 1(1 97 17 6 112 (I II .. 37 14 1 66 „ No. 3b Noe. 1 and 2 17 Iβ 4 .. .. 17 Hi 4 71 „ Noa. lEandlH Iβ Iβ li .. .. Mi Id I 01 „ No. 2b No. 1 .. .. (i 10 10 .. (i Id Id .. IS 1 8 HO „ .. No. 2 .. 41 13 S .. 106 Id 8 !I4 2 2 53 19 111 .. No. 3b No. 1 .. .. 17 7 0 I (I 7 lr> 17 5 113 .. No. 2 .. .. .. 11 18 0 6 6 II 5 12 1 (>7 ., .. No. 3a .. Hi 0 9 .. Hi 12 2 13 0 it 13 12 2 (ill „ „ No. 3b .. Sβ OH' .. 23 (i 7 38 5 7 2118 53 „ No. 5b .. .. 112 13 0 .. 124 12 9 130 8 3 106 l<1 (i 73 „ No. 1( . . .... 1 12 o .. .. .. 1 12 (I 75 ., No. Id No. 1 .. 12 4 .. .. .. 12 4 77 „ No. 2 .. j 14 9 .. .. .. 14 0 115 ., No. Ik .. .. .. .. 125 6 4 (ill 2 8 5d 3 8 70 ., No. Ik .. .. .. I o 7 30 0 0 170 8 10 .. 144 7 5 81 „ No. Iα .. .. I .. 1 !l 0 .. .. .. 19 9 117 „ No. In .. .. .. .. 7 1 It 0 5 8 i> Hi I 85 „ No. U .. .. .. 18 4 .. .. .. 18 4 83 „ No. Ik .. .. II 1 7 .. .. .. 0 17 87 „ Nα. Iμ .. .. .. 14 7 .. .. .. 14 7 80 „ No. In .. . . .. 12 0 .. .. .. 12 9 05 Horowhenua XI B3fi No. 2i. No. 4 .. .. 51 7 7 52 12 o .. 14 5 97 „ „ .. No. 5 .. .. 55 1 4> 54 10 I 0 2 3 99 „ „ „ No.6 .. .. 62 10 4 48 III 0 14 0 4 lol „ „ No. Iβ .. .. 107 10 5 208 15 4 .. II I II 103 „ „ No. Id .. .. 17 5 II 17 (! :i .. 0 0 4 93 Mangapuaka No. 2 .. .. .. 21 lit 2 03 12 0 22 3 3 40 0 7 I (tit Tinakori South .. .. .. .. .. 11 5 0 .. II 5 o 110 Tangoio South .. .. .. .. .. 6 15 6 .. li 16 (i HI.", I'arata Native Township .. .. .. 301 16 I 158 11 8 233 3 5 107 Hokio Native Township .. j .. .. 72 1 2 0 (i 11 71 14 3 123 Pukokomuka Block .. .. .. .. 1,272 10 7 1,006 12 8 205 17 11 127 Manawaangiangi Block .. .. .. 48.280 no .. 48.280 0 0 121 Mete Ncjaw'hiro aud Pirihira Ta- ■ .. .. 4,013 f> 8 500 ft 0 3.513 (18 tore Trust 125 Hohapata Kahupuku Trust .. .. .. 501 9 2 .. 501 9 2 128 Tβ Irmga Purchase Trust .. .. .. 25(1 0 0 .. 250 0 0 129 Hinana No. Iβ Purchase Trust .. .. 168 0 0 .. 166 0 0 130 Taonui-Ahuaturanga No. 3b Pur- .. .. 480 3 4 .. 480 3 4 chase Trust 131 Kaiwaka Nos. 1 and 2a Purohase .. .. 2,000 0 0 .. 2,000 0 0 Trust 132 Haruatai No. 18b Purchase Trust .. .. > 80 Hi 0 .. 80 111 II 133 Tauanui No. 1 Purchase Trust.. .. J .. 456 Iβ 2 .. 466 Hi 2 134 Hinana No. I a Purchase Trust.. .. .. 1,234 14 5 .. 1.234 14 6 136 <'anuirvon 387d Purchase Trust ' .. .. 1,000 0 0 .. 1,000 0 0 13(i Carnarvon 387c Purchase Trust .. .. 750 0 0 .. 750 0 0 137 Pukerua 3c No. Id Purchase Trust .. .. 357 13 4 .. :s.">7 13 4 296 Suspense .. .. .. .. .. 7,206 18 10 7,206 is Id 45 Lease fees .. .. .. .. .. 44 19 6 44 lit li 19 Fees (Regulation 10).. .. .. .. 639 3 0 i>38 13 0 0 10 0 302 Public Trustee Deposit .. .. .. .. 24.500 0 0 .. 24,500 0 0 51 Management .. .. 122 18 fi| .. 102 13 3 3 3 4 222 8 5 .. Bank .. .. .. .. 208 14 3 27,735 0 2 i>2.015 18 3 .. 36,479 12 4 .. Cash in hand .. .. .. .. .. 0 10 ft .. 0 10 0 Transactions. Totals .. .. 3C4 0 2 364 0 2 98,074 10 0 08,074 10 0 00,215 0 2 60,215 0 0 , ! L

G. -9.

6

Aotea District Maori Land Board. Summary of Transactions for the Year ended 31st March, 1911.

L.F. Balances at 31st March, » M 1910. TranSa Transactions. Balances at 31: it March, 1911. Name of Account. I—i 1 Cr. Dr. Cr. Dr. Or. Dr. Cγ. Dr. 2 4 7 11 22 42 56 57 02 64 71 79 82 89 137 147 147 148 148 148 153 183 184 185 186 187 188 189 190 191 192 J 93 194 195 196 197 198 199 200 201 202 203 204 205 207 208 214 21(1 220 230 231 232 233 234 23.-> 236 237 238 239 241 244 24 S 250 252 266 257 260 261 203 265 266 267 268 269 270 271 272 273 273 e s. (I. E s. <l. £ s. <1. Horowlicnuii 2l4 .. .. 23 0 ii .. 10 17 Ii 2lo .. .. 43 10 9 .. 3 It) 10 2l6 .. .. 38 2 I .. ii 3 I Lot I. Sub. Iβ 104 1(1 5 .. 42 13 11 Sub. Id . . 5 9 S .. 3 IS II OhoUi No. 2 Block .. .. 39 4 6 47 10 7 8 Block .. 837 III .. 1,029 9 1 3 Block .. .. S3 16 3 313 2 6 Paetawa.. .. .. 289 13 I .. 77 12 6 Turangarere Township .. 130 8 9 .. 225 18 0 Profit and Lose .. .. 2,557 2 1 .. 392 19 0 Morikau No. 2 .. .. 2,053 7 8 .. 919 7 2 Interest .. .. .. .. .. 106 13 4 Ohotu No. 1 Block .. .. 856 16 4 2,236 17 5 Fees .. .. .. .. .. 392 15 0 Aorangi 3o 2a .. .. .. .. (id 0 0 Makara, Section 22.\ .. .. .. 14 12 3 Whakamaru S.G. l'i. .. .. .. 420 12 4 Bakautana 4o3 .. .. • • .. 557 11 3 VVaipu 3b2 .. .. .. .. Lβ 0 5 Stamp Duty and Registration .. .. io 17 n lees Tauakina 2f .. .. 6 10 2h .. .. 22 J li I .. 5 7 4 2j .. .. 304 18 3 .. 68 16 4 2k .. .. 47 19 Id .. llo o 2l .. .. 55 3 1 .. 12 11 8 2m .. .. 101 15 3 .. 32 2 5i 2k .. .. 136 Hi (i .. 30 5 7 2u .. .. j 44 0 4 .. 9 19 4 2v .. .. 5 II) 7 .. 3 2 2; 2w .. .. 43 7 9 .. 21 4 (I 2x .. .. 6 14 2 .. 3 3 10 2y .. .. 59 3 11 .. 13 13 9 2z .. .. 22 4 6 .. 5 5 8 2aa .. .. 22 4 li .. 5 5 8 2bb .. 14 5 3 .. 3 11 10 2cc .. .. 20 12 8' .. 4 18 4 2dd .. .. 82 17 10 .. I!) 1 3 2ee .. .. 35 Id It .. 17 7 10 2ff .. .. 19 14 3 .. 9 17 8 2gg .. 76 3 5 .. 21 10 4 2s .. .. Hi I in .. 3 16 3 2t .. .. 25 15 3 .. 5 18 2 Waharangi No. 4 .. 150 17 8 .. 272 14 5 No. 5 .. 324 17 8 .. 182 1 9 Ractihi No. 1 .. .. 58 15 n Waharangi No. 3.. .. 29 It 5 .. 10 0 0 No. 1.. .. 34 14 2 „ No. 2.. .. 96 8 0 Raetihi 4b .. .. .. 68 6 10 ,, 3b No. I . . . . 49 10 (i . . 43 6 2 3d No. 2.. Hokepa Tutawhiri Trusi .. 1,500 no Pineaha Metene Kanaki .. .. 11 4 11 24 S 7 Otirauui No. 2 .. .. 17 5 3 . . 2.") 0 0 No. 3 .. .. .. 5 I (1 I 86 4 0 Tinakori South .. . . .. 11 5 0 115 0 Waitaorq Trust, Hutt 98b .. .. 400 0 0 Deposit, Public Trustee .. .. 4,000 o (I Ohotu (>B .. .. .. •• 2,266 15 6 Morikau No. I Blook .. • • ., Tapapa No. 2 Block .. .. .. 144 14 0 Morikau Farm Imprest .. .. .. 395 6 II £ s. .I. 33 17 7 47 7 7 47 r> 2 147 4 4 I'J 8 5 62 7 10 1,133 Lβ !) 172 !) Id 299 17 5 76 7 l 192 II 9 2..V>:S 12 10 392 16 0 60 II (I 42(1 12 4 285 (i (i Id 17 (i 2(i '.) 10 :il 4 0 46 S r. 29 II 5 38 7 2 49 (i 1 117 7 3 29 9 1 31 3 10 58 S 6 20 4 6 41 10 6 32 3 5 31 11 0 17 9 9 24 2 11 47 17 10 39 7 4 38 18 8 66 0 7 26 11 8 25 10 8 31 14 11 177 17 (i t b. d. £ s. d. 64 I !i 533 3 B 56 l<5 B 67 8 6 356 4 it 2,873 13 9 2.780 2 10 106 13 1 i. 17. _ > 11 g 14 12 3 272 113 !! l(i 0 B 20 8 10 2 17 7 327 (i 2 29 8 6 29 7 7 84 I I 7 98 14 10 24 10 7 22 I I I (i 3 3 II ii ii 31 7 2 4 13 3 4 0 10 0 17 4i 18 1 54 1 3 13 11 3 9 Ii 9 31 13 2 6 l<) 7. 6 2 9 391 17 2 829 1 II 58 15 (I 38 It B 34 14 2 91 14 2 374 III II 5 I 4 328 II 0 1,450 0 0 ii 9 I 24 111 8 47 12 2 0 Lβ 0 4 11 Ml 306 4 1 87 14 I 328 11 0 50 o (i 13 12 9 17 6 7 32 16 9 I 14 4 t.(Ki(i (i 0 L.80S I I 3 8 4 6 372 l!i I 40(1 II 0 2,588 ii 6 910 ii ii till 14 4 8,000 O (I 4.') 14 3 8 4li 22« 6 I I 13 I 2,588 ii 6 l.34(i 0 0 888 Ii I I 7 2 10 3 12 3 3 12 3 103 6 4 222 10 II 0 IS 6 8 8 0 4 8 2 (148 Lβ 3 6 io 15 Hi 8 14 7 11 17 6 4 PatumoanaUru te Angina.. •• •• 2,250 0 0 Wharetoto Block .. .. .. . • 888 6 1 1 Mimi, Section 67, Block X.. .. .. 250 0 0 Itaniina Block Ngarakauwhakarara Block.. Rimene Trust .. .. .. .. 96 10 0 Ohotu 6r, No. 2 .. .. .. •■ 375 14 0 Maraekowhai A, Sub. 3d .. Mangohane Iα Block Urewera 2a No. 2 Raetibi Sβ and 4b Royalties .. .. 998 16 0 Maraekowhai A No. 2a .. .. .. 500 0 (t Waimarino B No. 1 .. .. ■• Iβ 12 6 Wharetoto A .. B L'42 17 2 3 12 3 3 12 3 199 Hi 4 163 3 3 ii 18 ii s s ii 4 8 2 49 18 (I II 15 101 14 7 11 17 6 4

7

G.—9

Aotea District Maori Land Board — continued. Summary of Transactions for the Year ended 31st March, 1911 —continued.

Cash Statement. £ s. d. Bank balance, Cγ. .. .. .. .. .. .. .. 1,696 711 ('ash in hand .. .. .. .. .. .. .. 008 1,695 8 7 Unpresented oheques .. .. .. .. .. .. 268 18 2 Cash Cr., 31st March, 1911 .. .. .. .. £1,426 10 5 J. B. Jack, President Aotea District Maori Land Board. Examined and found correct. —R. J. Collins, Controller and Auditor-General. Waikato-Maniapoto District Maori Land Board. Balance-sheet at the 31st March, 1911. — General Statement. Receipts, f s. (I. Expenditure. £ s. <l. To Balance from Waikato Maori By Payments to beneficiaries .. .. 18,124 13 It Board as at Ist April, 1910 .. 601 17 I ' Rents refunded, Lot 1, Block X, Te Balance from Maniapoto-Tuwharetoa Kuiti .. .. .. .. 8 0 0 Land Board as at Ist .Inly, 1910 .. 2,743 0 0 Mortgage Account, Lot, 1, Block X, Rents received .. .. .. 2,437 c> 4 Te Kuiti .. .. .. 700 0 0 Mortgage Lot 1, Block X, Te Kuiti .. 700 0 0 Legal costs, Lot 1, Block X, Te Kuiti.. 18 11 111 Purchase and consideration-money, in- Interest, Lot 1, Block X, Te Kuiti .. 40 Hi .s eluding Board's commission .. 31,060 12 i> Registering lease and caveat, Te Kuiti I ;> 0 Advertising costs received .. .. 2 17 l> Lithographing plans .. .. 11l 7 0 Interest Kinohaku West H No. 2b, Advances refunded .. .. <|<M> Hi 10 Section 2d ; Kinohaku West H Commission .. .. .. 261 11 ."> No. 2b, Suction 2e No. 2.. .. 7 111 3 Legal costs, Parehuia No. 2 .. 8 5 i> Interest, Publio Trustee .. .. li 7 17 lo Fees paid to Public Account .. 4 0 0 Stamp duty and registration fees re- Public Trustee .. .. .. 10,000 0 0 eeived .. .. .. .. 14!) So Exchange on cheque twice presented 0 0 6 Fees, consents to alienations, reoom- Mahoenui Iβ, Section 20, overpaid .. 0 2 3 mendations, confirmation of dealings, Transfer to Aotea Maori Land Board 1,r>29 18 1 swearing, printing, advertising, &0. .. 1,132 2 0 Cleaning Te Kuiti Courthouse .. 0 10 1 Improvements .. .. .. 100 0 0 Advertising .. .. .. 7 !t l> Deposit on purchase .. .. l>2 12 o Stationery .. .. .. 0 18 0 Legal costs .. .. .. 18 11 10 Clearing noxious weeds .. .. 16 14 l> Mahoenui Lβ, Section 30, overpaid .. o 2 :i interpreter's fees. Taumarunui Township .. .. .. .. 2 2 0 Valuing fences, Taumarunui Township 0 10 0 Improvements refunded ■• ■■ 10 0 0 Printing confirming certificates .. 017 l> Survey charges .. .. .. 104 5 1 Refund commission overpaid .. i>3 4 Valuation certificatCjAotea South No. 1 0 4 r> Public Account, fees .. .. 1,132 2 0 Office furniture .. .. .. 8 10 0 Indorsing plans on leases .. .. 6 4 0 Survey liens .. .. .. 138 7 0 Stamp duty and registration fees .. 79 10 (i Bank balance. 31st March, £ s. d. 1911 .. .. 5,916 6 1 Less outstanding cheques 78 15 6 5,837 10 7 £39,054 13 10 £39,054 13 10

Balances at 31st March, 1910. Transactions. Balances at 31st March, 1911. !,.[■. Cr. Dr. Name of Account. Cr. Dr. Cr. Dr. E s. (I. £ s. d. £ 18 I I 1 til ,98 ,98 8. d. £ s. d. £ s. d. £ 8. (I. 133 4 0 .. 133 4 0 73 5 3 .. 73 r> :! 31 8 1 .. 31 8 I 42 18 6 .. 42 18 6 43 1 4 .. 43 1 4 39 1 21 .. 39 1 2 26 8 !l .. 26 8 il 9 16 :i .. 9 Hi ;i 07 I! 10 .. 67 3 10 139 I 10 .. 139 I 10 87 HI 3 189 7 11 92 9 0 10 1 2 107 i> 0 368 8 !i 0 10 0 Of) 12 5 14 7 6 149 it 7 47 7 2 327 0 1 320 7 1 97 16 8 15,945 !) 6 .. 1,426 10 f> 91 14 4 35,991 14 4 15,434 2 9 15,434 2 9 i>74 274 275 275 270 27B 277 277 878 278 crsr, 46 l>2 XL , 83 Wharetoto No. 1 .V). :! No. 4 No. 7 No. x No. 'J No. 10 No. Jl No. r> No. t> Potaka Native Township .. !»4 6 8 Pipiriki Native Township .. 349 14 1 Hokio Native Township . . 65 2 5 Parata Native Township .. [30 2 l! Tokaanu Native Township.. Cash .. .. .. .. : 4,478 17 8 187 III 3 i in i 2 I) III I) 14 7 6 t>47 7 2 18,997 Iβ 8 Totals .. 9,957 7 7 9,957 7 7 35,991 14 4

G.—9.

8

Balances at the 31st March, 1911.

i Folio. Polio. I Xame of Account. Cr. Or. Dr. I)i. I ! I 2 2 0 8 10 12 14 10 18 20 22 24 2« 29 33 35 37 39 4(1 42 13 45 48 49 302 57 '■ 59 til 04 264 74 77 7!) 82 85 87 89 91 93 ] 95 J 97 99 ! 101 103 ior> 1(17 109 113 115 117 119 121 '■ 123 151 120 131 128 120 132 132 133 134 13f, 136 137 I3K 139 140 141 142 143 144 145 140 147 148 149 155 159 245 178 179 182 183 . Pukenui 2a, Section 1 .. 2 .. „ 8 .. 4 .. „ .,").. ,. « " 8 '.'. '.'. '.'. , !U .. „ »B 10, I 10, 2 10 3 .. II .. 12 .. .. 13 .. 14 .. .. • .. 15a B15. C15, D15, K15 10 . . 17 .. ,.18 19 .. 20 ., Pukenui 2i> „ Section 1 .,2 „ 2q „ 2t (ttorohanga 1) .. E No. 5 Q No. 2 H .1 Orahiri B C D No. I r> No. 2 E • .. „ F .. „ G J K M „ N .. N No. 1 0 P „ Q .. R .. s .. T „ U .. D No. 1 V V2 No. 1 V 2 No. 2 VV .. .. W No. 1 W No. 2 Xo. 5 Waikowhitiwhiti A B C r> !•: Fl K2 Q K No. 1 K No. 2 L M No. 2 .. No. 3 .. Orahiri No. 1, Sections 1-12, Orahiri No. 10 Manuaitu Block XII .. .. . Ohura South (i No. 3 No. 4 .. Kinohaku East 1 B, Section 2b. No. 1 Sale .. Kinohaku East 5e Lot 2, Block IV, Te Kuiti Township • •-. £ s. d. 1(1 4 8 7 12 0 5 4 9 s 11 i> 8 2 0 4 19 0 0 u l> 8 7 7 10 16 0 31 2 0 9 10 0 0 13 3 2 7 0 23 18 10 103 (I (I 14 18 8 3' 19 8 II 4 0 1 ."> 7 5 0 0 Iβ 1 7 11 7 9 281 1 II '.'. 20 8 0 22 4 2 99 19 5 1T)7 10 5 10 13 4 4 12 1 21 11 10 2 13 2 9 0 0 0 10 II 3 15 0 3 0 0 3 11 10 3 9 r> 0 14 9 19 2 2 17 3 3 2 29 17 4 5 14 8 0 4 8 118 .. i 1 16 0 1 15 a 18 r> 9 9 15 2 21 7 (i 7 12 0 20 13 r> '.'. 613 3 2 0 (I 4 18 9 10 (I II 110 2 1 10 7 1 15 0 .. 3 Iβ 0 4 7 0 17 9 (I 23 10 0 0 13 ..i 3 r> o 28 2 0 0 5 11 3 14 l> .. I .. ..I 74 1 11 61 16 8 1,467 10 0 4 3 0 128 4 7 49 0 0 90 0 0 I 11 a. A. 12 8 (I .i i .1 l ii r> I 3 3 i i2 i 4 0 0 3 10 7 0 9 0 10 9 9

9

G.—9

Balances at the 31st March, 1911 —continued.

£ s. d. Bank .. .. .. .. .. 5,916 6 1 Less unpresented cheques .. .. .. 78 15 6 £4,837 10 7 W. H. Bowler, President. . Examined and found correct. —R. J. Collins, Controller and Auditor-General. Tairawhiti District Maori Land Board. Balance-sheet for the Year ending 31st March, 1911. — General Account. Receipts. £ s. d. Expenditure. £ s. d. Balance at 31st March, 1910 .. .. 3,503 17 4 Rents .. .. .. .. 2,529 9 7 Rents .. .. .. .. 5,542 511 Land-purchase .. .. .. 3,296 15 1 Land-purchase .. .. .. 4,287 5 3 Fees .. .. .. .. 460 0 0 Royalties .. .. .. .. 238 16 0 Deposits .. .. .. .. 30 12 9 Fees .. .. .. .. 460 0 0 Survey .. .. .. .. (130 19 7 Deposits .. .. .. .. 363 15 8 Advertising .. .. .. .. 14 14 6 Refunds to bank .. .. .. 550 6 1 Certificates of title .. .. .. 27 3 3 Land Court fees .. .. .. 36 4 0 Incorporation costs .. .. .. 121 7 1 Legal costs .. .. .. .. 58 0 7 Rates .. .. .. .. 105 10 10 Native-land tax .. .. .. 70 0 2 Interest .. .. .. .. 21 0 0 Mortgages redemption .. .. 1,151 8 1 Miscellaneous .. .. .. 44 8 2 Refunds to bank .. .. .. 550 6 1 Balance at 31st March, 1911 .. .. 5,798 6 6 £14,946 6 3 £14,946 6 3 Alex. Keefkr, President. 2—G. 9,

Folio. Name ol Account. Or. Dr. I 184 185 186 187 188 189 191 192 193 212 217 222 224 225 226 227 228 2:50 231 232 233 235 236 237 238 247 Kakapuku lie No. 2 .. Kinohaku East Iβ No. 2b „ 10b No. 2 West A No. 1 Pokuru No. 2d Kaingapipi No. 2 Trust Suspense Improvements Stamp Duty and Registration Profit and Loss Deposit Account with Publio Trustee Special Claims Te Puiu Township Parawai Township Karewa Township Hauturu East E No. 2, Section 7ii Mangawakino No. 2b .. Kinohaku West H No. 2b, Section 2n; and Kinohaku West H No. 2o, Section 2e, No. 2 Kinohaku West Iα No. 2 .. .. .. „ F, Section Iβ, No. 2\: Kasl Ahipukahu No. Iβ Nos. 1 and 2 Lot 32, Parish of Pepepe Papaarhoa No. 5k Opuatia No. 6c No. 2 .. .. .. .. .. Mangere Blocks, Lots 204-5, 38-44, 49, 60, and Parish of Manun \\a. Lots 278, 194, and Part 209b Ohura South K No. 1, Section 2c, No. 4 .. Parish of Waipa, Lots 59 and 60 Lot 1, Block X, Te Kuiti Orahiri 6b No. Iα Section 44, Block XII, Aroha Survey District Interest Tokaanu C No. 4 and C No. 11.. Rangitoto-Tuhua No. 68b Orahiri 6b No. Iβ Rangitoto A No. 40 .. Pukapuka B and C Trust Wharepuhunga No. 14b Maraetaua 2b No. 3 .. 2b No. 4 .. No. 9c No. 10 No. 9b Waitakaruru No. 5b Lot 361a, Waipipi Bank of New Zealand, Current £ s. d. (i 1 0 17 0 0 03 2 5 16 7 11 13 17 5 40 14 10 11 14 0 8 5 0 118 0 0 399 3 9 1,128 8 10 2 12 8 47 15 2 228 0 2 89 10 5 10 12 4 57 14 0 70 14 tl 0 15 0 0 12 4 100 0 0 I 200 0 0 1,654 14 (i 770 12 7 1,980 17 9 82 0 10 9 17 6 42 l<) 5 37 17 10 3 0 0 173 13 4 9 3 6 129 0 0 865 12 3 47' 2 3 26 11 2 32 12 3 7,000 0 0 281 0 5 £ s. d. 13,000 0 0 4 :i (» 138 7 0 1 10 9 18 3 5,937 10 7 259 262 267 268 271 272 273 274 275 276 280 279 283 284 285 286 287 295 S01 19,027 5 6 19,027 5 6

G.—9

Statement of Balances. £ s. d. I £ s. d. Ahiaparua .. .. .. .. 26 2 2 Tauwhareparae 1c .. .. .. 18 1 8 Ahirau Id .. .. .. .. 61 1 8 „ If .. .. 73 311 Arakihi No. 2 .. .. .. 145 12 8 „ 2\ .. .. .. 68 0 2 Ahirau 2d2 .. .. .. .. 814 6 Tauwharetoi Id .. .. .. 41 0 0 Awapuni 1h .. .. .. .. 6 12 4 „ 4b .. .. .. 30 15 8 Anaura .. .. .. .. 454 8 8 Te Wake No. 1 .. .. .. 9 5 3 Arai-Matawai or Waimata Reserve .. 115 3 6 ' „ No. 2 .. .. .. 32 7 6 Hangaroa-Matawai 82.. .. .. 14 12 8 Tokomaru K(i .. .. P3 4 8 Hinewhaki West or No. 2 .. .. 6 9 7 „ K7 .. .. .. 102 14 9 Honokawa Iβ .. .... 64 7 3 „ K8 .. .. .. 17 4 7 Kahaatureia A .. .. .. 36 17 4 Tuakau-Pirauau Ib 2 .. .. 34 7 5 Kaiaua No. 1 .. .. .. 25 16 0 Tutamoe No. 2 .. .. .. 80 11 8 No. 2a .. .. .. 9 14 1 Waihora No. If .. .. .. 25 16 9 No. 2b .. .. .. 7 1111 „ No. In .. .. .. 20 4 11 ~ No. 2c .. .. .. 11 12 9 „ E .. .. .. .. 29 14 5 Kaiti No. 60.. .. .. .. 4 9 1 Waikohu-Matawai No. lis .. .. X! Hi s Kirikiriroa 2b .. .. .. 13 311 Waimata North No. Iβ .. .. 52 8 2 Kopaatuaki No. 2 .. .. .. 80 12 5 „ South No. 2 .. .. 43 13 5 Kopua D .. .. .. .. 4 5 4 „ East No. 2.. .. .. 36 Hi 4 „ A, B, C, D .. .. .. 19 2 7 „ West No. U .. .. 93 9 4 Kopuatarakihi Iα .. .. .. 19 111 Waipaoa 3b .. .. .. .. 154 12 3 2a .. .. .. 25 9 4 Whakaangiangi 3b .. .. .. 36 010 Mangapoike Ib 2 .. .. .. 33 1 9 „ la 2 .. .. .. 2 5 9 .. .. .. 3 5 7 „ Ib 2 .. .. .. 413 10 2c .. .. .. 43 12 6 „ 6a2 .. .. .. 10 9 8 Mangatokerau 2b .. .. .. 311 0 Whatatutu Iα .. .. .. 1 510 Matakuhia .. .. .. .. 314 9 Wharehapua Iα .. .. .. 33 4 2 Motu 2b4 .. .. .. .. 10 18 11 Te Puia Native Township .. .. 77 010 „ 2b5 .. .. .. .. 39 6 7 Tuatini Native Township, No. 5 .. 44 13 o ~ 2b6 .. .. .. .. 66 6 6 „ No. 7 .. 61 12 ' 8 Ohinepoutea .. .. .. 187 4 6 „ No. 8 .. 35 8 5 Ohuia No. 1 .. .. .. 232 16 6 „ No. 9 .. 9 10 „ Nos. 3 and 4 .. .. .. 25 13 6 „ No. 10 197 8 6 Okahuatiu Iβ .. .. .. 12 8 2 „ No. 10a .. 78 J Id Omaika lα, Iβ, and 2 .. .. 72 13 6 Te Araroa Native Township, Pipiangiangi 810 1 Oterangiwhaiao No. 1 .. .. .. 21 6 7 „ Tapuaeote Ao 47 15 II Paekawa No. Iβ .. .. 141 12 7 „ Whetunmtarau 538 18 0 Pariwhero A, B, C, and I) .. .. 386 4 6 Waipiro Native Township No. 2 .. 85 13 1 Puhatikotiko 2al .. .. .. 9 110 „ No. 2a .. 010 1 Panikau4Al .. .. .. .. 12 10 8 „ No. 2b .. 12 11 8 sal .. .. .. .. 2 7 8 „ No. 2c .. 19 6 Paokahu No. 2 .. .. .. 13 19 2 „ No. 2d .. c> 12 8 No. 4 .. .. .. 10 19 9 „ No. 2i: .. 10 2 9 Papakorokoro No. 5 .. .. .. 25 12 0 „ No. 2p .. 27 13 9 „ No. 7 .. .. .. 37 15 0 Deposit Account .. .. .. 345 11 11 Pouturu No. 1 .. .. .. 138 1 8 Expenses Account .. .. .. 677 4 2 Poututu A 4b2 .. .. .. 93 3 4 Paeroa No. 2a .. .. .. 13 17 0 Total .. .. .. £6,989 l(i I No. 2b .. .. .. 11 0 9 „ No. 2c .. .. .. 315 0 Total credit balances .. .. .. 6,989 16 I No. 2]? .. .. .. 34 11 0 Less debit balances— £ s. d. No. 2g .. .. .. 27 12 3 Ahirau No. 2 .. .. 2 6 7 Mohaka No. 4 .. .. .. 47 13 6 Ahomatariki 3b .. .. 111 0 No. 10 .. .. .. 3 13 0 Hauomatuku 2a .. .. 309 1 7 No. Hα .. .. .. 33 2 6 „ 2b .. .. 125 19 0 „ No. 11b .. .. .. 21 10 0 „ 8a .. .. 123 4 5 No. 13b .. .. .. 55 15 3 „ 9b .. .. 123 4 5 No. 16 21 11 0 „ 9c .. .. 123 4 0 „ No. 40a .. .. .. 19 9 9 Kumukumu .. .. 279 4 '.) „ No. 52b .. .. .. 45 6 5 Mangapoike Id 2 .. .. 3 3 t> „ No. 54a - .. .. .. 112 6 „ le2 .. ..365 „ No. 55a .. .. .. 411 6 Pukeamaru No. 2.. .. 1 9 (i Rakauatautini A .. .. .. 90 11 6 „ No. 6b .. 13 9 Rangikohua No. Iβ .. .. .. 61 6 3 Purapurakowhitia. . .. 12 0 » No. 6 .. .. .. 81 19 4 Tangihanga .. .. 15 15 0 Rotoatahi and Puatae .. .. 29 14 6 Waipaoa No. 5 .. .. 76 6 1 Ruarakaiputara No. 1.. .. .. 33 3 6 Waipiro No. 6 .. .. 16 8 No. 2.. .. .. 7 14 3 1,191 9 7 No. 4 .. .. 27 19 7 .. Tapuiiu'kitea C .. .. .. 54 13 2 Balanoe .. .. .. £5,798 6 6 Taumatapatiti 2u .. .. .. 14 14 0 Alex. Keefer, President. Examined and found correct. —R. J. Collins, Controller and Auditor-General.

10

11

G.—9

Tokbhad District Maori Land Board. Statement <ii Accounts for the Year ending the 31st March, 1911. — General Statement. Receipts. £ s. d. /,.<■ penditure. t s. d. Balanee/Slet Maroh,*l9lo .. .. 1,186 14 0 Registration fees, District Land Registrar 10 It ii Rents received .. .. .. 1,466 18 2 Refund stamp duty and registration foes Considerations received »n re sales .. 7,287 19 10 fees overpaid .. .. .. 21 r> o Lease fees .. .. .. .. 94 10 0 Distribution of rent .. .. .. 302 3 6 Stamp duty and registration fees .. 40 15 0 j Advertisinc .. .. .. .. 87 S 0 General fees .. .. .. XW 0 0 ' Payment rebates in rent and rents overpaid 12 16 10 Payments received for improvements .. 49 0 0 Travelling-expenses, £22 Bs. 2d. ; audit Commission in re. transfers executed by fee, £3 .. .. .. 2/i 8 2 Board under Part XVin .. .. r>2 Lβ 0 Fencing .. .. .. .. 10 0 0 Payments on account of survoys .. 212 17 10 Public Account, rents and general fees received .. .. .. .. 480 0 0 Paid beneficiaries on account of improvements .. .. .. .. 97 17 0 I imaideration-money paid to beneficiaries 3,008 11 8 Refund consideration-money overpaid .. 34 0 0 I Cost timber estimation .. .. 43 12 11 £ s. d. Bank balance .. .. 6,294 15 10 Less outstanding cheques .. 142 18 3 6,151 17 7 £10,498 13 *0 i £10,498 13 0 W. DiNKiE, President.

Statement of Balances.

Name of Account. Or. Dr. £ s. d. £ s. d. Parenga and Pakohu Rent .. .. .. .. .. 652 Iβ 0 Stamp duty and registration fees.. .. .. .. .. 41 1 0 Te Karae Block Rent .. .. .. .. .. .. 363 19 10 Mahimahi Block Royalty .. .. .. .. .. 6 10 0 Waikare Block Royalty .. .. .. .. .. .. 453 5 5 Ahikiwi Block Royalty .. .. .. .. .. .. 596 13 ii Pipiwai Block Royalty .. .. .. .. .. .. 23 14 4 Motatau Block Royalty .. .. .. .. .. .. 1,200 2 1 Te Karae Block Royalty .. .. .. .. .. 87 0 3 Paihia No. 1 Royalty .. .. .. .. .. .. 134 11 6 Mimitu Block Royalty .. .. .. .. .. .. 73 16 3 Otakanini Block Rent .. .. .. .. .. .. 454 13 4 Improvements .. .. .. .. .. .. 31 0 0 Otakanini Survey .. .. ' .. .. .. .. 0 10 8 Profit and loss .. .. .. .. .. .. 233 10 11 Pakanae No. 2 Sale .. .. .. .. .. .. 7 10 0 Whitingamarma .. .. .. .. .. .. 6113 Maunu No. 1h .. .. .. .. .. .. 14 0 0 Kaitara No. 2f .. .. .. .. .. .. 87 10 0 Aotearoa .. .. .. .. .. .. .. 362 11 0 Opckapeka G .. .. .. .. .. .. .. 22 18 1 Putetaka No. 2a .. .. .. .. .. .. 25 0 0 Wawa No. 7 .. .. .. .. .. .. .. 15 0 0 VVhatitiri No. 12u No. 2a .. .. .. .. .. 5 10 7 Kaiwhakairi .. .. .. .. .. .. . . 306 <» 8 Kapura-horu .. .. .. .. .. .. .. 574 7 o Ahauhu .. .. .. .. .. .. .. 133 lit i> Waimimiti .. .. .. .. .. .. .. 1,371 0 7 Poukai 33 Id II Ahitunutawa .. .. .. .. .. .. •• 65 14 7 Tutnomatai A .. .. .. .. .. .. .. 1,220 0 0 Pfiivmatn Mokaii Timber •• .. .. •• •■ •• m 12 11 £ s. < I. Bank balance .. .. .. .. .. 6,294 16 L0 Less outstanding cheques .. .. .. 142 18 3 i I .. 6,161 17 7 £7,404 12 Id £7,404 12 10 W. Dinnie, President. Examined and found correct.. —E. J. Collins, Controller and Auditor-General.

a.—9.

12

Waiahiki District Maori Land Board. Statement of Accounts for the Year ending the 31st March, 1911. — Oeneral Statement. Receipts. £ s. d. I Expenditure. ii s. d. Balance, Ist April, 1910 .. .. 650 2 6 Advertising and auction expenses re blocks under Maori Land Act, 1900, and leased by Board .. .. .. 32 0 3 amendments .. .. .. It 14 h Fees paid to Public Account under Native Fees under Native Land Act, 1909 .. 404 5 0 Land Act, 1909 .. .. .. 392 6 0 Royalties .. .. .. .. 636 3ii j Fees refunded (wrongly paid) .. .. 3 on Rents .. .. .. .. r>73 13 10 Royalties disbursed .. .. .. Mi 18 4 Board's commission .. .. .. 20 11 4 Rents disbursed .. .. .. 34 12 9 Rent and commission (not finally adjusted) 168 II 0 liilii Karenga (see Account No. 8) .. 15 0 0 fees .. .. .. .. 82 0 6 Refund to l>. Lundon by owners Waited On account improvements (fenoing Okohe- Blocks, deposit proposed purchase .. (it 2 1 riki Blocks.. .. .. .. 3 3o Measurement of timber on Waiteti Blocks.. T.\ Jr> ;t Tikitere toll-moneys .. .. .. 298 BIS Road-formation works on blocks lc.-isec Iby Consideration for transfer (part), Parawai Board .. .. .. .. 204 13 7 Blocks .. .. .. .. ."ii) ii ii Audit of Board's accounts .. .. 010 0 Purohase-moneys (Oamaru Blooks) .. 1,066 0 t> Half-oost of rent of telephone .. l> 10 0 Kent private letter-box .. .. 10 0 Cost, &c., of sale .. .. .. :(ii 7 (i Registration tecs and Native Land Court fees prior to registration of Okoheriki Blooks titles .. .. .. I In v Tikitere tolls disbursed .. .. Js.'f 2 o Expenses re administration Tikitere tolls .. 3 JO o Consideration-money disbursed (Parawai).. II 2 :; Expenses re inspection of oompany's books re Oropl and Waoku Blocks .. .. Ii 2 0 Balance, 31st March, 1911,— £ s. d. Li bank as per certificate 2,490 16 2 On deposit with Public Trustee .. .. litKi 0 0 3,090 15 2 £4,206 16 8 £4,205 15 8 Jas. W. Browne, President.

Statement of Balances.

Jas. W. Browne, President. Examined and found correct.—R. J. Collins, Controller and Auditor-General.

No. Name of Account. Balance. I 2 4 6 i> 7 8 9 in II Tβ Kotuku-o-Taniawhakaai a Pukehina A, flax royalties Waewaetutuki, flax royalties Omataroa No. 3a, royalties Rangitaiki Lot 38a, royalties Kotoiti Township, rental Estate of Niramona Pine Rangitaiki Lot 29, flax royalties Waiteti Mocks, royalties Wharenui, Puketawhero, Owhatiura South, and Rotomohana-Parekarangi No. Iα No. 2, rental Awaawakino Block, improvements.. Profit and loss Okoheriki Blocks, rental .. ,, improvements .. Tapuaekura Block, rental Tikitere, toll-moneys Rangitaiki Lots, flax royalties, general Paengaroa North A No. 1, Sections 2 and .'J, rental .. eyable under Native Land Act, 1909. . Rotohokahoka V Block, rental Rotomahana-Pdrekaraimi Zα No. 3b, Section r>. rental Parawai No. 2a (part), dairy-factory site Pukaingataru ft No. 9, rental Karangi A, Section 1, rental Oropi No. 2 and Waoku No. S, royalties Pukaingataru B No. 10, Section 1, rental .. ,, ,, Section 2, rental .. B Nα Lβ, rental .. .. .. .. .. ,. " Rangitaiki Lot 31, flax royalties .. Maangarangi B No. 2c, rental Pukaingataru B No. 2a. Seet ion :t, rental .. lianjrilaiki Parish Lots, rental Pukaingataru B No. 6, rental .. .. » No. 15, rental Paengaroa South No. 1, rental Section 10, Block 8, Maketu Survey District, rental .. Pukaingataru B No. 8 .. Rotoiti No. 5a, rental Pukaingataru B, No. 7, rental Oainaru No. 3b, purchase-money Oamaru No. 4b, purchase-money Lease fees payable under Registration No. 32 £ B. (1. 7 Iβ 01 I 2 4 0 Iβ I) 16 Q i) 45 0 (I 77 8 7 65 0 0 7!) 18 0 44 19 8 7 l<) 41 12 L3 II Lβ IT IS l<1 2(1 21 22 21 28 26 27 28 29 30 31 32 33 :u 36 36 37 88 39 Hi 12 43 II 16 48 14 l<.) (i 61 8 1 •77 14 2A 18 3 0 26 11 10J 214 13 0 250 2 6 29 0 0 9 (l 0 26 ii ii 2 10 10 38 17 9 13 11 11 2 11 ,-> 155 2 10 5 11 2 8 10 r, 6 11 1 100 0 0 7 18 1 l> 11 0 468 14 0 (i 9 0 2 8 3 16 10 8 8 2 (i 26 (i 7 37 10 o 22 8 2 370 0 0 095 0 0 32 0 (i 23 Okoheriki No. 2i>, Section IS, rental debit 3,092 11 10 1 16 8 £3,090 15 2 Balance in bank on the 31st March, 1911, as per certificate Amount on deposit with Public Trustee on the 31st March, 1911 .. £ b. d. 2,490 15 2 600 0 0 £3,090 15 2

13

G.—9

TABLE C—NATIVE-LAND-PURCHASE OPERATIONS FOR FINANCIAL PERIOD ENDED 31st MARCH 1911.

Name of Block. Area. ActiuD taken, and Remarks. Tβ Puia Native Township Waipiro No. 6 .. Pahiatua No. 2.. Whitiatara (Manawatu No. 8) Owhaoko Blocks A. K. P. 446 2 28 223 0 0 392 3 32 1,370 0 0 165,713 0 0 Purchased. >> Under negol iation. S,7iS 0 0 5,736 3 0 7,772 0 0 ,, Meeting of assembled owners directed. Purchased. Kaiwaka No. 1 No. 2a W'aitutuma Iα No. 7 .. Under negotiation. Meeting of assembled owners directed. Ditto. Block i l.iin.ini :2k 200 0 0 4,800 0 0 1,660 0 0 Offer In purchase declined by resolution of meeting of assembled owners. Purchased. 4b 3b Tahora 2b2 1,857 0 0 744 0 0 4,843 0 0 Offer to purchase deolined by resolution of meeting of assembled owners. Ditto. „ 2a „ 2ab No. 1 and 2ai> Te Putero A5 .. A7 .. A8 .. A9 A12 .. Rotokawa-Tauhara North Block .. 9,216 0 0 3,081 0 0 661 3 29 1,318 3 8 659 1 29 659 1 29 1,100 0 0 2,776 0 0 Matter held over owing to long lease over land. ii n ii t> *i », »» »» rt Raetihi 2n 2c .. Mangatainoka J No. 4a No. 1 .. No. 4b .. No. 4b .. No. 4f No. 1 „ No. 2 .. „ No. 3 „ No. 4 Mangatainoka No. 2bh No. 2a No. 2b .. No. 2d .. No. 2e .. No. Iα No. 1 East.. „ West No. Ibc No. 2a No. 2b .. No. 2c, No. I „ 2a, and 2o3 2b K No. 2a K No. 2b No. 2 .. K No. 2b No. 3 .. KNo. 2c. No. 4e No. 2a Almaturauga Waimarama Iβ. . 1,050 0 0 120 0 0 240 0 0 178 1 17 65 3 0 239 1 20 240 1 18 143 3 16 9 0 0 9 0 0 80 0 34 160 1 24 449 1 48 1,423 3 0 00 2 34 182 0 22 242 3 16 101 3 28 140 3 28 569 0 0 172 3 30 172 3 30 1,525 0 0 L26 0 0 1,263 0 0 149 3 7 Offer to purchase deolined by resolution of meeting of assembled owners. Ditto. Private alienation prohibited. I'at el ere South 1b3 1,572 1 0 Under negotiation. Meeting of assembled owners directed. Offer to purchase declined by resolution of meeting of assembled owners. Declined, it being only a very small portion of a very large block. Private alienation prohibited. Waimarino B 3b 02 2 0 Tahoraite No. Iα No. Iβ No. lc No. Id No. Iβ No. If No. 1g No. In No. Ik No. 2 Manawaangiangi Blangamuka West No. 2 No. 3 Mangamuka East A ;: l B :: :: :: G J' , Uroweia District Purchase Waihaha 3d Nos. 1 and 2 618 0 0 Iii7 0 0 83 0 0 154 0 0 248 0 0 124 0 0 083 0 0 •869 0 0* r>27 0 0 5,924 0 0 12,070 0 0 3,286 2 0 8,957 0 0 722 0 0 1,640 0 0 391 0 0 1,167 0 0 100 0 0 38,780 0 0 0,901 0 0 Purchased. Under negotiation. Patetere South 3b Taharoa A Block 1,127 0 0 16,096 0 0 Purchased. Offer to purchase declined by resolution of meeting of assembled owners. Ditto. Under negotiation. Meeting of assembled owner directed. Held over pending appeals. Under consideration. Pouto 2e No. 10 14,138 0 0

G.— 9

14

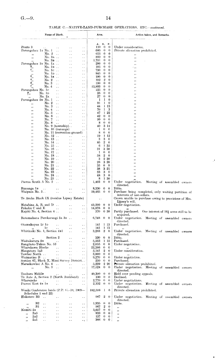
TABLE C. NATIVE-LAND- PURCHASE OPERATIONS, ETC,- continued.

Name of Block. Area. Action taken, and Remarks. * I'outo 3 Porangahau I a No. 1 .. No. 2 No. 3a No. 3b .. Porangahau In No. 1a .. f„ No. 1b . . r,, No. lc .. No. Id .. "„ No. IE . . '„ No. 2 t„ No. 3 t„ No. 4 Porangahau Kb. lc I, No. Id No. 2a Porangahau 2b No. 1 .. No. 2 .. No. 3 .. No. 4 No. 5 .. No. 6 .. No. 7 No. 8 .. „ No. 9 (township). . ,, No. 10 (runanga) No. 11 (recreation-ground) No. 12 .. No. 13 .. No. 14 .. No. 15 .. No. 16 .. No. 17 No. 18 .. No. 19 . . No. 20 .. No. 21 No. 22 .. No. 23 .. No. 24 .. No. 25 .. Paeroa South A No. 2 .. A. E. P. Ill) 0 0 686 0 o 616 0 0 899 0 o 1,751 0 0 200 0 0 105 0 0 750 0 0 845 0 0 100 0 0 102 2 0 LOO 0 0 13,893 0 0 125 0 0 25 0 0 27 0 0 1 1 0 91 1 0 44 1 13 70 1 3 47 1 22 42 0 0 99 0 0 8 0 0 40 3 14 1 0 0 8 li I) 19 1 12 3 3 0 85 2 0 6 1 35 31 3 30 1 0 0 58 2 0 3 2 30 26 3 20 35 0 0 38 3 21 63 3 0 48 3 0 8 1 30 1,403 0 0 Under consideration. Private alienation prohibited. ,, ■», ,, ,, ,, ,, », ,» ,» ,, ,» », ,, », ,, »» », Runanga 1b Waipaoa No. 5.. 8,330 0 0 19,465 0 0 tt Under negotiation. Meeting of assembled owners directed. Ditto. Purchase being completed, only waiting partition of interests of non-sellers. Crown unablo to purchase owing to provisions of Mrs. Lipsey's will. Under negotiation. Te Aroha Bloek IX (residue Lipsey Estate) Matahina A, B, and D .. Pokohu C and E Kapiti No. 4, Section 4 .. 43,299 0 0 14,876 0 0 370 0 30 tt Partly purchased. One interest of Mi] acres still t<i lie acquired. Under negotiation. Meeting of assembled owners directed. Purchased. Kotoniahana Parekarangi 3a 3u .. 6,748 0 0 Otamakapua 1j Id lc Whirinaki No. 1, Section 4b] 141 1 13 141 1 13 3,283 2 0 Under negotiation. Meeting of assembled owners directed. Ditto. Purchased. Under negotiation. ,, Section 2 Waitakaruru 5n Rangitoto-Tuhua No. 53 Wharekawa Blocks Mangatoro 1a3 .. Tawhai North Waimarino B .. Section 67, Block X, Mimi Survey Disti iet. . Maraekowhai A No. 4 .. „ No. 5 .. 330 (l 0 5,553 1 15 2,055 0 0 22,386 0 0 5,141 2 0 3,000 0 0 9,270 II 0 250 0 0 5,229 2 20 17,524 0 0 Under consideration. Tauhara Middle To Ante A, Section 2 (North Auckland) U'harepoke Paeroa Blast In In 40,300 0 0 100 0 0 2,770 0 0 2,332 0 o Under negotiation. Purchased. Private alienation prohibited. Under negotiation. Meeting of assembled owners directed. Held over pending appeals, Declined. Under negotiations. Under negotiation, sleeting ot assembled owners directed. Private alienation prohibited. Waalii Conference lands (P.P. G.-10, 1909 Schedules 1 and 22) Hukatere B3 .. 182,508 I fi 967 2 0 Under negotiation. Meeting of assembled owners directed. Ditto. „ B2 Bl Komiti 2b „ 2a3 .. „ 2a2 .. „ 2a1 .. 1,935 n (I 967 2 0 3,657 0 0 833 0 0 137 0 0 360 0 0 ,» >»

15

G.—9

TABLE C.—NATIVE-LAND-PURCHASE OPERATIONS, ETC,— continued.

Approximate Coil of Paper. —Preparation, not given; printing (1,400 copies), £18.

By Authority : John Mackay. Government Printer, Wellington— l9ll,

Price Bd.]

7 f Name of Block. Area. Action taken, and Remarks. A. B. 11. Koraiti Iβ .. .. .. .. 1,900 0 0 ! Ditto. „ Iα, Section 2 .. .. .. 1,806 3 0 „ Iα, Section'l .. .. .. 2711 1 0 Maraetakaroro Kapiti No. 2b1 (part) .. 108 0 22 Under negotiation. No. 2b2 .. .. 171 0 39 Tβ Wawa .. .. .. .. 907 0 0 j Held over. Subject to an appeal. Otuhi No. 1 .. .. .. 61 0 0 Under consideration. „ No. 2 .. .. .. .. 7.M' 0 0 Okahukura 8m No. 2 (part) .. .. 4,00<> 0 0 Moerangi Block .. .. .. 45,000 0 0 Private alienation prohibited. Crown has already acquired interests. Rotorangi Block .. .. .. 706 I 0 ; Offer to purchase decline I by resolution of meeting of assembled owners. Pohokura No. 13 .. .. . . 8,627 <• 0 Under negotiation. Meeting of assembled owners directed. Taumatamahoe 2b 2b 18 .. .. 3,172 0 0 Ditto. VVhirinaki No. 2c 2e .. .. .. .">! 1 14 ! Under negotiation. 2r> .. .. .. U 0 11 To Koau .. .. .. .. 10,300 0 0 Under negotiation. Meeting of assembled owners directed. Omahaki Block .. .. .. 15,710 0 0 | Ditto. Timahanga .. .. .. .. 21,900 0 (» ,, Utiku Nativo Township .. .. .. Under consideration. Pouwhakarua No. Iβ .. .. .. 31(i 2 26 Purchase being completed. One interest outstanding. Koiro Block .. .. .. .. 7,00(1 0 0 Under negotiation. Meeting of assembled owners directed. Summary. > A. B. P. Area purchased .. .. .. .. .. .. .. .. .. .. 75,437 1 11 Area under negotiation, direct or by meeting of assembled owners .. .. .. .. 430,560 1 39 Area where offer to purchase declined by meeting of assembled owners .. .. .. .. 35,922 1 0 Area declined by Native Land Purchase Board .. .. .. .. .. .. 162 0 0 Area under consideration .. .. .. .. .. .. .. .. .. 27,230 2 0 Area held over pending appeal, &c. .. .. .. .. .. .. .. .. 61,702 2 15 Area over which Orders in Council have issued prohibiting private alienations .. .. .. 271,058 2 21 GrandHotal .. .. .. .. .. .. .. .. .. 902,074 1 6

This report text was automatically generated and may include errors. View the full page to see report in its original form.I whakaputaina aunoatia ēnei kuputuhi pūrongo, e kitea ai pea ētahi hapa i roto. Tirohia te whārangi katoa kia kitea te āhuatanga taketake o te pūrongo.
Permanent link to this item
Hononga pūmau ki tēnei tūemi

https://paperspast.natlib.govt.nz/parliamentary/AJHR1911-I.2.3.5.10

Bibliographic details
Ngā taipitopito pukapuka

NATIVE LAND COURTS AND MAORI LAND BOARDS (REPORT FROM THE UNDER-SECRETARY, NATIVE AFFAIRS, ON THE WORKING OF THE) FOR THE YEAR ENDING 31st MARCH, 1911., Appendix to the Journals of the House of Representatives, 1911 Session I, G-09

Word count
Tapeke kupu
9,392

NATIVE LAND COURTS AND MAORI LAND BOARDS (REPORT FROM THE UNDER-SECRETARY, NATIVE AFFAIRS, ON THE WORKING OF THE) FOR THE YEAR ENDING 31st MARCH, 1911. Appendix to the Journals of the House of Representatives, 1911 Session I, G-09

NATIVE LAND COURTS AND MAORI LAND BOARDS (REPORT FROM THE UNDER-SECRETARY, NATIVE AFFAIRS, ON THE WORKING OF THE) FOR THE YEAR ENDING 31st MARCH, 1911. Appendix to the Journals of the House of Representatives, 1911 Session I, G-09

Log in or create a Papers Past website account

Use your Papers Past website account to correct newspaper text.

By creating and using this account you agree to our terms of use.

Log in with RealMe®

If you’ve used a RealMe login somewhere else, you can use it here too. If you don’t already have a username and password, just click Log in and you can choose to create one.


Log in again to continue your work

Your session has expired.

Log in again with RealMe®


Alert