Page image
Page image

G.— 9

14

TABLE C. NATIVE-LAND- PURCHASE OPERATIONS, ETC,- continued.

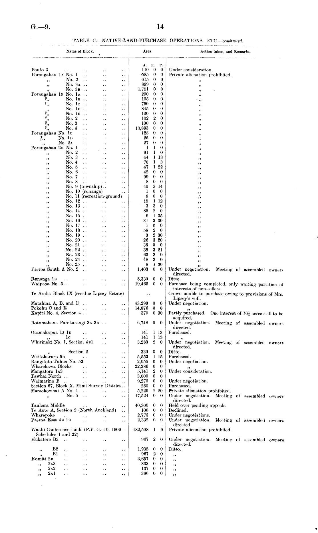
Name of Block. Area. Action taken, and Remarks. * I'outo 3 Porangahau I a No. 1 .. No. 2 No. 3a No. 3b .. Porangahau In No. 1a .. f„ No. 1b . . r,, No. lc .. No. Id .. "„ No. IE . . '„ No. 2 t„ No. 3 t„ No. 4 Porangahau Kb. lc I, No. Id No. 2a Porangahau 2b No. 1 .. No. 2 .. No. 3 .. No. 4 No. 5 .. No. 6 .. No. 7 No. 8 .. „ No. 9 (township). . ,, No. 10 (runanga) No. 11 (recreation-ground) No. 12 .. No. 13 .. No. 14 .. No. 15 .. No. 16 .. No. 17 No. 18 .. No. 19 . . No. 20 .. No. 21 No. 22 .. No. 23 .. No. 24 .. No. 25 .. Paeroa South A No. 2 .. A. E. P. Ill) 0 0 686 0 o 616 0 0 899 0 o 1,751 0 0 200 0 0 105 0 0 750 0 0 845 0 0 100 0 0 102 2 0 LOO 0 0 13,893 0 0 125 0 0 25 0 0 27 0 0 1 1 0 91 1 0 44 1 13 70 1 3 47 1 22 42 0 0 99 0 0 8 0 0 40 3 14 1 0 0 8 li I) 19 1 12 3 3 0 85 2 0 6 1 35 31 3 30 1 0 0 58 2 0 3 2 30 26 3 20 35 0 0 38 3 21 63 3 0 48 3 0 8 1 30 1,403 0 0 Under consideration. Private alienation prohibited. ,, ■», ,, ,, ,, ,, », ,» ,» ,, ,» », ,, », ,, »» », Runanga 1b Waipaoa No. 5.. 8,330 0 0 19,465 0 0 tt Under negotiation. Meeting of assembled owners directed. Ditto. Purchase being completed, only waiting partition of interests of non-sellers. Crown unablo to purchase owing to provisions of Mrs. Lipsey's will. Under negotiation. Te Aroha Bloek IX (residue Lipsey Estate) Matahina A, B, and D .. Pokohu C and E Kapiti No. 4, Section 4 .. 43,299 0 0 14,876 0 0 370 0 30 tt Partly purchased. One interest of Mi] acres still t<i lie acquired. Under negotiation. Meeting of assembled owners directed. Purchased. Kotoniahana Parekarangi 3a 3u .. 6,748 0 0 Otamakapua 1j Id lc Whirinaki No. 1, Section 4b] 141 1 13 141 1 13 3,283 2 0 Under negotiation. Meeting of assembled owners directed. Ditto. Purchased. Under negotiation. ,, Section 2 Waitakaruru 5n Rangitoto-Tuhua No. 53 Wharekawa Blocks Mangatoro 1a3 .. Tawhai North Waimarino B .. Section 67, Block X, Mimi Survey Disti iet. . Maraekowhai A No. 4 .. „ No. 5 .. 330 (l 0 5,553 1 15 2,055 0 0 22,386 0 0 5,141 2 0 3,000 0 0 9,270 II 0 250 0 0 5,229 2 20 17,524 0 0 Under consideration. Tauhara Middle To Ante A, Section 2 (North Auckland) U'harepoke Paeroa Blast In In 40,300 0 0 100 0 0 2,770 0 0 2,332 0 o Under negotiation. Purchased. Private alienation prohibited. Under negotiation. Meeting of assembled owners directed. Held over pending appeals, Declined. Under negotiations. Under negotiation, sleeting ot assembled owners directed. Private alienation prohibited. Waalii Conference lands (P.P. G.-10, 1909 Schedules 1 and 22) Hukatere B3 .. 182,508 I fi 967 2 0 Under negotiation. Meeting of assembled owners directed. Ditto. „ B2 Bl Komiti 2b „ 2a3 .. „ 2a2 .. „ 2a1 .. 1,935 n (I 967 2 0 3,657 0 0 833 0 0 137 0 0 360 0 0 ,» >»

Log in or create a Papers Past website account

Use your Papers Past website account to correct newspaper text.

By creating and using this account you agree to our terms of use.

Log in with RealMe®

If you’ve used a RealMe login somewhere else, you can use it here too. If you don’t already have a username and password, just click Log in and you can choose to create one.


Log in again to continue your work

Your session has expired.

Log in again with RealMe®


Alert