Page image
Page image

E.—l

10

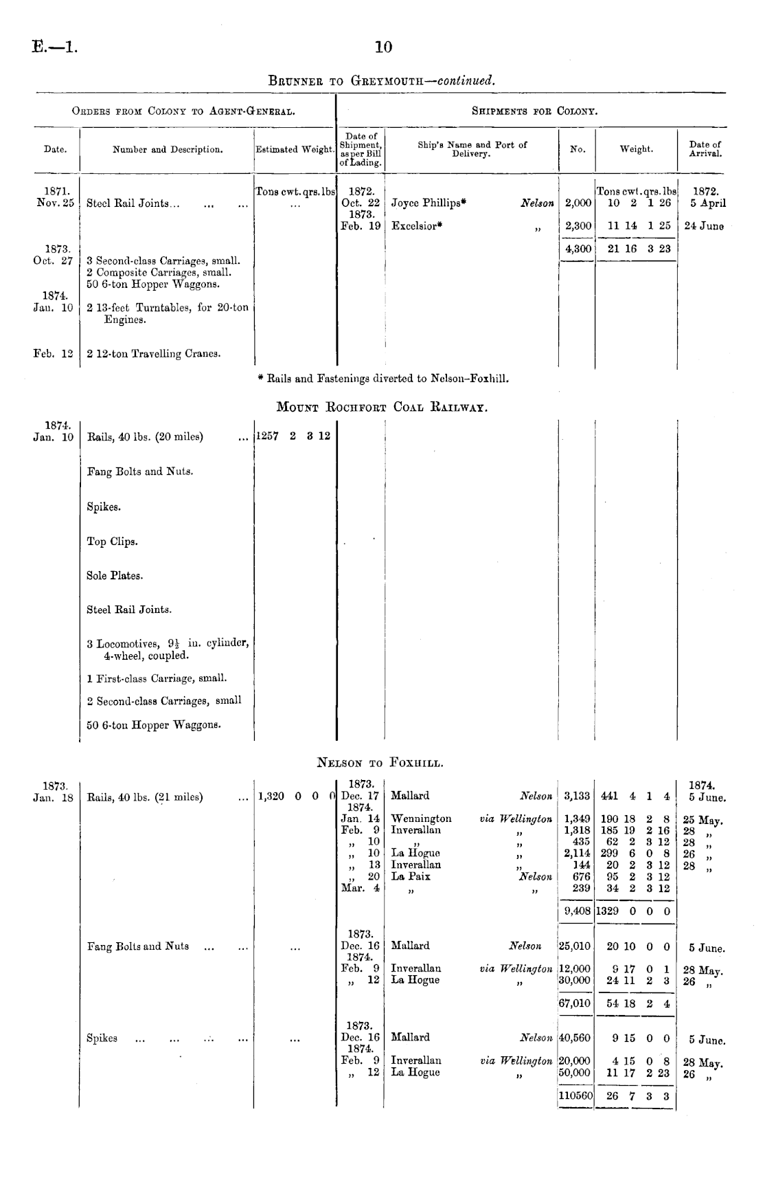
Brunner to Greymouth— continued. Orders from Colony to Agent-Genebal. Shipments fob !olony, Date. Number and Description. Estimated Weight. Date of Shipment, as per Bill of Lading. Ship's Name and Port of Delivery. No. Weight. Date of Arrival. 1871. Nov. 25 Steel Rail Joints... Tons cwt. qrs. lbs 1872. Oct. 22 1873. Feb. 19 Joyce Phillips* Nelson 2,000 Tons cwt.qrs.lbs 10 2 1 26 1872. 5 April Excelsior* 2,300 11 14 1 25 24 Juno 1873. Oct. 27 3 Second-class Carriages, small. 2 Composite Carriages, small. 50 6-ton Hopper Waggons. 4,300 21 16 3 23 1874. Jan. 10 2 13-feet Turntables, for 20-ton Engines. ■erted to Nclson-Foxhill. Feb. 12 2 12-ton Travelling Cranes. * Rails and Fast ;enings dr Rails, 40 lbs. (20 miles) Mount R OCHFOET Coal Railway. 1874. Jan. 10 1257 2 3 12 Fang Bolts and Nuts. Spikes. Top Clips. Solo Plates. Steel Rail Joints. 3 Locomotives, 9| in. cylinder, 4-wheel, coupled. 1 First-class Carriage, small. 2 Second-class Carriages, small 50 6-ton Hopper Waggons. Rails, 40 lbs. (21 miles) Ne: .SON TO FOXUILL. 1873. Jan. 18 / 1,320 0 0 0 1873. Dec. 17 Mallard 1874. Jan. 14 Wennington Feb. 9 Inverallan „ 10 „ 10 La Hogue „ 13 Inverallan „ 20 La Paix Mar. 4 „ Nelson via Wellington jj » jj u Nelson j. 3,133 1,349 1,318 435 2,114 144 676 239 441 4 14 190 18 2 8 185 19 2 16 62 2 3 12 299 6 0 8 20 2 3 12 95 2 3 12 34 2 3 12 1874. 5 June. 25 May. 28 „ 28 „ 26 „ 28 „ 9,408 1329 0 0 0 Fang Bolts and Nuts 1873. Dec. 16 Mallard 1874. Feb. 9 Inverallan „ 12 La Hogue Nelson via Wellington jj 5 June. '25,010 20 10 0 0 ,12,000 !30,000 9 17 0 1 24 11 2 3 28 May. 26 7 Spikes :. 1873. Dec. 16 Mallard 1874. Feb. 9 Inverallan „ 12 La Hogue Nelson via Wellington 67,010 54 18 2 4 5 June. 40,560 9 15 0 0 20,000 50,000 4 15 0 8 11 17 2 23 28 May. 26 / 110560 26 7 3 3

Log in or create a Papers Past website account

Use your Papers Past website account to correct newspaper text.

By creating and using this account you agree to our terms of use.

Log in with RealMe®

If you’ve used a RealMe login somewhere else, you can use it here too. If you don’t already have a username and password, just click Log in and you can choose to create one.


Log in again to continue your work

Your session has expired.

Log in again with RealMe®


Alert