Page image
Page image

24

H.—ll

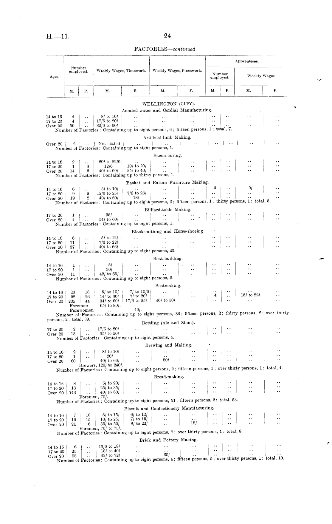
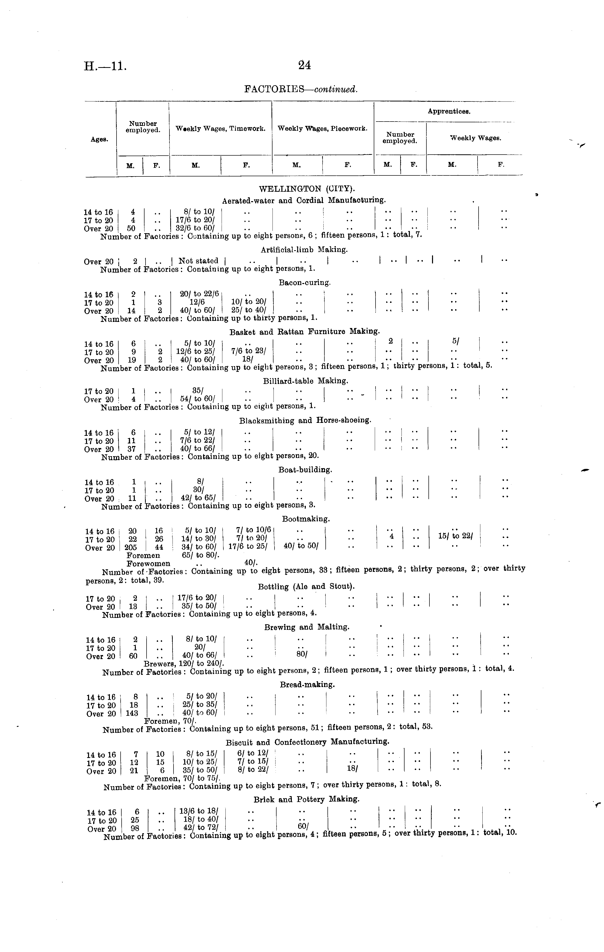
FACTOBlES— continued. Apprentices. Number employed. Weekly Wages, Timework. Weekly Wages, Piecework. Ages. employe! Week 'y Wa e es - M. F. M. P. M. F. M. P. M. P. WELLINGTON (CITY). Aerated-water and Cordial Manufacturing. 14 to 16 4 .. 8/ to 10/ I .. .. .. • • 17 to 20 4 .. 17/6 to 20/ Over 20 50 .. 32/6 to 60/ ! .. .. ■• •• Number of Faoiories : Containing up to eight persons, 6 ; fifteen persons, 1 : total, 7. Artificial-limb Making. Over 20 i2| .. | Not stated |.. | .. | • • I ••I•• I • ■ I Number of Faotories : Containing up to eight persons, 1. Bacon-curing. 14 to 16 i 2 .. 20/ to 22/61 .. .. . • .... 17 to 20 1 3 12/6 j 10/ to 20/ Over 20 :14 2 40/ to 60/ I 25/ to 40/ Number of Factories: Containing up to thirty persons, 1. Basket and Eattan Furniture Making. 14 to 16 6 .. 5/ to 10/ I .. •• •• 2I .; 3/ 17 to 20 9 2 12/6 to 25/ 7/6 to 23/ Over 20 19 2 I 40/ to 60/ 18/ .. I •• ••J.." ; - ttl X " Number of Factories : Containing up to eight persons, 3 ; fifteen persons, 1; thirty persons, 1: total, 5. Billiard-table Making. 17 to 20 i 1 j .. 35/ Over 20 4! .. 54/ to 60/ .. .. • • ■ • •• i Number of Factories : Containing up to eight persons, 1. Blaoksmithing and Horee-shoeing. 14 to 16 6 .. 5/ to 12/ 17 to 20 11 .. 7/6 to 22/ Over 20 37 .. 40/ to 66/ Number of Factories: Containing up to eight persons, 20. Boat-building. <» 14 to 16 1 I .. 8/ I .. ... ■ • • 17 to 20 1 .. 30/ Over 20 11 1.. 42/ to 65/ Number of Factories: Containing up to eight persons, 3. Bootmaking. 14 to 16 20 116 5/to 10/ 1 7/to 10/6 .. .. •• •• ,-,;•„, 17 to 20 22 !26 14/ to 30/ 17/ to 20/ .. .. 4 • • 15 / t0 22 / Over 20 205 :44 34/ to 60/ | 17/6 to 25/ 40/ to 50/ Foremen 65/ to 80/. Forewomen .. 40/. Number of • Faotories: Containing up to eight persons, 33 ; fifteen persons, 2; thirty persons, 2; over thirty persons, 2: total, 39. Bottling (Ale and Stout). 17 to 20 2 .. 17/6 to 20/ Over 20 13 .. 35/ to 50/ Number of Factories: Containing up to eight persons, 4. Brewing and Malting. 14 to 16 : 2 i .. 8/ to 10/ i 17 to 20 I 1 I .. 20/ Over 20 :60 I .. 40/ to 66/ ! .. 80/ I .. .. •• I Brewers, 120/ to 240/. . Number of Factories : Containing up to eight persons, 2; fifteen persons, 1 ; over thirty persons, 1 : total, i. Bread-making. 14 to 16 8 .. 5/ to 20/ 17 to 20 18 .. i 25/ to 35/ Over 20 I 143 .. ! 40/ to 60/ i Foremen, 70/. Number of Factories : Containing up to eight persons, 51; fifteen persons, I : total, Sd. Biscuit and Confectionery Manufacturing. 14 to 16 7 10 8/ to 15/ 6/ to 12/ .. | 17 to 20 12 15 10/ to 25/ 7/ to 15/ Over 20 21 6 35/ to 50/ 8/ to 22/ .. 18/ Foremen, 70/ to 75/. Number of Factories : Containing up to eight persons, 7 ; over thirty persons, 1: total, s. Briok and Pottery Making. 14 to 16 6 .. 13/6 to 18/ 17 to 20 25 .. 18/ to 40/ .. . ■ ° Ver Number B of Faotories : Containing up to eight persons, 4 ; fifteen persons, 5 ; over thirty persons, 1: total, 10.

Log in or create a Papers Past website account

Use your Papers Past website account to correct newspaper text.

By creating and using this account you agree to our terms of use.

Log in with RealMe®

If you’ve used a RealMe login somewhere else, you can use it here too. If you don’t already have a username and password, just click Log in and you can choose to create one.


Log in again to continue your work

Your session has expired.

Log in again with RealMe®


Alert