H.—ll
25
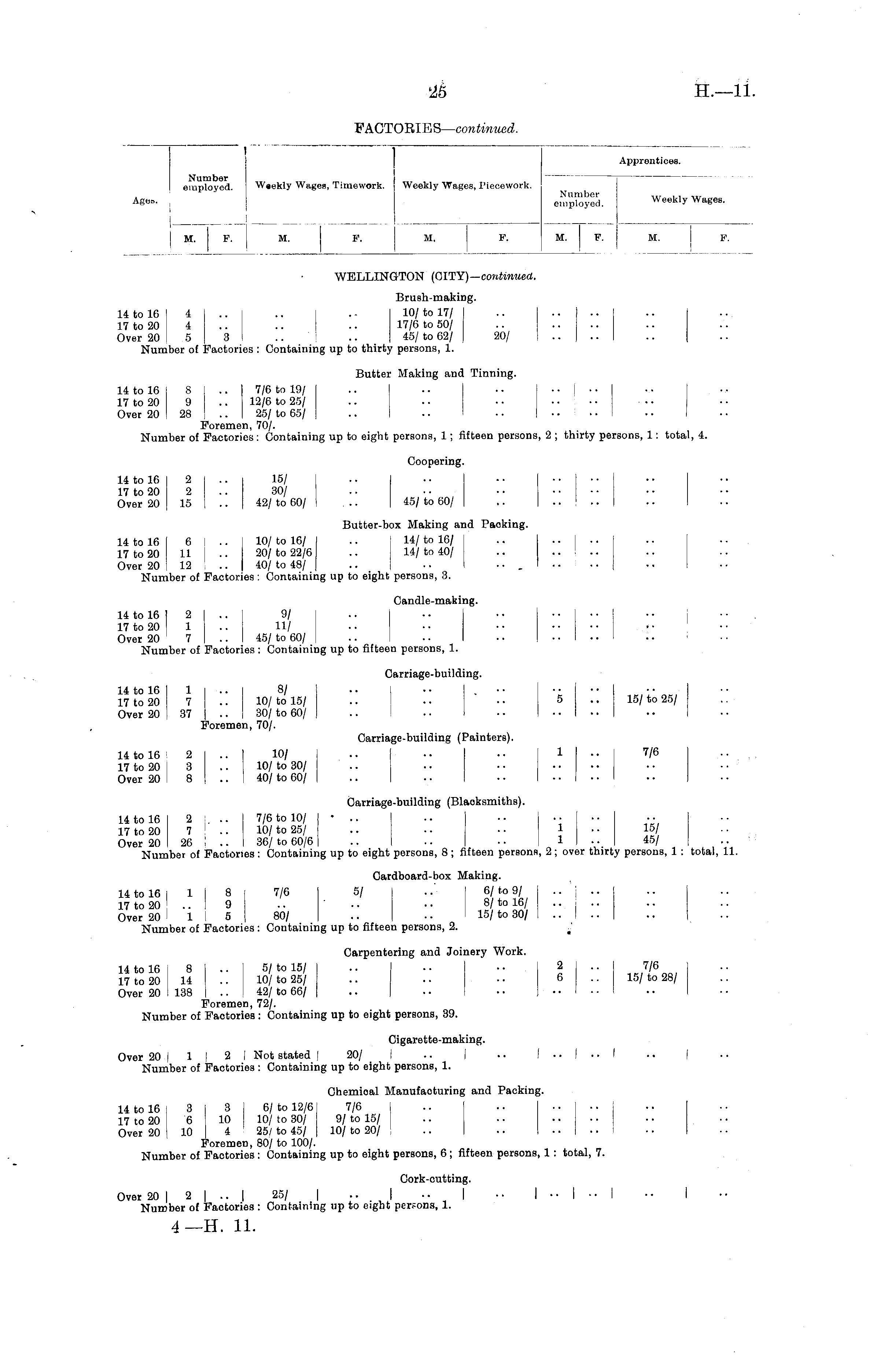
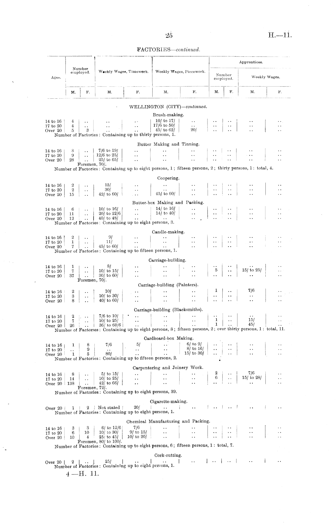
FACTORlES— continued. Apprentices. XT . I Number "~ employed. Weekly Wages, Timework. Weekly Wages, Piecework. Age». , emp™yed. Weekly Wages. M. P. M. F. M. F. M. F. M. F. WELLINGTON (ClTY)— continued. Brush-making. 14 to 16 4 .. .. . - 10/ to 17/ 17 to 20 4 .. .. .. 17/6 to 50/ Over 20 5 3 .. .. 45/ to 62/ 20/ Number of Factories : Containing up to thirty persons, 1. Butter Making and Tinning. 14 to 16 8 .. 7/6 to 19/ .. .. .. .... 17 to 20 9 .. 12/6 to 25/ Over 20 28 .. 25/ to 65/ .. .. • • • • ■ • • ■ I Foremen, 70/. Number of Factories: Containing up to eight persons, 1; fifteen persons, 2 ; thirty persons, 1: total, 4. Coopering. 14 to 16 2 15/ .. .. .. .... 17 to 20 2 30/ .. .. .. .... Over 20 15 .. 42/ to 60/ ... 45/ to 60/ Butter-box Making and Packing. 14 to 16 6! .. 10/ to 16/ .. 14/ to 16/ 17 to 20 11 1.. 20/ to 22/6 .. 14/ to 40/ Over 20 12 .. 40/ to 48/ Number of Factor es: Containing up to eight persons, 3. Candle-making. 14 to 16 I 2 9/ .. .. .. .... .. 17 to 20 I 1 .. 11/ Over 20 7 .. 45/ to 60/ Number of Factories: Containing up to fifteen persons, 1. Carriage-building. 14 to 16 1 8/ .. • • • • .... 17 to 20 7 .. 10/ to 15/ .. .. .. 5 .. 15/ to 25/ Over 20 37 .. 30/ to 60/ Foremen, 70/. Carriage-building (Painters). U to 16 I 2 10/ .. .. .. 1 .. 7/6 17 to 20 ' 3 .. 10/ to 30/ Over 20 I 8 .. , 40/ to 60/ I Carriage-building (Blaoksmiths). 14 to 16 2 ... 7/6 to 10/ • .. .. •• .. 17 to 20 7 .. 10/ to 25/ .. .. .. 1 .. 15/ Over 20 26 '■ .. 36/ to 60/6 .. .. .. 1 .. 45/ Number of Factories : Containing up to eight persons, 8; fifteen personß, 2; over thirty persons, 1 : total, 11. Cardboard-box Making. 14 to 16 I 1 8 7/6 5/ ..' I 6/ to 9/ .... 17 to 20 .. 9 .. ' • • •• 8/ to 16/ Over 20 1i 5 80/ .. .. 15/ to 30/ .. Number of Factories: Containing up to fifteen persons, 2. Carpentering and Joinery Work. 14 to 16 8 .. 5/ to 15/ .. .. .. 2 .. 7/6 17 to 20 14 .. 10/ to 25/ .. .. • • 6 .. 15/ to 28/ Over 20 138 .. 42/ to 66/ Foremen, 72/. Number of Factories: Containing up to eight persons, 39. Cigarette-making. Over 20 111 2 1 Not stated | 20/ I .. I .. | .. |.. 1.. | Number of Factories : Containing up to eight persons, 1. Ohemioal Manufacturing and Packing. 14 to 16 i 3 I 3 ! 6/ to 12/6 7/6 .. .. .... 17 to 20 I 6 10 ! 10/ to 30/ 9/ to 15/ Over 20 |10 J 4 25/ to 45/ 10/ to 20/ Foremen, 80/ to 100/. Number of Factories : Containing up to eight persons, 6; fifteen persons, 1 : total, 7. Cork-cutting. Over 20 |2| .. | 25/ | .. | .. | •• I •• I•• I •• I Number of Factories : Containing up to eight persons, 1. 4—H. 11.
Use your Papers Past website account to correct newspaper text.
By creating and using this account you agree to our terms of use.
Your session has expired.