Page image
Page image

H.—ll

50

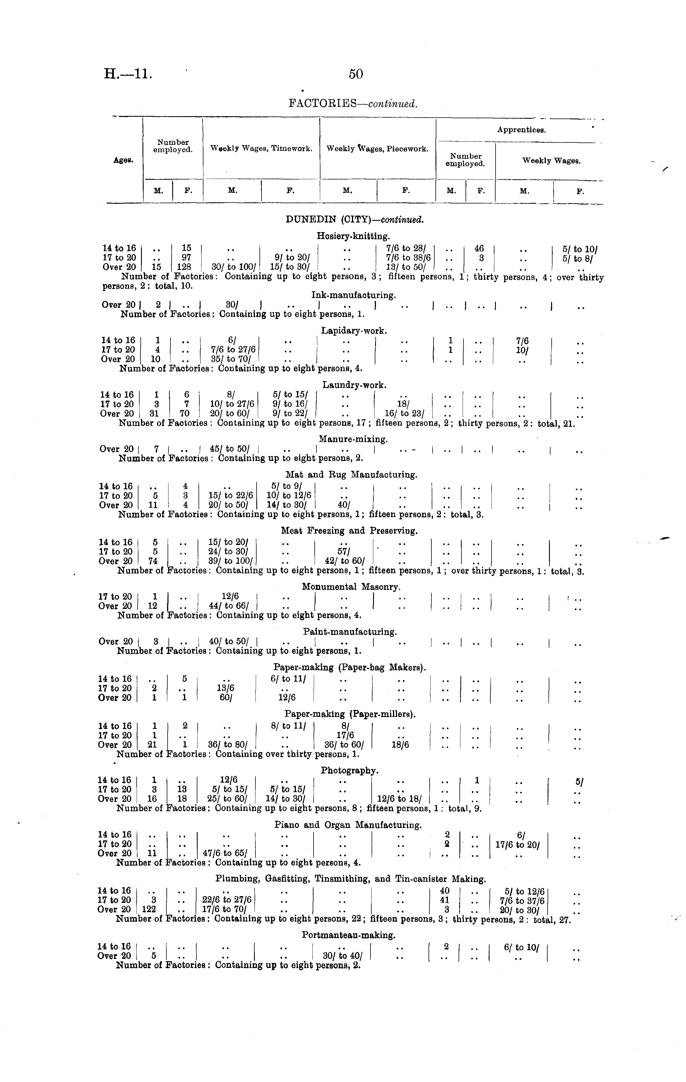
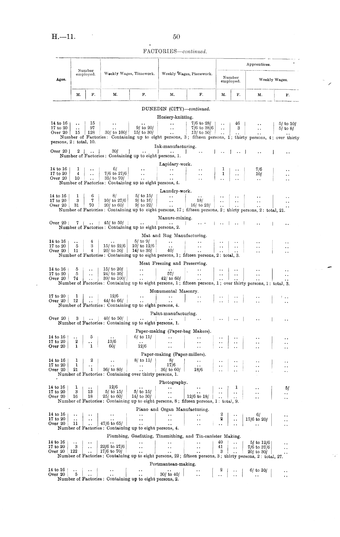
FACTORlES— continued. Apprentices. Number _ :— — employed. Weekly Wages, Timework. Weekly Wages, Piecework. Agee. eSpEyed. Weekly Wages. M. F. M. P. M. F. M. F. M. P. DUNEDIN (ClTY)— continued. Hosiery-knitting. 14 to 16 .. 15 .. .. .. 7/6 to 28/ .. 46 .. 5/ to 10/ 17 to 20 .. 97 .. 9/ to 20/ .. 7/6 to 38/6 .. 3 .. 5/ to 8/ Over 20 15 128 30/ to 100/ 15/ to 30/ .. 13/ to 50/ Number of Factories: Containing up to eight persons, 3 ; fifteen persons, 1; thirty persons, 4; over thirty persons, 2 : total, 10. Ink-manufacturing. Over 20 I2| .. ] 30/ | .. | .. | .. | .. | .. | .. | Number of Factories: Containing up to eight persons, 1. Lapidary-work. 14 to 16 1 6/ .. .. .. 1 .. 7/6 17 to 20 4 .. 7/6 to 27/6 .. .. .. 1 10/ Over 20 10 .. 35/ to 79/ Number of Faotories: Containing up to eight persons, 4. Laundry-work. 14 to 16 1 6 8/ 5/ to 15/ 17 to 20 3 7 10/ to 27/6 9/ to 16/ .. 18/ Over 20 31 70 20/ to 60/ 9/ to 22/ .. 16/ to 23/ Number of Faotories : Containing up to eight persons, 17 ; fifteen persons, 2 ; thirty persons, 2 : total, 21. Manure-mixing. Over 20 I 7 ( .. | 45/ to 50/ | .. | .. | .. -|.. | .. | .. | Number of Factories : Containing up to eight persons, 2. Mat and Rug Manufacturing. 14 to 16 .. 4 .. 5/ to 9/ 17 to 20 5 3 15/ to 22/6 10/ to 12/6 Over 20 11 4 20/ to 50/ 14/ to 30/ 40/ Number of Faotories : Containing up to eight persons, 1; fifteen persons, 2 : total, 3. Meat Freezing and Preserving. 14 to 16 5 [ .. 15/ to 20/ 17 to 20 5 .. 24/ to 30/ .. 57/ Over 20 74= | 39/ to 100/ .. _ 42/ to 60/ Number of Factories : Containing up to eight persons, 1 ; fifteen persons, 1 ; over thirty persons, 1: total, 3. Monumental Masonry. 17 to 20 II .. 12/6 .. .. .. .. ] .. Over 20 12 1.. 44/ to 66/ .. .. I .. .. j.. Number of Faotories: Containing up to eight persons, 4. Paint-manufacturing. Over 20 I3| .. | 40/ to 50/ | .. | .. | .. | .. |.. | .. | Number of Factories : Containing up to eight persons, 1. Paper-making (Paper-bag Makers). 14 to 16 .. 5 .. 6/ to 11/ I .. .. j .. 17 to 20 2 .. 13/6 Over 20 1 1 60/ 12/6 | Paper-making (Paper-millere). 14 to 16 1 2 .. 8/ to 11/ 8/ .. .. I .. 17 to 20 1 .. .. .. 17/6 Over 20 21 1 36/ to 80/ .. 36/ to 60/ 18/6 Number of Factories : Containing over thirty persons, 1. Photography. 14 to 16 I 1 I .. 12/6 .. .. .. .. 1 .. 5/ 17 to 20 3 13 5/ to 15/ 5/ to 15/ Over 20 16 |18 25/ to 60/ 14/ to 30/ .. 12/6 to 18/ Number of Faotories : Containing up to eight persons, 8 ; fifteen persons, 1: total, 9. Piano and Organ Manufacturing. 14 to 16 .... .. .. .. .. 2 .. 6/ 17 to 20 .. .. .. .. .. .. 2 .. 17/6 to 20/ Over 20 11 .. 47/6 to 65/ Number of Factories : Containing up to eight persons, 4. Plumbing, Gasfitting, Tinsmithing, and Tin-canister Making. 14 to 16 .. .. .. .. .. 40 .. 5/ to 12/6 17 to 20 3 .. 22/6 to 27/6 .. .. .. 41 .. 7/6 to 37/6 Over 20 122 .. 17/6 to 79/ .. .. .. 3 .. 20/ to 30/ Number of Faotories: Containing up to eight persons, 22; fifteen persons, 3 ; thirty persons, 2 : total, 27. Portmanteau-making. 14 to 16 .. .. .. .. .. 2 .. I 6/ to 10/ Over 20 5 .. .. .. 30/ to 40/ .. .. .. Number, of Faotories : Containing up to eight persons, 2.

Log in or create a Papers Past website account

Use your Papers Past website account to correct newspaper text.

By creating and using this account you agree to our terms of use.

Log in with RealMe®

If you’ve used a RealMe login somewhere else, you can use it here too. If you don’t already have a username and password, just click Log in and you can choose to create one.


Log in again to continue your work

Your session has expired.

Log in again with RealMe®


Alert