Page image
Page image

51

H.-ii

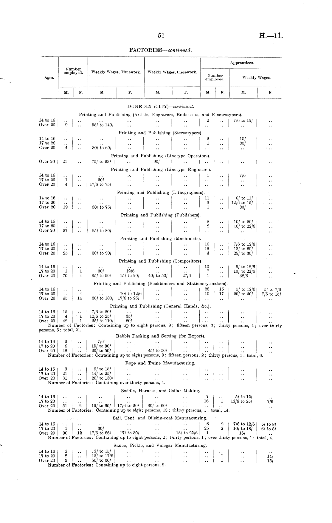
FAOTOElBS— continued. Apprentices. Number employed. Weekly Wages, Timework. Weekly WSges, Piecework. Ages. employed. Weekl y Wa S eB ' M. P. M. F. M. P. I M. P. M. F. DUNEDIN (ClTY)— continued. Printing and Publishing (Artists, Engravers, Embossers, and Eleotrotypers). 14 to 16 .. .. .. .. I .. I .. 2 .. 7/6 to 15/ Over 20 9 .. 55/ to 140/ .. .. .. .... Printing and Publishing (Stereotypers). 14 to 16 !.. .. .. .. .. .. 2 .. 10/ 17 to 20 .... .. .. .. .. 1 30/ Over 20 4 .. 30/ to 60/ Printing and Publishing (Linotype Operators). Over 20 [211 .. I 75/ to 93/ I .. I 90/ I .. | .. | .. | Printing and Publishing (Linotype Engineers). 14 to 16 .... .. .. .. .. 1 .. 7/6 17 to 20 1 30/ .. .. .. .... Over 20 4 .. 47/6 to 75/ .. .. .. .... Printing and Publishing (Lithographers). 14 to 16 .. .. .. .. .. 11 .. 6/ to 11/ 17 to 20 .. .. .. .. .. .. 3 .. 12/6 to 15/ ... Over 20 19 .. 30/ to 75/ .. .. .. 1 .. 30/ Printing and Publishing (Publishers). 14 to 16 .. .. j .. .. .. 8 .. 10/ to 20/ 17 to 20 .. .. .. .. .. .. 2 .. 10/ to 22/6 Over 20 27 .. 25/ to 80/ ; Printing and Publishing (Machinists). 14 to 16 .. .. .. .. I .. .. 10 .. 7/6 to 12/6 17 to 20 .. .. .. .. .. .. 13 .. 13/ to 20/ Over 20 25 .. 30/ to 90/ .. .. .. 4 .. \ 25/ to 30/ Printing and Publishing (Compositors). 14 to 16 .. .. .. .. .. • .. 10 .. 6/ to 12/6 17 to 20 1 1 30/ 12/6 .. .. 7 .. 10/ to 22/6 Over 20 70 i ] 35/ to 90/ 15/ to 20/ ] 40/ to 50/ 27/6 1 .. 32/6 I Printing and Publishing (Bookbinders and Stationery-makers). 14 to 16 .. .. .. .. .. .. 26 15 5/ to 12/6 5/ to 7/6 17 to 20 .. 4 .. 10/ to 12/6! .. 10 17 20/ to 30/ 7/6 to 15/ Over 20 45 14 36/ to 100/ 17/6 to 25/ | Printing and Publishing (General Hande, &c). 14 to 16 15 .. 7/6 to 20/ .. .. .. .. .. .. .. • 17 to 20 i 1 12/6 to 25/ 35/ .. .. .... Over 20 42 1 35/ to 110/1 20/ .. .. .... Number of Factories: Containing up to eight persons, 9; fifteen persons, 3; thirty persons, 4; over thirty persons, 5 : total, 21. Rabbit Packing and Sorting (for Export). 14 to 16 2 .. 7/6' I 17 to 20 6 .. 15/ to 30/ Over 20 j42 .. : 20/ to 50/ .. 45/ to 50/ .. | .. Number of Factories: Containing up to eight persons, 3 ; fifteen persona, 2 ; thirty persons, 1: total, 6. Rope and Twine Manufacturing. 14 to 16 9 .. 9/ to 15/ 17 to 20 21 .. 14/ to 25/ Over 20 31 .. 20/ to 130/ .. .. .. .... Number of Factories : Containing over thirty persons, 1. Saddle, Harness, and Collar Making. 14 to 16 .. .. I .. .. i .. 17 .. 5/ to 12/ 17 to 20 .. .. .. .. .. .. 16 1 12/6 to 25/ 7/6 Over 20 51 2 19/ to 60/ 17/6 to 20/ | 30/ to 60/ Number of Factories : Containing up to eight persons, 13 ; thirty persons, 1 : total, 14. Sail, Tent, and Oilskin-coat Manufacturing. 14 to 16 .. .... .. .. .. ! 6 2 j 7/6 to 12/6 5/ to 8/ 17 to 20 1 30/ .. .. .. 25 2 10/ to 18/ 6/ to 8/ Over 20 90 12 17/6 to 66/ 17/ to 30/ .. 18/ to 22/6 1 16/ Number of Factories : Containing up to eight persons, 2 ; thirty persons, 1; over thirty persons, 1: total, 4. Sauce, Piokle, and Vinegar Manufacturing. 14 to 16 2 j .. 12/ to 15/ 17 to 20 2 ; .. 15/ to 17/6 .. .. .. 1 .. 14/ Over 20 3 i .. 50/ to 60/ .. .. .. .. [ 1 .. 15/ Number of Factories: Containing up to eight persons, 2.

Log in or create a Papers Past website account

Use your Papers Past website account to correct newspaper text.

By creating and using this account you agree to our terms of use.

Log in with RealMe®

If you’ve used a RealMe login somewhere else, you can use it here too. If you don’t already have a username and password, just click Log in and you can choose to create one.


Log in again to continue your work

Your session has expired.

Log in again with RealMe®


Alert