Page image
Page image

fl.—ll

48

FACTORIES— continued.

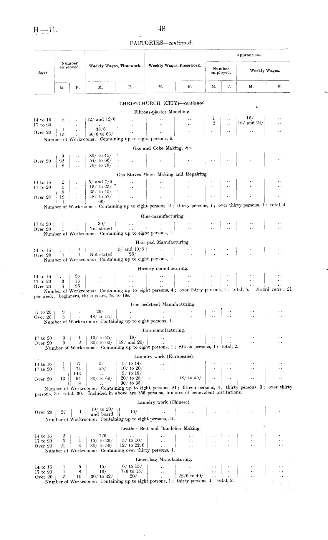
Apprentices. Ages. Number employed. Weekly Wages, Timework. Weekly Wages, Piecework. Number employed. Weekly Wages. M. P. M. F. M. F. M. F. M. F. CHRISTCHURGH (CITY)— continued. • Fibrous-plaster Modelling. 14 to Iβ 2 .. 12/and 12/6 .. .. ■■ 1 • • 16/ 17 to 20 .. .. ■• •• •• •• 2 .. 16/ and 24/ n on I 1 •■ 38 / G ] .... Over 20 I Iβ .. 60/6 to 66/ I Number of Workrooms: Containing up to eight persons, 9. Gas and Coke Making, &c. (9 .. 30/to 45/ I) Over 20 J 22 .. 54/ to 66/ ! |s .. 70/ to 78/ ; I I Gas Stoves Meter Making and Repairing. 14 to 16 2 .. ; 5/ and 7/6 I [7 to 20 5 . . 15/ to 25/ ' (8 .. 35/ to 45/ ) Over 20 j 12 .. 48/ to 57/ [ Number of Workrooms : Containing up to eight persons, 2 ; thirty persons, 1 ; over thirty persons, 1 : total, 4 Glue-manufacturing. 17 to 20 1 .. 30/ Over 20 I • • Not stated .. • • • • • • • • I Number of Workrooms : Containing up to eight persons, 1. Hair-pad Manufacturing. 14 to Iβ I .. 2 .. j5/and 10/6 \ .. .. •• •• j I Over 20 i 1 1 Not stated I 25/ j I Number of Workrooms: Containing up to eight persons, 1. Hosiery-manufacturing. 14 to 1(5 .. 28 17 to 20 3 13 Number of Workrooms : Containing up to eight persons, 4 ; over thirty persons, 1 : total, 5. Award rates : £1 per week ; beginners, three years, 7s. to 19s. Iron-bedstead Manufacturing. 17 to 20 2 I I. 20/ .. .. I •• .... Over 20 1 | .. 48/ to 54/ . . I .. | • • • • ! • • Number of Workrooms : Containing up to eight persons, 1. Jam-manufacturing. 17 to 20 I 3 1 15/ to 25/ . 18/ .. .. I .. Over 20 I 9 2 30/ to 60/ I 18/ and 20/ .. • • I • • Number of Workrooms: Containing up to eight persons, 1 ; fifteen persons, 1 : total, 2. Laundry-work (Europeans). 14 to 16 1 17 5/ i 5/ to 14/ I 17 to 20 X 74 25/ 10/ to 20/ 143 .. i 9/ to 18/ I) Over 20 13 94 30/ to 60/ j 20/ to 26/ H- .. 18/ to 25/ 8 . . ' 30/ to 35/ j) Number of Workrooms : Containing up to eight persons, 21 ; fifteen persons, 3 : thirty persons, 3 ; over thirty persons, 3 : total, 30. Included in above are 155 persons, inmates of benevolent institutions. Laundry-work (Chinese). Number of Workrooms : Containing up to eight persons, 14. Leather Belt and Bandolier Making. 14 to 16 2 .. 7/6 .. .. .. I . • 17 to 20 5 4 15/ to 20/ 5/ to 10/ Over 20 21 3 30/ to 50/ 12/ to 22/0 .. .. Number of Workrooms : Containing over thirty persons, 1. Linen-bag Manufacturing. 14 to 16 1 5 15/ .6/to 15/ .. I 17 to 20 1 8 16/ 7/6 to 15/ Over 20 ; 5 10 30/ to 42/ | 20/ .. . 22/6 to 40/ .. ! Number of Workrooms : Containing up to eight persons, 1 : thirty persons, 1 total, 2.

Log in or create a Papers Past website account

Use your Papers Past website account to correct newspaper text.

By creating and using this account you agree to our terms of use.

Log in with RealMe®

If you’ve used a RealMe login somewhere else, you can use it here too. If you don’t already have a username and password, just click Log in and you can choose to create one.


Log in again to continue your work

Your session has expired.

Log in again with RealMe®


Alert