Page image
Page image

H.- 11.

FACTORIES— continued.

49

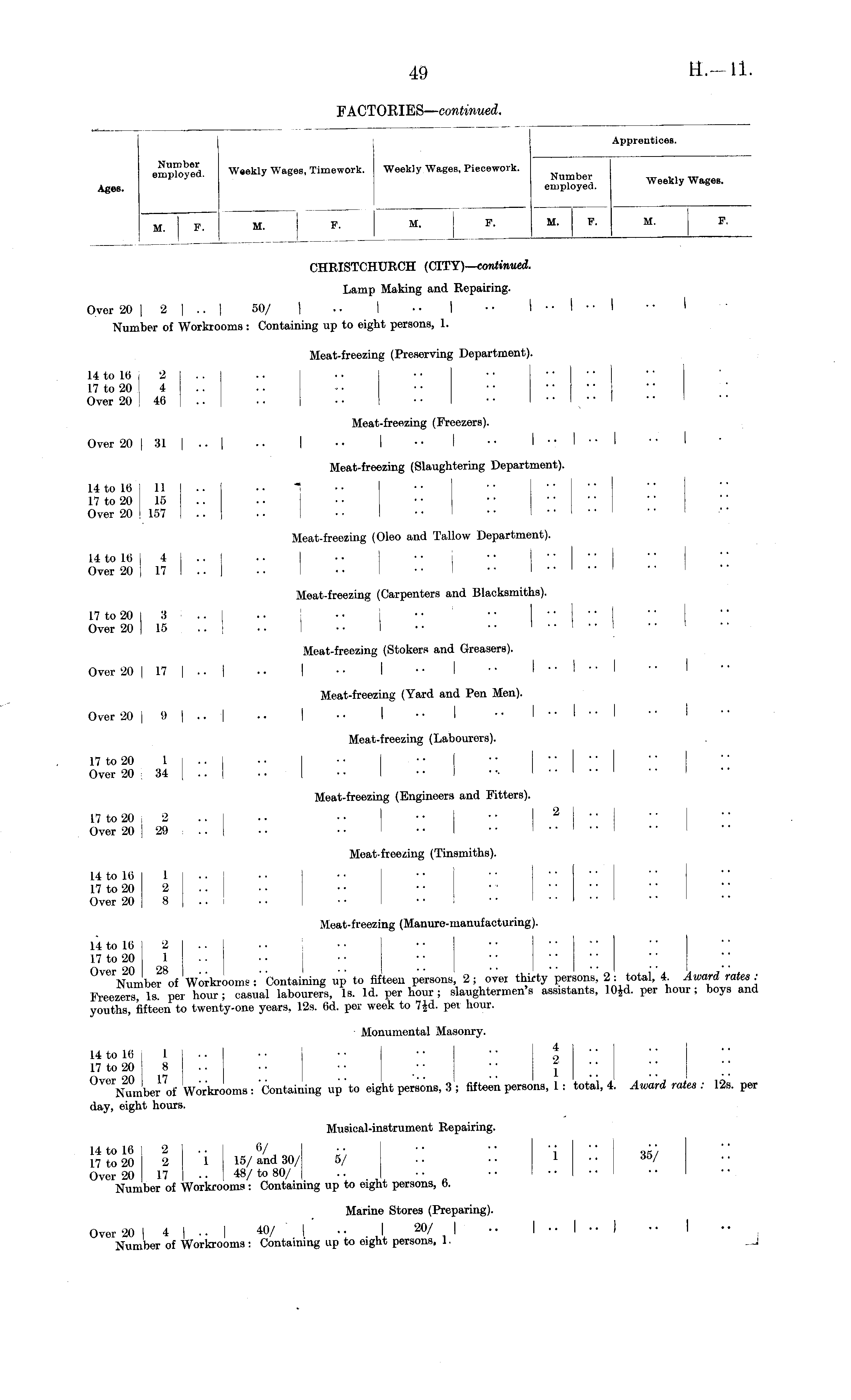
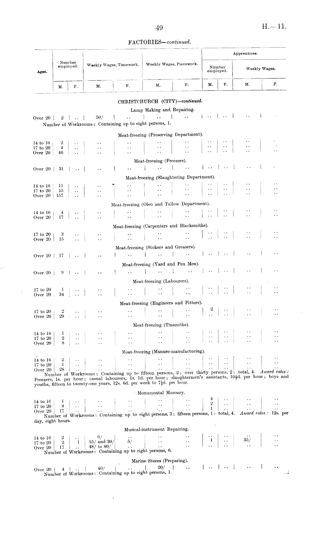
Apprentices. Number employed. Weekly Wages, Timework. Weekly Wages, Piecework. Number employed. Weekly Wages. Ages. M. F. M. F. M. F. M. F. M. F. M. P. M. F. M. F. M. F. CHRISTCHURCH (CITY)— continued. Lamp Making and Repairing. Over 20 I 2 ] .. I 50/ | .. I • • I • • I • • I • • I • • I Number of Workrooms : Containing up to eight persons, 1. Meat-freezing (Preserving Department). 14 to ltj I 2 17 to 20 I 4 Over 20 ! 46 .. .. • • • ■ • • ■ • ' • ! Meat-freezing (Freezers). Over 20 I 31 I .. I .. I • • I • • I • ■ I • • I • ■ I ■ ■ I Meat-freezing (Slaughtering Department). 14 to 1«> 11 ! .. •• *] 17 to 20 15 Over 20 157 Meat-freezing (Oleo and Tallow Department). 14 to 16 4 Over 20 17 .. . • • • • • I Meat-freezing (Carpenters and Blacksmiths). 17 to 20 3 .. I Over 20 15 .. • • • • • ■ Meat-freezing (Stokers and Greasers). Over 20 I 17 I .. I • • I • • I • • I • • I • • I • ■ I • • i Meat-freezing (Yard and Pen Men). Over 20 I 9 I .. I .. I • • I ■ • I ■ • I ■ • I • ■ I • • I Meat-freezing (Labourers). 17 to 20 1 .. 1 Over 20 34 .. I • • • • • • • •• '' "" • ■ I Meat-freezing (Engineers and Fitters). 17 to 20 2 .. .. •• • • • ■ 2 Over 20 j 29 Meat-freeiing (Tinsmiths). 14 to 16 1 17 to 20 2 Over 20 8 .. • • • • • • .... Meat-freezing (Manure-manufacturing). 14 to 16 2 17 to 20 1 ° Ver Number 8 of Workrooms : "containing up to fifteen persons, 2; over thirty persons, 2: total, 4. Award rates: Freezers, Is. per hour ; casual labourers, Is. Id. per hour ; slaughtermen's assistants, lOJd. per hour; boys and youths, fifteen to twenty-one years, 12s. 6d. per week to 7Jd. per hour. Monumental Masonry. 14 to 16 , 1 • • • • • • ■■ • • t 17 to 20 8 • • J OVer Nu 0 Jber 17 of Workrooms : Containing up'to eight persons, 3; fifteen persons, 1 : total, 4. Award rates : 12s. per day, eight hours. Musical-instrument Repairing. 14 to 16 I 2 .. 6/ •• •• •• -j ■• .,:} 17 to 20 2 1 15/and 30/ 5/ .. •• 1 .. Ao/ Over 20 17 ... 48/ to 80/ .. Number of Workrooms: Containing up to eight persons, b. Marine Stores (Preparing). Over 20 | 4 | .. | 40/ \ ... I 20/ | .. | .. | .. | ■• I Number of Workrooms: Containing up to eight persons, 1. _j

Log in or create a Papers Past website account

Use your Papers Past website account to correct newspaper text.

By creating and using this account you agree to our terms of use.

Log in with RealMe®

If you’ve used a RealMe login somewhere else, you can use it here too. If you don’t already have a username and password, just click Log in and you can choose to create one.


Log in again to continue your work

Your session has expired.

Log in again with RealMe®


Alert