H.—3l.
Return of Analyses at the Analytical Laboratory, Chris tchurch—continued.
88
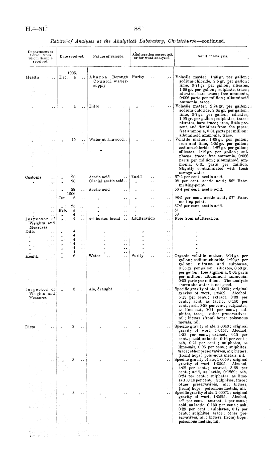
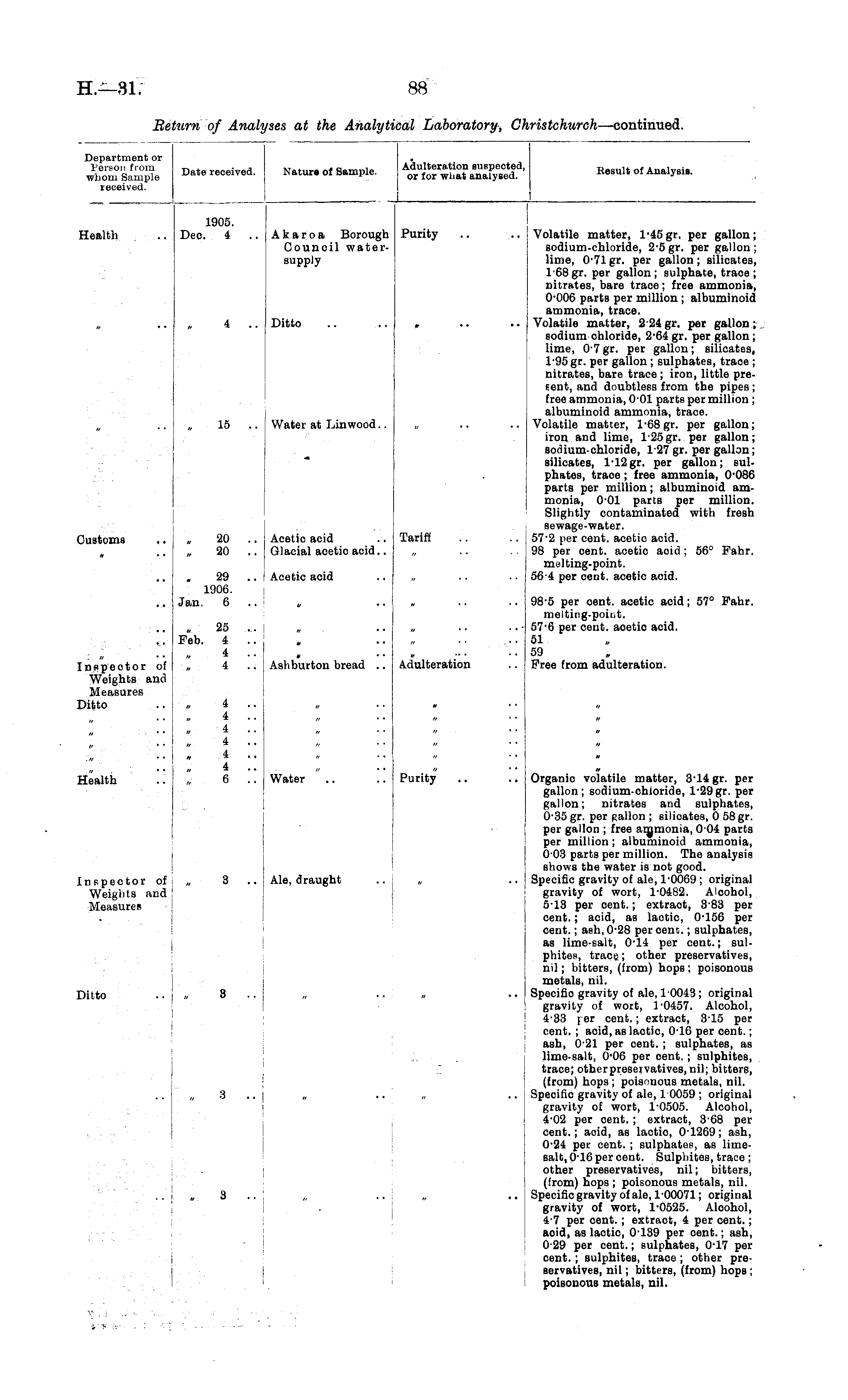
Department or Person from whom Sample received. Date received. Nature of Sample. Adulteration expected, or for what analysed. Result of Analysis. 1905. Dec. 4 Health A k a r o a Borough 1 Council watersupply Purity Pui irit; •y Volatile matter, 1-45gr. per gallon; sodium-chloride, 2-5 gr. per gallon ; lime, 0'71gr. per gallon; silicates, 168 gr. per gallon ; sulphate, trace ; nitrates, bare trace; free ammonia, 0-006 parts per million ; albuminoid ammonia, trace. Volatile matter, 224 gr. per gallon; sodium chloride, 2-64 gr. per gallon ; lime, 0-7 gr. per gallon; silicates, l'95gr. per gallon ; sulphates, trace ; nitrates, bare trace ; iron, little present, and doubtless from the pipes ; free ammonia, 001 part9 per million ; albuminoid ammonia, trace. Volatile matter, 168 gr. per gallon; iron and lime, 125gr. per gallon; sodium-chloride, 127 gr. per gallon; silicates, 1-12gr. per gallon; sulphates, trace ; free ammonia, 0-086 parts per million; albuminoid ammonia, 001 parts per million. Slightly contaminated with fresh sewage-water. 57'2 per cent, acetic acid. 98 per cent, acetic aoid; 56° Fahr. melting-point. 56-4 per cent, acetic acid. a 4 Ditto Water at Lin wood.. 15 Justoms Acetic acid .. 1 Glacial acetic acid.. Tariff Tar riff 20 20 29 1906. Jan. 6 Acetic acid u • • 98-5 per oent. acetic acid; 57° Fahr. melting-poiut. 57'6 per cent, acetic acid. 31 59 Free from adulteration. nepector of Weights and Measures )itto 25 Feb. 4 £ * • • Ashburton bread .. A Adulteration Adu ultt ierat »tion i 4 4 . 4 4 6 * * iealth Water .. .. E Purity Pur ritj Organio volatile matter, 3'14 gr. per gallon; sodium-chloride, l'29gr. per gallon; nitrates and sulphates, 0-35 gr. per gallon ; silicates, 0 58 gr. per gallon ; free ammonia, 004 parts per million ; albuminoid ammonia, 003 parts per million. The analysis shows the water is not good. Specific gravity of ale, 1-0069 ; original gravity of wort, 1-0482. Aloohol, 513 per cent.; extraot, 383 per cent.; acid, as lactic, 0-156 per cent.; ash,0-28 percent.; sulphates, as lime-salt, 0-14 per cent.; sulphites, trace; other preservatives, nil; bitters, (from) hops ; poisonous metals, nil. Specifio gravity of ale, 10043; original gravity of wort, 1-0457. Alcohol, 433 t er cent.; extract, 315 per cent. ; aoid, as lactic, 016 per cent.; ash, 021 per cent. ; sulphates, as lime-salt, 0*06 per cent.; sulphites, trace; otherpreservatives, nil; bitters, (from) hops ; poisonous metals, nil. Specific gravity of ale, 1 0059 ; original gravity of wort, 10505. Alcohol, 4-02 per cent. ; extract, 3-68 per cent.; aoid, as lactic, 01269; ash, 0-24 per cent. ; sulphates, as limeBait, 0-16 per cent. Sulphites, trace ; other preservatives, nil; bitters, (from) hops ; poisonous metals, nil. Specific gravity of ale, 1-00071; original gravity of wort, 1-0525. Aloohol, 4-7 per cent. ; extract, 4 per cent.; acid, as lactic, 0-139 per cent.; ash, 0-29 per cent.; sulphates, 0-17 per cent. ; sulphites, traoe ; other preservatives, nil; bitters, (from) hops ; poisonous metals, nil. 3 Ale, draught nspector of Weights and Measures ikto 8 3 3
Use your Papers Past website account to correct newspaper text.
By creating and using this account you agree to our terms of use.
Your session has expired.