Page image
Page image

S.—3l

89

Return of Analyses at the Analytical Laboratory, Christchurch —continued.

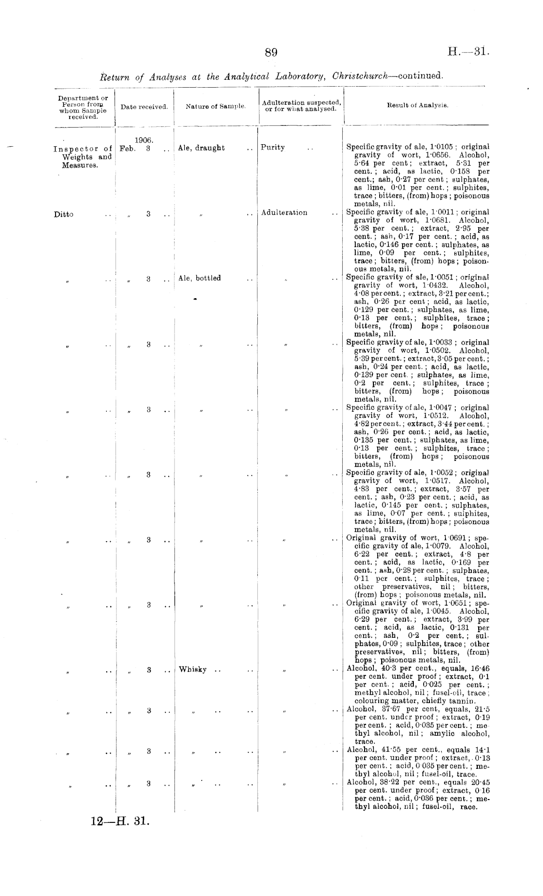
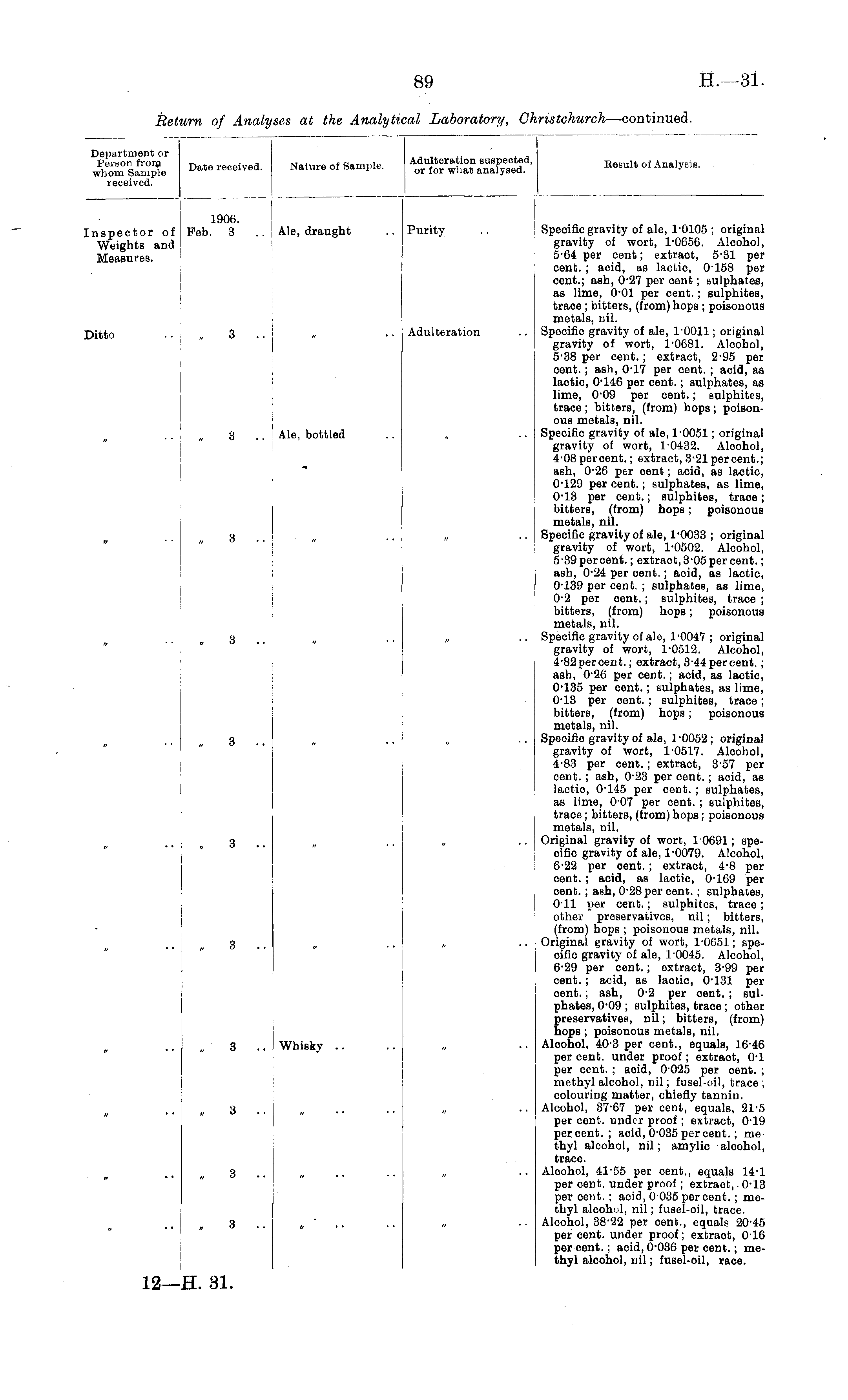
Department or Person from whom Sample received. Date received. Nature of Sample. Adulteration suspected, or for what analysed. Result of AnalyBie. nspector of Weights and Measures. 1906. Feb. 3 .. Ale, draught Purity Specific gravity of ale, 1-0105 ; original gravity of wort, 1-0656. Alcohol, 5-64 per cent; extraot, 5-31 per cent. ; acid, as lactic, 0-158 per cent.; ash, 0-27 per cent; sulphates, as lime, 0-01 per cent.; sulphites, trace ; bitters, (from) hops ; poisonous metals, nil. Specific gravity of ale, 10011; original gravity of wort, 1-0681. Alcohol, 5-38 per cent. ; extract, 2-95 per cent. ; ash, 0-17 per cent. ; acid, as lactic, 0-146 per cent.; sulphates, as lime, 0-09 per cent.; sulphites, trace; bitters, (from) hops; poisonous metals, nil. Specific gravity of ale, 1-0051; original gravity of wort, 10432. Alcohol, 4-08 percent.; extract, 3'21 percent.; ash, 0-26 per cent; acid, as lactic, 0-129 per cent.; sulphates, as lime, 0-13 per cent.; sulphites, traoe; bitters, (from) hops ; poisonous metals, nil. Specific gravity of ale, 1-0033 ; original gravity of wort, 1-0502. Alcohol, 5-39 percent.; extract, 3-05 per cent.; ash, 0-24 per cent.; acid, as lactic, 0-139 per cent. ; sulphates, as lime, 0-2 per oent. ; sulphites, trace ; bitters, (from) hops; poisonous metals, nil. Specific gravity of ale, 1-0047 ; original gravity of wort, 1-0512. Alcohol, 4-82 percent.; extract, 3-44 per cent.; ash, 026 per cent.; acid, as lactic, 0-135 per cent. ; sulphates, as lime, 0-13 per cent. ; sulphites, trace; bitters, (from) hops ; poisonous metals, nil. Specific gravity of ale, 1 -0052 ; original gravity of wort, 1-0517. Alcohol, 4-83 per cent.; extract, 3'57 per cent. ; asb, 0-23 per cent. ; acid, as lactic, 0-145 per oent. ; sulphates, as lime, 0-07 per cent. ; sulphites, trace ; bitters, (from) hops ; poisonous metals, nil. Original gravity of wort, 10691; specific gravity of ale, 1-0079. Alcohol, 6-22 per cent. ; extract, 4-8 per cent. ; acid, as lactic, 0-169 per cent. ; ash, 0-28 per cent. ; sulphates, 011 per cent,; sulphites, trace ; other preservatives, nil; bitters, (from) hops ; poisonous metals, nil. Original gravity of wort, 1-0051; specific gravity of ale, 10045. Alcohol, 6-29 per cent.; extract, 3-99 per cent. ; acid, as lactic, 0-131 per cent.; ash, 0-2 per cent. ; sulphates, 0-09 ; sulphites, trace ; other preservatives, nil; bitters, (from) hops ; poisonous metals, nil. Alcohol, 40-3 per cent., equals, 1646 per cent, under proof; extraot, 0-1 per cent. ; acid, 0025 per cent. ; methyl alcohol, nil; fusel-oil, trace ; colouring matter, chiefly tannin. Alcohol, 37'67 per cent, equals, 21-5 per cent, under proof; extract, 019 percent. ; acid, 0-035 percent. ; me thyl alcohol, nil; amylic alcohol, trace. Alcohol, 41-55 per cent., equals 14-1 per cent, under proof; extract,. 0-13 per cent.; acid, 0 035 percent.; methyl alcohol, nil; fusel-oil, trace. Alcohol, 38-22 per cent., equals 20-45 per cent, under proof; extract, 0 16 per cent.; acid, 0-036 per cent.; methyl alcohol, nil; fusel-oil, race. Jitto 3 Adulteration 3 .. Ale, bottled 3 i 3 3 3 3 it 3 Whisky .. 3 3 ti • • # 3 u • • . t 31.

Log in or create a Papers Past website account

Use your Papers Past website account to correct newspaper text.

By creating and using this account you agree to our terms of use.

Log in with RealMe®

If you’ve used a RealMe login somewhere else, you can use it here too. If you don’t already have a username and password, just click Log in and you can choose to create one.


Log in again to continue your work

Your session has expired.

Log in again with RealMe®


Alert