Page image
Page image

G.—I.j

25

HOKIANGA COUNTY— continued. Schedule 3— Lands recommended for General Settlement, &c. -continued.

4 a Ij,

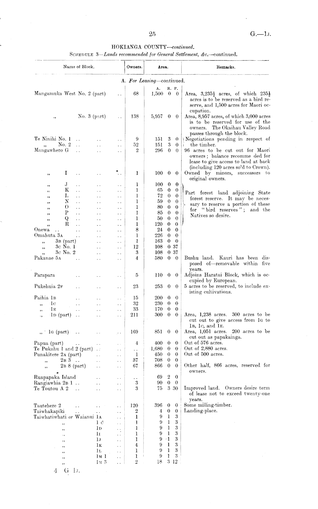
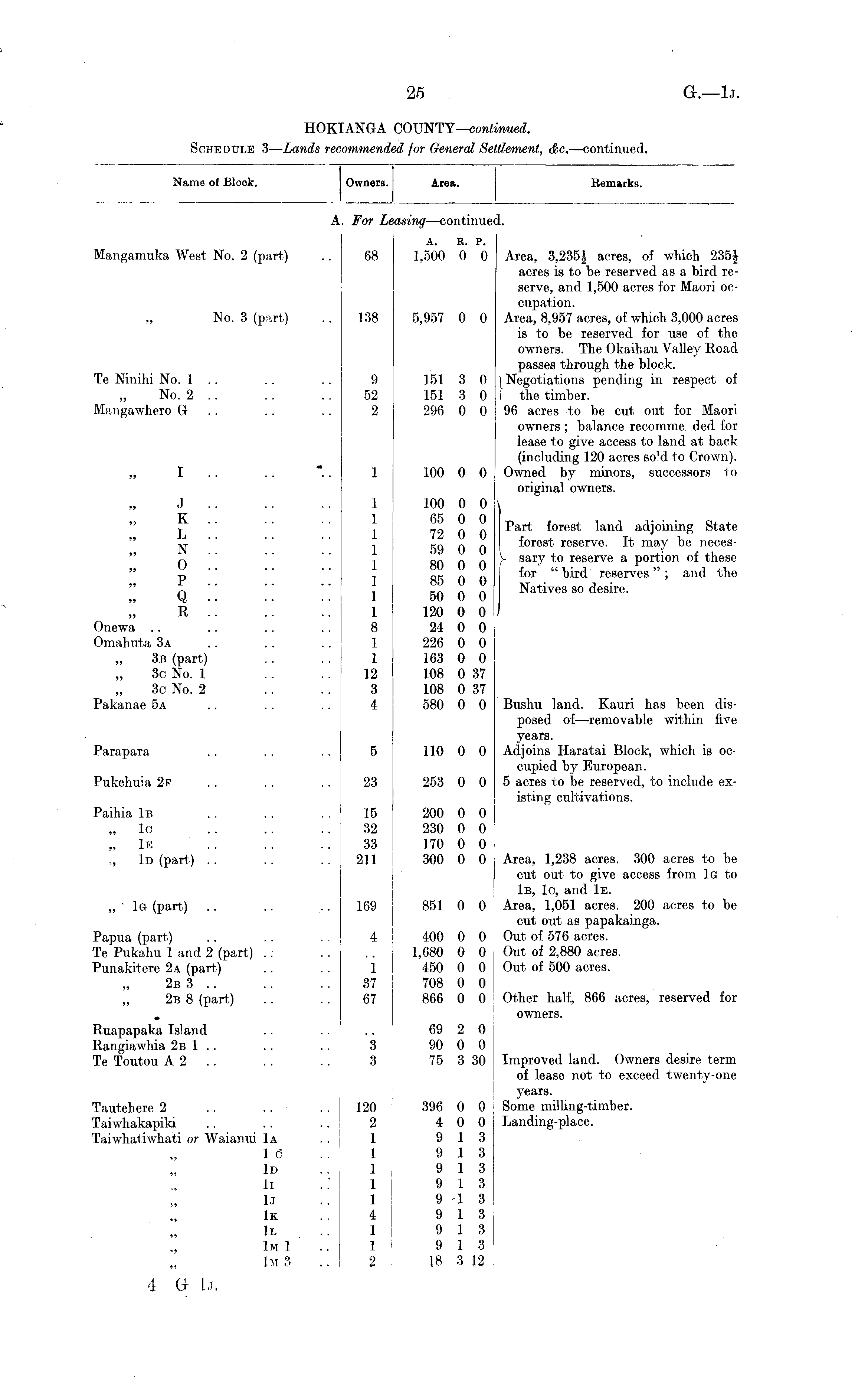
Name of Block. Owners. Area. Remarks. A For L '.asing —continue 1. Mangamuka West No. 2 (part) 68 A. r. P. 1,500 0 0 Area, 3,235| acres, of which 235J acres is to be reserved as a bird reserve, and 1,500 acres for Maori occupation. Area, 8,957 acres, of which 3,000 acres is to be reserved for use of the owners. The Okaihau Valley Road passes through the block. I Negotiations pending in respect of i the timber. 96 acres to be cut out for Maori owners ; balance recomme ded for lease to give access to land at back (including 120 acres so'd to Crown). Owned by minors, successors to original owners. \ No. 3 (part) 138 5,957 0 0 Te Ninihi No. 1 .. No. 2 .. Mangawhero G .. 9 52 2 151 3 0 151 3 0 296 0 0 I •• 100 0 0 1 J .. K .. L .. N .. O .. P .. Q •■ R .. 12 3 4 100 0 0 65 0 0 72 0 0 59 0 0 80 0 0 85 0 0 50 0 0 120 0 0 24 0 0 226 0 0 163 0 0 108 0 37 108 0 37 580 0 0 Part forest land adjoining State forest reserve. It may be necesV sary to reserve a portion of these for " bird reserves" ; and the Natives so desire. Onewa Omahuta 3a „ 3b (part) 3c No. 1 3c No. 2 Pakanae 5a Bushu land. Kauri has been disposed of —removable within five years. Adjoins Haratai Block, which is occupied by European. 5 acres to be reserved, to include existing cultivations. Parapara 5 110 0 0 Pukehuia 2f 23 253 0 0 Paihia Ib „ lc „ Ie Id (part) .. 15 32 33 211 200 0 0 230 0 0 170 0 0 300 0 0 Area, 1,238 acres. 300 acres to be cut out to give access from Ig to Ib, lc, and Ie. Area, 1,051 acres. 200 acres to be cut out as papakainga. Out of 576 acres. Out of 2,880 acres. Out of 500 acres. „ " Ig (part) 169 851 0 0 Papua (part) Te Pukahu 1 and 2 (part) . . Punakitere 2a (part) 2b 3 .. 2b 8 (part) 4 400 0 0 1,680 0 0 450 0 0 708 0 0 866 0 0 1 37 67 Other half, 866 acres, reserved for Ruapapaka Island Rangiawhia 2b 1 . . Te Toutou A 2 3 3 69 2 0 90 0 0 75 3 30 owners. Improved land. Owners desire term of lease not to exceed twenty-one Tautehere 2 Taiwhakapiki Taiwhatiwhati or Waianui Ia 1 c Id li 1j lK 1L lM 1 hi 3 i ■ ■ i 120 2 396 0 0 4 0 0 9 1 3 9 1 3 9 1 3 9 1 3 9 1 3 9 1 3 9 1 3 9 1 3 18 3 12 years. Some milling-timber. Landing-place.

Log in or create a Papers Past website account

Use your Papers Past website account to correct newspaper text.

By creating and using this account you agree to our terms of use.

Log in with RealMe®

If you’ve used a RealMe login somewhere else, you can use it here too. If you don’t already have a username and password, just click Log in and you can choose to create one.


Log in again to continue your work

Your session has expired.

Log in again with RealMe®


Alert