Page image
Page image

G.—l.T

26

HOKIANGA COUNTY— continued. Schedule 3— Lands recommended for General Settlement, &c. —continued.

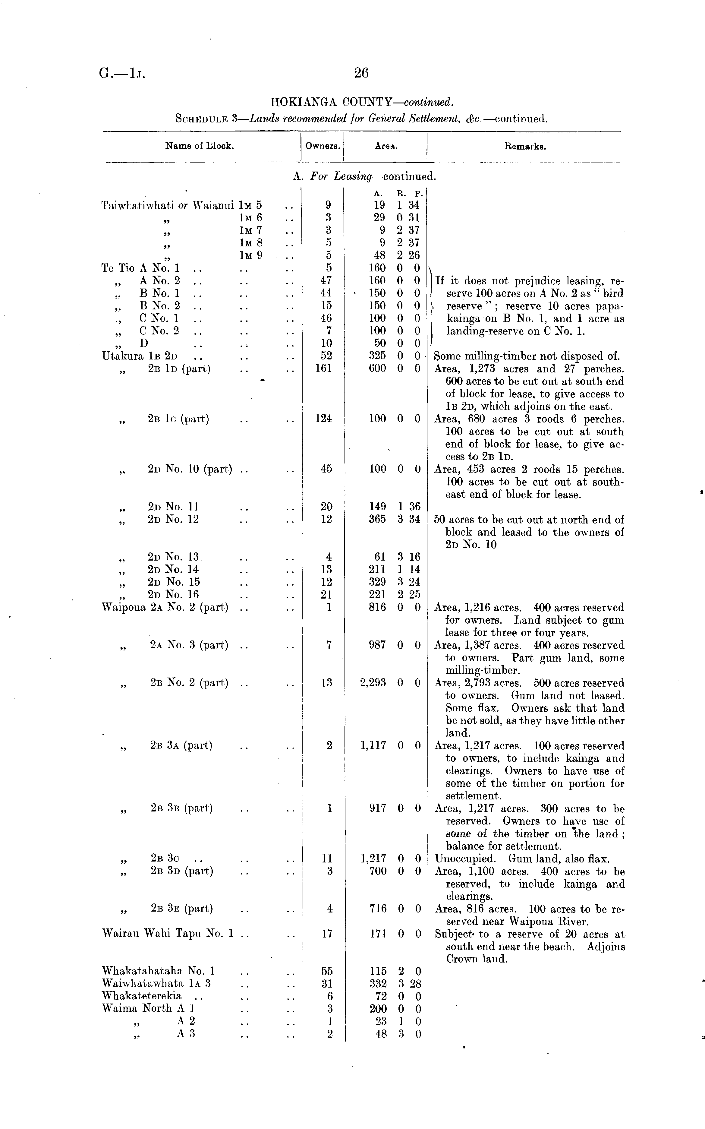
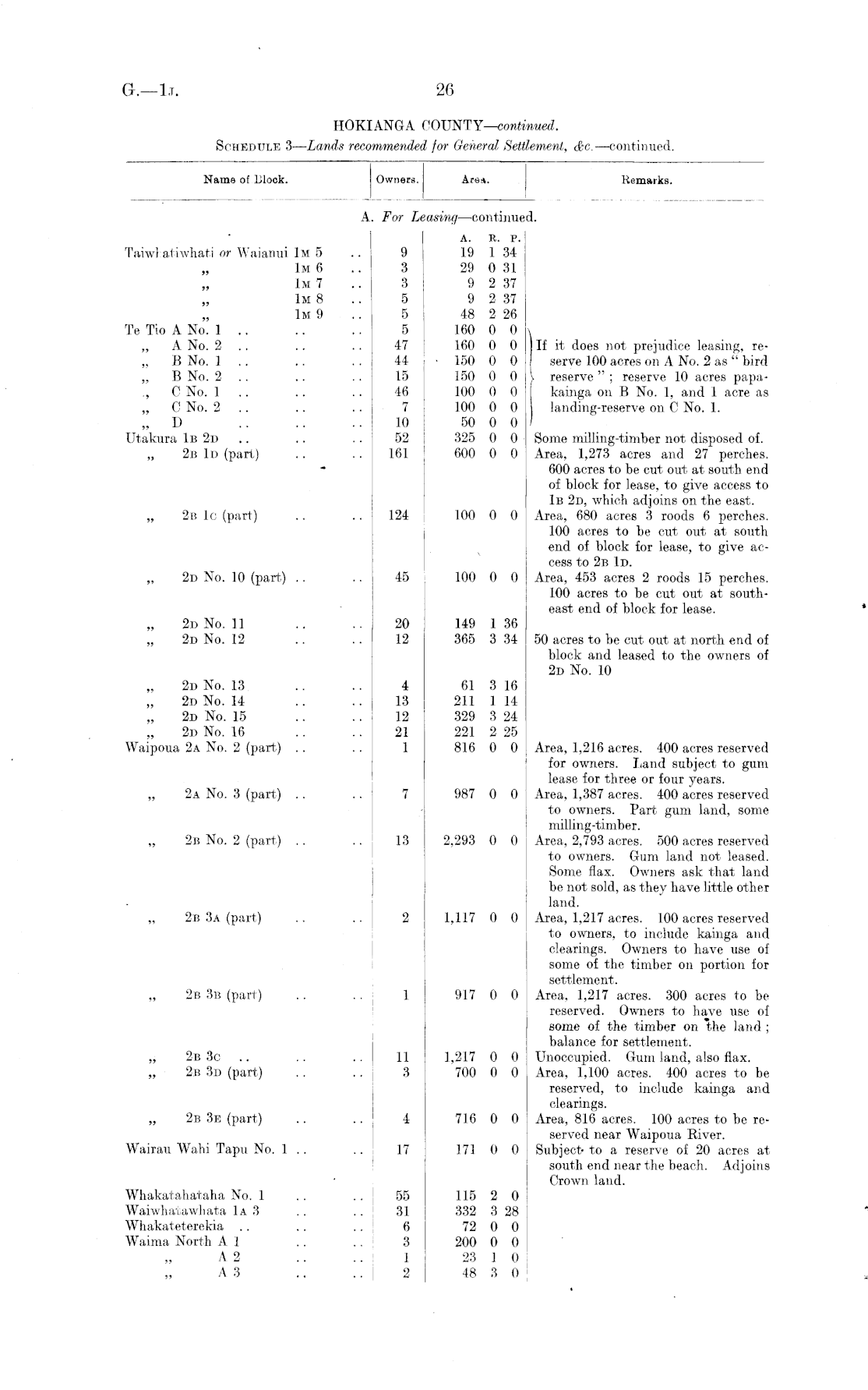
Name of Block. Owners. Are*. Remarks. .. For ■asing —confirm* id. raiwl atiwhati or Waianui 1m 5 „ 1m 6 1m 7 lM 8 1m 9 re Tio A No. 1 .. „ A No. 2 .. „ B No. 1 .. „ B No. 2 .. ., CNo. 1 .. „ C No. 2 .. „ D Utakura Ib 2d „ 2b Id (part) 9 3 3 5 5 5 47 44 15 46 7 10 52 161 A. r. p. 19 1 34 29 0 31 9 2 37 9 2 37 48 2 26 160 0 0 160 0 0 150 0 0 150 0 0 100 0 0 100 0 0 50 0 0 325 0 0 600 0 0 If it does not prejudice leasing, reserve 100 acres on A No. 2 as " bird > reserve " ; reserve 10 acres papakainga on B No. 1, and 1 acre as landing-reserve on C No. 1. „ 2b lc (part) 124 100 0 0 Some milling-timber not disposed of. Area, 1,273 acres and 27 perches. 600 acres to be cut out at south end of block for lease, to give access to Ib 2d, which adjoins on the east. Area, 680 acres 3 roods 6 perches. 100 acres to be cut out at south end of block for lease, to give access to 2b Id. Area, 453 acres 2 roods 15 perches. 100 acres to be cut out at southeast end of block for lease. 2d No. 10 (part) .. 100 0 0 45 2d No. 11 2d No. 12 20 12 149 1 36 365 3 34 50 acres to be cut out at north end of block and leased to the owners of 2d No. 10 2d No. 13 2d No. 14 2d No. 15 2d No. 16 Waipoua 2a No. 2 (part) .. 4 13 12 21 1 61 3 16 211 1 14 329 3 24 221 2 25 816 0 0 Area, 1,216 acres. 400 acres reserved for owners. Land subject to gum lease for three or four years. Area, 1,387 acres. 400 acres reserved to owners. Part gum land, some milling-timber. Area, 2,793 acres. 500 acres reserved to owners. Gum land not leased. Some flax. Owners ask that land be not sold, as they have little other land. Area, 1,217 acres. 100 acres reserved to owners, to include kainga and clearings. Owners to have use of some of the timber on portion for settlement. Area, 1,217 acres. 300 acres to be reserved. Owners to have use of some of the timber on the land ; balance for settlement. Unoccupied. Gum land, also flax. Area, 1,100 acres. 400 acres to be reserved, to include kainga and clearings. Area, 816 acres. 100 acres to be reserved near Waipoua River. Subject- to a reserve of 20 acres at south end near the beach. Adjoins Crown land. 2a No. 3 (part) .. 7 987 0 0 2b No. 2 (part) .. 13 2,293 0 0 2b 3a (part) 1,117 0 0 2b 3b (part) 917 0 0 2b 3c .. „ 2b 3d (part) 11 3 1,217 0 0 700 0 0 2b 3e (part) 4 716 0 0 Wairau Wahi Tapu No. 1 .. 17 171 0 0 Whakatahataha No. 1 Waiwhatawhata Ia 3 Whakateterekia .. Waima North A 1 A 2 A3 55 31 6 3 1 2 115 2 0 332 3 28 72 0 0 200 0 0 23 1 0 48 3 0

Log in or create a Papers Past website account

Use your Papers Past website account to correct newspaper text.

By creating and using this account you agree to our terms of use.

Log in with RealMe®

If you’ve used a RealMe login somewhere else, you can use it here too. If you don’t already have a username and password, just click Log in and you can choose to create one.


Log in again to continue your work

Your session has expired.

Log in again with RealMe®


Alert