Page image
Page image

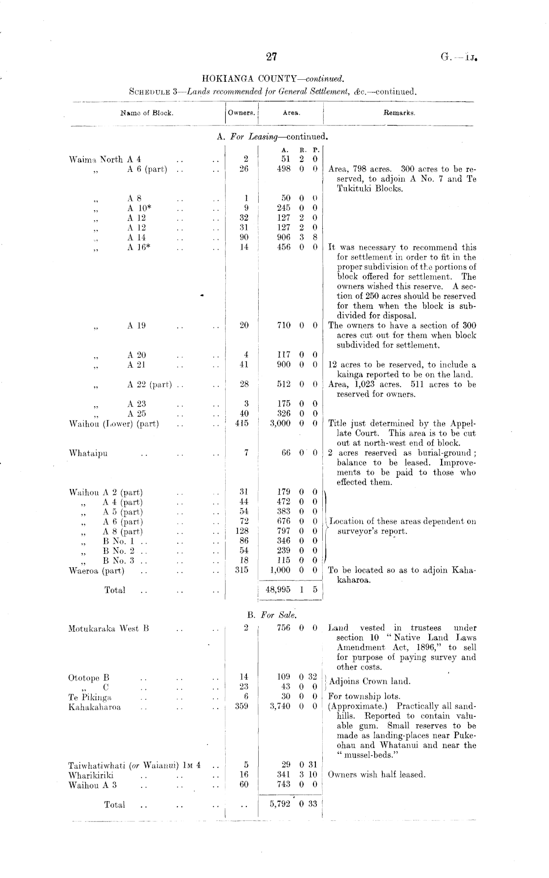
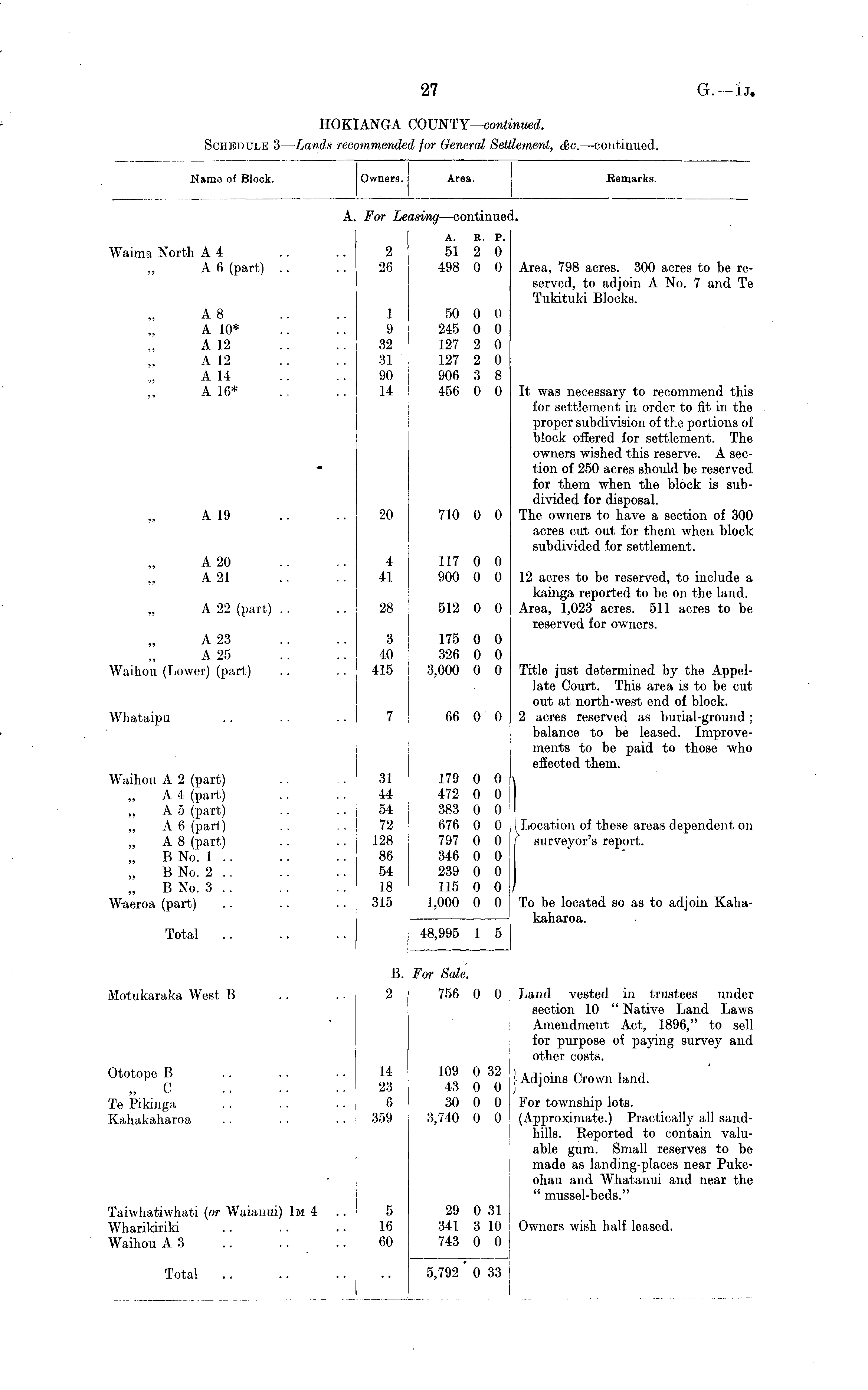
27

G. ij.

HOKIANGA COUNTY— continued. Schedule 3 — Lands recommended for General Settlement, &c. —continued.

Namo of Block. Owners. I I Area. Remarks. For Lei ising —continue! A. Waima North A 4 A 6 (part) .. A. R. P. A. R. P. 51 2 0 498 0 0 2 26 2 51 2 0 16 498 0 0 1 50 0 0 9 245 0 0 19 197 9 fl Area, 798 acres. 300 acres to be reserved, to adjoin A No. 7 and Te Tukituki Blocks. A 8 A 10* A 12 A 12 A 14 A 16* 1 9 32 31 90 14 50 0 0 245 0 0 127 2 0 127 2 0 906 3 8 456 0 0 >z vzi a u il 127 2 0 iO 906 3 8 4 456 0 0 10 710 0 0 4. 117 A n It was necessary to recommend this for settlement in order to fit in the proper subdivision of the portions of block offered for settlement. The owners wished this reserve. A section of 250 acres should be reserved for them when the block is subdivided for disposal. The owners to have a section of 300 acres cut out for them when block subdivided for settlement. A 19 20 710 0 0 A 20 A 21 4 41 4 11. V U 1 900 0 0 !8 512 0 0 3 175 0 0 117 900 0 0 0 0 12 acres to be reserved, to include a kainga reported to be on the land. Area, 1,023 acres. 511 acres to be reserved for owners. A 22 (part) . . 28 512 0 0 A 23 A 25 Waihou (Lower) (part) 3 40 415 0 326 0 0 5 3,000 0 0 7 66 0 0 il 179 0 0 a 179 n n 175 326 3,000 0 0 0 0 0 0 Title just determined by the Appellate Court. This area is to be cut out at north-west end of block. 2 acres reserved as burial-ground; balance to be leased. Improvements to be paid to those who effected them. 1 Whataipu 7 66 0 0 Waihou A 2 (part) ,, A 4 (part) „ A 5 (part) A 6 (part) „ A 8 (part) B No. 1 .. B No. 2 .. B No. 3 .. W-aeroa (part) 31 44 54 72 128 86 54 18 315 A 47 Z 0 U .4 383 0 0 '2 676 0 0 18 797 0 0 16 346 0 0 14 239 0 0 179 472 383 676 797 346 239 115 1,000 0 0 0 0 0 0 0 0 0 0 0 0 0 0 0 0 0 0 I Location of these areas dependent on [ surveyor's report. I* taOV \J \J 8 115 0 0 5 1,000 0 0 48,995 1 5 To be located so as to adjoin Kahakaharoa. Total 48,995 1 5 B. For Sale. Motukaraka West B 2 756 0 0 Land vested in trustees under section 10 " Native Land Laws Amendment Act, 1896," to sell for purpose of paying survey and other costs. Ototope B C Te PiMnga Kahakaharoa 14 23 6 359 4 109 0 32 13 43 0 0 6 30 0 0 i9 3,740 0 0 Adjoins Crown land. \> For township lots. (Approximate.) Practically all sandhills. Reported to contain valuable gum. Small reserves to be made as landing-places near Pukeohau and Whatanui and near the " mussel-beds." Taiwhatiwhati (or Waiauui) 1m 4 Wharikiriki Waihou A3 5 16 60 5 29 0 31 6 341 3 10 10 743 0 0 Owners wish half leased. Total 5,792 0 33

Log in or create a Papers Past website account

Use your Papers Past website account to correct newspaper text.

By creating and using this account you agree to our terms of use.

Log in with RealMe®

If you’ve used a RealMe login somewhere else, you can use it here too. If you don’t already have a username and password, just click Log in and you can choose to create one.


Log in again to continue your work

Your session has expired.

Log in again with RealMe®


Alert