Page image
Page image

G.—lo

7

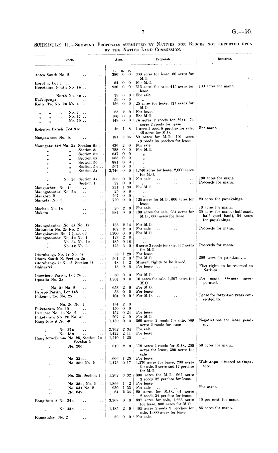
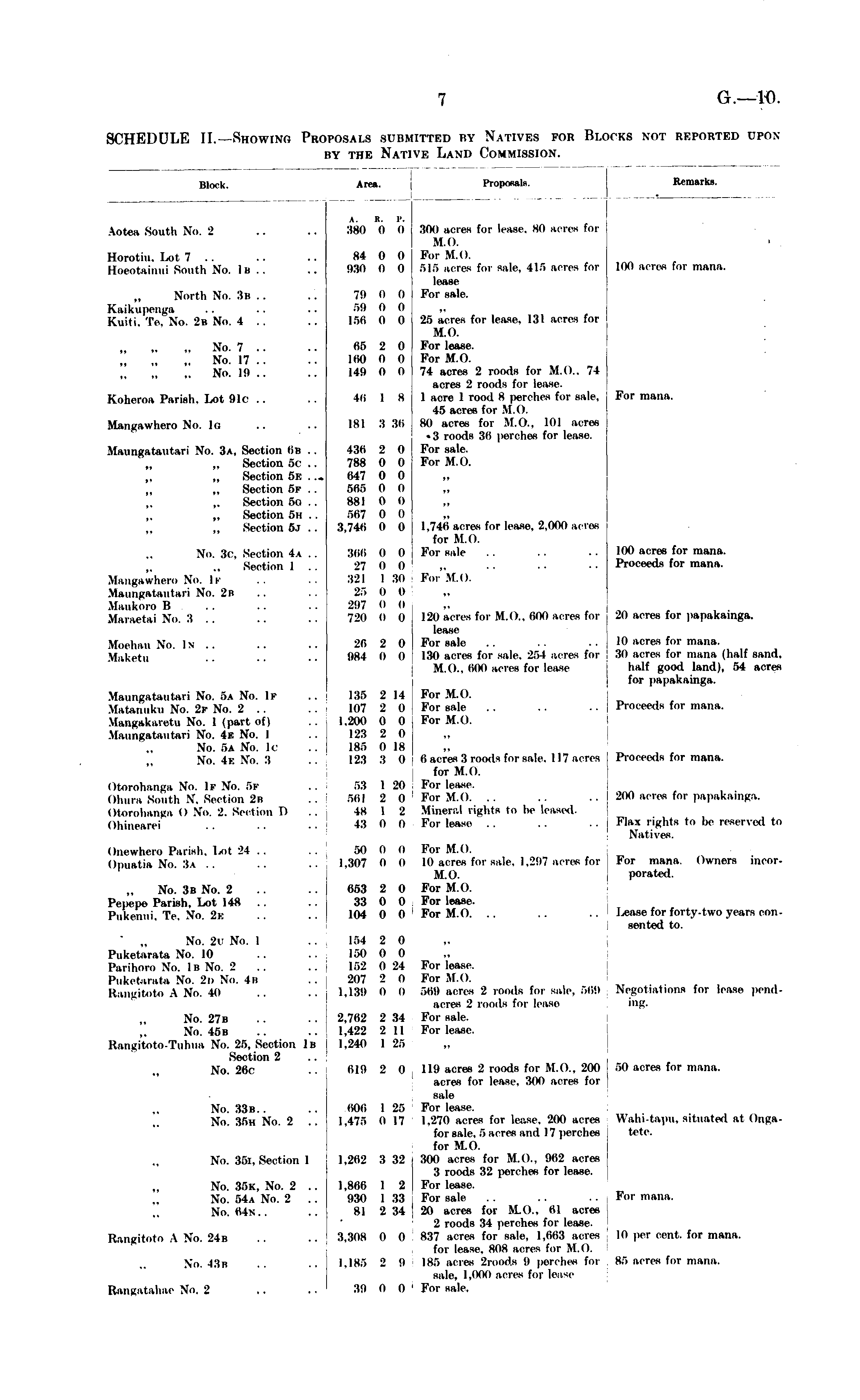
SCHEDULE II.—Showing Proposals submitted by Natives for Blocks not reported upon by the Native Land Commission.

ana. Proposals. Remarks. Block. Aotca South N'u. 2 Ilurutiii. Lot 7 .. Boeotainui Smith No. 1b.. „ North N'u. 3ii . . Kaikupenga Kuiti. Te. No. 2b No. 4 .. „ No. 7 .. No. 17 . . No. 19 .. Ki.lierua Parish. Lot 91c . . Mangawhetro Nu. It; Maungatautari N'o. 3a. Section 0b .. „ „ Section 5c . . ,, „ Section 5k .... ,. „ Section 5f .. „ .. Section 5o . . ,. „ Section 5n . . „ Section 5.1 . . 3S0 0 (I 300 acres fur lease. S res fur M.o. SI 0 0 For M.O. 980 0 0 51.") aires fur sale. 415 acres fur lease 7(1 0 (I Fur sale. .,(1 0 0 168 0 0 25 acres fur lease. 131 acres fur M.o. 05 2 0 Fur lease. IliO o o For M.o. 149 (I o 71 acres 2 roods fur M.O.. 74 acres 2 roods fur lease. 4(1 1 S 1 acre 1 rood 8 perches I'm sale. US acres fur M.O. 181 3 30 SO acres for M.O.. 101 acres -3 roods 30 porches fur least-. 430 2 0 For sale. 788 0 0 For M.o. 647 0 0 505 0 ll SSI 0 0 507 0 0 :{.74i: o o 1,746aores for lease, 8,000 acres fur M.o. 3(iii o o For sale 27 oo 321 I 30 Fur M.o. 25 0 0 297 o ii 720 o o l2o aores for M.O., 600 acres for lease 2(1 2 o Fur sale lisf ii 0 l:io aores for -ale. 251 aires for M.I I.. 600 acres fur lease loo acres for mana. For mana. 100 acres for mana. I'ruccctls for mana. Nu. .'!('. Section 4a . . ,. .. Section 1 Mangawhero Nu. Ii Maungatautari N'u. 2u Maiikoru B Maraetai Nu. 3 .. 20 aores for papakainga. Muili.iii Nu. In.. Maketu for mana. 30 aores for mana (half sand, half good land). 54 acres for papakainga. Maungatautari Nu. 5a Nu. Ii Matanuku N'o. 2f No. 2 .. Mangakaretu No. 1 (part of) Maungatantari Nu. 4k No. I N'u. 5a \o. If Nu. 4 k No. 3 135 2 14 Fur M.O. 107 2 II Fur sale 1.200 0 0 Fur M.O. 123 2 0 185 0 18 123 3 0 6 acres 3 roods for sale, 117 aores fur M.o. 63 1 20 For lease. .-.Ill 2 0 Fur M.O. .. IS 1 2 Mineral rights to lie leasts!. i:i 0 O Fur lease Proceeds fur mana. Proceeds fur mana. Otorohanga No. If No. 5k Ohura South N. Sect ion 2b i Itorohanga 0 N'u. 2. Section 1) Ohineartri 200 acres fur papakainga. Flax rights to he reserved to Natives. Oncwheru Parish. Lot 21 .. Opuatia N'u. 3a No. 3b No. 2 Pepepe Parish. Lot 148 Pukenui, Te. No. 2k 50 0 0 Fur M.O. 1,307 0 0 10 acres fur sale. 1.297 aires fur 11.11. 053 2 0 Fur M.O. 33 0 0 For lease. 104 0 0 Fur M.O. .. Fur mana. Owners incorporated. Lease for forty-two years eunsented to. " .. N'u. SB No. 1 Puketarata No. 10 Parihoro N'u. I B No. 2 .. Puketarata Nu. 2l> N'u. 4 It Rangitoto A N'u. 40 I.'.l 2 0 150 0 0 162 O 24 Fur lease. 207 2 0 For M.O. 1,189 o ll .".09 rules 2 roods fur sale, 509 acres 2 roods lor least* 2.702 2 34 For sale. 1.422 2 11 For lease. 1,240 I 25 Negotiations fur lease pending No. 27b No. 45b EUngitoto-Tuhua No. 25, Section In Section 2 No. 20i 50 acres for mana. N'u. 33b.. No. 85b N'u. 2 .. Nu. :i.">i. Section 1 No. 35k. No. 2 . . No. 54a Nu. 2 .. N'u. 04n . . lllti 2 0 119 acres 2 roods for M.O.. 20(1 aires fur lease. 300 acres for sale 00(1 I 25 For lease. 1.475 0 17 1.270 aires fur lease. 2(H) acres fur sale. .". aires anil 17 perches fur M.O. 1.202 :i 32 800 acres for M.o.. 962 acres 3 roods 32 perches for lease. 1.800 1 2 For lease. 980 I 33 Fur saltSi 2 34 20 acres fur M.O.. Ill acres 2 roods 34 lurches fur lease. 3.30S 0 0 S37 acres fur sale. 1.003 acres fur lease. SOS acres fur M.O. 1.185 2 9 185 aires 2roods 9 pen lies for sale. Loon aores for lease 3!) 0 0 Fur sale. Wahi-tapu, situated at Ongatcle. Fur mana. Rangitoto A Nu. 24b Ill per cent, for mana. Nu. 48b 85 acres fur mana. Rangatahae N'u. 2

Log in or create a Papers Past website account

Use your Papers Past website account to correct newspaper text.

By creating and using this account you agree to our terms of use.

Log in with RealMe®

If you’ve used a RealMe login somewhere else, you can use it here too. If you don’t already have a username and password, just click Log in and you can choose to create one.


Log in again to continue your work

Your session has expired.

Log in again with RealMe®


Alert