Page image
Page image
Page image
Page image
Page image
Page image
Page image
Page image
Page image
Page image
Page image
Page image
Page image
Page image
Page image
Page image

G.—lo

1909. NEW ZEALAND.

CONFERENCE AT WAAHI (REPORT OF).

Presented to both Houses of the General Assembly by Command of His Excellency.

CONFERENCE AT WAAHI. Sir, — Native Land Court Office, Auckland. 30th August, 1909. We have the honour to report that the above Conference closed on the 13th instant. Towards the close the progress was not quite so satisfactory as could have been desired. This was in a great measure due to a committee set up subsequent to the original one reviewing all the proposals before they were laid before us. This committee wasted considerable time on needless discussion where unanimity was feasible from the first. - It was quite evident to us, from observation and the views expressed by visiting Natives, that a more satisfactory way of completing the work would have been to have proceeded to various places and dealt with the blocks locally. The Natives realise that the time has come when something must be done with their idle lands, and to this end endeavoured to assist us as much as possible. A great number of proposals were brought before us dealing with individual interests or groups of interests, but these, representing only parts of blocks, could not be dealt with. Notes of the proposals were, however, taken, and the Natives were advised to apply for partition. The schedules attached hereto show the proposals submitted to vs — (a) As to blocks already dealt with by the Native Land Commission, comparing the proposals of the Natives with the recommendations of the Commission ; (b) as to other blocks, showing the proposals by the Natives. The portions set aside for mana are included in the parts for sale. In cases where blocks have been divided under different heads the various areas hive been located. and sketch-plans are in course of preparation. We have, &c, A. G. Holland. R. W. S. Ballantynk. The Hon. the Native Minister. Wellington.

GK—lO

2

SPECIAL REPORT RE CERTAIN OF TE AKAU BLOCKS. Te Akau B Nos. 11, 12, 13 and 14. 15 and 16, 17, 18 and 19, 20 and 30. Representatives of the Ngati Tahinga, Ngati Te Kura, Ngati Pare, and Ngati Te Wera Hapus, the owners of the above blocks, appeared before the Conference a 1 Waahi, and requested that these blocks be struck out of the Native hand Commission's report (G. In, 1909). They stated that none of the owners were aware that the blocks had been brought before the Commission, and, but for the fact that one of their number, Para Haimona, had accidentally seen a copy of the Commission's report, they would still have been ignorant of the fact. A number of the blocks were under lease to a Mr. Wilson, and they had no wish to see his occupation disturbed. It wtis intimated to the Natives that we would submit their protest to the proper quarter. SPECIAL REPORT RE NGATI RAUKAWA BLOCKS. Whareimiii \c a N'ti. Mi. 16,000 ACRES; Wharepuhunga No. 17, 17.000 Acres; WHAREPUHr:..,.. No. 19, 4.5(H) Acres. These blocks were brought before the Conference at Waahi on the 4th August, and certain proposals regarding them were made. Before any note of the proposals was taken it was explained to the Natives interested that the blocks had been proclaimed under Part I of " The Native Land Settlement Act, 1907," and would be put up for either stile or lease as the position, quality, &c., of the land demanded. Considerable dissatisfaction was expressed by such of the owners—a considerable number—who were present. Statements were made to the effect that in Block 16 numbers of the owners were in occupation, and had cultivations on the block. It was urged that the attention of the Hon. the Native Minister be drawn to the fact that the present occupiers of Block 16 would suffer considerable hardship if the block was leased or sold over their heads. The proposals put forward relative to Block Hi were that o,(hh) acres should be reserved for Maori occupation, 7.1 NX) acres should be leased, and 3.(XX) acres should be, sold. Relative to Blocks 17 and 19, it was proposed that both be sold and the proceeds he devoted wholly to mana. i SPECIAL REPORT HE WAII'A LOT 62b No. i. Wainoaro Landing, 13 Acres. At the request of Judge Browne, we have the honour to report as follows :— The matter of dealing with this area of 13 acres was discussed before us at Waahi this morning. Amukdi Kokena. one of two owners of the whole block, who was present, stated his desire that the land should be handed over to the mana, and dealt with as might he thought fit. Werereka Kokena. who said that he acted for his brother in all kind matters, expressed his concurrence with Aniuketi's request. .Judge Browne explained that the Raglan County Council was prepared to purchase the above area at the rate of £6 per acre. We are of opinion that the most feasible way to deal with the matter would be for the area to be taken under the Public Works Act. anil that the amount of compensation not to exceed tli per acre — assessed by the Court be paid to the credit of the President of the Waikato Maori Land Board,to be held by him until disbursed by the proposed committee to deal with the mana.

3

G.—lo,

SCHEDULE I.—Showing Comparisons between Recommendations by Native Land Commission and Proposals Submitted by Native Owners.

Block. Area. Commissioners' Recommendations. Reference. Present Proposals. Remarks. Reference. Aotea South No. 3 .. Awarua A Nu. 2 .. A. R. P. 567 0 0 lli7 acres for lease. 300 acres for Maori occupation, 100 acies for sale 1.(141 3 23 Under lease . (coal rights) G.-l A, p. 10 .. 156 acres for sale. 200 acres for lease, 100 acres for mana. 212 aores for Maori occupation G.-lo, p. 13 .. 30 acres 2 roods 23 perches for sale Subject to coal-prospecting rights. (mana), 1,611 acres for 11.0. G.-l A, p. 8 .. 240 rvcres for lease. K.0 acres for M.O. Hoeotainui North No. 1 a Nu. 2b No. 2a No. 0b Nos. 1 and 2 Hurakia B No. 2 .. Kaiwaka No. 2b Karaka Taupo B .. A and C 41 KI 0 0 For No. I, 700 acres for lease, 100 acres for 11.0. 500 0 0 For lease 150 0 0 For M.O. 4.397 0 0 2.000 acres for M.O.. 2.397 acres for lease 1.769 2 10 960 acres 2 roods for lease, 966 acres 2 roods for sale 211 0 I) Fur M.O. lilili 0 0 500 acres for M.O., 196 acres for lease .. 830 0 0 562 acres for H.O.. 278 acres for lease .. .. Fur M.O. ,. .. 2.397 acres for II.O.. 2.000 acres for Partition orders for Nos. 1 and 2. lease G.-1a. p. 12 .. For sale .. .. .. 769 acres 2 roods 10 perches for mana. Koheroa Parish, Lot 8(> 62] (I (I Fur M.O. G.-lB, p. 3 .. For M.O. ' G.-Ia, p. 3 .. 500 acres for M.O., 196 acres for lease. 275 acres for sale. 200 acres for lease, 25 acres for mana, 53 acres for papa3.I.. acres for M.O. kainga. ,. .. 100 acres for sale. 21(1 acres for 11.0.. 2.". MM for mana. 311 acres for lease G.-Ia, p. 10 .. For II. O. .. .. .. Owners incorporated. G.-l a. p. 8 .. For sale .. .. .. .. 75 acres fur mana. ,. .. I7'i aires for M.O.. 101 acres for lease Divided into two parts. Surveys not yet made. Mangaroa Maukoro No. 2b Mangawhcro No. It Nos. 1 and 2 716 0 0 327 1 (. Fur lease 277 0 0 No. 3c No. 1 .. .. No. 2 .. Muchaii No. 2a. No. 2b Namuheiriro Ngarua No. 1 is No. I No. 3 Onewhero Parish, Lot 18e „ Lot r.8i> „ Lot 72 „ Lots ...".. 74. and 58a „ Lots 56a and 58b . . „ Lot 58c „ Lot 18a .. „ Lot 18c .. Opuatia No. 9 165 ii (i 200 arte- for M.o. 247 0 0 212 acres for lease 1,865 0 0 Fur sale Fur MLO. 112 0 0 For whole of 1b Block. 124 acres for .M.o.. 300 acres for lease 200 0 0 Ditto 49 0 0 For M.O. .".44 (i 0 For Sections 55, 68, 72, aad 74, 1,460 aores for 11.0.. 850 acres for lease. 200 acres for sale. 2.". tit res for mana 296 0 0 Ditto ill 0 0 „ 680 (i (I 272 0 0 49 (I (I Fur M.O. 49 0 0 j 3310 0! ,. . . For sale. For lease. G.-lA, ]>. 13 .. For sale. G.-lB. p. 3 .. For M.O. G.-l A. p. 8 .. For lease. .. Fur M.O. G.-Ib, p. 3 .. G.-lB. pp. 2. 4. For lease, and 5 Ditto .. For II. O. G.-lB, p. 2 .. „ .. | 136 acres for lease, 136 acres for M.O. G.-lB. p. 3 .. i For II. O. Ohura South C2. Section 3d.. 496 0 o Noted, timber lease „ .. 200 acres for lease. 131 acres for 11. 0. Pakau and Puhirua kaingas are to be included in the II. O. C.-lo. p. 4 .. 90 acres for sale. 300 acres for lease. 60 acres for mana. ."> acres for papaIO.". acres for M.O. kainga. G.-lB, p. 4 .. Foi M.O. .. .. .. Subject to sale of mineral rights. ,. .. For lease.. .. .. .. Negotiations for sale pending. G.-Ib, p. 3 .. „ ... .. ._ .. „ Pepepe Parish. Lot Is Lot 30 „ Lots 51 and 62 .".(I (I 0 Fur sale 50 0 0 418 0 0 38 acres for II.(>., 418 acres for sale

a. -io.

SCHEDULE I.—Showing Comparisons between Recommendations by Native Land Commission and Proposals Submitted by Native Owners — continued.

4

Block. Area. Commissioners' Recommendations. Reference. Present Proposal*. Remarks. Pukenui. Te. No. 1b A. R. P. 936 0 0 800 acres fur II.(I.. 136 acres for lease .. G.-lA, pp. 10 36 aires for sale (mana). 900 acres and 11 for M.O. 41 acres 2 roods for sale (mana). 1.100 Ditto .. 41 acres 2 roods for mana. 1.100 acres No access can be obtained to small acres for M.O. for M.O. section .without considerable expense. For MO. .. .. .. .. G.-lO, p. 8 .. For M.O. ,. .. .. .. .. ,, .. For lease. For sale .. .. .. .. G.-lB. p. 5 .. 1 acre for sale. 61 acre- 2 rootls 7 For mana. Mineral rights transferred perches for BIO. to \V. J. Ralph. Leased or under negotiation .. .. G.-lO, p. 6 .. 1.295 acres for sale. 100 acres for 11.(). 5 per cent, for mana (block is under lease). 300 acres for 11.0., 055 acres 3 roods G.-1a, p. 10 .. 706 acres 3 roods 24 perches for II.O.. For mana. 24 perches for sale 250 acres for sale For sale (mana) .. .. .. G.-la, p. 11 .. For sale. For M.O. .. .. .. .. G.-lo, p. 8 For lease. .. „ ..For 11. o. ,. .. .. .. „ .. For lease.. .. .. .. Lease of 600 acres approved. For lease .. .. .. G.-lo, p. 9 .. 15.032 acres 3 roods for sale, 2,000 acres G.-1a, p. 12 .. 16,000 acres for lease. 1,619 acres for (?) Subject to timber lease. 119 acres for for M.O. II.o. papakainga. For lease .. .. .. .. „ .. 2,500 acres for sale. 2,284 acres for One-fifth for mana ;(?) subject to timber 11.o.. 1,500 acres for lease lease; 65 acres for papakainga. Noted, timber lease .. .. .. G.-lo, p. 5 .. 900 acres for lease, 528 acres 2 roods 42 acres 2 roods for papakainga, 100 for II. 0., 400 acres for sale acres for mana. Leasee approved and negotiations pending. For whole of No. 74. 14,672 acres for lease, G.-l a, p. 12 .. For lease. 300 acres for sale. 100 acres for mana .. Ditto .. .. .. .. ,. ..For II.o. Under lease .. .. .. G.-lo, p. 6 .. 1 acre for wahi-tapu. 3.050 acres for Partition orders for Sections 1 and 2. lease. 1.404 acres for Mo No survey. Leases of portions approved. For whole of No. 79 Block, subject to „ .. For M.O. .. .. 20 acres for papakainga. timber lease Ditto .. .. ,. .. 580 acres for II.O.. 100 acres for sale 86 acres for papakainga, proceeds for (mana), 100 acres for lease mana. Noted, timber lease .. .. .. ,. .. 2,200 acres for II.O.. 4.200 acres 1 rood 200 acres for papakainga. 25 perches for lease Leased or under negotiation .. .. Gh— 1a, p. 9 .. 207 acres for sale, 225 acres for lease. 82 acres for mana. 25 acres for papa230 acres for II. O. kainga. Application for approval of lease struck out. For MO. .. .. .. G.-la, p. 12 .. For M.O. .. .. .. 20 acres for papakainga. For sale (mana) .. .. .. .. For sale .. .. .. For mana. Leased or under negotiation .. .. G.-lo. p. 5 .. Fur II.o. No. 2c 1,141 2 0 Pukeroa-Haugatiki No. 5b .. Parihoro No. 1a No. lc Pepepe Parish. Lot 47 513 3 30 351 0 19 84 1 0 52 2 7 Purupuru 1.395 0 0 Rangitoto A No. 39 it 956 3 24 Rangitoto-Tuhua No. 15 No. 28b No. 2 N'u. 29c No. 2a No. 29c No. 2h No. 34b .. N'u. 3..B No. 2 No. 35d .. No. 36a No. 2 500 0 0 842 1 31 1,074 3 0 1,896 2 20 817 0 32 479 2 10 53 0 10 17.(119 0 0 No. 36b 6,284 0 0 No. 52b .. 1,828 2 0 „ No. 74 b. Section 1 .. 1,931 2 10 „ „ Section 6 .. „ No. 77 b, Sections 1 and 2 8,984 2 30 4,455 0 0 No. 79c 823 2 23 : No. 79b .. 78(1 0 0 No. 76b .. 6,460 1 25 Raoraokauere A 662 0 0 Rangitoto A No. 66b Rangitoto Tuhua No. 6b No. 68o .. 284 0 0 96 3 0 4,134 0 36

5

G.—lo.

SCHEDULE I.—Showing Comparisons between Recommendations by Native Land Commission and Proposals Submitted by Native Owners— continued.

Block. Ana Commissioners' Recommendations. Reference. Present Proposals. Remarks. Taupiri Parish, Lot 348 Lot 474b No. 1 A. R. P. 920 0 0 20 0 0 For lease For whole of B. 624«} acres under lease, 280 acres 3 roods 35 perches for MO., 340 acres for lease Ditto G.-lA, p. 5 G.-l a. pp. 4 and 5 For sale. Whole of No. 1 for MO. Lot 474b No. 4 Lot 474c No. 2 Tauran.a _. _ 474 2 0 849 1 10 567 0 0 188 acres for lease. 100 acres for sale Noted, under lease Ditto G.-lA. p. 9 74 acres 2 roods for MO., 400 acres for lease. For sale 143 acres for sale, 220 acres for lease, 204 acres for II.( I. 100 acres for mana. 100 acres for mana. block has been partitioned; no surveys. Negotiations for lease pending. Taupiri Parish, Lot 474b No. 2 Weranga-o- kapu W.iikaka A No. 2 .. 110 0 0 152 2 25 85 1 0 (See above) For 11.0. For lease G.-Ib, p. 3 G.-l a, p. 9 For M.O. Natives are willing to exchange part of the land for access from road and tramway to Waikaka B and A No. 2. For lease.. B C No. 2a No. 1 „ No. 2 .. „ No. 3 No. 2b No. 2c No. 1 „ No. 2 Waipa Lots 59 and 60 100 0 0 27 0 0 19 0 0 84 3 12 65 2 20 69 2 0 48 2 0 961 0 0 For M.O. Whole of 0 No. 2 for M.O. G.-Ia, p. 8 .. Fur M.O. For lease. For sale. For M.O. .. .. •» • • • . ■_ - „ Contract for sale to Messrs. Burgess and Wilson has been signed. Contract for sale to Wilson signed .. , For sale G.-lB, p. 5 .. For sale Lot 61a Lot 62b No. 10 No. 13 Lot 63a „ Lot 63c Lot 63f Lot 64 240 0 0 48 3 0 25 3 20 231 0 1 180 1 10 2,866 1 19 4,631 0 0 For'll.O. '.'. '.'. G.-lB, p. 3 For M.O. For lease. For II. O. G.-lB, p. 5 Mortgage 1572o, 1/2/75 ; seven owners; to William Thomas : £500. Lot 66a No. 1 No. 2 No. 4 Lot 66b No. 1 No. 2 „ Lot 67 Whangamarino Parish, Lot 263 Lot 254 Lot 259 186 0 0 1,103 0 0 929 0 0 979 0 0 1,386 0 0 538 0 0 65 0 0 70 0 0 50 0 0 G.-lB, p. 3 I G.-lB, p. 5 Mortgage to Julius Vogei. For lease G.-Ib, p. 3 .'. G.-Ia, p. 5 .. For lease. 10 acres for sale (mana), 40 acres for lease For lease. Proceeds for mana. Lot 277 Lot 473a Lot 473b Lot 473c 30 0 0 120 1 32 40 0 26 289 1 22 ,. For sale 10 per cent, for mana. .. i

G.—lo

6

SCHEDULE I.-Showing Comparisons between Recommendations by Native Land Commission and Proposals Submitted by Native Owners— continued.

Summary of Present Proposals.

Block. look. Area. Commintonera , Becommendatioai. Bcfenan. Present Proposals. Remark^ Area. Whangape Parish, Lot 21 Lot 53 .. „ Lot (>.") .. Waotu South A No. 1, Section 1 \\ hangainarino Parish, Lot 325 Lot 232 Lot 276 Whangape Parish, Lot 47 Lot 60b .. Waipa Parish. Lot 62b No. 7 Waitakaruru No. 2a Wharekawa No. 5b North .. A. K. P. 247 3 10 213 acres and 33 perches for M.O. .. (;._] B . p. 3 .. For sale If Crown can make provisions for land ,.,, .-. „ ,„„ , -. „ less Natives now occupying. 180 0 0 108 acres for M.0 50 acres for lease, 80 acres for sale, 20 MM for nun., papakainga. _ o n 50 acres for M.O. 786 0 0 (MX) acres for .M.O.. 150 acres for sale, 36 (J.-Ib, p. 2 .. For lease. acres for mana 4r> 0 0 Leased or under negotiation .. .. Q.-l, p. 3 .. For M.O. <p»pakainga) .. .. Lease consented to, but not yet regis. tered. Natives stated timber would soon be cut off block. Lease would 88 0 0 For M.0 G.-U, p. fl .. For M.O. theu expire. 66 0 0 For lease .. ' so o o ; ;; ko, lu... 102 0 0 51 acres for M.O., 31 acres for sale, 20 acres (;. Iβ. pp. 3. 4. For M.0. Owner is in actual occupation (oave;U for lease and 5 • bv D L R ) 7 To 2 a §, 10; " ,rafor lease G.-1b. p. 4 .. 700 ncres for lease. 20 acres for sale .. For mana. lS i S 90 acres for lease \\ J S W " ' 4,866 0 0 3.725 acres for M.O., 1,116 acres for lease. G.-U. pp. 3 and 1.87(1 acres for sale, 1.412 acres for M.O.. 100 acres for mana 25 acres for mana 4 1,584 acres for leeee .

Sale. A. R. P. 15,923 1 27 Lease. M.O. A- R. P. a. R. p. 43,255 2 30 51,626 3 16

G.—lo

7

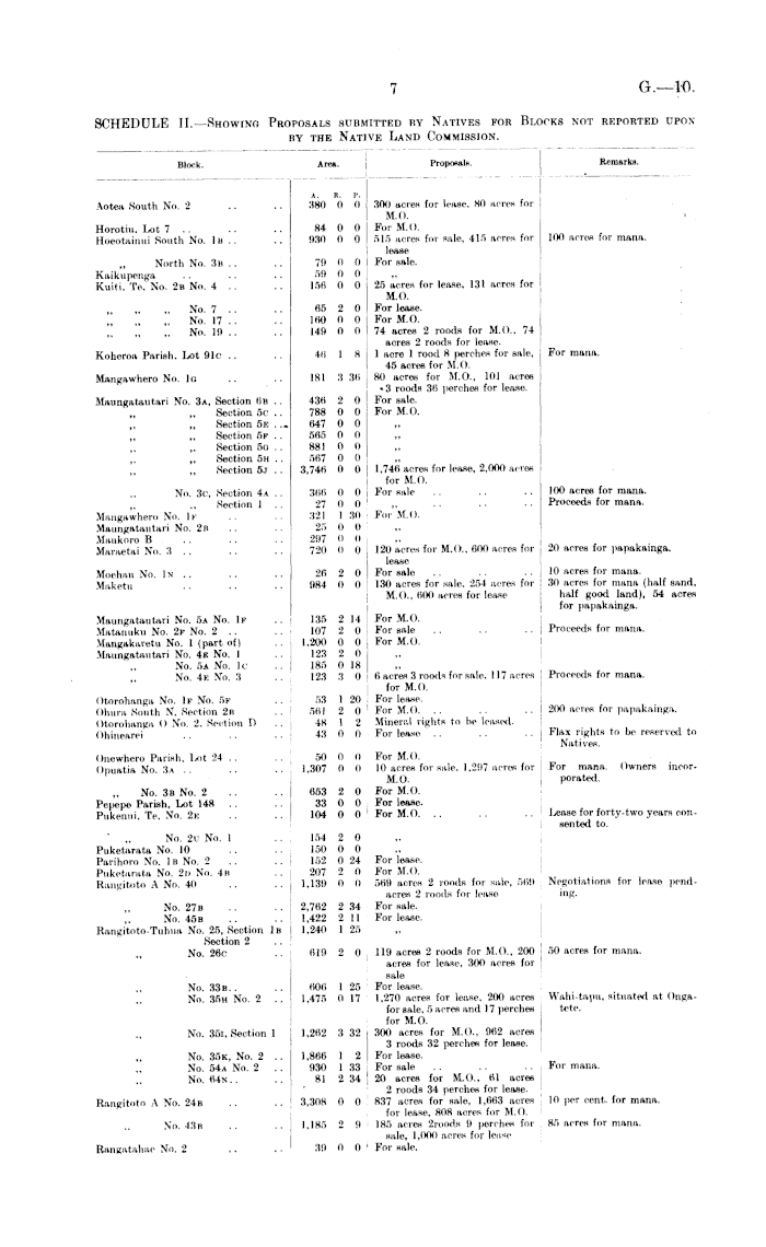
SCHEDULE II.—Showing Proposals submitted by Natives for Blocks not reported upon by the Native Land Commission.

ana. Proposals. Remarks. Block. Aotca South N'u. 2 Ilurutiii. Lot 7 .. Boeotainui Smith No. 1b.. „ North N'u. 3ii . . Kaikupenga Kuiti. Te. No. 2b No. 4 .. „ No. 7 .. No. 17 . . No. 19 .. Ki.lierua Parish. Lot 91c . . Mangawhetro Nu. It; Maungatautari N'o. 3a. Section 0b .. „ „ Section 5c . . ,, „ Section 5k .... ,. „ Section 5f .. „ .. Section 5o . . ,. „ Section 5n . . „ Section 5.1 . . 3S0 0 (I 300 acres fur lease. S res fur M.o. SI 0 0 For M.O. 980 0 0 51.") aires fur sale. 415 acres fur lease 7(1 0 (I Fur sale. .,(1 0 0 168 0 0 25 acres fur lease. 131 acres fur M.o. 05 2 0 Fur lease. IliO o o For M.o. 149 (I o 71 acres 2 roods fur M.O.. 74 acres 2 roods fur lease. 4(1 1 S 1 acre 1 rood 8 perches I'm sale. US acres fur M.O. 181 3 30 SO acres for M.O.. 101 acres -3 roods 30 porches fur least-. 430 2 0 For sale. 788 0 0 For M.o. 647 0 0 505 0 ll SSI 0 0 507 0 0 :{.74i: o o 1,746aores for lease, 8,000 acres fur M.o. 3(iii o o For sale 27 oo 321 I 30 Fur M.o. 25 0 0 297 o ii 720 o o l2o aores for M.O., 600 acres for lease 2(1 2 o Fur sale lisf ii 0 l:io aores for -ale. 251 aires for M.I I.. 600 acres fur lease loo acres for mana. For mana. 100 acres for mana. I'ruccctls for mana. Nu. .'!('. Section 4a . . ,. .. Section 1 Mangawhero Nu. Ii Maungatautari N'u. 2u Maiikoru B Maraetai Nu. 3 .. 20 aores for papakainga. Muili.iii Nu. In.. Maketu for mana. 30 aores for mana (half sand, half good land). 54 acres for papakainga. Maungatautari Nu. 5a Nu. Ii Matanuku N'o. 2f No. 2 .. Mangakaretu No. 1 (part of) Maungatantari Nu. 4k No. I N'u. 5a \o. If Nu. 4 k No. 3 135 2 14 Fur M.O. 107 2 II Fur sale 1.200 0 0 Fur M.O. 123 2 0 185 0 18 123 3 0 6 acres 3 roods for sale, 117 aores fur M.o. 63 1 20 For lease. .-.Ill 2 0 Fur M.O. .. IS 1 2 Mineral rights to lie leasts!. i:i 0 O Fur lease Proceeds fur mana. Proceeds fur mana. Otorohanga No. If No. 5k Ohura South N. Sect ion 2b i Itorohanga 0 N'u. 2. Section 1) Ohineartri 200 acres fur papakainga. Flax rights to he reserved to Natives. Oncwheru Parish. Lot 21 .. Opuatia N'u. 3a No. 3b No. 2 Pepepe Parish. Lot 148 Pukenui, Te. No. 2k 50 0 0 Fur M.O. 1,307 0 0 10 acres fur sale. 1.297 aires fur 11.11. 053 2 0 Fur M.O. 33 0 0 For lease. 104 0 0 Fur M.O. .. Fur mana. Owners incorporated. Lease for forty-two years eunsented to. " .. N'u. SB No. 1 Puketarata No. 10 Parihoro N'u. I B No. 2 .. Puketarata Nu. 2l> N'u. 4 It Rangitoto A N'u. 40 I.'.l 2 0 150 0 0 162 O 24 Fur lease. 207 2 0 For M.O. 1,189 o ll .".09 rules 2 roods fur sale, 509 acres 2 roods lor least* 2.702 2 34 For sale. 1.422 2 11 For lease. 1,240 I 25 Negotiations fur lease pending No. 27b No. 45b EUngitoto-Tuhua No. 25, Section In Section 2 No. 20i 50 acres for mana. N'u. 33b.. No. 85b N'u. 2 .. Nu. :i.">i. Section 1 No. 35k. No. 2 . . No. 54a Nu. 2 .. N'u. 04n . . lllti 2 0 119 acres 2 roods for M.O.. 20(1 aires fur lease. 300 acres for sale 00(1 I 25 For lease. 1.475 0 17 1.270 aires fur lease. 2(H) acres fur sale. .". aires anil 17 perches fur M.O. 1.202 :i 32 800 acres for M.o.. 962 acres 3 roods 32 perches for lease. 1.800 1 2 For lease. 980 I 33 Fur saltSi 2 34 20 acres fur M.O.. Ill acres 2 roods 34 lurches fur lease. 3.30S 0 0 S37 acres fur sale. 1.003 acres fur lease. SOS acres fur M.O. 1.185 2 9 185 aires 2roods 9 pen lies for sale. Loon aores for lease 3!) 0 0 Fur sale. Wahi-tapu, situated at Ongatcle. Fur mana. Rangitoto A Nu. 24b Ill per cent, for mana. Nu. 48b 85 acres fur mana. Rangatahae N'u. 2

G.—lo

8

SCHEDULE II. —Showing Proposals submitted by Natives for Blocks not reported upon by the Native Land Commission— continued.

Summary.

Approximate r<,xi ,</ /tti/irr. : Preparation, nut given : printing (1,500 copies), til 12s.

By Authority: JoBM Mackay. Covernment Printer, Wellington. -1909.

Pike 6d.]

Block. Area. Proposal*. Remarks. Remarks. Rangitoto-Tuhua No. 35a No. 2 A. R. r. 1,198 2 :<7 1,140 acres for lease, 58 acres 2 roods 37 perches fov M.O. 100 acres for lease, 55 acres 1 rood 32 perches for .MO. For M.O. For lease. Xo. .ilB.. 155 1 32 No. 73b.. No. 04q.. Taniahero, Lot 129 Lot 199 Taupiri, Lot 473 Takapau No. 2 .. Tauwhare Taharoa A 1,189 0 0 98 0 10 18 2 0 20 0 0 49 0 0 22 0 0 14 2 20 Hi.010 0 0 ForM.O. For sale. For lease. 12,525 acres for M.O., 3,000 MM for lease. IH5 Mm for mana For sale For lease. For sale 5,000 acres for M.O.. 2,900 acres for lease. I.'255 acres 1 r I for sale. For sale (mana) For lease. For sale (mana) Title oaveated. Te Maika Township. 10 |«r cent, for mana. For mana. Existing lease expires 21/8/1910. This land is to be sold for mana. Owner advised, as block is near Ngaruawahia, he should retain it, and not sell. 25 acres for mana. Proceeds for mana. Under registered lease. Pro ceeds for mana. Taupiri Parish, Lot 444 .. Waipa Parish, Lot 01b .. „ Lot 09 50 0 0 216 0 0 100 0 0 Lot 30 r>0 o o Waitakaruru No. Id Wharepuhnnga No. 18 300 0 0 8,455 1 0 Wliangamarino Parish, Lot 228 Lot 255 Lot 302 25 0 0 80 0 0 30 0 0 Whangape Parish, Lot 45 . . Wliakaaratamaiti No. 2b .. Waitakanirn No. Iα No. 2 478 0 0 343 3 0 442 0 0 For M.O. 200 acres for sale, 200 acres for lease, 42 acres for MO. 1,000 acres for sale. I,(MK( acres for lease, 2,000 acres for M.O. 38 acres for lease, 38 acres for M.O. For M.O. For papakainga. Fov mana. Whaiti Kuranui No. 2r> .. 4,000 0 0 Waitakaruru No. 2f 70 0 0 Waotu South A No. 2. Section 2 0 No. 3 .. 67 1 8 33 0 10 ri • • • • • • Negotiations for purchase pending. V\'haiiL'amarino Parish. l»t 257 Lot 999 Lot 960 ]»t 2iil Lot 313 Lot 210 u>1 268 Whangape Parish. IjOt 10 Lot 39.. Lot BOB :: Sβ 0 0 50 (I (I 95 0 0 Bβ 2 0 00 0 0 174 0 0 80 0 0 25 0 0 SO 0 0 582 0 0 For sale. For lease .. .. .. " For M.O. For lease. For M.O. Title caveatiKl. lit. . 140 2 0 82 acres for sale. 400 acres for lease, 100 acres for M.O. 20 acres for sale. HK) acres (or lease, 20 acres L' roode for M.O. For M.O. For mana. Prooeode for mana. Lot 38.. Waitakaruru No. Iα No. 4 No. Iβ No. 2 Wliatitokarua B .. r>.. 51 2 2 219 0 0 351 0 0 ISO 0 0 428 0 0 For lease. 90 aoree for W.O., 130 acres for lease For lease Timber ami flax rights tt> be reserved to Natives. e .. 75 0 0

Sale. Lease. M.O. a. it. r. 11.273 0 4 i 24,588 1 I A. It. 1'. 35.S4I II S

This report text was automatically generated and may include errors. View the full page to see report in its original form.I whakaputaina aunoatia ēnei kuputuhi pūrongo, e kitea ai pea ētahi hapa i roto. Tirohia te whārangi katoa kia kitea te āhuatanga taketake o te pūrongo.
Permanent link to this item
Hononga pūmau ki tēnei tūemi

https://paperspast.natlib.govt.nz/parliamentary/AJHR1909-II.2.3.4.8

Bibliographic details
Ngā taipitopito pukapuka

CONFERENCE AT WAAHI (REPORT OF)., Appendix to the Journals of the House of Representatives, 1909 Session II, G-10

Word count
Tapeke kupu
4,286

CONFERENCE AT WAAHI (REPORT OF). Appendix to the Journals of the House of Representatives, 1909 Session II, G-10

CONFERENCE AT WAAHI (REPORT OF). Appendix to the Journals of the House of Representatives, 1909 Session II, G-10

Log in or create a Papers Past website account

Use your Papers Past website account to correct newspaper text.

By creating and using this account you agree to our terms of use.

Log in with RealMe®

If you’ve used a RealMe login somewhere else, you can use it here too. If you don’t already have a username and password, just click Log in and you can choose to create one.


Log in again to continue your work

Your session has expired.

Log in again with RealMe®


Alert