Page image
Page image
Page image
Page image
Page image
Page image
Page image
Page image
Page image
Page image
Page image
Page image
Page image
Page image
Page image
Page image
Page image
Page image
Page image
Page image
Page image
Page image
Page image
Page image
Page image
Page image
Page image
Page image
Page image
Page image
Page image
Page image

a.—ii.

1909. NEW ZEALAND.

KING-COUNTRY NATIVE LANDS (PARTICULARS RELATIVE TO) LEASED OR DISPOSED OF DURING LAST FIVE YEARS.

Return to an Order oj the House of Representatives dated the Bth October, 1909. Ordered, "That there be laid before this House a return showing the Native land leased or otherwise disposed of during the last five years in the King-country, giving the particulars of the areas leased and sold, the names of the lessees and purchasers, and the payments or rentals agreed upon ; also a summary of the sawmilling-rights agreed upon, and tho terms and conditions upon which the timber has been sold." —(Mr. Hoqq.)

Particulars of Areas leased in the King-country from the 1st October, 1904, to the 30th September, 1909.

Name of Block. Area. Name of Lessee. Rental. VIaugaawakino No. 4 .. a i<. p. 3,347 0 0 Berry, D. .. Is. per acre per annum ; royalty, 4d. per ton coal, 3d. per 100 (t. (or kahikatea, and 4d. for rimu and niatai. 5s. per acre first 7 yearn, Gβ. next 7 years, 7s. last 7 years. 3a. per acre, with right of renewal at 4s. per anre. £1 10s. per acre. ftinohnku West P No. Iβ, Section 2* Pukeroa-Hangatiki No. Iα 25 0 0 Atkinson and Slade .. 100 0 0 Board, A. S. 3hura South G No. 4m K No. 2, Section 2b 20 0 0 Puketapu Sawmilling Company 483 0 0 Ryan, C. J... Is. first 11 years, Is. 3d. remaining 10 years. £30 Cs. per annum. 13. first 10 years, 2s. remaining 11 years. 3s. Id. first 8 years, 3s. 8d. remaining 7 years. Ditto. re Kumi No. 9 Paumatatotara No. Iα .. Motukawa 2b No. 23 19 0 0 Standish, M. G3C 2 0 ! 551 0 0 Batley, A. 0. P. No. 24 .. No. 25 .. Pirongia West No. 1, Section 2b Hauturu East B No. 2, Section 2c 274 0 0 600 0 0 908 1 11 Terry, W. .. 50 0 0 Larsen, L. .. ii £25 per annum. Nil first 2 years, 2s. next 5 years, 3s. next 5 years, 4s. remaining 9 years. 11s. per acre per annum. Iβ. Iβ. 3d. per acre, with right of renewal at 3s. 6d. per aore. Is. first 10 years, Is. 6d. next 11 years, 4s. remaining 21 years. Ditto. Iβ. 6d. per acre. £914 5s. 9d. per annum first 7 yeare. Pukenui No. 2d No. 7 .. .. I iuruwhero No. 3q .. rlauturu West G No. 2, Section 1 50 0 0 Stanton, T. C. 272 2 10 Teasdale, J. B. 769 0 0 Cowern, T. P. S. rlauturu East No. 2a, Section 2.. 49 2 25 Wilson, K. A. 3.. Pukenui '2m Puketapu liauhungaroa No. 8 iinohaku West K, Section 2c .. . 2b .. iinohaku East No. 2, Seotion 17 )hura South K No. 1, Section 2c No. 1 (inohaku East No. 4p, Section 2 62 1 15 180 0 0 Lovett, W. .. 640 0 0 Henderson, M. 640 0 0 Stewart, R. H. 2,046 0 0 Jones, S. E. 1,276 0 0 I Jones, W. .. 420 0 0 I Symes, A. .. 116 1 0 Ryan, C. J... 180 2 11 Hunt, N.J... Is. per acre. 2s. first 10 years, 3s. remaining 11 years. Is. first 21 years, 2s. remaining 21 years. Is. first 7 years, 2s. second 7 years, 3s. remaining 7 years. Ditto. No. 4o, . 2 No. 4q, . 3 No. 4h, . 4 No. 4p, , 3 No. 4e 3 ukenui No. 2o 486 0 0 403 1 0 455 1 39 813 2 0 213 3 32 336 0 0 Ormsby, Jer. ii finohaku West 11b No. 2a 119 0 15 Brown, A. .. Is. first 7 years, Iβ. 6d. second 7 years, 2s. remaining 7 years. 2s. 6d. per aore, with right of renewal at 5 per cent. 3s. 3d. per acre first 7 years, 4s. remain14 years. itotukawa 2b No. 10a .. 200 0 0 Hagger, H. E. 1—G. 11.

G.— ll.

Particulars of Areas leased in the King-country, etc. — continued.

2

Name of Block. Area. Name of Lessee. Rental. Rangitoto-Tuhua No. 3a A. B. P. 1,680 0 0 Agung, Thomas Iβ. first 10 yeare, Is 6J. next 15 years, 3s. remaining 25 years. 3s. per acre. Is. Gd., with right of renewal at 5 per cent. Tβ Kumi No. 6 Kinohftku West T, Section 1 (part) Ohura South K No. 1, Section 2c No. 1 (part) Ditto Ohura South K No 1, Section 2c No. 4 (part) Ohura South K No. 1, Section 2c No. 5 (part) Ditto Kinohftku East No. 4h, Section 2 382 0 0 90 2 0 112 2 18 1,074 0 0 1,074 0 0 2,000 0 0 1,781 0 0 1,000 0 0 82 3 10 Wilson, W. J. Smith, J. .. Johnson, J. A. Rawling, E. Canton, E. J. Rawling, H. Is. first 21 years, 2s. next 21 years. Bleasel, G. Bleasel, C. J. Hunt, A. L. Is. first 11 years, Is. 6d. next 10 yeara, balance by arbitration. Ditto. Is. first 7 years, 2s. next 7 years, 3s next 7 years. Ditto. 1 ".. No"4d, "„ 2 „ 3 No 4h, „ 5 No. 2, „ 7 „ 9 „ 10b , llA . Ill* . 12b , 15 . 20b . 24a . ■ . 4B 69 0 2 44 3 33 89 3 29 386 1 36 305 3 20 481 1 20 222 1 20 197" 2 20 200 0 0 931 0 0 536 3 20 556 1 20 402 3 16 962 1 20 Tooman, F. Lusk, D. H. a n Pine, T. .. '.'. Mo Adam, W. E. Sommervillo, J. Iβ. first 11 years, 2s. next 10 years. Is. first 7 years, 2s. second 7 years, 3s. third 7 years. Ditto. 2s. first 11 years, 3s. next 10 years. Is. first 7 years, 2s. second 7 years, 3s. third 7 years. Ditto. „ 24b „ 24e . 28b 1C 892 3 5 287 3 0 1,000 0 0 Sommerville, T. Symes, A. .. Sommerville, W. G... . 28b 8 ., 28b 7 „ 28b 14 Karuotewhenua B No. 2b No. 7 .. 330 0 0 400 0 0 72 0 0 1,700 0 0 Cook, D. .. Watson, H. G. Pine,T. Watson, C. H. Pukenui No. 2k No. 2t No. 2h No. 2d No. 5 .. Kinohaku East No. 2, Section 24d 441 2 0 1,292 0 0 1,074 0 0 5 0 0 60 0 0 Hardy, E. H. Anderson and Sommerville Johnson, W. Nicholls, J. Wilson, W.J. Is. (id. first 11 years, 2s. Gd. next 10 years. Iβ. 6d. first 21 years, 2s. 6d. next 21 years. 4s. per acre, with right of renewal at 5 per cent. Iβ. 6d per acre. 14s. per acre. Is. first 7 years, 2s. next 7 years, 3s. next 7 years. Ditto. „ 24c Karuotewhenua No. 3c No. 2a .. No. 2b .. Rangitoto-Tuhua No. 7 115 0 16 196 2 0 393 0 0 96 0 0 it • • Coogan, J. .. Iβ. first 11 years, 2s. next 10 years. 3s. Gd. for 50 acres and Is. for 46 acres, with right of renewal at 5 per cent. Is. first 11 years, Is. 6d. next 10 years, with right of renewal at 5 per cent. Ditto. Is. first 10 years, Iβ. Gd. next 11 years, with right of renewal at 5 per cent. Is. first 10 years, Is. Gd. next 15 years, and 5 per oent. remaining 25 years. £1 first 21 years, £2 next 21 years. 4s. 4d. first 10 years, 5s. next 11 yeare. Is. first 25 years, 5 per cent remaining 25 years. Ditto. Ohura South K No. 1, Seotion 2c 1 1,000 0 0 Craig, Vera . 2c 3 N, Seotion 2a 1,300 0 0 151 1 0 Craig, R. .. Smith, E. S. Rangitoto-Tuhua No. 3e 35G 1 13 Smith, A. W. Fullerton Te Ngarara No. 2 Awarua No. 3a No. 2d .. Rangitoto-Tuhua No. 3c 10 0 0 1,036 0 24 929 2 19 Hattaway, V. 8. Pearson, J. A. Smith, A. E. No. 3f 2,692 0 0 Fullerton Smith, R. C and F. A. Ditto Wilson, J. and Co. . Elliott, DeRenzy, and Anthony Ditto No. 3q Te Kumi No. 4 Aorangi B3 B .. 2,600 3 15 19 0 0 938 0 0 £30 per annum. 6d. first 10 years, 9d. next 11 years, Is. next 10 years, 2s. next 11 years. 6d. first 10 years, 9d. next 11 years, Is. Gd. next 10 years, 2s. next 11 years. £277 5s per annum. 5 per cent, on capital value. £61 per annum. 5 per cent, on capital value. £115 per annum. 3s. 6d. per acre per annum. £148 per annum. . B2 900 0 0 Awarua 2c No. 12a 3a No. 2c 3D3, Seotion 14b Motukawa 2a No. 4 .. 2a No. 5 .. 2b No. 6 .. 2b No. 7 (part) 2b No. 7 (part) 2b No. 13 .. 2b No. 19 .. 2b No. 19a .. 2b No. 26 .. 2b No. 27 .. Oruamatua Kaimanawa No. 2b .. No. 2f .. No. 2d .. 1,140 0 0 1,030 1 3 181 0 0 684 0 0 1,060 0 0 621 0 0 1,545 3 17 1,280 0 0 708 0 0 2,000 0 0 445 0. 0 5)27 0 0 204 0 0 3,282 0 0 3,200 0 0 985 0 0 Batley, A. O. P. .. j Morrison, M. Scott, T. .. Morrison, M. Batley, E. R. Macfarlane, J. A. Williams, T. W. Williams, W. J. Gardner, H. E. Morrison, M. £132 15s. per annum. 5 per cent, on capital value. Batley", E. R. £39 3s. per annum. £34 12s. per annum. 9d. per acre. Is. per acre. Lowry and Watt a>

3

G—ll

Particulars of Areas leased in the King-country, etc.— continued.

Name of Block. Area. Name of Lessee. Rental. Oruamatua-Kaimanawa No. 2g .. No. 2o.. No. 2j .. 2q No. 1 2n .. Awarua 3d 3, Section 13 3d 3, ,,8 2c, Section 17 .. 2c, „ 18 .. 2c, . 19 .. 2c, . 13p Motukawa 2b, Seotion 21 Awarua 3d 3, Sec lion 3 Kinohaku East No. 2, Section 28b 15 Kinohaku East No. 2, Section 29, 15 Kaingapipi No. 8 Kinohaku East No. 5c .. Ohura South A No. 2a .. A. B. P. 3,200 0 0 1,695 2 0 325 0 0 1,516 0 0 1,694 2 0 365 0 0 612 0 0 328 0 5 1,486 0 0 559 0 0 4 0 0 1 213 0 Of 91 0 0 387 0 0 Lowry and Watt Wall, A. Floyd, W. A. Morgan, C. C. Batley, C. .. la. per acre. Od. per acre. 5s. per acre. £57 per annum. £243 12e. per annum. £100 per annum. Batley, E. R. £71 12s. per annum. Batley, A. 0. P. Jeffry, James £18 6s. per annum. Iβ. 6d. first 7 years, 2s. next 7 years, 3s. next 7 years. Ditto. 387 0 0 187 2 0 62 0 0 839 3 21 Hattaway, V. S. Coogan, J. .. le. first 5 years, 2e. next 16 years. Is. first 10 years, Is. 6d. next 11 years, and right of renewal at 5 per cent. Ditto. £36 per annum. Is. 3d. first 7 years, 2s. next 7 years, 2s. 0d. next 7 years. 4e. first 10 years, 5s. next 11 yeats. £30 per annum. A No. 2b .. Te Kumi No. 9 Rangitoto A No. 1 371 0 19 * 19 0 0 3,984 0 0 Baker and Tapp Lusk, R. B. Rangipo-Waiu B No. 10 Ohura South G No. 4k, Section 1 512 0 0 50 2 37 Corntord and Burridge Puketapu Sawmilling Company Ditto M No. 3a, Section 1 . . a C No. 2, Section 3a 3k Ratatomokia No. Iα, Section 1 .. Otoiohanga If No. 4c .. Awarua 2c No. 14 Ohura South G No. 3 .. Pukeroa Hangatiki No. 3a 122 2 17 1,381 3 34 102 0 0 937 0 0 3<J2 2 36 38 3 32 702 0 0 0 2 0 252 1 0 Hunt, T. D. W. Clarke, W. II. Batley, E. .. Cairns, M. .. Osmond, H. J. £83 4s. per annum. £908 6s. per annum. £408 per annum. £1,441 16s. 8d. per annum. Is. 6d. first 25 years, 2s. 6d. next 25 years. la. per acre. £119 6s. per annum. £5 per annum. Is first 7 years, Is. 6d. next 7 years, 3s. next 7 years. 4s. firet 10 years, 5a. next 11 years. £8 per annum. £236 13s. 4d. first 3 years, peppercorn rent remaining 7 years ; £700 upon execution of lease. £342 10s. per annum. Rangipo - Waiu B No. 13 Ohura South G No. 3 .. Motukawa 2b No. 8 2b No. 12 .. 384 0 35 15 0 0 336 1 32 | 216 2 0 J Cornford and Burridge Bohme, O. .. Gardner, H. E. Birch, W. J. and C. C. Oruaaiatua-Kaimanawa No. Ik (part) Ditto Oruamatua- Kaimanawa No. 2k Awarua 3d 3, Section 18 19a 19b Karuotewnenua B No. 2b 6 Puketarata No. 4e 2 Ohura South G No. 3 .. 3,425 0 0 136 0 0 325 0 0 159 3 3 90 1 3 135 3 16 1,095 2 5 110 0 0 0 2 0 Lowry and Watt £13 12s. per annum. £12 3s. 9d. per annum. £40 per annum. £22 10s. per annum. £34 per annum. Is. (id. first 21 years, 2s. next 21 years. 2s. per acre. £7 10s. first 21 years, and 5 per cent. next 21 years. £552 first 2 years, £294 next 3 years, £82 15s. remaining 16 years £196 first year, £99 13s. next 5 years, £27 5s. remaining 15 years. £1 first year, 15s. next 5 years, 2s. 6d. remaining 15 years. Is. first 10 years, 5s. next 11 years. Jensen, H. and J. M. Churctaer, George MoGeohie, B. Marshall, A. Motukawa 2b No. 15a .. 536 0 0 Arous, P. L. 2b No. 15b 2 218 0 0 2b No. 16b 3 325 2 0 Awarua No. 3d 3, Section 11 9 Pirongia West 3b 2e 2d 45 3 0 596 0 0 1,352 2 0 Addis, D. .. Motukawa No. 2a Nob. 2 and 3 No. 2b No. 16a Mangaawakino No. 7 Mangaroa B No. 2a 577 3 30 673 0 0 1,540 0 0 612 0 0 Muuntfort, Morris, and Macalister Barnett, A. H. Clement, W. C. Moore, E. .. Mair, S. A. R. Is. 6d. per acre. 5s. first 21 years, 6s. next 21 years. £84 2s. 6d. per annum. Iβ. first 25 years, 2s. 6d. next 25 years. Is. (id. first 21 years, 2s. 6d. next 21 years. Ditto. t B No. 2b B No. 2c B No. 2d B No. 2e Tokanui B Kakepuku No. 12 612 0 0 612 0 0 612 0 0 509 0 0 . 90 1 19 542 2 17 Williams, E. Bruce, D. J. Wiiliams, W. K. Williams, M. Elmsley, J. G. Piddy, P. C. P. £10 per annum. 2s. first 8 years, 3s. next 5 years, not less than 4s. or more than 8s. remaining 22 years. £16 8s. first 10 years, £24 12s. remaining 11 years. &-J.0 first 21 years, £37 10s. next 21 years. Is. first 10 years, Is. 6d. next 11 years, and 5 per cent, on unimproved value the remaining 21 years. Is. (id. first 21 years, 2s. next 21 years. 2s. per acre. 2s. first 21 years, 3s. next 21 years. Rangitoto-Tubua No. 3a, Section 2 328 2 17 Harrison, C. Te Kumi No. 10 Rangitoto-Tuhua No. 3a, Section 1 50 0 0 34Q 2 17 Bailey, I. J. Harrison, C. Karuotewhenua B No. 2b No. 3 .. Kinohaku East 4d, Section 4 Ohura South K No. 2, Seotion 2c 3a 796 3 0 134 2 19 145 1 15 Watson, W. H. Hunt, A. I.. Ryan, C. J.

G.—ll

4

Particulars of Areas leased in the King-country, etc.— continued.

Name: of Block. Area. Area. Name of Lessee. Kontal. A. It. P. Ohura South K No. 4, Section 2b 1 300 0 0 Kaingapipi No. 5 .. .. 281 0 0 McDonald, F. J. Cook and Rawstron .. 2s. first 21 years, 3s. next 21 years. Iβ. first 10 years, Is. 6d. next 11 years, 2s. 6d. next 21 years. Is. Gd. first 21 years, 2s. next 10 years, 2s. Cd. next 11 years. Is. first 10 years, Is. 6d. next 11 years, 2s. next 10 years, 2s. 6d. next 11 years. Is. first 21 years, Is. 6d. next 10 years, 2s. next 11 years. Is. first 7 years, Is. 6d. next 7 years, 2s. next 7 years. 2s. first 10 years, 3s. next 11 years, with right of renewal at 5 per cent, on unimproved value next 21 years. Iβ. 3d.first21years,2s.6d. next 21 years. 2s. first 7 years, 3s. next 7 years, 4s. next 7 years, with right of renewal at 5 per cent, on unimproved value next 21 No. 7 .. .. - 111 2 36 No. 10 .. .. 228 3 4 a • ■ Umukaimata No. 3b .. .. 2,000 0 0 Aorangi No. 3 .. .. .. 800 0 0 Holloway, W. H , I., and J. it. Dβ Renzy, Anthony, and Elliott Fetch, R. and J. Kinohaku East No. 2, Section 16c ; 178 1 2 Rangitoto-Tuhua No. 3b .. 1,471 2 13 To Kuiti 2b No. 2 .. .. 378 0 0 Moseman, Ed. Loregan, W. Ohura South C No. 2, Section 2.. 525 0 0 Ellis and Burnand .. years. £19 11s. first 21 years, £26 5a. next 21 years. £73 15s. first 10 years, £110 12s. 6d. next 11 years. 5s. per acre per annum. Is. 6'd. first 21 years, 3s. next 21 years. Mangaoira .. .. .. 2,950 0 0 Savage, Henry To Kuiti No. 2b No. lc .. 7 0 0 Mahoenui No. Iβ, Section 2a .. 310 0 0 8a .. 28 0 39 Pirongia West No. 3b, Section 2f ' 272 0 0 Pepene Eketone Roberts, Charles Stokes, George Is. 6d., with right of renewal for further period at 5 per cent, on unimproved value. Is. first 10 years, Is. 6d. next 15 years, 5 per cent, on unimproved value next 25 years. lid. first 11 years, Is. 2d. next 14 years. 3s. firet 15 years, 4s. next 6 years. 9li per acre. Rangitoto-Tuhua No. 3e .. 180 0 0 Pullerton Smith, R. C. Pirongia West No. Iα .. .. 352 0 0 Kinohaku WestNo. 11d, Section 3a 56 0 0 Puketotara No. 3b, Seotion 2 .. 88 0 0 Kinohaku West T, Seotion 2a .. 133 2 0 Wharcraurekau .. .. 167 3 3 Piokering, F. A. Derecouri, H. Ogle Bros. Vioary, W. Young, R. .. Kinohaku Weet F, Section Iβ 2a 57 0 14 Section Iβ 2b 985 0 0 West Section Iβ 1 .. 320 3 4 Otorohanga C .. .. .. 100 0 0 If No. 4b .. .. 14 3 37 McRae, J. .. Ormsby, J. .. Is. Gd. first seven years, 2s. next 14 years. 3s. first 10 years, 4s. next 15 years, 5 per cent, on unimproved value remaining 25 years. 9d. first 10 years, Iβ. 3d. next 15 years, 5 per cent, on unimproved value remaining 25 years. Is. 3d. first 10 years, Is. 6d. next 15 years, 5 per cent, on unimproved value remaining 25 years. 2s. first 10 years, 2s. 6d. next 11 years. 2s. first 10 years, 5 per cent, on unimproved value next 11 years. Ditto. Is. (id. first 6 years, 2s. next 15 years. 2s. Od. first 7 years, 3s. next 7 years, 4s. next 7 years. £20 per annum. £10 per annum first 21 years, £20 next 21 years. 4s. first 10 years, 5s. next 11 years. If No. 4c .. .. 38 3 32 If No. 5a .. . . 47 1 30 Pukeroa Hangatiki No. 3b .. 79 0 0 Clarke, W. H. Osmond, H. J. Kinohaku West P No. 2, Seotion 1 10 0 0 Kinohaku East No. 5b, Section 3 10 0 0 Willison, J... Hattaway, V. S. Awarua No. 3d 3 No. 12 .. 533 0 0 Kinohaku West E, Section lc .. 20 0 0 Motuka'wa 2b 16n No. 2 .. 130 2 0 Ouruwhero No. 1 .. .. 832 0 0 Pango Pukutohe Otway, L. H. Chase, J. .. Walsh, J. W. 3s. first 10 years, 4s. next 11 yeare. Iβ. 6d. first 25 years, 5 per cent, on unimproved value next; 25 years. Kakepuku lie 2e 2f .. ) 10b 2 .. 829 0 0 Ouruwhero 30 3 and 3o 4 and 3n ) No. 3e .. .. 414 0 0 Nos. 3y 1 and 3v 2 1,150 0 0 and 3x Kakepuku Nos. 9b 5 and 9b 6 and 330 0 0 9b 8 Awarua No. 3d 3, Section 4 .. 92 0 0 Pokuru No. 2b 1 ... .. 175 0 17 Moon, M. .. Ditto. Chase, Henry Calder, P. .. £35 per annum. £13 2s. 6d. first 5 years, £17 10s. next 5 years, £26 5s. next 11 years, with right of renewal at 5 per cent, on unimproved value. Is. first 7 years, 2s. 6d. next 7 years, 3s. 6d. next 7 years. £8 per annum. Iβ. first 7 years, 2s. next 7 years, 3s. next 6 yeare. Not less than 5 per cent, on Government value. 3s. first 21 years, 5s. next 21 years. Is. 6d. first 21 years, 2s. 6d. next 21 years. 3e. first 21 years, 4s. next 21 years. £7 first 10 years, £9 6s. next 11 years, £13 19s. next 21 years. Kerr, P. J. .. Pukenui 2u 2 .. .. .. 180 0 0 Rangitoto-Tuhua No. 77e 5 .. 10 0 Kinohaku East No. 2, Section 28b 226 1 0 No. 16b Te Kuiti 2b 6 .. .. .. 88 2 0 Bennett, W. Sommerville, W. G. .. Ormeby, Jer. 2b 13.. .. .. 87 0 0 Rangitoto-Tuhua No. 61a .. 1,000 0 0 Tapuiwahine No. lc .. .. 876 0 0 Kaingapipi No. 4 .. .. 93 0 20 Gibson, F. R. Gailey, H. .. Vercoe and Kerr Carpenter, R. B.

G.—ll

5

Particulars of Areas leased in the King-country, etc.— continued.

Name of Block. Area. Name 01 MM <enta] LI. Puketarata No. 4o 2a .. Mangawhero No. 3d A. K. P. 317 1 30 5G 0 0 Young, J. and 11. Garriock, J. Is. 9d. first 21 years, 2s. uext 21 years. 2s. first 7 years, 2s. 6d. next 7 years, 3s. next 7 years. Is. first 7 years, 2s. next 7 years, 3s. next 7 years. 6s. first 10 years, 10e. next 11 years. Is. per acre. £15 per annum. £2 per annum. £0 Gs. per annum. Is. 3d. first 25 years, 5 per cent, on unimproved value next 25 years. 2s. first 10 years, 3s. next 11 years. Is. first 10 years, 2s. next 11 years, 2s. 6d. next 21 years. Iβ. first 21 years, Is. 9d. next 21 years. 2s. first 21 years, 4s. next 21 years. 2s. first 14 years, 3s. next 7 years, 4s. 6d. next 21 years. £4G Us. 8d. first 25 years, 5 per cent, on unimproved value next 25 yoars. Nil first year, Is. 6d. next 8 years, 2s. 6d. next 8 years, 3s. Gd. next 8 years, 10s. next 25 years. 10s. per acre. 2s. 2d. per acre. 3», lirst 10 years, 3s. next 11 years. £2 per annum. Hauturu East Iα 5b 166 3 18 Davis, J. C... Orahiri No. 1, Section 15 No. 2i), Section 1 No. 1, Section 16 No. 1, Section 17 Pirongia West 3b 2d 1, Section 2e 4 0 0 104 0 0 0 0 38 6 0 0 63 0 0 579 3 22 James, L. .. Budden, B. .. Taylor, G. M. Mackenzie, G. H. Tc Kumi No. 8 Karuotcwhenuii 2b 2 108 0 0 114 2 17 Whitinui, Hohepa .. Cantley, C. P. B 5c 4 .. Kinohaku West T, Section 2c .. 2e .. 672 2 37 133 2 0 130 0 0 Kendall and Sundrick Willison, J... Rangitoto-Tuhua No. 3c 929 2 19 Fullerton Smith, C. L. Kakepuku No. 12 294 0 0 Walsh, J. W. Pukonui No. 2u No. 7 .. Maraetaua No. 'Jα Kinohaku East 4b 3 Awarua 2c No. 13m 2c No. 13o 2c No. 3d 3, Section Me 2c No. 3d 3, Section 6 .. liangitoto-Tuhua No. 52c Kinohaku West P No. 2 11 0 0 400 0 0 867 0 12 2 0 0 2 0 0 37 0 30 91 2 0 481 0 0 30 0 0 Kawstron, A. J. Standish, W. Hattaway, V. S. Batley, G. W. H ■ • Reid, G. E... '.'. Guilford, H. Marakopa Milling Company Addis, D. .. £9 Gs. per annum. 6s. per acre. 2s. first 21 years, 4s. next 21 years. £30 per annum. Awarua 3d 3, Section 10 11 Pukehinu 2d No. 7 91 2 0 45 3 0 23 2 0 5s. per acre. De Renzy, Anthony, and Elliott Elliott and Johnson .. Hardy, E. H. £11 5s. per annum. Karuotewhenua B 5c 2.. Pukenui 2k No. 2 1,500 0 0 181 3 16 Iβ. first 10 years, Is. Gd. next 11 years. Is. 6d. first 21 years, 2s. 6d. next 21 Te Kuiti 2b, Section 20.. 447 0 0 years. Is. first 11 years, Is. 6d. next 10 yoars, 2s. 3d. next 21 years. 4s. first 21 years, 6s. next 21 years. Pukenui 2d No. 4 Te Kuiti 2b, Section 12 Puketarata 4k No. 3 54 0 0 101 2 0 69 2 28 Ormsby, Jer. Mangawhero No. 2c No. 3c Pirongia West No. 1, Section 2f 2 Orahira No. 1, Section 22 Kinohaku West G Iβ .. H, Section 2b 2a Orahira No. 1, Section 32 244 0 0 77 0 0 951 0 20 9 1 32 318 0 0 5 0 0 50 0 0 Matthews, R. G. Symes, A. and B. Garriock, James Maokenzie, F. W. Young, Robert King, M. St. G. Ormsby, John n it 2e. first 7 years, 2s. 6d. noxt 7 years, 3s. next 7 years, 5 per cent, on unimproved value remaining 21 years. Is. 3d. first 10 years, Is. 9d. next 11 years, 5 per oent. on unimproved value remaining 21 years. 2s. first 10 years, 2s. 6d. next 11 years, 5 per cent, on unimproved value remaining 21 years. £47 11s. 2d. per annum. Is. 6d. first 7 years, 2s. next 14 years. Is. 3d. first 10 years, Is. 6d. next 15 years, 5 per cent, on unimproved value next 25 years. £3 per annum. 2s. first 10 years, 2s. 6d. next 11 years, 5 per oent. on unimproved value next 21 years. Ditto. 2b. first 10 years, 3s. next 11 years. £11 first 10 years, £16 10s. next 15 years, 5 per cent, on unimproved value next 25 years. £37 10s. per annum. £108 12s. per annum. £84 9s. per annum. £71 2s. per annum. 5s. per acre. £133 15s. per annum. Is. 6d. per acre. ,,30 Kinohaku West llu, Section 2 .. Rangitoto-Tuhua No. 5.. 9 0 0 235 3 7 220 0 0 Jenkins, C. C. Fullerton-Smith.R. T. Oruamatua-Kaimanawa No. In .. No. 1l .. No. 1g .. Awarua 2c No. 6 3d 3, Section 14a Motukawa 2a No. G Pirongia Wost 3b No. 2e 2d 250 0 0 433 0 0 563 0 0 474 0 0 85 3 20 1,300 0 0 100 0 0 Birch, M. C. 0. Batley, E. .. Batley, G. W. Mountfort, Morris, and Maoalistcr Lusk, R. B. Kinobaku East No. 2a 2c Kinohaku West G, Section lc 2 .. Rangitoto-Tuhua No. 79q 850 0 0 500 0 0 1,045 1 19 Atkinson, C.J. Hardy, E. H. Is. 3d. first 7 years, 2s. next 7 years, 3s 3d. next 7 years. 9d. first 10 years, Is. noxt 11 years, 3s. next 21 years. Is. first 10 years, Is. Id. next 11 years, 2s. next 21 years. 6d. first 11 years, 9d. next 10 years, Is. next 21 years. Iβ. first 11 years, Is. 6d. next 10 years, 2s. 3d. next 21 years. No. 68g 3,000 0 0 Lorigan, W. To Kuiti No. 2b 21 109 0 0 Hardy, E. H.

G.—ll

6

Particulars of Areas leased in the King-country, etc.— continued.

Name of Block. Area. Name of Lessee. Rental. Kinobaku East No. 2, Section 28b 2, 6, and 2G Kinohaku East No. 3, Section 28b 1 Pukenui 2d 3 .. a. it. r. 410 0 0 Lusk, N. W. B. Is. 3d. first 7 years, 2s. next 7 years, 2e. 3d. next 7 years. Ditto. 100 0 0 3 0 0 3 0 0 Smith, J. .. Edgar, R. .. £1 per acre. £1 per acre first 25 years, £2 next 25 years. £13 5s. per annum. £250 10s. per annum. £8 per annum. Nil first 4 years, Is. next 7 years, Is. 6d next 7 years, 2s. next 7 years. 6d. per acre first 21 years, Is. rext 21 years, (id. first 7 years, Is. next 7 years, Is. 6d. next 7 years, 5 per cent, on unimproved valuo next 25 years. £100 first 11 years, £150 next 10 years, right of renewal at 5 per cent. Ditto. Is. first 7 years, Is. Od. next 7 years, 2s. next 7 years, 5s. next 21 years. £9 4s. first 11 years, £13 16s. noxt 10 years, 5 per cent, next 21 years. £3 10s. first 21 yeare, 5 par cent, on unimproved value next 21 years. 3s., with right of renewal for 26 years at 5 per cent, on unimproved value. Cd. first 21 years, Is. next 21 years. £4 10s. first 21 years, 5 per cent, on unimproved value next 21 yearn. £4 first 21 years, 5 per cent, on unimproved value next 21 years. Is. 6d. first 21 years, 3s. next 21 years. 2s. 6d., with right of renewal at 5 per cent, on unimproved value, •id. first 21 years, Is. next 21 years. Is. 6d. first 7 years, Is. 9d. next 7 years, 2s. 3d. next 7 years, right of renewal at 5 per cent, unimproved value next 21 years. £25, with right of renewal for 7 years at £35 per annum Iβ. 6d. first 7 years, Is. 9d. next 7 years, 2s. 3d. next 7 years, right of renewal at 5 per cent, on unimproved value next 21 years. 2s. Gd. first 10 years, 3s. lid. next 11 years, right of renewal at 5 per cent, next 21 years. Is. Gd. per acre. Is. first 7 years, 2s. next 7 years, 3s. next 7 years, 5 per cent, on unimproved value next 21 years. Is. first 7 years, 2s. next 7 yeats, 3s. next 7 years, 5 per cent, on unimproved value next 21 years. Iβ. first 7 years, 2s. next 7 years, 3s. next 7 years. Is. 6d. first 7 years, 2s. next 7 years, 3s. next 7 years, 3s. 6d next 10 years. Is. (id. first 10 years, 2e. next 11 years, 5 per cent, on unimproved value next ■21 years. Is. 3d. first 10 years, Is. 9d. next 11 years, 5 per cent, on unimproved value next 21 years. Iβ. first 10 years, Is. 3d. next 11 years, 2s. 6d. next 21 years. Is. 3d. first 10 years, Is. 6d, next 15 years, 5 per cent, on unimproved value next 25 years. £10 per annum. Kinohaku Ea*t No. 2, Section 16a Motukawa 2b 17 2b 11 WharepuhUDga No. 12a 88 0 0 1,670 0 0 80 1 0 750 0 0 Pine, A. L. .. Shepherd, H. S Gardner, H. K. Gibson, F. R. Kangitoto-Tuhua No. 68i, Section 2 3,998 0 0 Harrison, J. P. anJ C. No. 77u 1,003 0 0 McCardale, A. D. .. No. 35g (part).. 2,000 0 0 McCardale, V. A. No. 35o „ .. Motukawa No. Iβ 2,000 0 0 367 0 0 McCardale* James .. Craig John Ohura South K No. 1, Section 2c 3 (part) Pukenui No. 2d 7is 181 V 0 5 0 0 Craig, R. .. Hardy, E. H. Kinoliaku West ElFl .. 60 0 0 , Otway, L. H. Rangitoto-Tuhua 7'Jf .. Pukenui 2d 7b (part) .. 1,038 0 12 3 3 20 Nicol, L. D. Mordauut and Bailey 12 0 Lorigan, W. Rangitoto-Tuhua 68k Kinohaku East No. Iβ 4 No. 5 8,915 0 0 532 0 0 Sloman, A. E. Sloman, C. J. Rangitoto-Tuhua 77b Rangitoto A No. 1 (part) 4,455 0 0 1,200 0 0 Nicol, J. S... McLaucblan, A. D. .. Kinohaku West No. Iα 1 25 0 0 1,800 0 0 Marakopa Milling Company Farmar, F. B. Rangitoto A No. 1 (part) Marakopa No. 5 (part) 270 0 0 Marakopa Milling Company Kinohaku West Iα 1 .. Rangitoto-Tuhua 3De 137 0 0 2,000 0 0 Ditto Dorset, 0. M. 1,837 0 0 McCardale, A. M. Hauturu East No. Iβ 3 108 3 29 Wratten, G. Pukenui 2u 3 .. 130 0 0 Kerr, P. J. .. Otorolianga N 2 214 0 0 Ormeby, John Mangawhero 2b 73 0 0 Symes, A. and R. Kinohaku West H 2b 2c 716 0 0 King, M. St. George.. ElE .. 741 0 0 K 2b .. 100 0 0 Marakopa Milling Company Rutherford, R. Pukenui 2d 7b 2 3 0 £4 10s. first 21 years, 5 per cent, on unimproved value next 21 years. Ditto. 1 0 24 1 3 0 1 3 20 3 2 0 1 1 12 116 1 0 36 12 0 2 1 16 1 0 22 1,825 0 0 Stevens, C. .. Boddie, J, .. Boddie, James Archer, A. J. Boles, J. J. C. McAnuety, James Mackecknie, A. Hodgetts, M. D. Mordaunt and Bailey Haokett, James Rodney and Collins .. Rangitoto-Tuhua No. 68c Is. Gd. first 10 years, 2s. next 11 years, 4s. next 21 years. 3s. per acre. Kakepuka No. 3a 1 105 0 0 ; Pearman, A. C.

G.—ll

7

Particulars of Areas leased in the King-country, etc.— continued.

Ntme of Block. loci irea. liuno oi ■euee. lonl Kinohaku West Kl A. R. P. 393 2 0 Chestnut, J. W. Iβ. firet 7 years, 2s next 7 years, 3r. next 7 years, 4s. next 21 years. Is. per acre. ! 5 per cent, on Government valuation, but not less than 5s. £8 first 7 years, £12 lGs. next 7 years. £G per annum. 5s. per acre. £4 10s. first 21 years, 5 per cent, on unimproved value next 21 years. 2s. first 21 years, right of renewal at 5 per cent, next 21 years. Is. 6d. first 10 years, 2s. next 11 years, 5 per cent, next 21 years. Iβ. Gd. first 21 years, 5 per cent, on unimproved value next 21 years. 2s. first 10 years, 2s. Gd. next 11 years, 5 per cent, next 21 years. Ditto. Korakonui Rangipo-Waiu B G 393 2 0 512 0 0 Kay, J. R. .. Cornford and Burridge Pokuru No. 2c Mangawhero Awarua 3d 3 No. 7 Pukenui 2n 7b. . G4 0 0 30 0 0 91 0 35 12 0 Short, W. H. Wright, Arthur Woods, R. .. Baucke, W... Otorohanga No. 1 2(1 0 0 Cumpston, J. Kinohaku West 12c Iα 2 112 1 34 Wright, S. .. Ohura South P 2a 77 1 16 Armstrong, J. H. Otorohanga B 2, Section 3 31 1 2 Ormsby, D... 3n llangitoto A No. 15c Pokuru 2n, Seotion 2 .. 48 2 38 80 0 0 128 1 2 ♦ * * * * * Thomas, A... £9"l2s. first 7 years, £12 IGu. next 7 years, £1G next 7 yoars. Is. Gd. first 10 years, 2s. Gd. next 11 years. 2s. first 15 years, 2s. Gd. next 10 years, 3s. 6d. next 10 years, 4s. Gd. next 10 years. Is. first 21 years, 3s. next 21 years. Is. first 11 years, Iβ. Gd. next 10 years, 2s. next 11 years, 2s. 6d. next 10 years. Ditto. 2s. first 10 years, 4s. next 11 years. 4s. first 10 years, 5s. next 32 years. Is. first 12 years, Is. Gd. next 13 years, 5 per cent, next 25 years. 4s. first 10 years, 5s. next 32 years. £4 10s. first 21 years, 5 per cent, next • 21 years. Ditto. 2s. 3d. first 7 years, 3s. 3d. next 7 years, 4s. 3d. next 7 years. £60 Iβ. Gd. first 21 yoars, £120 3s. next 21 yoars. Is. first 11 years, Is. Gd. next 11 years, 2e. next 20 years. 2s Gd. per acre. Is. Gd. first 10 years, Is. Gd. next 11 years, 2s. Gd. next 21 years. 2s. first 21 years, 3s. Gd. next 21 years. Katatomokia Iα 2 Kinohaku East 2, Section 21b .. * 18R 3 14 943 3 20 Hunt, T. D. Whale, H. T. Aorangi B 3d 2 Pukeuha C 1,000 0 0 845 3 4 Cashel and Farmer .. • B .. Karuotewbenua B 5c 5 .. Kinohaku East No. Iβ 4b 5 Otiruwhero 3e 2 962 0 0 500 0 0 473 2 0 85 0 0 Ongley and McIIugh.. Boddie, J. N. Walsh, J. W. Kinohaku East Iβ 4b 4.. Pukenui 2d 7b.. 118 0 0 1 2 35 Boddie, J. N. # • • Rangitoto-Tuhua 70 1 2 30 1,000 0 0 MoCardale, A. M. Umukaimata 5b 2 961 1 17 Buokman and Cobb .. Rangitoto-Tuhua 77b .. 500 0 0 Bacon, L. .. Maraetaua 9c .. Rangitoto Tuhua 68b .. 540 0 0 1,068 0 0 Thomas, Honry Thompson, G. H. Mahoenui No. 2, Section 2 3b 14 Rangitoto Tuhua 68a .. 360 0 0 283 0 0 1,250 0 0 Hutchinson, L. Petrie, G. .. Burns, R. .. £93 15s. first 21 years, £15G 5s. next 21 years. Ditto. Is. first 7 years, Is. 3d. next 7 years, Is. 9d. next 7 years. £4 10s. first 21 years, 5 per cent, next 21 years. Ditto. liangitoto A 52 1,250 0 0 1,708 0 0 Stewart, R. H. McLauchlan, A. D. Pukenui 2d 7b. . 1 0 25 Brennan, T. 1 0 31 1 0 36 1 0 25 80 0 0 Phillips, C.-H. Kinohaku East 2, Seotion 17a .. Davidson and Boddie Is. 6d. first 7 years, 2s. next 7 years, 3s. next 28 years. 10s. per acre. Is. first 21 years, 2s. next 21 years. Iβ. 6d., 2e., 3s. for each 7 years. £13 Is. first 10 years, £26 2s. next 10 years, £39 3s. next 22 years. £64 19s. first 10 years, £97 8s. 6d. next 11 years, £162 7s. 6d. next 29 years. 2s. first 5 years, 3s. next 16 years, 4s. next 21 years. Is. 3d. first 21 years, 2s. Gd. next 21 years. 2s. yd. per aore. Gd. first 5 years, Is. next 5 years, Is. Gd. next 5 years, 2s. next 5 years, 2s. Gd. next 5 years, 3s. next 5 years, 3s. Gd. next 5 years, 4s. next 7 years. Is. first 21 years, 3s. next 21 years. Iβ. per aore. 2s. first 5 years, 3s. next 15 years, 4e. next 30 years. 2s. first 21 years, 3s. next 21 years. 2s. 6d. first 7 years, 3s. next 7 years, 4s. next 7 years, Gβ. next 21 years. Iβ. 6d. first 21 years, 5 per cent next 21 years. Is. first 10 years, Is. Gd. next 11 years, 5 per oent. next 21 years. Te Kuiti 2d 4b.. Rangitoto-Tuhua 52b Kinohaku East 4c 2 Rangitoto-Tuhua 68p .. 5 0 16 1,828 2 0 111 3 10 517 1 16 Ormsby, Jer. Wilson, D. Kilmarton, W. Gray, J. 52e .. 1,299 0 30 Napier, W. J. Pukenui 2k 104 0 0 Caahel, R. .. /.. Mokau-Mohakatino No. IE 2 Kakepuku No. 2 Wliartpuhunga 12a 2 .. 1,496 3 25 270 0 0 2,037 2 7 Buckman, H. M. Alexander, CM. MoCardale, K. J. B. .. No. 5 .. No. 9 .. Hauturu East Iβ 5c 2 .. 606 0 0 GOO 0 0 3,694 0 0 Kay, T. L. .. Kay, A. O. .. Davis, J. 0. Iα 5b Orahin No. 1, Section 25 166 3 18 29 3 27 Symea, A. and R. A. .. No. 2, „ 7b 50 0 0 Te Arai Mokena No. 2, . 8b 232 2 13

G—ll

8

Particulars of Areas leased in the King-country, etc.— continued.

Name of Block. Area. Name of Lessee. Rental. Kaingapipi No. C A. R. P. 376 0 0 Rawstron, A. J. Is. Cd. first 21 years, 2s. next 10 years, 2s. 6d. noxt 11 years. Is. first 21 years, 2s. Cd. next 21 years. £7 first 21 yearn, 5 per cent, remaining 21 years. Is. 3d. first 7 years, Is. 6d. next 7 years, 2s. next 7 years. £4 10s. first 21 years, 5 per cent, next 21 years. 2s. Gd. first 21 years, 3s. 6d. next 21 years. £25 per annum. 2s. Gd. first 25 years, 5s. next 25 years. Is. Gd. first 10 years, 2s. next 11 years, 5 per cent, next 21 years. 2s. per acre. £42 14s. first 7 years, £85 8s. next 7 years, £113 17s. 4d. next 7 years, 5 per cent, next 21 years. Is. 6d. first 10 years, 3s. next 11 years. Is. first 10 years, Is. Gd. next 11 years. 7s. Gd. per aore. £40 per annum. Is. Gd. first 10 years, 2s. next 11 years, balance up to Ba. £4 10s. first 21 years, 5 per cent, next 21 Rangitoto-Tuliua No. 70 Pukenui 2d 7b 2,450 0 0 3 0 9 Bennett, J. .. Cotter, R. J. Rangitoto A 2a 1,100 0 0 Parmar and McLauch1*0 Hardy, M. H. Pukenui 2d 7b 1 0 20 Tokanui C G .. Ohura South G 4e 1 Puketarata 2d 5b Orahiri No. 7c 281 0 25 5 0 0 95 0 0 186 0 37 Gane, L. W. Roper and Winger .. Scott, D. O. B. Ormeby, John Puketarata No. 4e 2 Rangitoto A No. 47 148 1 12 1,138 3 8 Matthews, R. G. Ward, F. L. Karuotewbenua B 1 Aorangi B 3a .. Awarua 3d 3, Section 2 Motukawa 2b 1, 5b 1 Ohura South C 2, Section :ii 302 1 0 575 0 0 43 0 25 25G 0 0 937 *0 0 Petrie, Geprge Houghton, T. Foley, Julia Gardner, H. E. Puketapu Sawmilling Company Phillips, C. H. Pukonui 2u 7b 1 0 20 Kakepuku lie 2b Rangitoto-Tuhua 2Cf 2 1 0 26 303 0 3 700 0 0 Thomas, A. McCardale, V. A. years. Ditto. £15 3s. per annum. Is. Gd. first 10 years, 2s. next 11 years, 4s. next 21 years. Ditto. 4s. per acre. 69 .. Kinohaku East 2, Section 28b 1 (put) Kangitoto-Tuhua 79j 677 1 33 20 0 0 McCardale, A. D. .. Lusk, N. W. B. 454 2 0 Hardy, E. H. £22 14s. Gd. first 21 years, £15 9s. next 21 years. Gs. first 21 years, 5 per cent, on unimproved value next 21 years. 10s. first 21 years, 5 per cent, next 21 years. 15s. first 21 years, 5 per cent, next 21 years. 10s. first 21 years, 5 per cent, next 21 years. Is. first 10 years, Is. Gd. next 11 years, 2s. Gd. next 21 years. Ditto. 5 per cent, on Government value. £4 per acre per annum. £1 10s. per annum. Iβ. Gd. first 10 years, 2s. next 11 years, 4s. next 21 years. £117 17s. first 21 years, £157 10s. next 21 years. 6d., Is., Is. 6d., 2s., 2s. Gd., 3s., and 3s. Gd. each term of 5 years, and 4s. remaining 7 years. Is. first 10 years, Is. Gd. next 10 years, 2s. Gd. next 10 years. 9d. first 10 years, Is. 6d. next 10 years, 2s. next 10 years. Is. first 11 years, 2s. next 10 years, 3s. next 10 yeejs, 3s. Gd. next 11 years. Is. first 14 years, 2s. next 14 years, 2s. Gd. next 14 years. Is. 6d. first 11 years, 2s. next 10 years, 3s. Gd. next 21 years. 4s. per aore. Is. 6d. per acre first 7 years, 2s. next 7 years, 2s. Gd. next 7 years, 5 per cent. next 21 years. Ditto. Iβ. first 10 years, Is. Gd. next 15 years, 3s. next 25 years. Is. first 10 years, 2s. next 11 years, 3s. next 21 years. Iβ. Gd. first 10 yeare, 2s. Gd. next 11 years, 5 per cent, next 21 years. 2s. Gd. firet 11 yeare, 4s. next 10 yeare, 6s. next 21 years. £6 108. per annum. £4 per annum. £4 first 5 years, £5 next 5 years, £6 next 5 years, £7 next 6 years. £5 first 21 years, 5 per cent, next 21 years. 2s. Gd. per acre. Tβ Kumi No. 7c 25 0 0 Steel and Lusk No. 8 40 0 0 No. 9 20 0 0 Ohura South G No. 4b .. 37 3 0 Armstrong, J. H. Rangitoto-Tuhua 68p 2,500 0 0 Grogan, John Ohura South M 3d 2 Tβ Kuiti 2b 134 Rangitoto-Tuhua 77o .. 2Gp 2 4,600 0 0 113 0 30 2 0 20 7 0 0 1,200 0 0 McVilley, Thomas .. Fisher and Pendray .. Wright, A. E. McGrath, James Shannon, A. B. Takotokoraha No. 1 1,000 0 0 Symes, W. .. Wharepuhunga 5d (part) 1,224 3 0 McCardale, K. J. B... 7b 776 0 0 Symes, R. A. 7a 339 0 0 14 600 0 0 Symes, A. .. 14a 500 0 0 Symes, R. A. Tokanui 0 21b 500 0 0 Symes, A. .. Uauturu East No. 2h .. Puketarata 4d 2 326 0 0 157 1 22 Board, Benjamin Ormsby, J. .. 4a 2c 4o 2d 2b 200 2 0 868 1 24 Ormsby, R... 11b 2 270 8 23 Ormsby, J. .. Kinohaku East East No. 5k 156 0 0 Hattaway, V. S. Tahaia B (part) 200 0 0 Young, Robert Pukenui 2d 3h Te Kuiti 2b Iα 5 Pukenui 2d 3a 1 1 0 2 0 0 3 3 0 Sanderson, J. Ardnew, J. J. Wright, A. E. 2d 7b 2 0 0 Mabbett, H. W. Mangarapa 2b .. 17 0 0 Hambrook, F.

G.—ll.

Particulars of Areas leased in the King-country, etc.— continued.

2—G. 11.

9

Name of Hlock. Area. Name of Lessee. Rental. I Taumatatotara No. If and la Kinohaku East 2, Section 5b Bangitoto-Tuhua 35c I'uketarata No. 12 Obura South K1 A. n. r. 560 0 0 370 0 0 1,198 0 0 247 2 29 197 2 0 Carey and Dent . 2s. 6d. first 25 years, 5s. next 25 years. Annand, J. .. .. 2s. 6d. first 25 years, 3-t. next 25 years. Nixon, J. Is. (id. first 10 years, 3s. next 11 years. Kidd, Georgo, 680 per annum. O'Roilly, J. E. Is. 6d. first 31 years, 2s. 6d. next 21 years. Meredith, B. I). t] per acre. Lover, J. I'. 3s. „ Lilbnrn, 3. .. .. £8 2s. first '.) years, £12 3s. next 10 years, 5 per cent, next 21 years. Thorp, W. .. 2s. first 10 years, 3s. next 11 years. Craig, J. .. ..Is. 3d. first 10 years, Is. 'Jd. next 11 years, 5 per cent, next 21 years. Craig, K. .. .. £8 10s. first 21 years, 5 per cent, next 21 years. Craig, J. R. Is. Gd. first 11 years, 2s. next 10 years, 5 per cent, next 21 years. Walsh, J. .. Is. first 5 years, Is. 6d. next 16 years, 5 per cent, next 21 years. Ineb,*J nines .. 2s. per acre. Walsh, J. .. ..Is. first 5 years, Is. 6d. next 16 years, 8 per cent, next 21 years. West Coast Milling Is. 6d. first 14 years, 3s. next 36 years. Company Hood, A. VV. .. Is. first 11 years, 2s. next 7 years, 5 per cent, noxt 21 years. Willis, J. ., .. Is. 6d., 2s., 2s. 6d., 3s., 3s. 6d., 4s. each 7 years ; 5s. next 8 year*. Phillips, G. '.74 15s. first 21 years, £149 16s. next 21 years. Tanner, Henry .. £6 10s. per annum. £5 per annum. 2s. first 3 years, 3s. next 4 years, 4s. next 7 years, 5 next 7 years. Armstrong, J. H. .. £5 per annum. Mitchell, C. J. .. £5 Lynn,H. .. .. [ £10 Bowater, T. .. £8 Otway, (1. S. £5 first 21 years, 5 per cent, next 21 years. Kdgar, A. M. Q. .. £1 10s. per acre. Dodd, F. M. .. 3s. first 15 years, 4s. noxt 15 years. G 4c Pukenui 2d 7n Obura South K 1, Section J K 0 10 157 0 0 162 1 28 Bangitoto-Tuhua 29a, 31c, and 6 Bangipo-Waiu B 1 814 1 36 661 2 89 Olmra South K 1, Seotion 2c 1 .. 74 1 12 K3, „ 1 43 2 0 M 3a 1 122 2 19 M 3b M 3c 864 3 88 831 0 12 Kinohaku West E lv 1 .. 450 0 0 Bangitoto-Tuhua 31a .. 115 3 25 Otorohanga Irl 98 3 0 Bangitoto-Tuhua 58 1. 196 0 0 Pokuru 3k 3r. 3g 17 0 0 19 0 0 88 0 0 Oliura South (i In 0 2 28 0 0 86 0 1 33 6 0 0 1 2 0 1 0 0 60 0 0 87 0 0 237 0 0 5 0 0 2 0 0 Pukenui 2d 7n 2d 3 .. Kakepuku No. 5 No. 2c 2 No. 1 ii Pukenui 2i> 5.. Bangitoto-Tuhua 77h 3s. 6d. first 15 years, 5s. next 15 years. Adams, E. .. .. £2 per acre. Taumarunui Timber CI 1 per annum. Company Gordon, Thomas .. 2s. first 21 years, 4s. next 21 years. Cieaver, H. W. .. 2s. first 10 years, 4s. next 11 years. Mahoenui 3b 4 Maraetaua 2n \i 2b 1 Pirongia West 1, Seotion 2f IB .. 3b 2c 4 .. Ohura South M 3a 2b .. 283 0 0 51 3 29 103 3 18 0 10 7 10 386 2 30 Jonathan, G. G. .. £5 per annum. Stewart, C. J. .. £3 Walsh, J. .. ..Is. first 5 years, Is. 6d. next 16 \ears, 5 per cent, noxt 21 years. .. Ditto. Woods, A. .. .. Is. 6d. first 10 years, 2s. next 11 years. Walsh, J. .. .. Is. first 5 years, Is. Gd. next 16 years, 5 per cent, noxt 21 years. Tarrant, G... .. 2s. first 21 years, 4s. next 21 years. Kay, G. .. ..Is. 6d. first 10 years, 2s. next 11 years, 3s. next 21 years. Beardon, James, and Is. first 5 years, Is. Gd. next 5 years, 2s. others next 5 years, 2s. Gd. next 6 years. Jonsen, G. J., and £6 per acre. others Myenberg, V. W. £5 per annum. Myenberg, H. A. .. £5 Anderson, E. .. £5 Kavanagh, J. A. L. .. £6 O'Meagher, M. .. £12 Bone, S. .. .. £5 Kelly, W. S. .. £6 Knight, H. .. .. to Oliver, A. A. .. 86 Cross, G. .. .. 86 Bower, A. B. .. £5 Mooney. W. .. £6 .. 66 .. £6 .. £6 .. 16 .. 86 .. £6 .. £6 .. £5 . .. Is. first 10 years, Is. Gd. next 11 years 2s. Gd. next 21 years. M 3a 2c .. K4, Section 2b 3 .. ■M3 6,831 3 5 90 0 0 169 3 2 Kinohaku East 1b 4b 3.. Ouruwhero 3d .. 177 2 0 84 2 0 Umukaimata 1a 2b 300 0 0 Te Kuiti 2b Ii 9 0 0 Ohura South G 4i> 0 0 36 0 0 36 0 0 32 0 0 32 0 1 24 0 0 36 0 0 3G 0 0 36 0 0 36 0 0 3G 0 0 36 0 0 32 0 0 32 0 0 32 0 0 32 0 0 32 0 0 38 0' 0 32 0 0 32 0 0 36 1,259 1 0 Bangitoto-Tuhua 55b

G.—ll.

Particulars of Areas leased in the King-country, etc.— continued.

10

Name of Block. Area. Name of Lr KoDtal. Pukoaruhe Kinohaku West No. Iβ 2a Pokuru No. 3h Pukonui 2i> Bo Ohura South M 3d 5 .. Marokopa 2d Kmoliaku West E 1e .. E In i .. Mangauika B Iα 1 Tc Kuiti 3b 1l Pokuru 2e To Kuiti 2b Iμ 2b in Kangitoto A 87b Telakau To Kuiti Sβ Iγ A. K. l>. HO 0 0 Waaka, Puna and Tuh 103 0 0 Dunning, N. R. i) 0 Tanner, Hy. 2 0 0 Cotter, R. J. and P. .. 56 3 14 Monfries, .1.1. 139 i> II MeOath, Ed. 741 0 0 Otway, J. D. I'M 0 0 50 0 0 Tuaru Karowa and another 1 (i 0 McCardle, A. l>. L00 LOO loo 38 0 0 Short, W. II 10 0 Broadfoot, W. J. :: (I 0 Howarth, A. P. 1.517 L 13 Jensen Bros. Kin. (I 0 Short, \V. II. 1 0 '.) May. S., and another 0 2 9 Preiser, M. .. 2e. first 21 years, 5s. next 2'J years. Is. first 15 years, Is. 6d. next 15 years, 2s. next 20 years. 2s. first 3 years, 3s. next 4 years, 4s. and 5s. each 7 years. Bβ per acre. Sβ. . 819 7s. per annum. 1h. 3d. first 10 years, Is. 6d. next 15 years, 2s. next 25 years. Lβ, lirst 21 years, 2s. next 29 years. 615 15s per annum. t2 per acre first 21 years, fc8 next 21 year'. Ditto. 66 first 5 years, t7 next 17 years. 62 lirst 25 years, fcH next 25 years. LI lirst 10 years, fc5 next forty years. Is. lirst 21 years, 4s. next 21 years. lirsc 10 years, t25 next 14 years. L'5 first 25 years, 5 per cent, next 25 years. £<i first 25 yeare, 5 per cent, next 25 H • • Kangitoto-Tuhua 61c 4 61c 3 Te Kuiti 2ii Iα 8 0 3 9 Bellamy, H. .. 0 2 'J Hattaway, P. M. 0 2 !• Hodfison, T. 0 2 J McDonald, A. K. 0 2 II M i tc hell, R., and another 678 1 10 Seccombe, F. H. 1,796 0 0 3 0 0 Hardy, E. H. years. £5 first 25 years, 5 por cent, next 25 years. Ditto. Is. 6d. first 21 years, 2s. 6d. next 21 years. £6 first 25 years, 5 per cent, next 25 2b lo Kans>itoto-Tuhuii 61l .. Ohura South G 4j, Section 1 G 4j 3 Kangitoto A 50 Rangitoto Tuhua 31e 2.. Otorohanga Q 2a Pukenui 2i> 7b Pukeroa-Hangatiki 2c 2 Tβ Kuiti 2b Iα 1 2 0 0 Thorp, W. .. 1,357 0 0 McCardale, A. D. 25 0 24 Maher, J. .. 38 0 21 1,000 0 0 McLuokie, I. L. 491 1 35 Wellis, J. .. .. I 40 0 0 Matthews, W. H. .. 2 1 12 • Hoffrichter, H. A. .. 170 0 0 0 2 0 Carter, E. W. E. 0 2 0 years. 124 first 25 years, 68 next 25 years. Is. first 10 years, 2*. next 11 years, 3s. next 21 years. 3s. first 10 years, 4s. next 11 years, 5 per cent, next 21 jears. Ditto. Is. first 10 years, 2s. next 11 years, 4s. next 21 years. 2s. first 21 years, 4s. next 21 years. 5s. first 10 years, 7s. 63. next 11 year?, 10s. next 21 years. £5 first 21 years, 5 per cent, next 21 years. ■Zβ. first 30 years, 5s. next 12 years. £5 first 21 years, 5 per cent, next 21 years. fc6 first 25 years, 5 per cent, next 25 Rangitotc-Tuhua 52n .. Ohura South M 3d 4 Te Kuiti" 2b Iα 1 2b 14b Te Knmi No. 5 Te Kuiti 2a Piha No. 1 Rnngitoto-Tuhua 71b .. Pukeroa-Hangatiki 4c 3b Rangipo-Waiu B 7a Hauturu East 1e 5c 2b 1 1e 5c 2b 3 Orahiri No. 2, Section 6b Otorohanga 4b 1 Te Kuiti 2b Iα 6 tt • • Ranfiitoto-Tuhua GHh .. Tc Kuiti 2b Uβ ■M-2 0 II Duolan.J. .. III. I) o Ellis and Burnand .. 0 2 0 Falwasser, E. C. 487 0 0 Bartley, C. .. 190 0 i> Boddie, James 86 0 0 Tompkins, J. W. 400 0 O Dunning, M. D. 680 0 o McCardale, A. M. .. 5 0 0 Dunning, M. D. is:i 1 2S Pearson, J. A. 39 1 24 Dunning, N. D. 117 3 0 752 1 0 Hargreaves, P. D. .. 595 0 0 0 2 0 Archer, A.J. 0 2 0 0 2 0 0 2-0 0 2 0 1,806 0 0 McCardle, F. E. 0 2 0 Archer, A. J. years. Is. 6d. first 11 years, 2s. next 10 years, 2s. 6d. next 21 yearp. 616 first 21 years, t20 next 21 years. 87 fir»t 25 years, 5 per cent, next 25 years. Is. 8d. first 11 years-, Iβ. 6d. next 10 years, 2s. next 21 years. 1 j. per acre. Is. first 5 years, 3*. next 15 years, 3s. next 15 years, 4s. next 15 years. Is. first 10 years, 2s. next 11 years, 3s. next 21 years. is. per acre. Is. (id. first 10 years, 5s. 6d. next 11 years. Ll. 6d. first 15 years, 2s. next 15 years, ii. next 15 yoars, 4s next 15 years. Ditto. Is (id. first 5 years, 2s. Gd. next 20 years, 5 per cent, next 25 years. Ditto. t2 per annum. ,. Is. first 10 years, Is. 6d. next 11 years, 2s. 6d. next 21 years. t2 per acre.

a.—n

Particulars of Areas leased in the King-country, etc.— continued.

11

Name of Block. Area. Nuuiv of Lessee. Rental. Te Kuiti 2b Iβ Piha No. 1 Hangitoto A 35b Pukenui 2d 3 .. Pehitawa 2, Section 4 .. Riuigitoto-Tuhua 77n .. A. It. P. II 400 0 0 284 1 0 0 2 0 ■ill 1 18 6 3 0 0 10 Erikson.J... .. Sj< < first 20 years, 5 per cent, next 25 yearn. WebRter, D. . . Is. first 5£ years, 3s. next 16J years, 4s. next 20 years. Madson, A. V. .. Is. 9d., 2». 9d., and 4s. each 7 years, 5s. next 21 years. Smith, Clara . t2 first 21 years, 5 per cent, next 21 years. Dunning, M. D. .. If. 6d., 2s., each 10 years ; 3s , 4s., each 16 years. McNamarn, M .. 9s. first 21 years, 18s. next 21 years. O'Brien, John . . 68 5s. first 21 years. 6 per cent, next 21 0 0 32 0 1 24 n 0 83 years. Mclndoe, James .. t5 15s. first 21 years, 5 per cent, next 21 years. Moir, A. MoK, . tl2 first 2 years, t2() noxt 19 years,5 per oent. next 21 years. Jordan, A. P>. .. fcn first 21 years, 5 per cent, next 21 Pehitawa 2b 3.. Kangitoto-Tuhua 61c 1.. Mahoenni 3b 3 Rangitotp-Tuhua 29c 2h Kinohaku West 11b 2b .. Otorohanga L 2 Kinohaku West 11d 3b .. Waiwhakaata 3e 8 Pirongia West 3b 2e 2d Ohura South M 3d 5 Rangitoto-Tuhua 52b .. Pukenui 2n .. Ohura South A 3 . .. R&ngitoto-Tuhua 61a .. 79h East Te Kumi 12 .. Mahoenui 3b 3 Rangitoto-Tuhua 68i .. Awarua 3a 2e 2 3a 2e 3 3a 2e 4 3a 2f .. 3a 2o .. 0 0 32 "088 0 0 32 0 0 32 0 0 38 0 0 32 0 0 32 0 0 16 (i 0 32 0 0 32 n 0 32 0 0 32 0 0 31 I) 0 32 0 0 32 0 0 32 ii 0 32 0 0 16 0 0 Iβ 479 2 1 798 0 0 10 0 0 0 600 0 0 161 0 0 ii 0 3 2K 389 0 0 0 0 2 14 1,828 2 0 404 0 0 i>0 1,187' 0 0 2,798 0 0 20 0 0 288 0 0 1,700 ii 0 138 1 7 r>15 0 26 I 260 2 20 763 0 0 ..I 520 0 0 years. Broadfoot, W. J. . Bβ lirst 21 years, right of renewal at 5 per cent, next 21 yeais. Mi'N'amara, W. .. tl7 first 21 years, right of renewal at 6 per cent, next 21 years. P.ioadfoot, \V. J. .. BS first 21 years, right of renewal Ett 5 per cent, next 21 years. Jordan, A. B. .. Ditto. Indoe, J. ..63 5s. first 21 years, right of renewal at 5 per cent, next 21 years. O'Brien, J.N. .. 86 15s. first 21 years, right of renewal at 5 per cent, next 21 years. Standisb, M. .. £4 10s. first 21 years, right of renewal at 5 per cent, next 21 years. .. Ditto. W first 21 years, right of renewal at 5 per cent, next 21 years. Onnsby, J«.r, .. to first 21 years, right of renewal at 5 per cent. McCardale, A. D. .. fc4 first 21 years, right of renewal at 5 per cent. Beere, G. B. .. Ditto. 88 first 21 years, right of renewal at 6 per oent. MeCurdale, A. D. ., Ditto. Ornisby, Jer. .. Standish, W. Standish, M. .. L2 first 21 years, right of renewal at 5 per cent. .. Ditto. Dunning, N. D. .. Is. first 20 years, 2s. next 30 years. Hardy, E. H. .. Is 0d. first 21 years, 2s. 6d. next 21 your-. I'TisenBros. .. tl 5s. per acre. Willis Bros. .. Is. 6d. first 25 yeara, 5 per cent, noxt 25 years. Wrighi, S. .. .. Ditto. Shaw, J. A... ..Is. first 10 years, Is. 6d. next 11 years, 2s. 6d. next 21 years. Ormsby, John . . 2s. first 10 years, 2s. 6d. next 11 years, 3s. (id. next 21 years. Newtoii, W. M. .. Is. 6d. first 10 years, 2s. 6d. next 11 years, 5 per cent, next 21 years. Ormsby, R... ..Is. 3d. first 10 years, Is. 6d. next 11 years, 5 per cent, next 21 years. Mountfort and others Is. 6d. per acre. Smith, J. P. .. t31 first 21 years, £31 8s. next 21 years. Lovett, O. .. ..Iβ. 6d. first 10 years, 2s. next 11 years, 2s. fid. next 21 years. Cashel, R. .. .. 10s. per acre with right of renewal at 5 per cent. Roper and Winger .. 1r. 6d. first 21 years, 5 per cent, next 21 years. Gailey, H. .. ..Is. 6d. first 21 years, 2s. 6d. next 21 years. Hardy, E. H., and j Is. first 21 years, 2s. next 21 years. others Broadfoot, N.J. .. 10s. first 21 years, tl next 21 years. Jensen Bros. .. 2s. per aure. Broadfoot, W. J. .. Is. first 10 years, Is. 3d. next 10 years, Is. 6d. next 10 years, 2s. 0d. next 10 years, 3s. next 10 years. ! Bartosh, J. .. .. £25 12s. 6d. per annum. ! Reardon, C. W. .. £61 10s. first term, £76 16s. next term. £89 14e. next term. Ruru, Hoani . . £40 per annum. Bartosh, J .. .. £100 Egmont Box Company j £171

G.—ll.

Particulars of Areas leased in the King-country, etc.— continued.

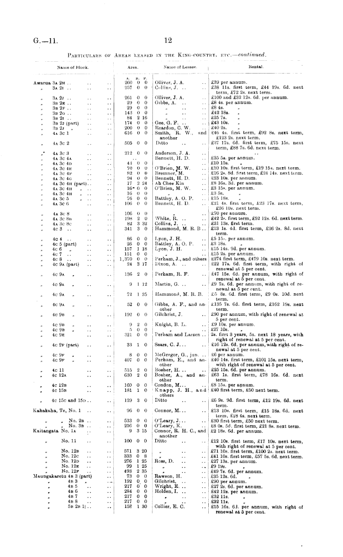
12

Name of Klock. Area. Nune ol Awarua 3a 2h .. 3a 21 .. A. It. P, 2G0 0 0 287 n 0 ■ Oiliver, J. A. (Miin-. J. .. £39 per annum. £38 11s. first term, £44 19s. 6d. next term, £72 2s. next term. £100 and £32 12s. 6d. pet umum. £8 4s. per annum. £8 4s. £42 18s. . £■25 7s. £43 10s. £40 28. £46 Is. flist term, £'J-2 Sβ. next term, £123 2s. next term. £:)7 17s. (id. first teim, £75 15s. next term, £88 7s. 6d. next term. 3a 2j .. 3k 2h .. 3b 2f .. 3b 2a .. 3b 2i .. 3b 2j (part) Sβ 2j . 4a 3c 1 261 0 0 29 0 0 29 0 0 143 0 0 84 2 1C 17-4 0 0 200 0 0 016 0 0 Oiliver, J. A. Gibbs, A. .. Gee, G. P. .. Reardon, C. W. Bmlth, R. W.. mid another Ditto 4a 3c 2 505 0 0 4a H< ■ :l 4a 3c 4a 4a 3c 4d 4a 3c 4k 4a 3c 4f 4a 3c 4g 4a 3c 4h (part).. 4a 3c In „ .. 4a So 4h „ .. 4a 3c 5 „ .. 4a He li 212 0 0 Anderson, J. A. Bennett, H. D. 4a 3c 8 4a 3c 8b 4a 3c 8c 4c 3 .. 40 4 .. 4c 5 (part) 4c 6 „ 4c 7 .. 4c 8 .. 4c 9a (part) 4c 9a 43 0 0 7(1 0 0 R2 (I I) (M n 0 17 2 24 16- 0 0 Iβ (» II 76 0 0 106 0 0 106 0 0 198 2 0 82 3 32 341 3 0 86 0 0 26 0 0 157 1 18 151 0 0 1,370 0 0 24 3 17 130 2 0 O'Brien, M. W. '.'. Bremner, M. Bennett, H. l>. Ah Cbee Kin O'Brimi, M. W. B»tUe'y, A. O. P. Bennett, H. D. White, R. .. Collins, 3. .. Hammond, M. I.'. I'. .. Lyon, J. H. IUttley, A. 0. P. Lyon. J. H. I'erhain, J., and others Dixon,A. I'erham, K. P. £35 5a. per annum. £10 15s. £10 10s. first term, £19 15s. next term. £16 2s. Hd. first term,£24 Ms. next term. £23 10e. per hi mum. l.s Ills. Sα. pet annum. £3 15s. per annum. £8 Bβ. 618 183. £21 4s. first term, t:£! 17s. next term, £'2(i 10s. next term. £70 per annum. £-12 3*. lirst term, £52 12s. 6d. next term. £31 13s. first term. £13 Is. 4d. first term, £26 2s. 8d. next term. £5 15-. per annum. £3 18s. £15 14s. 9d. per annum. £15 2s. per annum. 8374 first term, £479 10s. next term. £22 17s. 6d. first term, with right of renewal at 5 per cent. £47 15s. 6d. per annum, with right of renewal at 5 per cent. £9 7s. Cd. per annum, with right of renewal at 5 per rent. £5 8s. 6d. first term, £9 0s. 10d. next term. £135 7s. 6d. first term, £162 19s. next term. £90 per annum, with right of renewal at 5 per cent. £9 10s. per annum. £27 10s. 2s. firet 3 years, 5s. next 18 years, with right of renewal at 5 per cent. tl(> 12s. Gd. per annum, with right of renewal at 5 per cent. t0 per annum. £40 14s. first term, £101 15s. next term, with right of renewal at 5 per cent. 1:25 15s. Cd. per annum. 668 Is. first term, £78 16s. 6d. next term. £8 15;t. per apnum. £40 first term, £50 next term. 4c 9a 9 1 12 Martin, G. .. 4c 9a 72 1 25 I Ininlii ill.'. 1C. R, B. 4c 9a 52 0 0 192 0 0 Gibbs, A. P., and another Gilchrist, J. 4c 9b 4c 9b 4c 9b 4c 9e 9 2 0 5 0 0 321 0 0 Knight, B. L. l'erham and Larsen .. 4c 9p (part) .. 33 1 0 Sears, C. J. .. 4c 9f . 4c 9f 4c 11 4c 12a 8 0 0 407 0 0 515 2 0 630 2 0 McGregor, G., jun. .. I'erham, E., nnd another Boeher, H. .. I'.oslier, A., and another Condon, M... Knapp, J. H., and others Ditto 4c 12b 4c 15b 160 0 0 181 1 0 4c 18c and 18d .. 129 3 0 £G 9s. 9d. first term, £12 19s. Gd. next term. £13 10s. first term, £15 18s. Gd. next term, £18 4s. next term. £30 first terra, £50 next term. £8 0s. 5d. first term, £21 8a. next term. £2 18s. Gd. per annum. Kahakaha, Te, No. 1 .. 90 0 0 Connor, M. .. „ No. 2b .. „ No. 3b .. Ksitangata No. Iα 533 0 0 216 0 0 9 3 15 ; O'Leary, J. .. O'Leary, K. Connor, B. H. C, and another Ditto No. 11 100 0 0 £12 10s. first term, £17 10s. next term, with right of renewal at 5 per cent. £71 10s. first term, £100 2a. next term. £41 10s. first term, £57 5s. Gd. next term. £27 13s. per annum. £9 19s. £49 7s. Gd. per annum. £35 12s. 6d. £90 per annum. £27 2s. 6d. per annum. £42 12s. per annum. £32 11s. £32 11s. £15 16s. 6J. per annum, with right of renewal at 5 per cent. } No. 12b No. 12c .. No. 12d .. No. 12e No. 12p Maungakarctu 4b 3 (part) 4b 3 , 4b 5 4b 6 4b 7 4b 8 5b2b1|.. 571 3 20 333 0 8 276 1 25 99 1 25 493 2 35 73 0 0 192 0 0 217 0' 0 284 0 0 217 0 0 217 0 0 158 1 30 Ross, D. n> • • • • Bawson, H. Gilchrist, Wright, E. .. Holden.I. .. Collier, E. C.

G.—ll.

Particulars of Areas leased in the King-country, etc.— continued.

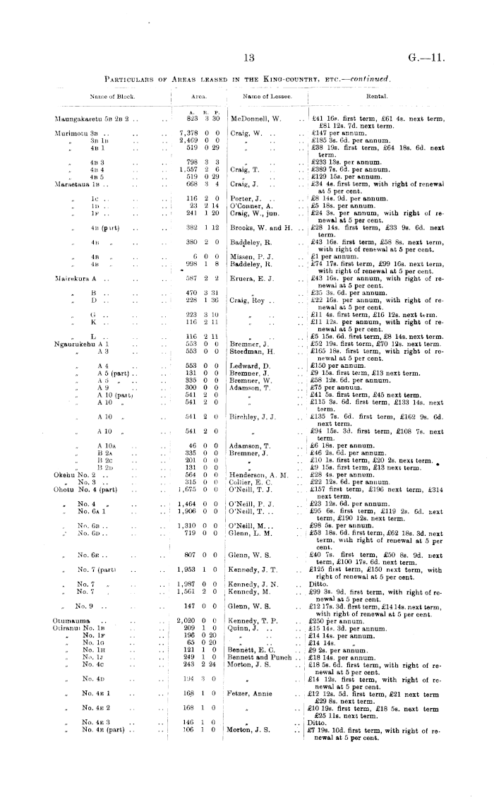
13

Name of Block. Area. Name of Lessee. liental. Mftongakaretu 5b 2b 2 .. Muriinoui SB . . Sβ Lβ 4b 1 4b 3 4b 4 4b 5 Manietuua In .. lc .. li> .. If .. 41; (put) 411 4B ,. 4n Hairaktua A .. B .. D .. K .. L .. Ngaurukehu A 1 A 8 A 4 A 5 (part) .. A» , A 9 A !() (paili A 10 „ A 10 „ a. it. p. 823 8 30 7,378 0 0 2,409 0 0 519 0 29 798 3 3 1,057 2 6 519 0 29 068 8 4 11G 2 0 28 9 14 M1 1 20 382 1 12 380 2 0 6 0 0 998 1 8 887 2 2 170 ;i 81 228 1 86 •223 8 1" mi 2 11 11C 2 11 0 0 553 0 0 553 0 0 131 0 0 335 0 0 300 0 0 541 2 0 541 2 0 541 2 0 , McDonnell, W. .. t41 16s. first term, £61 4s. next term, 681 12s. 7d. next term. Craig, W. .. .. 1:147 per annum. , .. . . £185 3s. Gd. per annum. . . £38 19b. first term, £64 18s. Gd. next term. .. £233 13s. per annum. Craig, T. . .. £389 7s. 6d. per annum. „ .. .. £129 15s. per annum. Craig, J. .. . £34 4s. first term, with right of renewal at 5 per cent. Portor, J. .. .. £8 14s. 9d. per annum. O'Conner, A. .. £5 18s. per annum. Craig, W., jun. .. £24 3s. per annum, with right of renewal at 5 per cent. Brooks, W. and H. .. £28 14s. first term, £33 9s. 6d. next term. Baddeley, B. .. £43 16s. first term, £58 8s. next term, with right of renewal at 5 per cent. Misson, P. J. .. £1 per annum. Baddeley, R. -74 17s. first term, £99 lGs. next term, with right of renewal at 5 per cent. Eruera, E. J. .. £43 10s. per annum, with right of renewal at 5 per cent. l:i."i :ls. 0d. per annum. Craig, Roy . . .. £22 16s. per annum, with right of renewal at 5 per cent. . . £11 4s. first term, £10 12s. next t. nil. .. £11 12s. per annum, with right of renewal at 5 per cent. .. £5 15s. Cd. first term, £8 14s. next term. Bremner, J. .. £52 19s. first term, £70 12s. next term. 1 Steedman, H .. £105 18s. first term, with right of renewal at 5 per cent. Ledward, D. .. £150 per annum. Bremnir. 3. .. £9 15s. first term, £13 next term. Bremner, \V. . £58 12s. 0d. per annum. AdaniKon, T. .. £75 per annum. £11 5s. first term, £45 next term. .. £115 3s. 0d. first term, £133 14s. next torm. Birchley, J. J. .. £135 7s. 6d. first term, £102 9s. (Id. next term. .. £94 15s. 3d. first term, £108 7s. next term. Adamson, T. .. £<> 18e. per annum. Bremnor, J. . £46 2s. Gd. per annum. .. £10 Is. first term, £20 2s. next term. „ £'J 15s. first term, £13 next term. Henderson, A. M. .. £28 4s. per annum. Collier, E. C. .. £22 12s. 6d. per annum. O'Neill, T. J. .. £157 first term, £190 next term, £314 next term. O'Neill, P. J. .. £23 12s. 6d. per annum. O'Neill, T. .. . £95 6s. first term, £119 2s. Gd. next term, £190 12s. next term. O'Neill, M. .. . £98 5s. per annum. Glenn, L. M. . £53 18s. 0d. first term, £62 18s. 3d. next term, with right of renewal at 5 per cent. Glenn, W. 8. £40 7s. first term, £50 8s. 9d. next term, £100 17s. 6d. next term. Kennedy, J. T. .. £125 fiist term, £150 ntxt term, with right of renewal at 5 per cent. Kennedy, J. N. .. Ditto. Kennedy, M. .. £99 3s. 9d. first term, with right of renewal at 5 per cent. Glenn, W. S. .. £12 17s. 3d. first term, £1414s. next term, with right of renewal at 5 per cent. Kennedy, T. P. .. £250 per annum. Quinu, J. .. .. £15 14s. 3d. per annum. .. £14 14s. per annum. .. £14 14s. Bennett, E. C. .. £9 2s. per annum. Bennett and Punch .. £18 14s. per annum. Morton, J. S. . £18 5s. 6d. first term, with right of renewal at 5 per cent. .. £14 12s. first term, with right of renewal at 5 per cent. Petzer, Annie .. £12 12s. 5d. first term, £21 next term £29 8s. next term. .. £10 19s. first term, £18 5s. next term £25 11s. next term. .. Ditto. Morton, J. S. .. t'7 19s. 10d. first term, with right of renewal at 5 per cent. A 10 „ 511 2 0 A 10a B 2a U 2c B 2u Okehu No. 2 .. „ No. 3 .. Ohotu No. 4 (part) 46 0 0 886 0 0 201 0 0 131 0 0 564 0 0 315 0 0 1,075 0 0 . No. 4 „ No. Cα 1 1,464 0 0 1,906 0 0 No. 6n .. „■ No. Cd .. 1,310 0 0 718 0 0 No. 6k .. 807 0 0 No. 7 (purti 1,953 1 0 No. 7 „ „ No. 7 1,987 0 0 1,501 2 0 „ No. 9 .. 147 0 0 (Huniauma Otiranui No. Iβ No. If No. Iα No. 1h No. 1j No. 4c 2,020 0 0 209 1 0 196 0 20 65 0 20 121 1 0 249 1 0 243 2 24 No. 4d 3 0 No. 4k 1 168 1 0 No. 4e 2 168 1 0 No. 4e 3 » No. 4e (part) .. 146 1 0 IOC 1 0

a.—ii.

Particulars of Areas leased in the King-country, etc.— continued.

14

Name of lilock. Area. Name of Lessee. km ml A. B. r. Otiranui No. 4<; .. .. 177 0 32 Fetzer, Annie .. £13 5s. 0.1. first term, £22 2s. 6d. next term, £30 l!ls. Gd. uext term. No. 4k . .. 389 0 30 Bennett and Punch .. £26 15s. first term, £36 next term, £43 15s. next term. Nc\ 4l .. .. 256 8 80 , .. £12 17s. per annum. Pohonuiatane 2b .. .. 500 0 0 Bremner, W. .. £100 per annum. 8b .. . . 1,247 1 8 Allen, C. E. L. .. £175 8s. first term, £200 next term. 3d 2 .. .. HIT 0 0 Pringle, A. .. £31 14s. per annum. 3d 3 .. .. 815 (I 0 Lilburn, R. L. .. £23 14s. Parikawau B .. .. 280 0 0 Bayne, W. .. .. £21 12s. per annum, with right of renewal at 5 per cent. Parapara2A2A .. . 288 1 L8 Foreman, S. . £18 18s. 6d. first term, £28 16s. 8d. next term. 2a 2b .. .. 860 0 II Anderson and another £5:11 r,n. first term, £S6 next term. 2b 2a .. .. 55 1 5 Glenn, L. M. .. tl3 16s. 3d. per annum, wilh right of renewal at 5 per cent. 2b 2d (part) ... .. 101 2 0 Glenn, W. S. .. 826 7s. 6d. per annum, with right of renewal at 5 per cent. 2b 2e .. . . 253 0 16 * . £26 14s. first term, 88) Ms. next term, with right of renewal at 5 per cent. •2b 2i (part) .. . 78 0 0 Tangaroa Nopera .. £15 12s. first term, £19 10s. next term, lii) 2i „ . .. 78 ft 0 O'Neill, T. J. .. £11 14s. fir3t term, £15 12s. next term, with right of renewal at 6 per cent. ■Ik :!j .. . 89 0 38 „ .. B4 16s. first term, £6 18u. next term. •2o->k .. . 65 113 . .. fcG 14e. 9d. first term, £13 9s. Gd. next term. 2b2l .. .. 868 0 86 Foreman, S. .. £27 14s. first term, £36 6s. next term. 2b 2n . .. 91 0 88 . .. fc5 14s. first term, £9 2'. Gd. next term. Papuahaua (part) .. .. 83:) 2 <j lirrmner, (!. 1). .. £83 6s. first term, with right of renewal at 5 per cent. Huauui No. 1, Seotion 10 .. 670 0 0 Btedman, II .. £234 10s. per annum, with right of renewal at 5 per cent. No. 3n .. . 121 3 8 Collier, E. .. .. £34 7s. 6d. per annum, wilh right of renewal at 5 per cent. Haketapiuma Iα 2 . .. 200 0 39 Craig, J. .. .. t50 per annum. In . . 1,161 0 0 Stedman, H. .. tl55 2s. per annum, with right of renewal at 5 per cent. li(p*il).. .. 108 0 0 Irvine, W. T., and til liSs. per annum. another lx „ .. 800 0 0 Ditto .. .. 1087 10b. lj 2 .. .. 1,885 0 0 Craig, J. .. .. tGl15s. lirst U rm. L1I2 12s. lid. next term, with right of renewal at 5 per cent. 3b 1 .. .. 287 0 0 Irvine and Tansey .. £175 per annum. 2b 2 .. .. 94 0 8 Irvine, W. T." anil £18 16s. per annum. another 2b 5 .. .. 25 II :l Irvine and Tansey .. £50 5s. 2b 10 .. 9 1 Jl „ .. £13 10s. first torm. tl 17s. next term. 2n 11 .. .. 38 2 B Tansey, F. M. .. £2 7s. first term, £4 14s. next term. • ,. 2b 12 (pan J . 27 I) 83 Irvine and Tansey .. t2 Is. per annum. 2b 12 „ .. 27 0 „ .. £2 Is. first term, t5 !is. next term. 2b 13 .. .. 27 1 li . .. £2 Is. first term, £5 10s. 6d. next term. 3b 2 .. .. 118 0 0 Spooner, K. W. .. tS 17s. first term, til 16s. next term, with right of renewal at 5 per cent. 3c 2 67 0 0 » .. tG 14s. first term, ,t« 7s. 6d. next term, E10 Is. next term. 3d 2 .. 231 0 0 „ .. t23 2s. first term, 5 per cent, next term. 4a 2 .. . . 167 0 0 Connoly, J. .. .. £20 17s. 6d. per annum. . 5a 2 .. 138 3 30 Spooner, E. W. .. £15 first term, £17 next term. 5b 2 16 0 0 » . t3 4s. first term, 5 per cent, next term. Kangawaea No. 3 .. 247 2 20 Manson, G. K .. £30 first term, £35 next term, £40 next term. 4c 2a .. .. 560 2 20 i Scott, W. .. .. £28 6s. per annum. 4c 2b .. 112 0 20 Lomassey, M. .. tl9 12s. 6d. first term, 5 per cent, next term. 4c 2c 1 .. . 115 0 0 . .. £8 12s. 6d. per annum, 5 per oent. next term. 4u2(part).. .. 640 0 0 Stubbing, F. .. £32 first term, £64 next term. 4k 2 „ .. . 700 2 35 McLaughlin, D. .. £35 0s. 9d. first term, £43 16s. next term, £70 Iβ. 6d. next term. 4e 2 ..700 3 35 Craig, W. .. .. £35 first term, £45 15s. next term, £52 10s. next term. 4f 2b .. .. 430 3 25 McDonnell, P. .. t21 11s. per annum, 5 per cent, next term. 4f 2c .. .. 78 1 5 Stubbing, F. .. til 14s. Ud. per annum. 4f 4c . .. 115 0 0 Allan and Stephens .. £13 15s. per annum. If4i> .. .. 167 0 0 Crowley, F. .. £25 108. 4f 6 .. 123 0 0 Allan, J., and another tl5 7s. Gd. per annum. 4» 11 (part).. .. 59 3 20 Cox, 8. S. .. .. t'J per annum. 4f 1C, Section Iα .. 140 3 8 Crowley, D. . 121 2s. 3d. per annum. 4f 16, Iβ 164 2 32 ' „ .. t41 3s. 9d. 4f 16. „ 2 (part) 100 0 0 Natrass, L. M. . £149 12s. 6d. first term, £199 10s. next term. 4f 16, ., 3 „ 99 1 2 . .. Ditto. No. 6 .. .. 152 1 20 Manson, G. K. .. t30 first term, £35 next term, £40 next term. Raetihi 2a 2c .. .. .. 1,051 2 0 Abbott, H., and an- £70 17s. 2d. first term, £150 14s. Id. other next term, 5 per cent, next term. , *2b Iα .. .. .. 80 0 0 Scott, W., and another £6 per annum, right of renewal at 5 per cent.

G.-11.

Particulars of Areas leased in the King-country, etc.— continued.

15

Nil Mir of Block. Area. Name of LesHue. Kental. \. Raetibi 2u hi .. .. .. 212 3 28 Earrise, H. H. .. £24 5e. first term, 5 per oont. next term. 2b 2b .. .. .. 7'27 1-22 \bbott, H., and «no- £56 13s. first term, 5 percent, next term. ther 2u 3 .. .. .. 566 2 0 Ditto. .. .. £51 lla. first term, £109 2s. next term. 5 per cent, next term. 2b (part) .. .. ■ 161 3 20 Allen, J., and another £12 3s. per annum. Kangiwaoa-Tarero No. -2 (part) .. 'JO 2 27 Carter, W. T. .. £9 Iβ. 3d. first term, £13 12s. next term, E16 Is. next term. ... 160 2 25 „ .. £24 Is. 6d. first term, £32 2s. next term. Tiiomii No. lii .. .. IS Higgle, A. M. C .. 65 5s. per annum, with right of renewal at 5 per cent. Urewora lc 2 .. .. . 1,096 o 0 Watson, Q. .. £41 2s. first term, £54 next term, with right of renewal at 5 per cent, lcl .. .. .. 1,129 0 I) Bennett and Punch .. £12 3s. firRt term, £16 4s. next term, 5 per cent, next term, lc 5 .. .. .. 324 E u . .. £42 6s. 9d. first term, £56 9s. next term, 5 per cent, next term. Whakaruwaka.. .. .. 137 0 1'2 Cairns, EC, Ll'.l first term, 5 per cent, next term. Whataroa No. 2 (part) .. .. 392 0 0 Stracuan, W. B117 12s. per annum. 100 0 0 I Cochrane, W. U. .. £30 per annum. Waimtrino E No. ] .. .. 250 <> 0 Gardener, D. .. £18 15s., £-25, and £31 5s. each term. E No. 12 .. .. 225 0 0 ,. .. £16 7s. 0d., £22 10s., mid £28 2s. 6d. each term. E No. 3 .. 425 0 0 „ .. £31 17s. 6d., £42 10s., and £53 2s. 6d. each term. E No. 4 .. 210 0 0 i ., tl6 15s., £21, and £26 2s. 6i. each term. E No. 7 .. .. 3« Bowles, J. L. .. £90 15s. and 5 per cent, each term. B No. 8 .. .. 10 0 Bowles, W. L. .. £11 19s. 3d. and 5 per cent each term. E(part) .. .. 200 0 0 Gardener, I > .. £15, £20, and £25 each term. No. I (part) .. 2,(KM) (I (I McDonnell, C. .. £50 per annum. No. 4 . .. 2,000 0 0 „ .. 650 No. 6 (part) .. 2 0 0 Mclvor, H. .. .. £30 No. 6 . .. 100 0 0 McDonnell, C. .. £35 No. 5\ 2 .. .. 851 2 18 McDonald, W. .. £42 11s. 6d. per annum, 5 per cent, next term. No. 3c; .. .. 1,259 0 0 Craig, Vera .. .. £31 9s. 9d. per annum, 5 per cent, next term, No. 3h .. .. 1,600 0 0 Pihopa Turehu .. £80 first term, £120 noxt term. Notk. -This return does not include lands vested in the Maori Land Boards. I'aktk ri.AKs of Abbas hold in the King-country fkom the 1st Octobeh, 1901, to the 30th September, 1909. Name of Block. Area. Purchaser. Price. A. H. p. A' 8. d. Whakairoiro No. 5a .. .. .. 18 1 19 Oimsby, John .. .. 26 13 0 Mangaawakino No. 3 (eastern part) .. 1,819 0 0 Purdie, James .. .. 1,455 0 0 No. 5 .. .. .. 130 0 0 ., .. .. 104 0 0 Whakairoiro No. 5b .. .. .. 135 0 12 Ormsby, John .. .. 200 8 1 Kawhia P No. 3 (part) .. .. .. 12 4 McCardle, Janet C 200 0 0 Puketarata No. 13a .. .. .. 99 8 38 Ross, William M. .. 600 0 0 KopuaNo.lD.. .. .. .. B6 8 0 Ormsby,John .. .. 125 0 0 Pukenui No. 2f No. 2 .. .. .. 297 3 27 I redale, Frederick .. 1,192 0 0 Whakairoiro No. 2 .. .. .. 6 0 0 Ormsby, John .. .. !l 0 0 Taurangi No. 4 .. .. .. L.OOO 0 (I Ellis, J. W, .. .. Natural love aud affection. Tokanui B .. .. .. .. 90 1 l'J Elmsly, J. G. .. .. 250 0 0 C No. 10 .. .. .. 135 2 9 , .. .. 170 0 0 Ouruwhero No. 3R .. .. .. 88 2 0 Teasdale, J. B. .. .. 2 0 0 per acre. Otorohanga No. 3a .. .. .. 150 0 0 Green, Robert .. .. 325 0 0 Kakepuku No. 10b 4 .. .. .. 366 Oil Redmond, Caroline .. 1,000 0 0 Ohura South K 1, Section-2c 1 .. .. 1,038 3 36 Loveday, George .. 1,263 0 0 Tokanui 0 No. 3 .. .. .. 90 1 1!) Wellington. Henry . 226 0 0 Ouruwhero No. 3j .. .. . 89 2 0 (iibson, P. R. .. .. 8 10 0 per acre. Pukonui No. 2v .. .. .. 198 0 0 i Hunt, Anne L. .. .. 990 0 0 Maungakaretu 3n 2 .. .. .. 548 0 0 Bradley, M. P. .. .. 870 0 0 MairekuraC .. .. .. .. 354 1 20 Eruera, K. T. .. .. 880 0 0 Pohonuiatane 3d Iα .. .. . 385 '2 8 Lock, W. .. .. 1,300 0 0 :;i> 1 .. .. .. 632 2 0 Barnes, A. .. .. • 948 15 0 Raketapauma In (part) .. .. 576 8 88 Russell, M. I. .. .. 2.884 0 0 Iβ „ .. .. 578 121 I'.igncll, F. C. .. .. 3,868 0 0 Lc and 6c 2b .. .'. 1.200 o o Dickie, O. J. .. .. 6,656 o 0 Ik (part) .. .. 57:1 3 32 Cbubbin, K. M. .. 8,000 0 0 IP . .. .. 580 2 4 Chubbin, L. J E. .. 8,000 0 0 Rangataua No. 1 .. .. .. 201 2 0 Strang, J. .. .. 1.280 0 (i Kaiij

16

G.—ll

Particulars of Sawmilling Rights granted in the King-country from the 1st October, 1904, to the 30th September, 1909. [In column 4 the letter "s" stands for the word "sap."]

Lands vested in the Maori Land Board are not shown in this return. 20th December, 1909. Thos. W. Fisher, Under-Secretary, Native Department. Appsroximate Cost of Paper.— Preparation, not given; printing (1,500 copies). £27 9s. 6d. Price 6d.] By Authority: John Mackay, Government Printer, Wellington.— 1909.

Mock. Motukawa 2b, No. 16 .. No. 17 .. Ohura South D 2 D 4 and D 5 Puketapu (part) Hauhungaroa No. 8 Whangaipeka and others Rangitoto-Tuhua No. 36 Huhotaka ... Rangitoto-Tuhua No. 68 Taurewa No. 4 West No. 4 No. 4 East A .. No. 4 West .. Puketapu Block (part) .. A .. C .. Ohura South B No. 2 .. D No. 3 Rangitoto-Tuhua No. 67a Area. a. u. P. 495 0 0 496 0 0 140 0 0 912 0 0 6,000 0 0 640 0 0 2,180 0 0 .. 134,500 0 0 30,163 0 0 6,000 0 0 10,169 0 0 640 0 0 28,860 0 0 1,000 0 0 11,303 0 0 2,500 0 0 040 0 0 640 0 0 100 0 0 1,399 0 0 200 0 0 5,063 3 0 Rents and Royalties. Per 100 ft. » Leasee. g j 3 • <6 . i -i A p J * .1 I i II Remarks - 5 « 3S | s.= ! 3 ~ I g ; I s. d. 8. d. s. d. s. d. s. d. s. d. s. d. s. d. s. d. s. d. Gardner, R., and others .. 260 10 03 .. 04 2 6 0 10 0 6 1 0 0 9 5 0 0 1 | 5 0 0 OJ 1 0 .. 5s. for hewn and squared. Dempsey and Mellsop .. .. £1 per acre for 90 acres ; timber to be cut off in 25 years. „ .. £1,600; timber to be cut off in 25 \ ears. Pungapunga Timber Company .. 2 0 0 10 0 6 0 8 .. 7 6 0 66 0 0 0J12 6 £2 4s. 6d. hewn and squared. (s. lOd.) Henderson and Stewart 2 0 0 10 0 (i 0 8 .. 7 6 0 6 .. 0 0} 2 6.. 4s. 6d. hewn and squared, and £10 iOd.) acre rental. Stewart, R. H. .. .. 2 0 | 0 10 0 6 0 8 0 6 7 6 0 G 6 0 0 0* 3 6 £2 I 4s. 6d. hewn and squared, and (s. 10d.)| £10 acre rental. Tongariro Timber Company .. £10 first 15 years, £13 10s. next 10 years, £15 next 10 years, £17 10s. next 10 years, £20 next 5 years. Ellis and Bumand .. " .. 16 0 10 i 0 8 i 16 0 ».." .. .. 16s. 16 10 0 4 .. 0 68 025 020 16 Hyde, Graham, and Harrison .. .. .. .. .. .. .. .... .. 2 8 1 0 I 0 6 1 0 0 6 « 0 0 6 1 0 I 0 Oi I 2 0 I .. 4s. bcwn and squared. Puketapu Sawmilliug Company 2 0 .. 0 3 .. 0 6 5 0 0 6 .. 0 Oj .. 4s. hewn and squared. £8 per acre. lis. 6d. per acre per annum. McDonnell, Charles .. . 2 0 10 0 6 10 0 6 8 0 .. .. 2 6 .. .. 2s. piles. 201006100680 .. 2 6 .. .. 2s. piles. Stewart, R. H. .. .. 2 0 0 10 0 6 0 8 0 6 7 0 0 0 6 0 0 O.J 2 6 £2 4s. 6d. hewn and squared. s. 101.) McGrath, J. .. .. 1607040704 .10 0 70*0704 Roper and Winger .. 10060606 Dallas, Laird, and Kiddell 2 0 10 0 9 10 .. 10 0 0 9 2 6 2 0 .. 5s. hewn piles, 2s. sawn piles, 6d. heart sleepers, 5d. sawn sleepers, 4s. 6d. slabs. Taringamutu Timber Company.. 200 10 06080670 06600 OJ 2 6 £2 4s. 6d. hewn and squared. McDonnell, C. .. .. 3010 101010. 10 0 .. 50 Bennett and Punch .. .. £45 8s. per annum for 10 yearj. .. £37 12s. .. £46 13s. .. £57 lis. Gamman and Co. .. . According to Crown lands sohedule rates, or £6 per acre (A largo area has since been taken for scenery purposes.) No. 66 76 .. Ohura South G 4p Horongopai A 2a and A 2b 10,302 0 0 4,379 0 0 41 3 33 700 0 0 Waituhi No. 2 Waimarino No. 4 Otiranui No. 4a No. 4b No. 4h No. 4k Raetihi No. 5b 1,500 0 0 1,500 0 0 186 0 0 155 0 0 194 0 0 239 0 0 648 0 0

This report text was automatically generated and may include errors. View the full page to see report in its original form.I whakaputaina aunoatia ēnei kuputuhi pūrongo, e kitea ai pea ētahi hapa i roto. Tirohia te whārangi katoa kia kitea te āhuatanga taketake o te pūrongo.
Permanent link to this item
Hononga pūmau ki tēnei tūemi

https://paperspast.natlib.govt.nz/parliamentary/AJHR1909-II.2.3.4.9

Bibliographic details
Ngā taipitopito pukapuka

KING-COUNTRY NATIVE LANDS (PARTICULARS RELATIVE TO) LEASED OR DISPOSED OF DURING LAST FIVE YEARS., Appendix to the Journals of the House of Representatives, 1909 Session II, G-11

Word count
Tapeke kupu
14,455

KING-COUNTRY NATIVE LANDS (PARTICULARS RELATIVE TO) LEASED OR DISPOSED OF DURING LAST FIVE YEARS. Appendix to the Journals of the House of Representatives, 1909 Session II, G-11

KING-COUNTRY NATIVE LANDS (PARTICULARS RELATIVE TO) LEASED OR DISPOSED OF DURING LAST FIVE YEARS. Appendix to the Journals of the House of Representatives, 1909 Session II, G-11

Log in or create a Papers Past website account

Use your Papers Past website account to correct newspaper text.

By creating and using this account you agree to our terms of use.

Log in with RealMe®

If you’ve used a RealMe login somewhere else, you can use it here too. If you don’t already have a username and password, just click Log in and you can choose to create one.


Log in again to continue your work

Your session has expired.

Log in again with RealMe®


Alert