Page image
Page image

a.—ii.

Particulars of Areas leased in the King-country, etc.— continued.

14

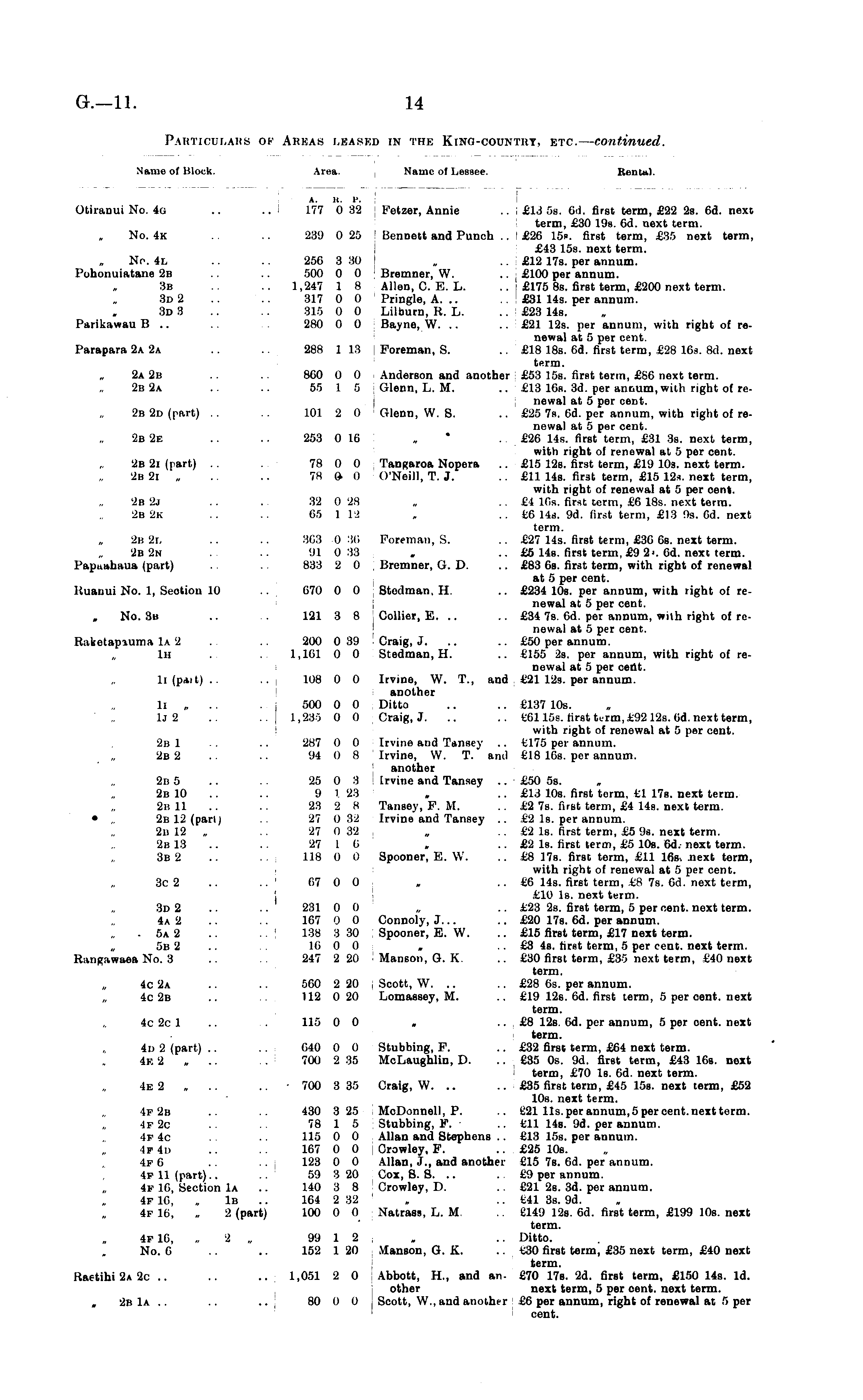
Name of lilock. Area. Name of Lessee. km ml A. B. r. Otiranui No. 4<; .. .. 177 0 32 Fetzer, Annie .. £13 5s. 0.1. first term, £22 2s. 6d. next term, £30 l!ls. Gd. uext term. No. 4k . .. 389 0 30 Bennett and Punch .. £26 15s. first term, £36 next term, £43 15s. next term. Nc\ 4l .. .. 256 8 80 , .. £12 17s. per annum. Pohonuiatane 2b .. .. 500 0 0 Bremner, W. .. £100 per annum. 8b .. . . 1,247 1 8 Allen, C. E. L. .. £175 8s. first term, £200 next term. 3d 2 .. .. HIT 0 0 Pringle, A. .. £31 14s. per annum. 3d 3 .. .. 815 (I 0 Lilburn, R. L. .. £23 14s. Parikawau B .. .. 280 0 0 Bayne, W. .. .. £21 12s. per annum, with right of renewal at 5 per cent. Parapara2A2A .. . 288 1 L8 Foreman, S. . £18 18s. 6d. first term, £28 16s. 8d. next term. 2a 2b .. .. 860 0 II Anderson and another £5:11 r,n. first term, £S6 next term. 2b 2a .. .. 55 1 5 Glenn, L. M. .. tl3 16s. 3d. per annum, wilh right of renewal at 5 per cent. 2b 2d (part) ... .. 101 2 0 Glenn, W. S. .. 826 7s. 6d. per annum, with right of renewal at 5 per cent. 2b 2e .. . . 253 0 16 * . £26 14s. first term, 88) Ms. next term, with right of renewal at 5 per cent. •2b 2i (part) .. . 78 0 0 Tangaroa Nopera .. £15 12s. first term, £19 10s. next term, lii) 2i „ . .. 78 ft 0 O'Neill, T. J. .. £11 14s. fir3t term, £15 12s. next term, with right of renewal at 6 per cent. ■Ik :!j .. . 89 0 38 „ .. B4 16s. first term, £6 18u. next term. •2o->k .. . 65 113 . .. fcG 14e. 9d. first term, £13 9s. Gd. next term. 2b2l .. .. 868 0 86 Foreman, S. .. £27 14s. first term, £36 6s. next term. 2b 2n . .. 91 0 88 . .. fc5 14s. first term, £9 2'. Gd. next term. Papuahaua (part) .. .. 83:) 2 <j lirrmner, (!. 1). .. £83 6s. first term, with right of renewal at 5 per cent. Huauui No. 1, Seotion 10 .. 670 0 0 Btedman, II .. £234 10s. per annum, with right of renewal at 5 per cent. No. 3n .. . 121 3 8 Collier, E. .. .. £34 7s. 6d. per annum, wilh right of renewal at 5 per cent. Haketapiuma Iα 2 . .. 200 0 39 Craig, J. .. .. t50 per annum. In . . 1,161 0 0 Stedman, H. .. tl55 2s. per annum, with right of renewal at 5 per cent. li(p*il).. .. 108 0 0 Irvine, W. T., and til liSs. per annum. another lx „ .. 800 0 0 Ditto .. .. 1087 10b. lj 2 .. .. 1,885 0 0 Craig, J. .. .. tGl15s. lirst U rm. L1I2 12s. lid. next term, with right of renewal at 5 per cent. 3b 1 .. .. 287 0 0 Irvine and Tansey .. £175 per annum. 2b 2 .. .. 94 0 8 Irvine, W. T." anil £18 16s. per annum. another 2b 5 .. .. 25 II :l Irvine and Tansey .. £50 5s. 2b 10 .. 9 1 Jl „ .. £13 10s. first torm. tl 17s. next term. 2n 11 .. .. 38 2 B Tansey, F. M. .. £2 7s. first term, £4 14s. next term. • ,. 2b 12 (pan J . 27 I) 83 Irvine and Tansey .. t2 Is. per annum. 2b 12 „ .. 27 0 „ .. £2 Is. first term, t5 !is. next term. 2b 13 .. .. 27 1 li . .. £2 Is. first term, £5 10s. 6d. next term. 3b 2 .. .. 118 0 0 Spooner, K. W. .. tS 17s. first term, til 16s. next term, with right of renewal at 5 per cent. 3c 2 67 0 0 » .. tG 14s. first term, ,t« 7s. 6d. next term, E10 Is. next term. 3d 2 .. 231 0 0 „ .. t23 2s. first term, 5 per cent, next term. 4a 2 .. . . 167 0 0 Connoly, J. .. .. £20 17s. 6d. per annum. . 5a 2 .. 138 3 30 Spooner, E. W. .. £15 first term, £17 next term. 5b 2 16 0 0 » . t3 4s. first term, 5 per cent, next term. Kangawaea No. 3 .. 247 2 20 Manson, G. K .. £30 first term, £35 next term, £40 next term. 4c 2a .. .. 560 2 20 i Scott, W. .. .. £28 6s. per annum. 4c 2b .. 112 0 20 Lomassey, M. .. tl9 12s. 6d. first term, 5 per cent, next term. 4c 2c 1 .. . 115 0 0 . .. £8 12s. 6d. per annum, 5 per oent. next term. 4u2(part).. .. 640 0 0 Stubbing, F. .. £32 first term, £64 next term. 4k 2 „ .. . 700 2 35 McLaughlin, D. .. £35 0s. 9d. first term, £43 16s. next term, £70 Iβ. 6d. next term. 4e 2 ..700 3 35 Craig, W. .. .. £35 first term, £45 15s. next term, £52 10s. next term. 4f 2b .. .. 430 3 25 McDonnell, P. .. t21 11s. per annum, 5 per cent, next term. 4f 2c .. .. 78 1 5 Stubbing, F. .. til 14s. Ud. per annum. 4f 4c . .. 115 0 0 Allan and Stephens .. £13 15s. per annum. If4i> .. .. 167 0 0 Crowley, F. .. £25 108. 4f 6 .. 123 0 0 Allan, J., and another tl5 7s. Gd. per annum. 4» 11 (part).. .. 59 3 20 Cox, 8. S. .. .. t'J per annum. 4f 1C, Section Iα .. 140 3 8 Crowley, D. . 121 2s. 3d. per annum. 4f 16, Iβ 164 2 32 ' „ .. t41 3s. 9d. 4f 16. „ 2 (part) 100 0 0 Natrass, L. M. . £149 12s. 6d. first term, £199 10s. next term. 4f 16, ., 3 „ 99 1 2 . .. Ditto. No. 6 .. .. 152 1 20 Manson, G. K. .. t30 first term, £35 next term, £40 next term. Raetihi 2a 2c .. .. .. 1,051 2 0 Abbott, H., and an- £70 17s. 2d. first term, £150 14s. Id. other next term, 5 per cent, next term. , *2b Iα .. .. .. 80 0 0 Scott, W., and another £6 per annum, right of renewal at 5 per cent.

Log in or create a Papers Past website account

Use your Papers Past website account to correct newspaper text.

By creating and using this account you agree to our terms of use.

Log in with RealMe®

If you’ve used a RealMe login somewhere else, you can use it here too. If you don’t already have a username and password, just click Log in and you can choose to create one.


Log in again to continue your work

Your session has expired.

Log in again with RealMe®


Alert