Page image
Page image

G.—ll.

Particulars of Areas leased in the King-country, etc.— continued.

12

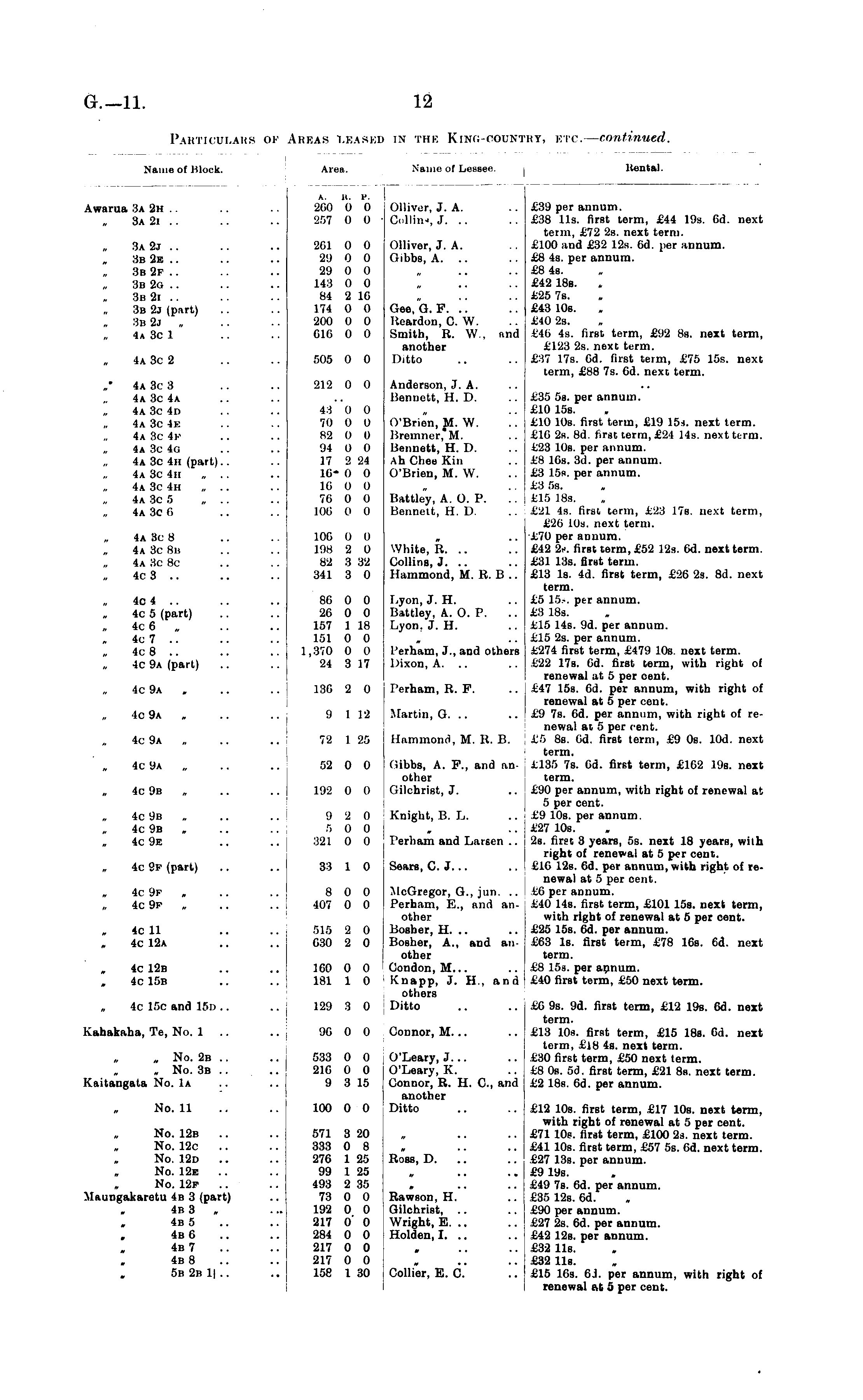
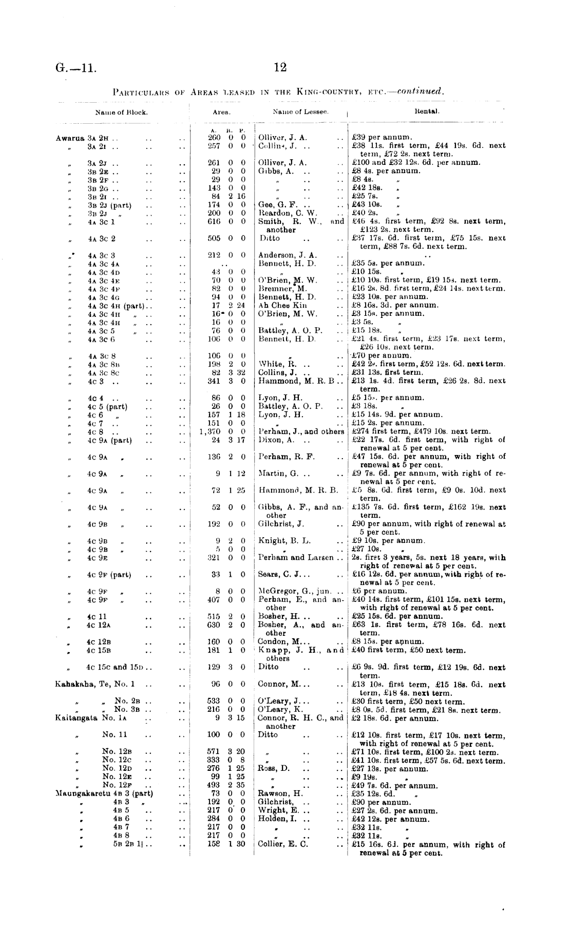
Name of Klock. Area. Nune ol Awarua 3a 2h .. 3a 21 .. A. It. P, 2G0 0 0 287 n 0 ■ Oiliver, J. A. (Miin-. J. .. £39 per annum. £38 11s. first term, £44 19s. 6d. next term, £72 2s. next term. £100 and £32 12s. 6d. pet umum. £8 4s. per annum. £8 4s. £42 18s. . £■25 7s. £43 10s. £40 28. £46 Is. flist term, £'J-2 Sβ. next term, £123 2s. next term. £:)7 17s. (id. first teim, £75 15s. next term, £88 7s. 6d. next term. 3a 2j .. 3k 2h .. 3b 2f .. 3b 2a .. 3b 2i .. 3b 2j (part) Sβ 2j . 4a 3c 1 261 0 0 29 0 0 29 0 0 143 0 0 84 2 1C 17-4 0 0 200 0 0 016 0 0 Oiliver, J. A. Gibbs, A. .. Gee, G. P. .. Reardon, C. W. Bmlth, R. W.. mid another Ditto 4a 3c 2 505 0 0 4a H< ■ :l 4a 3c 4a 4a 3c 4d 4a 3c 4k 4a 3c 4f 4a 3c 4g 4a 3c 4h (part).. 4a 3c In „ .. 4a So 4h „ .. 4a 3c 5 „ .. 4a He li 212 0 0 Anderson, J. A. Bennett, H. D. 4a 3c 8 4a 3c 8b 4a 3c 8c 4c 3 .. 40 4 .. 4c 5 (part) 4c 6 „ 4c 7 .. 4c 8 .. 4c 9a (part) 4c 9a 43 0 0 7(1 0 0 R2 (I I) (M n 0 17 2 24 16- 0 0 Iβ (» II 76 0 0 106 0 0 106 0 0 198 2 0 82 3 32 341 3 0 86 0 0 26 0 0 157 1 18 151 0 0 1,370 0 0 24 3 17 130 2 0 O'Brien, M. W. '.'. Bremner, M. Bennett, H. l>. Ah Cbee Kin O'Brimi, M. W. B»tUe'y, A. O. P. Bennett, H. D. White, R. .. Collins, 3. .. Hammond, M. I.'. I'. .. Lyon, J. H. IUttley, A. 0. P. Lyon. J. H. I'erhain, J., and others Dixon,A. I'erham, K. P. £35 5a. per annum. £10 15s. £10 10s. first term, £19 15s. next term. £16 2s. Hd. first term,£24 Ms. next term. £23 10e. per hi mum. l.s Ills. Sα. pet annum. £3 15s. per annum. £8 Bβ. 618 183. £21 4s. first term, t:£! 17s. next term, £'2(i 10s. next term. £70 per annum. £-12 3*. lirst term, £52 12s. 6d. next term. £31 13s. first term. £13 Is. 4d. first term, £26 2s. 8d. next term. £5 15-. per annum. £3 18s. £15 14s. 9d. per annum. £15 2s. per annum. 8374 first term, £479 10s. next term. £22 17s. 6d. first term, with right of renewal at 5 per cent. £47 15s. 6d. per annum, with right of renewal at 5 per cent. £9 7s. Cd. per annum, with right of renewal at 5 per rent. £5 8s. 6d. first term, £9 0s. 10d. next term. £135 7s. 6d. first term, £162 19s. next term. £90 per annum, with right of renewal at 5 per cent. £9 10s. per annum. £27 10s. 2s. firet 3 years, 5s. next 18 years, with right of renewal at 5 per cent. tl(> 12s. Gd. per annum, with right of renewal at 5 per cent. t0 per annum. £40 14s. first term, £101 15s. next term, with right of renewal at 5 per cent. 1:25 15s. Cd. per annum. 668 Is. first term, £78 16s. 6d. next term. £8 15;t. per apnum. £40 first term, £50 next term. 4c 9a 9 1 12 Martin, G. .. 4c 9a 72 1 25 I Ininlii ill.'. 1C. R, B. 4c 9a 52 0 0 192 0 0 Gibbs, A. P., and another Gilchrist, J. 4c 9b 4c 9b 4c 9b 4c 9e 9 2 0 5 0 0 321 0 0 Knight, B. L. l'erham and Larsen .. 4c 9p (part) .. 33 1 0 Sears, C. J. .. 4c 9f . 4c 9f 4c 11 4c 12a 8 0 0 407 0 0 515 2 0 630 2 0 McGregor, G., jun. .. I'erham, E., nnd another Boeher, H. .. I'.oslier, A., and another Condon, M... Knapp, J. H., and others Ditto 4c 12b 4c 15b 160 0 0 181 1 0 4c 18c and 18d .. 129 3 0 £G 9s. 9d. first term, £12 19s. Gd. next term. £13 10s. first term, £15 18s. Gd. next term, £18 4s. next term. £30 first terra, £50 next term. £8 0s. 5d. first term, £21 8a. next term. £2 18s. Gd. per annum. Kahakaha, Te, No. 1 .. 90 0 0 Connor, M. .. „ No. 2b .. „ No. 3b .. Ksitangata No. Iα 533 0 0 216 0 0 9 3 15 ; O'Leary, J. .. O'Leary, K. Connor, B. H. C, and another Ditto No. 11 100 0 0 £12 10s. first term, £17 10s. next term, with right of renewal at 5 per cent. £71 10s. first term, £100 2a. next term. £41 10s. first term, £57 5s. Gd. next term. £27 13s. per annum. £9 19s. £49 7s. Gd. per annum. £35 12s. 6d. £90 per annum. £27 2s. 6d. per annum. £42 12s. per annum. £32 11s. £32 11s. £15 16s. 6J. per annum, with right of renewal at 5 per cent. } No. 12b No. 12c .. No. 12d .. No. 12e No. 12p Maungakarctu 4b 3 (part) 4b 3 , 4b 5 4b 6 4b 7 4b 8 5b2b1|.. 571 3 20 333 0 8 276 1 25 99 1 25 493 2 35 73 0 0 192 0 0 217 0' 0 284 0 0 217 0 0 217 0 0 158 1 30 Ross, D. n> • • • • Bawson, H. Gilchrist, Wright, E. .. Holden.I. .. Collier, E. C.

Log in or create a Papers Past website account

Use your Papers Past website account to correct newspaper text.

By creating and using this account you agree to our terms of use.

Log in with RealMe®

If you’ve used a RealMe login somewhere else, you can use it here too. If you don’t already have a username and password, just click Log in and you can choose to create one.


Log in again to continue your work

Your session has expired.

Log in again with RealMe®


Alert