Page image
Page image

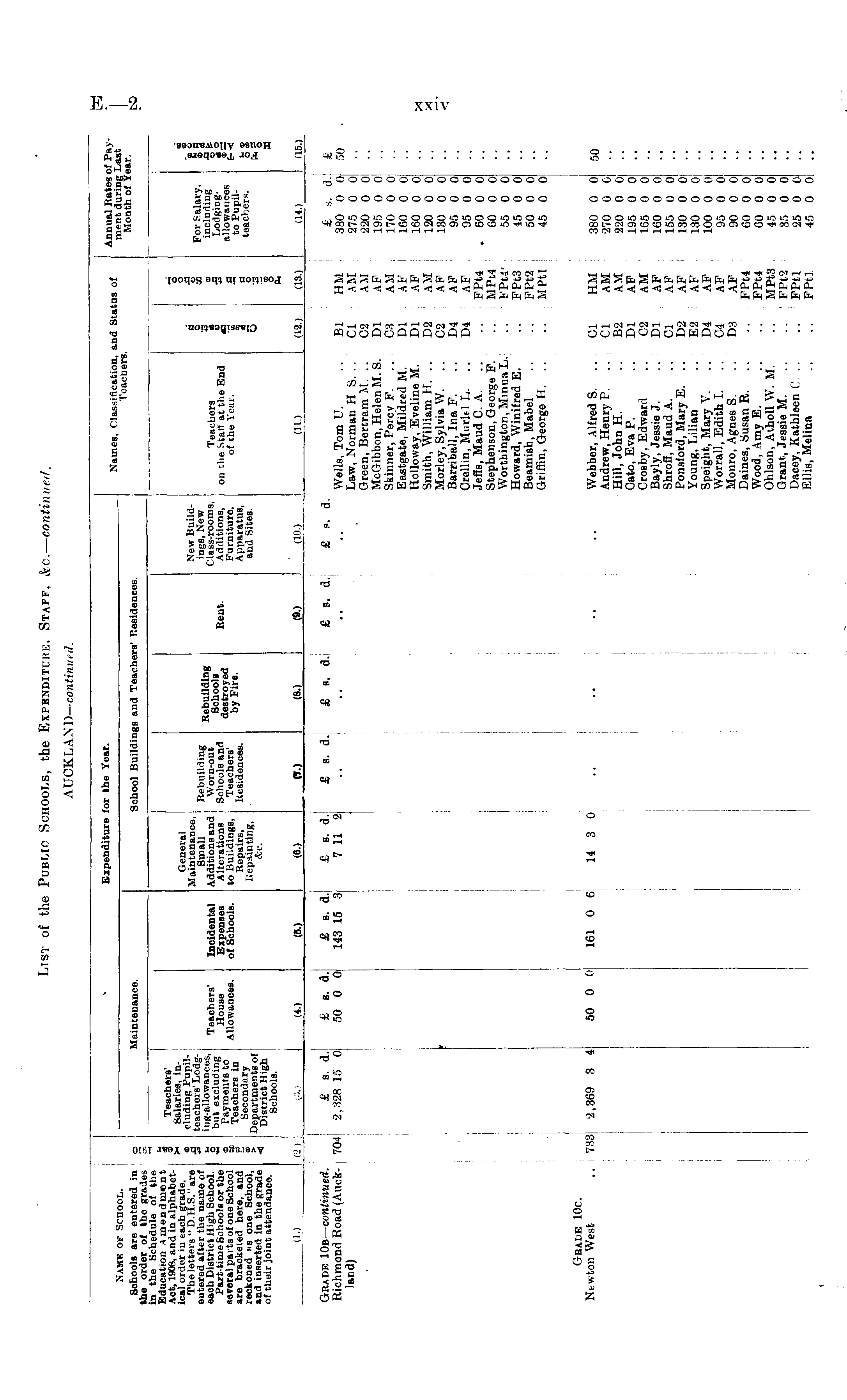
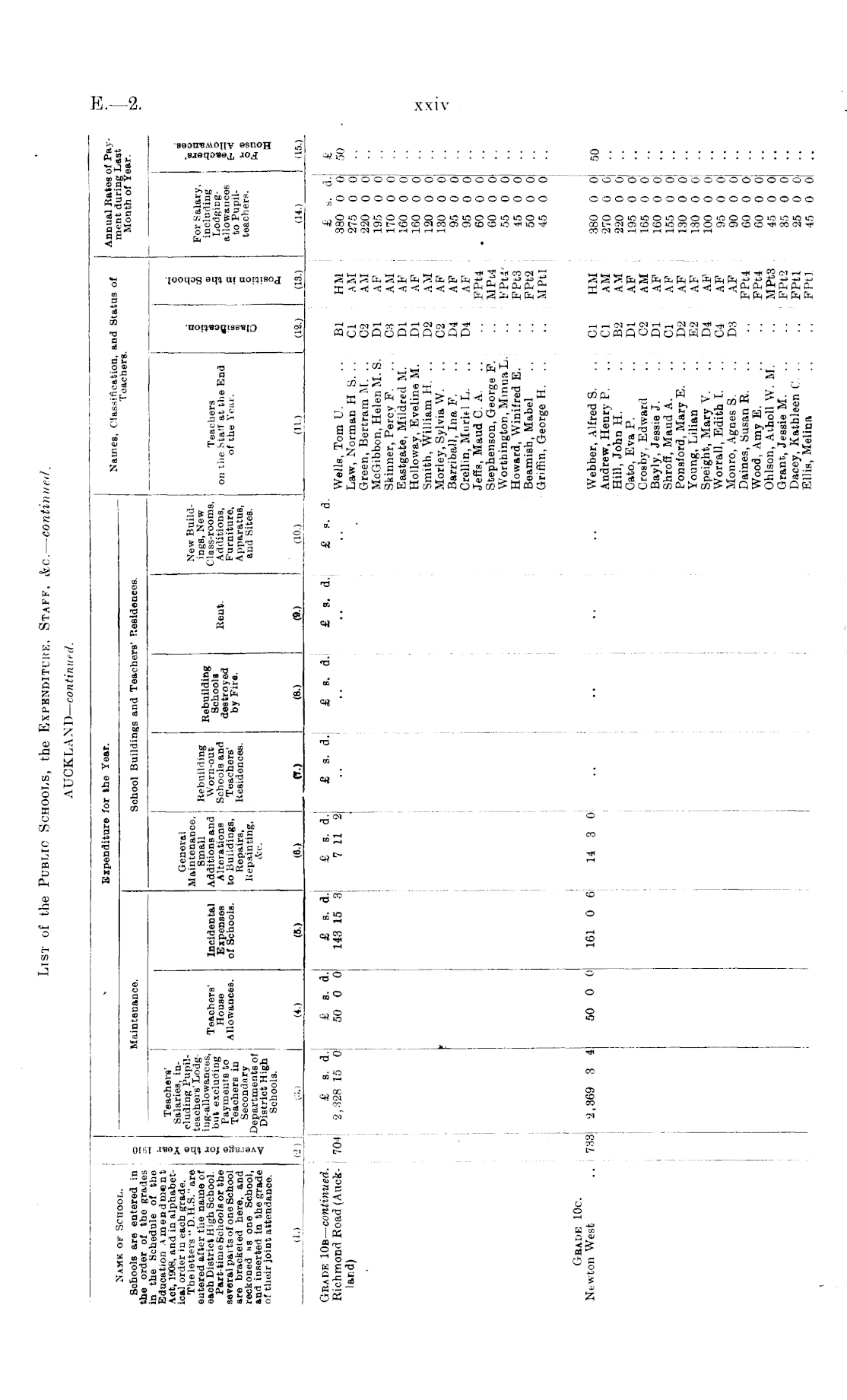
List of the Public Schools, the Expenditure, Staff, &c.— continued. AUCKLAND— continued.

8.—2

XXIV

Expenditure for the Year. Annual Rates of Pn mont during Last Month of Year. Nani of ScnooL. Schools are entered in o ie order of the grades Names, Classification, and Status of Teachers. Maintenance. chool Buildings and Teachers' Residences. Education Amendment Act, 1908, and in alphabetical order in each grade. Tbe letters " D.H.S."are entered alter the name of each District High School. Part-time Schools or the several parts of one School are bracketed here, and reckoned us one School, and iuRerfeed in the grade of thoir joint attendance. 1 < Teachers' Salaries, including Pupilteachers , Lodg-ing-allowances, but excluding Payments to Teachers in Secondary Departments of District High Schools. Teachers' House Allowances. Incidental Expenses of Schools. General Maintenance, Small Additions and Alterations to Buildings, Repairs, Kep.iiuting, Ac. Rebuilding Worn-out Schools and Teachers' Residences. Rebuilding Schools destroyed by Fire. Bent. New Buildings, New Class-rooms, Additions, Furniture, Apparatus, and Sites. Teachers on the Staff at the End of the Year, I I 1 ■S a a I For Salary, including Lodgingallowances to Pupilteachers. "8 § a I (4.) (5.) (6.) (8.) (9.) _ (WO (11.) (is.; (14.) ly t 13 -) (2 I . 16.] .. ■ I , .1 £ s. d.| 143 15 3 £ s. d. 7 11 2 £ s. d. £ b. d. £ s. d. £ p. d. Wells, Tom U. Law, Norman H. S, Green, Bertram M. .. McGibbon, Helen M. S. Skinner, Percy F. Eastgate, Mildred M. Holloway, Eveline M. Smith, William H. .. Morley, Sylvia W. .. Barriball, Ina F. Crellin, MurWl L. Jeffs, Maud C. A. Stephenson, George P. Wortbington, Minna L. Howard, Winifred E. Beamish, Mabel Griffin, George H. .. Bl CI C2 Dl 03 Dl Dl D2 C2 D4 D4 HM AM AM AF AM AF AP AM AP AP AF FPt4 MPt4 PPt3 PPt2 MPtl £ s. d. 380 0 0 275 0 0 220 0 0 195 0 0 170 0 0 160 0 0 160 0 0 120 0 0 130 0 0 95 0 0 95 0 0 . 60 0 0 00 0 0 55 0 0 15 0 0 50 0 0 45 0 0 Grade 10b — continued. & s. d. Richmond Road (Anck- 704 2,328 15 0 lard) £ s. d. 50 0 0 £ s. d.| 143 15 3 £ S. d. 7 11 2J 50 • Gbade 10c. Newton West .. 733 ■2,369 8 4 50 0 01 161 0 6 14 3 0 Webber, Alfred S. .. Andrew, Henry P. Hill, John H.' Cato, Eva P. Crosby, Edward Bayly, Jessie J. Shroff, Maud A. Ponsford, Mary E. .. Young, Lilian Speight, Mary V. Worrall, Edith I. .. Monro, Agnes S. Daines, Susan R. Wood, Amy E. Ohlson, Aiholl W. M. Grant, Jessie M. Dacey, Kathleen ('. .. Ellis, Melina CI Cl B2 Dl C2 Dl Cl D2 E2 D4 C4 D3 HM AM AM AF AM AF AF AF AF : AK AF AF FPt4 PPt4 MPtS FPt2 FPtl PPtl 380 0 0 •270 0 0 220 0 0 195 0 0 165 0 0 160 0 0 155 0 0 130 0 0 130 0 0 100 0 0 95 0 0 90 0 0 60 0 0 60 0 0 45 0 0 35 0 0 25 0 t 45 0 0 50

Log in or create a Papers Past website account

Use your Papers Past website account to correct newspaper text.

By creating and using this account you agree to our terms of use.

Log in with RealMe®

If you’ve used a RealMe login somewhere else, you can use it here too. If you don’t already have a username and password, just click Log in and you can choose to create one.


Log in again to continue your work

Your session has expired.

Log in again with RealMe®


Alert