Page image
Page image

__).—_.

XCIX

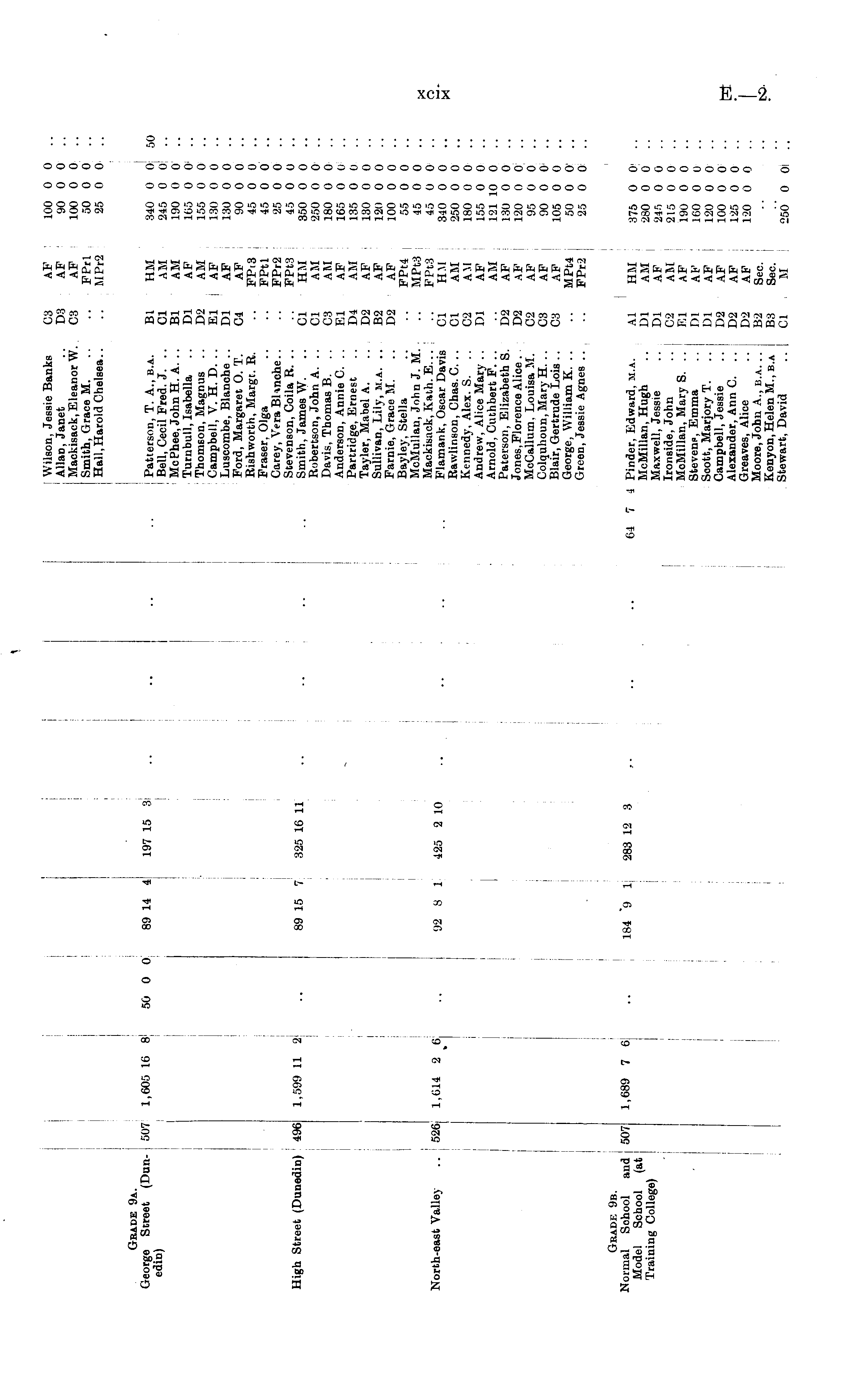
Grade 9a. George Street (Dun- 507 edin) High Street (Dunedin) 496 1,600 16 8 [ I 1,605 16 8 1,599 11 2 1,614 2 l> 50 0 0 50 0 ) 0 3 89 14 4 89 15 7 92 8 1 89 14 4 197 15 3 325 16 11 425 2 10 Wilson, Jessie Banks Allan, Janet Mackisack, Eleanor W. Smith, Grace M. Hall,Harold Chelsea.. Patterson, T. A., b.a. Bell, Cecil Fred. J. .. McPhee, John H. A. .. Tunibull, Isabella Thomson, Magnus .. Campbell, V. H. D. .. Luscombe, Blanche .. Ford, Margaret O. T. Riahworth, Margt. R. Fraser. Olga Carey, Vera Blanche.. Stevenson, Coila R. .. Smith, James W. Robertson, John A. .. Davis, Thomas B. .. Anderson, Annie C. Partridge, Ernest Tayler, Mabel A. Sullivan, Lily, m.a. .. Farnie, Grace M. Bayley, Stella McMullan, John J. M. . Mackisack, Kath. E... Flamank, Oscar Davis Rawlinson, Chas. C. .. Kennedy, Alex. S. Andrew, Alice Mary .. Arnold, Cuthbert F. .. Paterson, Elizabeth S. Jones, Florence Alice . McCallum, Louisa M. Colquhoun, Mary H. .. Blair, Gertrude Lois .. George, William K. .. Green, Jessie Agnes .. 03 AF D3 AF C3 AF FPrl MPr2 Bl HM CI AM Bl All Dl AF D2 AM El : AF Dl AF C4 AF FPi3 FPtl FPr2 FPt3 CI HM CI AM C3 AM El AF D4 AM D2 AF B2 AF D2 AF FPt4 FPt3 CI H.M CI AM C2 AM Dl AF AM D2 AF ; D2 AF j C2 AF C3 AF C3 AF MPt4 FPr2 100 0 0 .. 90 0 0 .. 100 0 0 .. 50 0 0 .. 25 0 0 340 0 0 50 245 0 0 190 0 0 .. 105 0 0' .. 155 0 0 .. 130 0 0 .. 130 0 0 .. 90 0 0 .. 45 0 0 .. 45 0 0 .. 25 0 0 .. 45 0 0 .. 350 0 0 .. 250 0 0 .. 180 0 0 165 0 0 135 0 0 130 0 0 .. 120 0 0 .. 100 0 0 .. 55 0 0 .. 45 0 0 .. 45 0 0 340 0 0 .. 250 0 0 .. 180 0 0 .. 155 0 0 .. 121 10 0 .. 130 0 0 .. 120 0 0 .. 95 0 0 .. 90 0 0 .. 105 0 0 .. 50 0 0 .. 25 0 0 .. North-east Valley .. 526j l I _ Grade 9b. Normal Sohool and j 507 Model Sohool (at j Training College) 1,689 7 6 1,689 7 6 184 '9 1 283 12 3 64 7 i Pinder, Edward, m.a. McMillan, Hugh Maxwell, Jessie Ironside, John McMillan, Mary S. .. Steven?, Emma Scott, Marjory T. Campbell, Jessie Alexander, Ann C. Greaves, Alice Moore, John A., b.a. .. Kenyon, Helen M., b.a Stewart, David Al ' HM Dl AM Dl AF C2 AM I El AF Dl At' Dl AF [ D2 AF D2 AF D2 AF B2 Sec. B3 Sec. CI . M 375 0 0 280 0 0 .. 245 0 0 215 0 0 .. 190 0 0 100 0 0 .. 120 0 0 100 0 0 .. 125 0 0 .. 120 0 0 250' 0 01 '.'.

Log in or create a Papers Past website account

Use your Papers Past website account to correct newspaper text.

By creating and using this account you agree to our terms of use.

Log in with RealMe®

If you’ve used a RealMe login somewhere else, you can use it here too. If you don’t already have a username and password, just click Log in and you can choose to create one.


Log in again to continue your work

Your session has expired.

Log in again with RealMe®


Alert