Page image
Page image

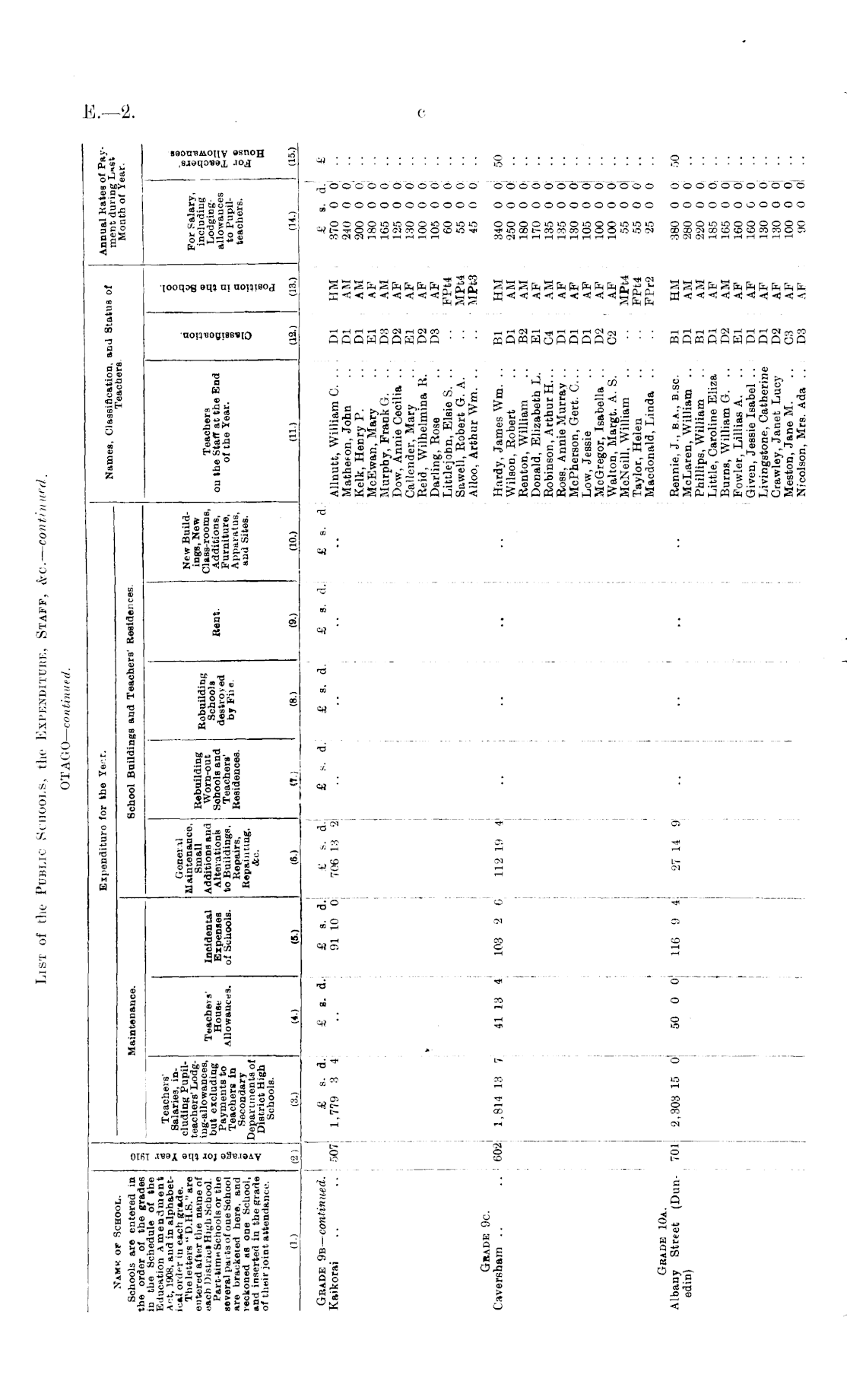
E.—2.

List of the Public Schools, the Expenditure, Staff, &c.— continued. OTAGO— continued.

C

Expenditure for the Yβ". r. Annual Rates of Payment during L»6t Month of Year. Namk of School. Teachers Schools are entered in tlie order of the grades in the Schedule of the Education Amendment A>:t, 1908, and in alphabetical order in each grade. Theletters"D.H.S."are entered after the name of each District Hl<<h School. l'arc-tmiH Schools or the several parts of oue School are bracketed here, and veckoued as one School, and inserted iu the grade of their joint attendance. = >* a Teachers' Salaries, including Pupilteachers' Lodg-ing-allowances, but excluding Payments to Teachers in Secondary Departments of District High Schools. Maintenance. Gener.tl Maintenance, Small Additions and Alterations to Buildings, Repairs, Repainting, dec. School Buildings and Teachers' Residences. Rebuilding Worn-out Schools and Teachers' Residences. Rebuilding Schools destroyed by Pile. New Buildings, New Class-rooms, Additions, Furniture, Apparatus, and Sites. a .2 5 o o a a o 8 For Salary, including Lodgingallowances to Pupilteachers. SI Teachers' House Allowances. Incidental Expenses of Schools. Rent. Teachers on the Staff at the End of the Year. («■) (S.) (6.) <t.) (8.) (9.) (10.) Oil (12.) (14.) (1.) (3.) (13.) (15.) (2 i Grade 9b — continued. I Kaikorai .. .. 507 Grade 9c. Caversham .. .. 00-2 Grade 10a. Albany Street (Dun- 701 edin) £ s. d. 1,779 3 4; 1,814 13 7 2,303 15 0 I t s. d. 41 13 4 50 0 0 £ s. d. 91 10 0i 103 3 6 116 9 4 £ s. a. 706 13 3 112 19 4 27 14 9 £ s. d. £ s. a. £ s. d. £ s. a. Allnutt, William C. .. Mathefon, John Kelk, Henry P. McEwan, Mary Murphy, Frank G. .. Dow, Annie Cecilia .. Cal lender, Mary Reid, Wilhelmina B. Darling, Rose Littlejobn, Elsie S. .. Sawell, Robert G. A. Alloo, Arthur Wm. .. Hardy, James Wm. .. Wilson, Robert Renton, William Donald, Elizabeth L. Robinson, Arthur H... Ross, Annie Murray .. MoPherson, Gert. C... Low, Jessie McGregor, Isabella .. Walton, Margt. A. S. McNeill, William .. Taylor, Helen Macdonald, Linda .. Rennie, J., b.a., b.so. McLaren, William .. Phillips, William Little, Caroline Eliza Burns, William G. .. Fowler, Lillias A. Given, Jessie Isabel .. Livingstone, Catherine Crawley, Janet Lucy Meston, Jane M. Nicolson, Mrs. Ada .. Dl AM Dl AM El AF D3 AM D2 AP El AF D2 AP D3 AP FPt4 MPt4 MPt3 Bl HM Dl AM B2 AM El AP C4 AM Dl AP Dl AF Dl AP D2 AP . C2 AF MPt4 FPt4 PPr2 Bl HM Dl AM Bl AM Dl AF D3 AM El AP Dl AP Dl AF D2 AF C3 AF D3 AP a s. a. e 370 0 0 .. 240 0 0 200 0 0.. 180 0 0 1G5 0 0 .. 125 0 0 .. 130 0 0 .. 100 0 0 .. 105 0 0 60 0 0 55 0 0 .. 45 0 0 340 0 0 50 250 0 0 .. 180 0 0 .. 170 0 0 .. 135 0 0 .. 135 0 0 .. 130 0 0 .. 105 0 0 .. 100 0 0 .. 100 0 0i .. 55 0 0| .. 55 0 0 .. 25 0 0 380 0 0 50 280 0 0 .. 220 0 0 185 0 0 165 0 0 .. 160 0 0 .. 160 0 0 .. 130 0 0 .. 130 0 0 .. 100 0 0 .. 90 0 Oi ..

Log in or create a Papers Past website account

Use your Papers Past website account to correct newspaper text.

By creating and using this account you agree to our terms of use.

Log in with RealMe®

If you’ve used a RealMe login somewhere else, you can use it here too. If you don’t already have a username and password, just click Log in and you can choose to create one.


Log in again to continue your work

Your session has expired.

Log in again with RealMe®


Alert