Page image
Page image

8.—2

CI

SOUTHLAND.

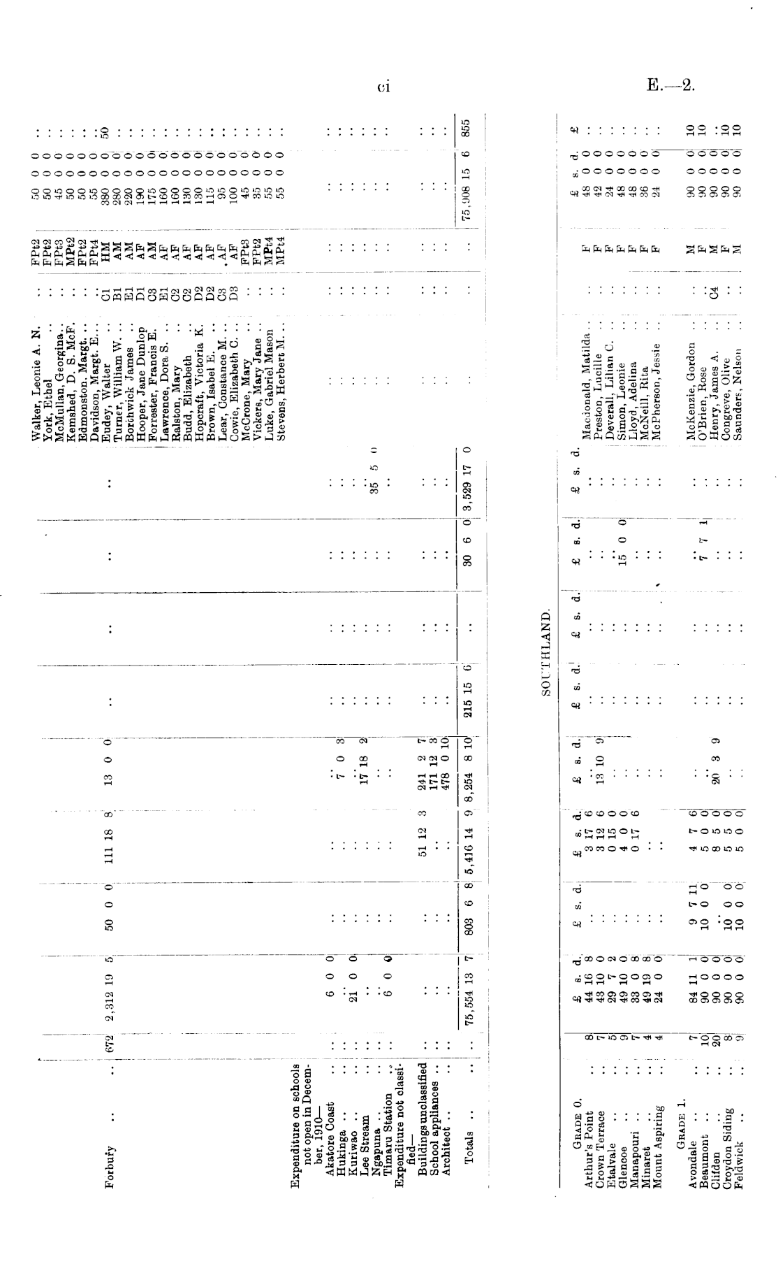
Fotbufy .. 672 2,312 19 5 50 0 0 111 18 8 13 0 0 Walker, Leonie A. N. York, Ethel McMullan, Georgina.. Kemshed, D. S. McF. Edmonston. Margt. .. Davidson, Margt. E... Eudey, Walter Turner, William W. .. Borthwick James Hooper, Jane Dunlop Forrester, Francis E. Lawrence, Dora S. .. Ralston, Mary Budd, Elizabeth Hopcraft, Victoria K. Brown, Isabel E. Lear, Constance M. .. Cowie, Elizabeth C. .. McCrone, Mary Vickere, Mary Jane .. Luke, Gabriel Mason Stevens, Herbert M. .. FPt2 50 0 0 .. FPt2 50 0 0 .. FPt3 45 0 0 .. MPt2 50 0 0 .. PPt2 50 0 0 .. FPt4 55 0 0 .. 01 HM I 380 0 0 50 Bl j AM 280 0 0.. El AM 220 0 0 .. Dl AF 190 0 0 .. C3 AM ; 175 0 0i .. El AF 160 0 0 .. 02 AF 160 0 0 .. C2 AF 130 0 0 .. D2 AF 130 0 0 .. D2 AF 115 0 0 .. C3 .AF 95 0 0 .. D3 AF 100 0 0 .. FPt3 i 45 0 0 .. FPt2 i 35 0 0 .. MPt4 55 0 0 .. MPt4 55 0 0 .. Expenditure on schools not open in December, 1910— Akatore Coast Hukinga Kuriwao Lee Stream Ngapuna .. Timaru Station . .> Expenditure not olassified— Buildings unclassified School appliances .. Architect '.'. 6 0 0 ai o o 6 0 0 ) I 7 0 3 17 18 2 35' 5 0 ■• •• .. 51 12 3 241 2 7 171 12 3 478 0 10 3,529 17 0 75,908 15 6 85J Totals .. .. 75 .. 75,554 13 7| 5,554 13 7 ■ 803 6 8 5,436 14 9 8,254 8 10 1 215 15 30 6 0:

Grade 0. Arthur's Point Crown Terrace Etalvale Glencoe Manapouri .. Minaret Mount Aspiring 8 7 5 9 7 4 4 & s. d. 44 10 8 43 10 0 29 7 2 49 10 0 33 0 8 49 19 8 24 0 0 £ s. d. £ s. d. 3 17 6 3 12 6 0 15 0 4 0 0 0 17 6 £ s. a. 13 10 9 2o" 3 9 & s. d: £ s. d. £ s. d. 15* 0 0 7* 7 1 £ s. d. Mac joriald, Matilda .. Preston, Lucille Deverall, Lilian C. .. Simon, Leonie Lloyd, Adelina McNeill, Rita McPherson, Jessie .. McKenzie, Gordon .. ! O'Brien, Rose Henry, James A. Congreve, Olive Saunders, Nelson 04 F F F F F F M F M F M £ s. d. 48 0 0 42 0 0 24 0 0 48 0 0 48 0 0 36 0 0 24 0 0 90 0 0 90 0 0 90 0 0 90 0 0 90 0 0 £ Gbade 1. Avondale Beaumont Clilden Croydon Siding Feldwick 7 10 20 8 9 84 11 1 90 0 0 90 0 0 90 0 0 90 0 0 9 7 11 10 0 0 l6' 0 0 10 0 0 4 7 6 5 0 0 8 5 0 5 5 0 5 0 0 10 10 10 10

Log in or create a Papers Past website account

Use your Papers Past website account to correct newspaper text.

By creating and using this account you agree to our terms of use.

Log in with RealMe®

If you’ve used a RealMe login somewhere else, you can use it here too. If you don’t already have a username and password, just click Log in and you can choose to create one.


Log in again to continue your work

Your session has expired.

Log in again with RealMe®


Alert