Page image
Page image

G.— iô.

4

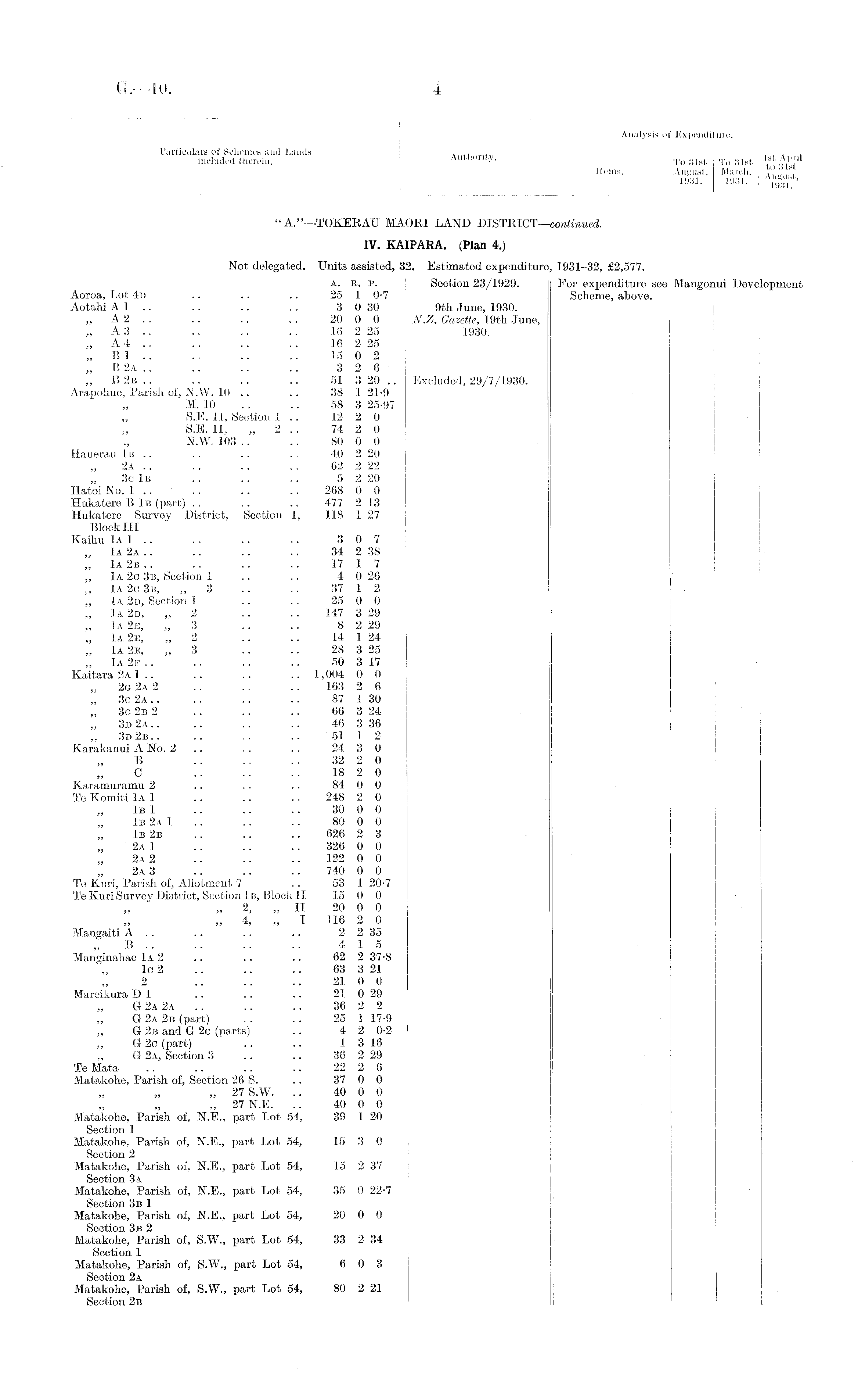
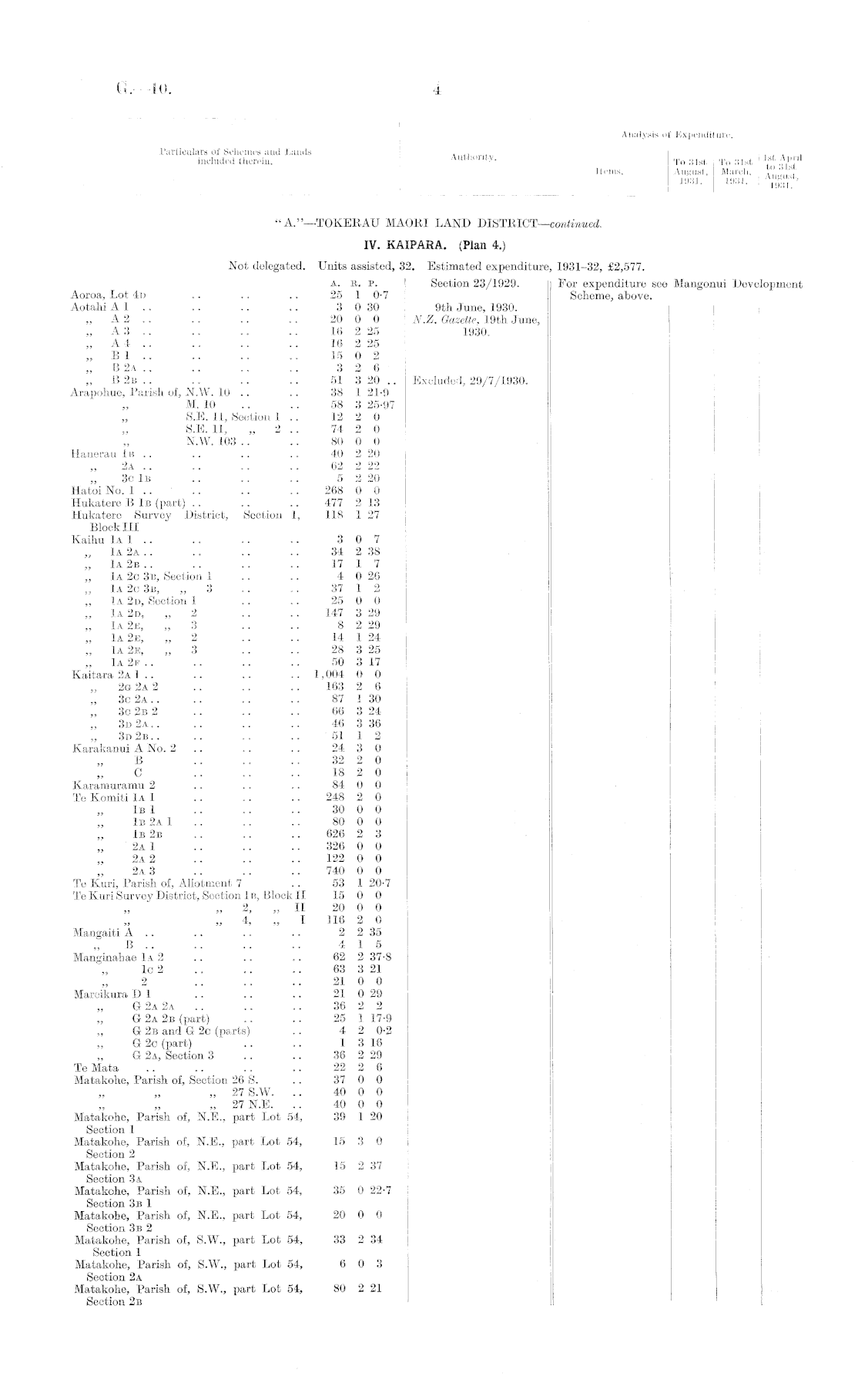
Analysis of Expenditure. Particulars of Schemes aud Lauds A ., .. 7, , , included therein. Authority. To 31st To 31st l ,, l 'i" Items. August, March, J°°"J 1931. 1931. Ifii ■ "A."—TOKERAU MAORI LAND DISTRICT— continued. IV. KAIPARA. (Plan 4.) Not delegated. Units assisted, 32. Estimated expenditure, 1931-32, £2,577. a. k. p. Section 23/1929. For expenditure see Mangonui Development Aoroa, Lot 4d .. .. .. 25 1 0-7 Scheme, above. Aotahi A 1 .. .. .. .. 3 0 30 9th June, 1930. „ A 2 .. .. .. .. 20 0 0 N.Z. Gazette. 19th June, „ A 3 .. .. .. ' .. 16 2 25 1930. „ A 4 .. .. .. .. 16 2 25 „ B 1 .. .. .. .. 15 0 2 „ B 2a .. .. .. .. 3 2 6 „ B 2b .. .. .. .. 51 3 20 .. Excluded, 29/7/1930. Arapohue, Parish of, N.W. 10 .. .. 38 1 21-9 M. 10 .. 58 3 25-97 S.E. 11, Section 1 .. 12 2 0 S.E. 11, „ 2 .. 74 2 0 N.W. 103 .. 80 0 0 Hanerau Ib .. .. .. .. 40 2 20 2a .. .. .. .. 62 2 22 3c Ib ...... 5 2 20 Hatoi No. 1 .. .. .. .. 268 0 0 Hukatere B Ib (part) .. .. .. 477 2 13 Hukatere Survey District, Section 1, 118 1 27 Block III Kaihu Ia 1 .. .. .. .. 3 0 7 „ 1a 2a ........ 34 2 38 „ lA 2b .. .. .. .. 17 1 7 1a 2o 3b, Section 1 .... 4 0 26 „ 1a 2c 3b, „ 3 37 1 2 „ 1a 2d, Section 1 .. .. 25 0 0 „ 1.A 2d, „ 2 .. .. 147 3 29 „ 1a 2e, „ 3 .. .. 8 2 29 „ 1a 2b; „ 2 .... .14 1 24 „ 1a 2e, „ 3 .. .. 28 3 25 „ 1a2f.. .. .. .. 50 3 17 Kaitara 2a 1 .. .. .. .. 1,004 0 0 2g 2a 2 .. .. .. 163 2 6 3o2a.. .. .. .. 87 1 30 3o 2b 2 .. .. .. 66 3 24 3d 2a.. .. .. .. 46 3 36 3d 2b.. .. - 51 1 2 Karakanui A No. 2 .. .. .. 24 3 0 B .. .. .. 32 2 0 C .. .. .. 18 2 0 Karamuramu 2 .. .. 84 0 0 Te Komiti 1a 1 .. .. .. 248 2 0 „ Ib 1 .. .. 30 0 0 Ib 2a l .. 80 0 0 „ 1b2b .. .. 626 2 3 2a 1 .. .. .. 326 0 0 2a 2 .. .. .. 122 0 0 2a 3 .. .. .. 740 0 0 Te Kuri, Parish of, Allotment 7 .. 53 1 20-7 Te Kuri Survey District, Section Ib, Block II 15 0 0 „' 2, „ II 20 0 0 „ 4, „ I 116 2 0 Mangaiti A ........ 2 2 35 B .. .. 4 15 Manginahae Ia 2 .. .. .. 62 2 37-8 „ lc 2 ...... 63 3 21 , „2 .. .. 21 0 0 Mareikura D 1 .. .. .. 21 0 29 G2a2a .. .. .. 36 2 2 G 2a 2b (part) .. .. 25 1 17-9 G 2b and G 2c (parts) .. 4 2 0-2 G 2c (part) .. .. 1 3 16 G 2a, Section 3 .. .. 36 2 29 Te Mata .. .. .. .. 22 2 6 Matakohe, Parish of, Section 26 S. .. 37 0 0 „ 27 S.W. .. 40 0 0 „ 27N.E. .. 40 0 0 Matakohe, Parish of, N.E., part Lot 54, 39 1 20 Section 1 Matakohe, Parish of, N.E., part Lot 54, 15 3 0 Section 2 Matakohe, Parish of, N.E., part Lot 54, 15 2 37 Section 3a Matakohe, Parish of, N.E., part Lot 54, 35 0 22-7 Section 3b 1 Matakohe, Parish of, N.E., part Lot 54, 20 0 0 Section 3b 2 Matakohe, Parish of, S.W., part Lot 54, 33 2 34 Section 1 Matakohe, Parish of, S.W., part Lot 54, 6 0 3 Section 2a Matakohe, Parish of, S.W., part Lot 54, 80 2 21 Section 2b

Log in or create a Papers Past website account

Use your Papers Past website account to correct newspaper text.

By creating and using this account you agree to our terms of use.

Log in with RealMe®

If you’ve used a RealMe login somewhere else, you can use it here too. If you don’t already have a username and password, just click Log in and you can choose to create one.


Log in again to continue your work

Your session has expired.

Log in again with RealMe®


Alert