Page image
Page image

G—lo.

5

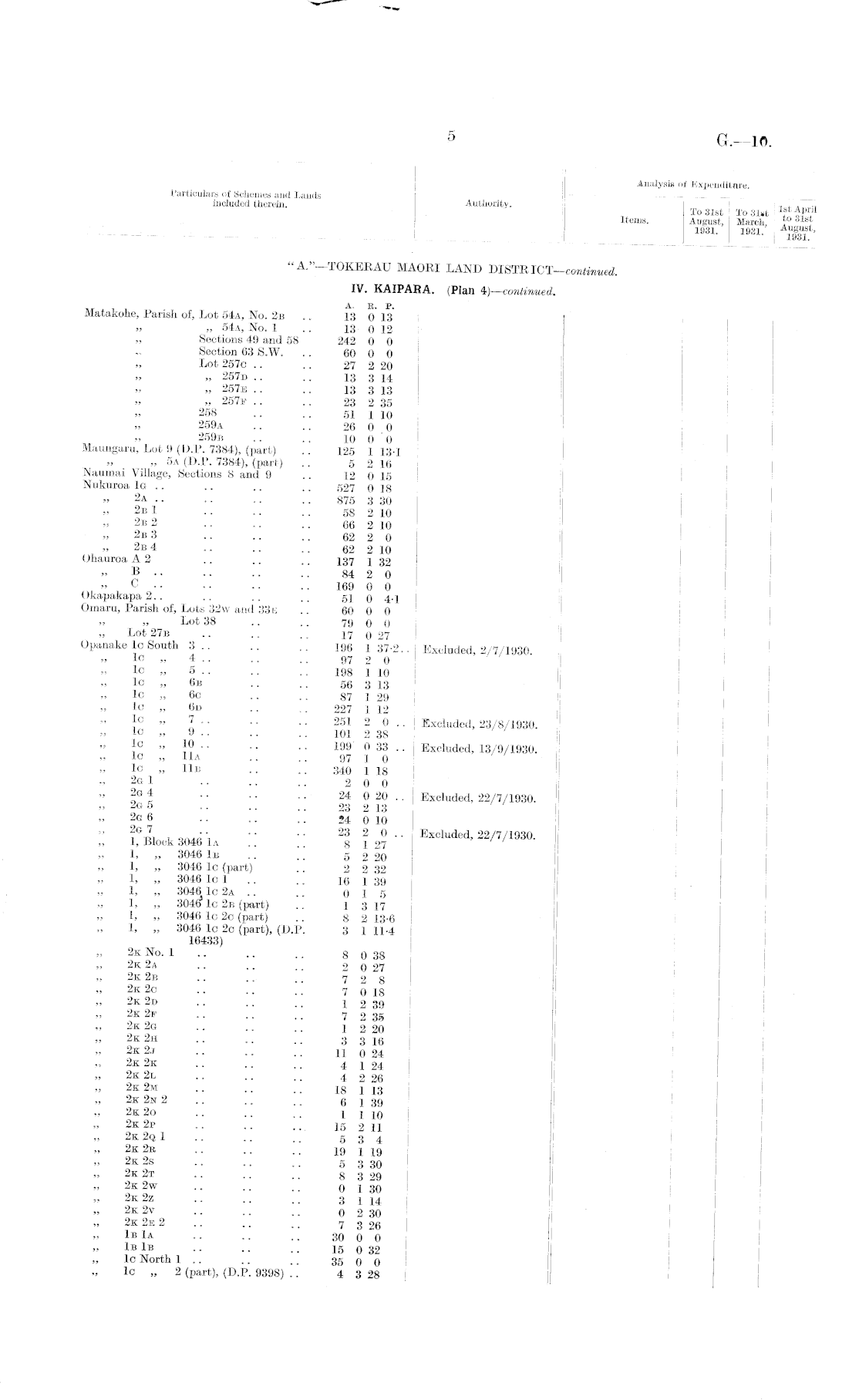
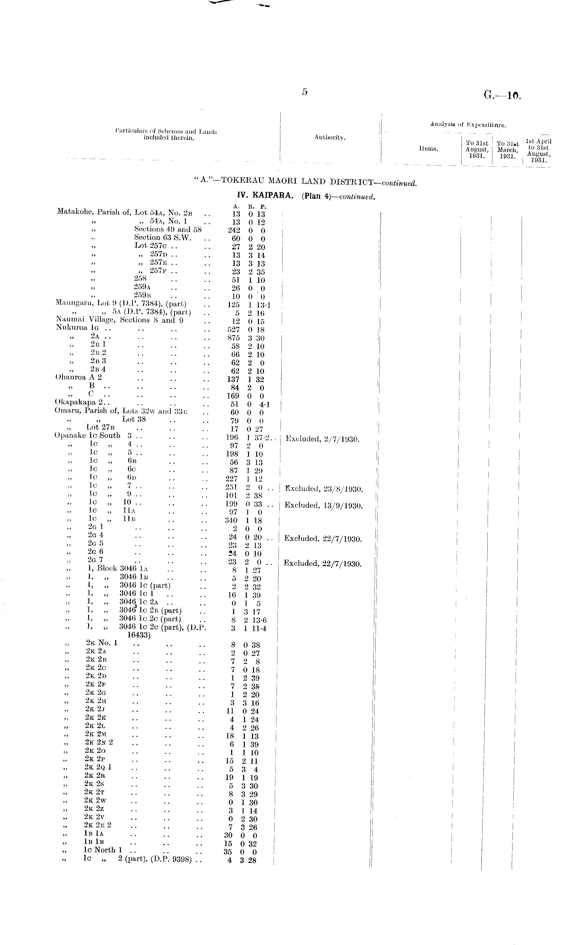
-Analysis of Expenditure. Particulars of Schemes and Lands ___ included therein. Authority. , . , .. To 31st ToBlst 1 Items. August, March, *° 31st - __. _. 1981. 1981. A^ t > "A.--TOKEKAU MAORI LAND DISTRICT-co»*»** IV. KAIPARA. (Plan 4)— continued. Matakohe, Parish of, Lot 54a, No. 2b 13 o 13° r , 54a, No. 1 ... 13 0 12 „ Sections 49 and 58 242 0 0 Section 63 S.W. 60 0 0 Lot 257c .. .. 27 2 20 » 257d .. .. 13 3 14 ,. 257e .. .. 13 3 13 „ 257f .. .. 23 2 35 258 .. .. 5i i io 259a .. .. 26 0 0 259b .. .. io o'O Maungaru, Lot 9 (D.P. 7384), (part) .. 125 1 13-1 „ 5a (D.P. 7384), (part) .. 5 2 16 Naumai Village, Sections 8 and 9 .. 12 0 15 Nukuroa 1g .. .. .. .. 527 0 18 2a .. .. .. .. 875 3 30 2b 1 .. .. .. 58 2 10 2b 2 .. .. .. 66 2 10 2b 3 .. .. .. 62 2 0 ,•> 2b4 62 2 10 Ohauroa A 2 .. .. .. 137 j 32 " £ 84 2 0 n >> C •• •• •• •- 169 0 0 Okapakapa2.. .. .. , 51 0 4L Omaru, Parish of, Lots 32w and 33e 60 0 0 Lot 38 .. .. 79 0 0 ,, Lot 27b .. .. .. 17 0 27 Opanake lo South 3.. .. .'.' ]96 j 37 . 2 . . Excluded, 2/7/1930. ., Io „ 4 .. .. .. 97 2 0 lo „ 5 .. .. .. 198 1 10 lc „ 6b .. .. 56 3 13 lc ,, 60 .. .. 87 1 29 lc » 6d .. .. 227 1 12 J° " ' 251 2 0 .. Excluded, 23/8/1930. lo „ 9 101 2 38 }° " *? 199' 0 33 .. Excluded, 13/9/1930. lo „ 11a .. .. 97 1 0 lc „ 11b .. .. 340 1 is 2g1 2 0 0 2g \ ■■ ■■ ■■■ 24 0 20 .. Excluded, 22/7/1930. 2(1 5 • • • ■ .. 23 2 13 2g 6 .. .. .. 24 0 10 " ? G tJi , on,» \ " • • • 23 2 0 .. Excluded, 22/7/1930. „ 1, Block 3046 Ia .. .. 8 1 27 1» » 3046 1b .. .. 5 2 20 L „ 3046 lo (part) .. 2 2 32 1, „ 3046 lo 1 .. .. 16 1 39 1, „ 3046 1c 2a .. .. 0 15 1, „ 3046 lo 2b (part) .. 1 3 17 1, „ 3046 lc 2c (part) .. 8 2 13-6 1, „ 3046 lo 2c (part), (D.P. 3 1 11-4 16433) 2k No. 1 8 0 38 2k 2a .. .. .. 2 0 27 2k 2b .. ... .. 7 2 8 2k 2o 7 0 18 2k 2d 1 2 39 2k 2f 7 2 35 2k 2g 1 2 20 2k2h 3 3 16 2k 2j .. .. .. 11 0 24 2k 2k .. .. .. 4 1 24 2k 2l .. .. .. 4 2 26 2k2 m 18 1 13 „ 2k 2n 2 6 1 39 2k2 ° 1 1 10 2* 2p .. .. .. 15 2 11 2k 2q 1 .. .. .. 5 3 4 2 * 2b ...... 19 1 19 2k 2s 5 3 30 2k 2t ........ 8 3 29 2k 2w .. .. .. 0 1 30 » 2k2z 3 1 14 2k 2v 0 2 30 2k 2e 2 .. .. .. 7 3 26 !b1a .. .. .. 30 0 0 lslB • • • • .. 15 0 32 lo North 1 .. .. .. 35 0 0 lo „ 2 (part), (D.P. 9398) .. 4 3 28

Log in or create a Papers Past website account

Use your Papers Past website account to correct newspaper text.

By creating and using this account you agree to our terms of use.

Log in with RealMe®

If you’ve used a RealMe login somewhere else, you can use it here too. If you don’t already have a username and password, just click Log in and you can choose to create one.


Log in again to continue your work

Your session has expired.

Log in again with RealMe®


Alert