Page image
Page image
Page image
Page image
Page image
Page image
Page image
Page image
Page image
Page image
Page image
Page image
Page image
Page image
Page image
Page image
Page image
Page image
Page image
Page image

Pages 21-40 of 55

Pages 21-40 of 55

Page image
Page image
Page image
Page image
Page image
Page image
Page image
Page image
Page image
Page image
Page image
Page image
Page image
Page image
Page image
Page image
Page image
Page image
Page image
Page image

Pages 21-40 of 55

Pages 21-40 of 55

G.— 1j

1908. NEW ZEALAND.

NATIVE LANDS AND NATIVE-LAND TENURE: INTERIM REPORT OF NATIVE LAND COMMISSION, ON NATIVE LANDS IN THE COUNTIES OF WHANGAREI, HOKIANGA, BAY OF ISLANDS, WHANGAROA, AND MANGONUI.

Presented to both Houses of the General Assembly by Command of His Excellency.

Native Land Commission, Rotorua, 10th June, 1908. To His Excellency the Governor. May it please Your Excellency,— . n ~ , We have the honour to submit for your consideration a report upon Native lands in the following counties north of Auckland : Whangarei Hokianga Bay of Islands, Whangaroa, Mangonui. The Commission held sittings at the following places during the months of March and April .Whangarei Russell Kawakawa, Kaikohe, Whangaroa, Mangonui, Waima, Kohukohu Pakanae, Opononi, Ngarongotea, Ahipara. At each place the Maori owners attended in large numbers and readily brought their blocks before us Wherever the title permitted and the owners were present we were able to deal with the lands. In the case of some of the larger blocks in the Hokianga and Bay of Islands Counties we were compelled to override the wishes of the owners, in the interests of settlement the reserves asked for being in our opinion too large and clearly beyond the resources and capacity of the owners to utilise cw^i We reserve for the end of the report remarks of a general nature, Special matters are referred to in connection with each county. 1. Whangarei County. The total area of Native lands in this county for which titles have been issued is, so far as we can ascertain, 52,707 acres 3 roods 28 perches The area of papatupu land is estimated at 5,500 acres There were at the last census 960 Maoris in this county. A considerable number of them chiefly members of the Nehua family, are engaged in farming and some are dairying. We note that there is a lack of system in the conduct of farming operations, due no doubt to inexperience and want of proper instruction. We recommend that out of the area-58,207 acres 3 roods 28 perches-15 674 acres and 19 perches be reserved and set apart for Maori occupation under Part II of "The Native Land Settlement Act, 1907," and 13,098 acres 1 rood 26 perches be set apart for sale and leasing under Part lof the said Act The lands for sale and leasing are scheduled so as to show how the owners wish them to be disposed of Inclusive of papatupu lands the area of land per head owned by the

I—G. Ij.

G.— lj

2

Maoris of this county is about 60 acres. The average quality of the land is fair pastoral, according to the reports of the Valuation and the Lands and Survey Departments. The area offered for general settlement' (inclusive of lands under lease or negotiation for lease to Europeans) amounts to nearly one-half of the area inquired into by the Commission. It will probably be found that when the balance—l9,ooo-odd acres —is dealt with the same proportion (one-half) will be offered for European settlement. The area not dealt with in this county is 19,539 acres 1 rood 21 perches of lands for which there are titles and 5,500 acres papatupu, a total of 25,039 acres 1 rood 21 perches. The Maoris interested did not attend the Whangarei sitting, owing to the weather. They live chiefly at Mangakahia. The accompanying schedules set forth our recommendations in detail. The following is a summary : — A. K. P. Lands leased ... ... ... ... ... ... 4,406 0 2 Lands for Maori occupation—papakaingas, &c. ... ... 15,674 0 19 Lands for general settlement— a. e. p. 1. For leasing ... ... ... 12,131 3 26 2. For sale ... ... ... ... 966 2 0 13,098 1 26 Lands not dealt with—1. Papatupu (approximate) ... ... 5,500 0 0 2. Other lands ... ... ... 19,529 1 21 25,029 1 21 Total ... ... ... ... ... ... 58,207 328 2. Hokianga County. The total area of Native land in this country is 223,715 acres 1 rood 26 perches, inclusive of 48,804 acres papatupu land, or land the title to which has not been definitely ascertained. The average quality of these lands is good fair pastoral, and in the valleys very good agricultural land. Te Karae Block (vested in the Tokerau Maori Land Board), portions of Mangamuka East and West, Utakura, Wairere, and Motukiore, Waima South and small blocks near the Waima Settlement, the Whirinaki and Waimamaku Valleys, Whakarapa and part of Waihou Lower, and lands at Whangape are all excellent pastoral and agricultural areas. In fact it may be said generally that the best virgin land north of Auckland is in Hokianga County. The necessity of cutting out the large areas of milling-timber has in the. past and will for some years to come delay the occupation of the Hokianga lands for farming purposes. Formerly the kauri engaged the attention of the timber companies. They have, now that the kauri is practically worked out, devoted themselves to other timber —rimu, white-pine, matai, and so on. In most cases the timber has been acquired on the basis of paying royalty. Options have been secured over a number of blocks by a few companies, which are allowed a fixed period for cutting out the timber. Where the owners have determined to hold and work the land themselves, such land carrying milling-timber, the timber is cut into logs by the more energetic owners and sold to the mills. The vendors generally fail to account to the owners for royalty on timber so sold. Much trouble has arisen in consequence. The hesitation of some of the Hokianga Maoris to agree to an equitable system of dealing with the communal lands, so as to account for the profits, is in our opinion due to this traffic in timber by individual owners. There is no question that the milling-timber must be allowed to be cut off the Native lands of this county before they are given over to the pastoralist. It is an asset too valuable to be wasted. There is no district that has such a splendid water carriage for the conveyance of timber. At the same time we think that the administration of the timber areas so as to secure to the owners the best terms and to the eager settler the least possible delay should he undertaken by a responsible body such as the Board.

3

G.— lj

The Maori population of this county at the last census was 2,769. We were favourably impressed with their prospects as farmers. There are the nuclei of healthy Maori farming communities at Waihou Lower, Whakarapa, Waimamaku, Whirinaki, Waima, Utakura, and Mangamuka. As shown in the accompanying schedules, the Maoris of these places have brought under cultivation a considerable area of land. We do not think that the area we have recommended to be reserved for Maori occupation—namely, 81,073 acres —is excessive. It does not amount to 30 acres per head, or, deducting burial reserves and what are proposed as forest reserves, to 28 acres per head. The area for farming purposes will not amount to 25 acres per head if the papakaingas are deducted. Our detailed recommendations are set forth in the schedules hereto. The following is a summary : — A. E. P. A. R. P. Lands leased ... ... ... ... ... ... 14,729 0 0 Lands for Maori occupation— 1. Papakaingas, cfcc. ... ... ... 66,112 1 15 2. Lease to Maoris ... ... ... 11,593 225 3. To be incorporated ... ... 3,367 1 15 81,073 1 15 Lands for general settlement — 1. For leasing - ... ... ... 48,995 1 5 2. For sale ... ... ... ... 5,792 0 33 3. Vested in Board ... ... ... 19,536 0 0 74,323 1 38 Lands not dealt with— 1. Papatupu ... ... ... 48,804 0 0 2. Other lands ... ... ... 2,926 2 13 . 51,730 2 13 Special recommendation ... ... ... ... .. 1,859 0 0 Total 223,715 1 26 The area proposed for general settlement by these recommendations is 54,787 acres. The blocks are scheduled so as to show the tenure favoured by the Maori owners. Less than 6,000 acres is offered for sale. To the area recommended by us may'be added Te Karae Block of nearly 20,000 acres, making a total available for general settlement of 74,323 acres. To facilitate the definition of boundaries we have asked the Native Department to instruct surveyors to report on some of the larger blocks. Our letter to the Hon. the Native Minister on the subject is given as Appendix Ito this report. We have already recommended Your Excellency by memoranda dated respectively the 11 th and 15th days of May, 1908 (copies of which are given in Appendix II to this report) that certain blocks in Hokianga County be brought under section 10 of " The Native Land Settlement Act, 1907," so that private alienation may be prohibited for a period sufficient to cover the completion of the preliminaries necessary before the lands concerned are properly brought under the provisions of the said Act. Our special remarks on certain blocks in this county will be found in Appendix I. A special report to the Native Minister on Te Karae Block will be found in Appendix 111. 3. Bay of Islands County. The area of Native lands in this county is 228,737 acres, inclusive of 57,668 acres (approximately) of papatupu land. The land is of uneven quality. The best of it may be found in the neighbourhood of Kaikohe, in the Motatau series of blocks, running in patches intermixed with poor gum land. Portions of the Rawhiti Blocks to the south of Cape Brett are reported to be good pastoral and agricultural land. The timber problem does not affect the Bay of Islands lands to the same extent as the Hokianga lands. The most valuable timber area is on the Motatau No. 2, now vested in the Board. The Maori population of the county at the last census was 2,571. The largest area of land under Maori cultivation is on. the Motatau Blocks, which comprise two-fifths of the Native lands in the county. Most of the improve-

4

G.—lj

ments are recent, having been effected during the last four or five years. The leading men have employed working-bees composed of owners and others. On partition it may be necessary to adjust the value of improvements as between owners contributing labour. But if our proposals for incorporation are carried out, such adjustment will not be required. In the Ahuahu district and at Whakanekeneke the Maoris have succeeded in bringing a good deal of land under cultivation. At the latter place they have commenced dairying. Inclusive of papakaingas, burial reserves, and landing-places we recommend an area of 68,574 acres 1 rood 22 perches to be reserved for Maori occupation, or an average of 26f acres per head. Our detailed recommendations are set forth in the accompanying schedules. The following is a summary : — A. R. P. A. R. P. Lands leased ... _ 9-377 228 Lands for Maori occupation — 1. Papakaingas, &c. ... ... ... 45,137 310 2. Leases to Maoris ... ... ... 844 0 0 3. To be incorporated ... ... 22,592 2 12 . 68,574 1 22 Lands for general settlement — 1. For leasing 41,889 0 19 2. For sale .'5,052 2 25 3. Vested in Board ... ... ... 45,115 0 0 90,056 2 34 Lands not dealt with — 1. Papatupu ... ... •■■ 57,668 2 15 2. Other lands 3,060 0 30 60,728 3 5 Total 228,737 2 19 The area we recommend for general settlement by lease and sale is 44,941 acres 3 roods 4 perches, scheduled so as to indicate the tenure favoured by the owners. To this mav be added the area vested in the Maori Land Board, 45,115 acres, making a total of 90,056 acres 2 roods 34 perches. We have made a special report to the Native Minister on Motatau No. 2, one of the blocks vested in the Board (see Appendix III). The area of papatupu land, 57,668 acres, is very large. We understand that a number of blocks comprising this area were dealt with by Block Committees, confirmed by the Maori Land Board, but were referred back to the Native Land Court by the Native Appellate Court. Included in this area is the valuable Tautoro Subdivision of Motatau, called Motatau No. 5, lying to the south of Kaikohe, and a number of small but very valuable blocks near Kaikohe. Exclusive of papatupu, the area of land not dealt with by the Commission or as to which further information is required is 3,060 acres and 30 perches. A copy of our recommendations to Your Excellency for_ the issue of an Order in Council under section 10 of " The Native Land Settlement Act, 1907," prohibiting private alienation in respect of certain lands in this county will be found in Appendix II of this report. A special report was made to the Hon. the Native Minister as in the case of certain Hokianga lands, and will be found in Appendix I. 4. Whangaroa County. The area of lands of all kinds in this county is 100,200 acres. The approximate area of Native lands is 34,958 acres. Of this area part is papatupu land. There are already leased or under negotiation for lease to Europeans 3,446 acres. This leaves a balance of Maori lands to be dealt with of 31,492 acres, but of this area, 5,688 acres are papatupu land. The balance open for investigation by us therefore is 25,804 acres. The land is mainly unimproved, and consists for the most part of low steep hills, with small valleys in between. It is mostly in teatree scrub, and the remains of bush from which the milling-timber has been cut. None of the land can be termed first-class land. Part of it may be termed second-

g.—ij,

5

class land, but the greater portion of it is third- or fourth-class land. If the lands were in the South Island, no pastoralist would consider a run of such country of a less area than 15,000 acres suitable for pastoral purposes, and, indeed country of a similar character in the South Island set aside for pastoral runs'would be generally in areas of 20,000 to 40,000 acres. The land is wholly unploughable, and could only be got into grass-bearing by burning the bush and scrub and sowing grass. The only grass that seems suitable is the Danthonia, and in places a new grass that is coming into much favour in the North of Auckland called Paspalum dilatatum. Even when in grass the hill country cannot be expected to support on an average more than one sheep to the acre all the year round. There are according to the last census 743 Maoris in the county, and as the land is generally unsuitable for cultivation by the plough, it will be seen that there are only about 30,000 acres of inferior land for this large number of Maoris, an average of about 40 acres each. This is really too small an area for the Maoris to be expected to make a living off the land by ordinary farming. There are 65,242 acres in the county owned by Europeans (inclusive of Crown lands) and at the last census there were 801 Europeans in the county. Assuming that they were all engaged in farming, this would give an area of 81 acres each, but a great number of Europeans are engaged in sawmilling, bushfelling, storekeeping, shipbuilding, &c. It will be seen from this statement that the area used by the European farmers is far larger per head than the area left to the Maoris per head for farming purposes, and if the Maoris had to look to farming there is too small an area of their own land fit for pastoral purposes. A considerable number of them, and, indeed, of Europeans, have been maintained by digging for- kauri-gum, but the gumfields are gradually becoming exhausted, and the kauri forests in the county are nearly at an end. There will be therefore a lack of employment both for Maoris and Europeans unless the land now lying waste and uncultivated is turned to some profitable use. Farming in the northern region of New Zealand has followed too much the lines of farming in the more temperate parts of New Zealand. The north of Auckland is subtropical, and it should be able to carry a large population if there were introduced into the district the kind of cultivation that is customary in subtropical countries. We were informed that experts have said that Whangaroa would be very fine fruit-growing country, and that olives would succeed well in many parts of the district. Fruit-growing, however, to be successful would require either some means of putting the fruit quickly on the market or canneries to be established, and to obtain these both capital and enterprise are requisite, neither of which is forthcoming at present in the Whangaroa County. It cannot be expected that the Maoris can take up fruit-culture at present. They would require to be educated as orchardists, and they would also require considerable capital to start such an enterprise, and they are, we regret to say, destitute of any accumulated funds. The sale of part of their lands, and of the timber on the lands they still hold, has not enriched them. They have spent their money in various unproductive ways, from' which the consumption of alcohol has not been absent. We mention these facts to show that at present we cannot say the Maoris have surplus lands unnecessary for their own sustenance, and therefore that, strictly speaking, none of their lands can be brought under sections 4 and 11 of the 1907 Act. At the same time they are anxious that some of their lands should be leased. This may enable them to pay the rates on the land they retain, and assist them in living whilst they are engaged in bringing their land into cultivation suitable for sheep-pasturage. They are willing to dispose of an area of 10,798 acres. This would leave them 13,148 acres for their own immediate occupation, and leave 1,857 acres yet to be considered and 5,688 acres papatupu land. The need of having the land leased by public auction so that every person in the community may have an equal chance of obtaining land for settlement, and the need also of the Maoris being protected so that the best price may be obtained for the land they lease, and the need of a lease being speedily agreed to, point to the Maori Land Board as the

G.—1j

6

proper authority to undertake the leasing of their lands. If, however, the Board cannot do so unless at the same time it offers for sale half of the land reserved for leasing, then the Maoris must be left to lease their land as best they can, as we cannot recommend that any land be sold save the small area of 1,596 acres mentioned in the accompanying schedules. We recommend that the lands should be dealt with as appears in the schedules annexed to this report. This is a district that requires the immediate attention of an agricultural expert who is acquainted not only with pastoral farming, but also with fruitculture. If such an expert had sympathy with the Maoris and understood their ways, and was settled amongst them for some months every year, directing them how to proceed in improving their land, there would be a great gain not only to the Maoris, but to the whole Dominion. We would strongly recommend the attention of the Government to this subject. We have dealt with the county as an agricultural district. There are, however, indications that it may become an important mining district. Copper has been found in considerable quantity, and bits of cinnabar have been picked up. After the copper was discovered some of the copper-bearing land was bought from the Maoris by the Crown at £1 per acre. It may be pointed out that even if the mining should not he successful the future of the county is still hopeful, for it has one of the finest harbours in New Zealand and the harbour and sea adjoining are well stocked with fish, and it has a subtropical climate not excelled in Australasia. Our detailed recommendations will be found in the accompanying schedules. The following is a summary :— A. E. P. A. R. P. Lands leased ... ... ... ... ... ... 3,466 0 3 Lands for Maori occupation —papakaingas, &c. ... ... 13,148 1 22 Lands for general settlement— 1. For leasing ... ... ... 9,202 1 6 2. For sale ... ... ... ... 1,596 2 0 — 10,798 3 6 Lands not dealt with— 1. Papatupu ... ... ... 5,688 0 0 2. Other lands ... ... ... 1,857 2 4 7,545 2 4 Total 34,958 2 35 5. Mangonui County. The area of Native land in this county is 109,706 acres, of which 6,904 acres is still papatupu. The best of the land is on the western side of the county between Herekino and Ahipara. The rest is poor, with good land in patches surrounding the Maori settlements and papakaingas. Parliament has vested in the Maori Land Board the blocks at Te Kao and Parengarenga in the far north, of a total area of 57,306 acres. We have submitted to the Hon. the Native Minister a report on these blocks (see Appendix III). Our detailed recommendations are given in the accompanying schedules. The following is a summary : — A. E. P. A. R. P. Lands leased ... ... ..._ ■■■ ••• ■•■ 679 3 0 Lands for Maori occupation —papakaingas, &c. ... ... 23,236 2 23 Lands for general settlement — 1. For leasing ... ... ••• 6,819 1 34 2. For sale 982 0 0 3. Vested in the Board ... ... 57,306 0 0 65,107 1 34 Lands not dealt with— 1. Papatupu ... ... ... 6,904 0 0 2. Other lands -... ... ■•• 13,778 2 35 20,682 2 35 Total 109,706 2 12

7

G.— lj

The area recommended for Maori occupation—23,236 acres —would appear small for a Maori population of 2,053 (at the last census). The area offered by the Maoris for general settlement is 7,801 acres, and there are 6,980 acres already under lease to Europeans. Exclusive of papatupu lands the area not dealt with by the Commission or as to which further information is required amounts to 13,778 acres. As in the case of Whangaroa so here we may observe that compliance with the provisions of section 11 of " The Native Land Settlement Act, 1907," should not be pressed in regard to the area offered by the Maoris and recommended by us for general settlement. We have already recommended Your Excellency (see Appendix III) to prohibit private alienation in regard to Manukau Block, a large and valuable block south of Ahipara. In our opinion the title to Ahipara Block adjoining it on the north should be first decided, and the two could be dealt with together. General Remarks. The following general summary will show the position of the Native lands in the five northern counties covered by this report: —

General Summary.

Recapitulation. A. R. P. A. E. 1. Leased ... ... ... ... ... ... 32,659 0 14 2. For Maori occupation ... ... ... ... 201,706 3 21 3. For general settlement — (a.) By lease ... ... ... 119,038 010 (6.) By sale ... ... ... 12,389 3 18 (c.) Vested in Board ... ... 121,957 0 0 253,384 3 28 4. Title unascertained ... ... ... ... ... 124,564 2 15 5. Not dealt with (title ascertained) ... ... ... 41,152 123 6. Special recommendations ... ... ... ... 1,859 0 0 Grand total ... ... ... ... ... 655,326 3 21 It is to be noted that in these five counties, out of a total of 655,326 acres, only 32,659 have been leased or are under negotiation for lease to Europeans. This is quite exceptional when compared with the position further south, where the leasing of Native lands has been very keen and active since 1905. It is partly explained by the fact that until recently a very large area, which we estimate at 101,642 acres and 26 perches, was papatupu land not clothed with any title. In some cases, especially in Hokianga County, the existence of timber options, not always legal yet sufficiently binding on Maori vendors, have prevented the pastoralist from negotiating for the grazing-rights. We further direct attention to the large area of papatupu land and land the title of which has not been properly ascertained. Of the papatupu blocks about one-half has been partially investigated by Block Committees, whose findings were affirmed by the Maori Land Board. On appeal to the Native Appellate

Lands. I Whangarei. Hokianga. Bay of Islands. Whangaroa. Mangonui. 1. Leased 2. Maori occupation,— (a.) Papakaingas, &c. .. i (6.) Lease to Maoris .. > (c.) Incorporation 3. General settlement, — (a.) By lease (6.) By sale (c.) Vested in Board 4. Title unascertained 5. Not dealt with where title ascertained 6. Special recommendation A. B. P. 4,406 0 2 A. E. P. 14,729 2 21 9,377 2 28 A. R. P. 3,466 0 3 A. B. P. 679 3 0 15,674 0 19 ( 66,112 1 15 \ 11,593 2 25 { 3,367 1 15 45,137 3 10 844 0 0 22,592 2 12 [13,148 1 22 23,236 2 23 12,131 3 26 966 2 0 48,995 1 5 5,792 0 33 19,536 0 0 48,804 0 0 2,926 2 13 1,859 0 0 41,889 0 19 3,052 2 25 45,115 0 0 57,668 2 15 3,060 0 30 9,202 1 6 1,596 2 1 6,819 1 34 982 0 0 57,306 0 0 6,904 0 0 13,778 2 35 5,500 0 0 19,529 1 21 5,688 0 0 1,857 2 4 Totals 58,207 3 28 223,715 1 26 228,737 2 19 34,958 2 35 109,706 2 12

G.—1j

8

Court the latter referred the cases to the Native Land Court. There is need of special effort on the part of the Native Department to clothe this large area with proper titles, that settlement may be facilitated. There are also huge arrears of survey work to be overtaken in all five counties —surveys that are absolutely necessary before proper titles can be issued to would-be settlers. The machinery of recent legislation for opening up Native lands for settlement cannot be set in motion until these surveys are executed. In 1900 Parliament delegated to Maori Committees, elected by claimants to papatupu lands, some of the powers of the Native Land Court on investigation of title. We were given to understand that this method of investigation had ignobly failed. Yet its results are astonishing, judging from the following figures which summarise the position for all counties north of Auckland : — A. R. P. A. R. P. Area of blocks dealt with ... ... 175,393 0 26 Area affirmed by Board and not appealed against ... ... ••• ••• 28,315 2 26 Area appealed against and finally deter- • mined by Appellate Court ... ... ... 73,217 2 0 Area referred to Native Land Court, or for which no i-itle issued ... ... ... 72,420 0 0 The time occupied was seven years, and in our opinion there was a considerable saving of money to the State. In our memorandum to the Hon. the Native Minister on blocks vested in the Board (Appendix III) we directed attention to two matters of importance, as to which further legislation is necessary. We quote from the memorandum the following: — . . „ " We may here point out that the system of leasing provided in Part II of ' The Native Land Settlement Act, 1907' (sections 55 to 57), does not apply to areas set aside for lease to Maoris out of lands vested in the Board by virtue of section 8 of ' The Maori Land Settlement Act, 1905,' notwithstanding section 23 of the Maori Land Claims Adjustment, &c, Act, of 1907. The latter refers only to lands vested by virtue of section 4 of ' The Maori Land Settlement Act Amendment Act, 1906.' Motatau, Te Karae, and other blocks were vested under the Act of 1905. The result is that preference cannot be given to the owners or to Maori tenants specified by them. The law requires amending to give this preference. Meantime, the reservation of sections for lease to Maoris can be made, and their disposal awaits further legislation. The settlement of sections for lease to the general public will of course be prejudiced or delayed. " The problem was presented to us in dealing with the papakaingas in these and other lands vested in the Board that no power exists for defining what beneficiaries shall have the use of the reserves. They are reserved, we take it, for all the beneficiaries, and if a dozen reserves were made in any block all the beneficiaries would be entitled to residence and use of each of them. We are of opinion that during the period of the leases the use of the papakaingas should be restricted to beneficiaries to be determined by the Board or other tribunal. Absentee owners should prima facie be excluded, so also owners who may take leases of sections. And as between resident owners no one owner should have the use of more than one papakainga in a block. If this were not done the difficulties of the communistic system would be intensified by the restriction of the beneficiaries to papkainga areas without defining their rights of user and occupation." Both are matters of urgency, and should be provided for in order that the Board system of administration may meet the needs and circumstances of the Maori beneficiaries. We have the honour to be, Your Excellency's obedient servants, Robert Stout, A. T. Ngata, Commissioners.

GK— U

9

SCHEDULES.

WHANGAREI COUNTY. Schedule I. Lands under Lease or Negotiation for Lease.

2—G. I.T,

Name of Blook. Owners. Area. Remarks. [atoi No. 1 (part) Liripaka Ib 3a „ '1b3b .. kopuawaiwaha 4a 4 West A B ,, ,, D » B [aunu Ie 3a South [aruinaru 7b [aramatawhana C (part) .. [angakahia 2a 2 No. Ia .. 2b 2 No. 2 (part) Igararatunua 2b 4a 2b 4b >mokoiti 'ukepoto C 5e 'ukeokui No. 1 .. No. 3 West 'uketaka No. 1 .. No. 2a .. No. 2b .. 'oroti No. 5 'uhipuhi 4a 2 „ 4a 4a .. „ 4b South 'uketotara Vhakaparapara .. Vaikiekie, Section 123 Vhatitiri No. If 2b No. 12a 2 No. 12d 2a No. 12d 2b No. 12p 2 No. 12l 1 No. 12l 2 No. 12l 3 No. 12l 4 No. 12m 2a No. 12m 2b No. 12m 2c Vaipap , Te 1 2 5 2 1 1 2 11 12 1 13 1 2 12 5 1 1 1 2 I 5 II 5 5 3 9 3 2 3 1 3 A. R. P. 130 3 0 44 2 29 24 3 38 85 0 2 73 2 31 66 0 3 56 2 28 87 0 0 175 2 25 43 3 25 96 1 0 79 0 20 300 0 0 20 0 30 21 1 26 183 3 0 117 3 0 60 3 19 61 1 3 35 0 0 35 0 0 70 0 0 2 2 17 14 2 6 703 0 0 550 0 0 180 0 0 113 0 0 51 0 0 12 3 36 88 2 36 76 0 32 19 0 18 44 2 10 10 0 0 154 1 19 44 2 30 93 1 29 84 0 0 42 0 0 139 1 2 113 1 28 Under negotiation. i 2 1 2 1 2 1 3 Total 4,406 0 2

10

G. — Ij

WHANGAREI COUNTY— continued. Schedule 2. Lands recommended to be reserved for Maori Occupation under Part II of " The Native Land Settlement Act, 1907." — Papakaingas, Burial Reserves, Landing-places, and Family Farms.

Name of Blook. Owners. Area. Remarks. TeHihi .. HapairualA „ 'B Haawhe, Te Hurupaki Id „ 2 Horahora Ia Ib 1 .. 1b4 .. lc 1 14i 12 i 4 2 I 13 7 9 4 1 6 8 1\ 1 1 2 A. .{.V. 25 2 32 20 2 0 1 0 0 60 2 16 40 1 24 988 0 0 220 0 0 553 0 0 5 0 0 30 0 0 486 2 37 124 0 0 Burial reserve. Kopuawaiwaha 4b Maika, Te Matapouri Maruata No. 1 „ No. 2 .. No. 3 .. „ No. 4 .. „ No. 5 .. No. 6a .. No. 6d .. „ No. 7 .. „ ' No. 8 No. 9 Maungakohatu (part) Maunu Ih 2 „ No. 2 Maruarua 2a 2b Maungakaramea Parish of Lot 2b Mangakahia 2a 2 No. Ib .. No. 2 No. 3b .. No. 2 (part) Ngararatunua CI 2b 2 9 .. Ngatapapa No. 2 .. Okara Oriwa 3b 1 Omanene Otutahuna 1 Otara A No. 2 Otaika 4a „ 4b Pikopiko Kaumatua Poroti No. Ia Pukekauri 1 2 Parangarau Pukemiro No. 2 .. Pehiawere Puhipuhi 4b North Ruatahi No. 2 Rahuikuri Rehuatane Rewarewa, Te, A .. Bl ,, B 2 Tuavvhitu B Toetoe Ib „ lcl „ lc2 •• \ 1/ 11 1 1 1/ 532 9 1 1 13 3 5 3 13 1 12 23 4 6 1 2 25 2 2 18 3 5 1 6 8 19 1 4 24 460 0 0 1,500 0 0 225 0 0 129 0 0 19 3 31 22 3 0 291 3 17 93 2 4 229 0 21 140 1 0 845 1 39 6 0 0 80 3 30 68 2 0 80 0 0 66 0 0 65 0 0 290 0 0 113 2 0 76 2 0 30 0 0 53 3 0 51 0 0 2 0 0 146 0 24 146 0 24 676 0 0 110 0 0 289 0 0 550 0 0 847 1 13 138 0 0 730 0 0 71 0 0 127 3 8 85 0 32 58 1 32 7 2 27 9 0 38 9 0 38 Farm —cattle. To be incorporated. Burial reserve. Farm. Farm—cattle.

G.— 1j

11

WHANGAREI COUNTY— continued. Schedule 2— Lands recommended to be reserved for Maori Occupation, &c.-continued.

Schedule 3. Lands recommended for General Settlement under Part 1 of " The Native Land Settlement Act, 1907." (The blocks are arranged to show the method of disposal urged by the Maori owners.)

Name of Block. Owners. Area. Remarks. Toetoe lc 3 „ lc 4 „ Id „ 2a .. „ 2b .. „ 3 .. „ 4 •• Tutaenui Waimahanga Whatitiri Ie „ lr 2a No. 3 No. 4 .. 12g 2 13d 18b 2b .. 13i 3 13m 2b 2 13n .. 13p 13p 2 .. 13q 13y 2 .. 13z6 .. 13z 9 Waiteuku 2a Wairahi A No. 1 .. A No. 2 .. BNo. 3 .: 1 1 1 1 9 7 4 6 3 2 1 28 1 2 6 2 22 4 A. B. P. 9 0 38 9 0 38 7 2 27 8 3 0 27 3 12 37 2 0 39 0 0 170 0 0 277 0 0 26 0 0 25 0 30 403 2 24 44 0 0 129 3 24 101 1 36 76 1 35 269 1 33 101 2 13 91 3 20 110 2 16 311 3 14 252 1 30 53 1 18 109 2 12 454 2 17 14 0 7 329 0 0 331 2 8 355 0 0 Farm. 13 13 4 5 2 15 1 1 1 1 Farm, Ihapera Ngawiki. „ Hone Paama. „ Hirini Tamehana. Total .. 15,674 0 19

Name of Blook. Owners. Area. Remarks. A. For Leasing. lorahora Ib 2 „ 1b3 .. 2b l „ 2b2 .. „ 2b3 .. „ 2b4 .. „ 2b5 .. 2b 6 .. „ 2b7 .. „ 2b8 .. Lopuawaiwaha 2a laungakohatu (part) langaroa )tutahuna 2 3 >taika 4c East .. „ 4c West .. 'aerata No. 1 'ipiwai .. „ No. 2 .. a. B. p. 3 110 0 0 1 110 0 0 4 71 2 13 2 95 1 30 16 238 2 10 5 119 1 5 3 143 0 20 1 47 2 35 1 47 2 35 2 95 1 30 1 63 1 13 532 1,500 0 0 4 1,900 0 0 10 50 2 0 23 85 0 0 7 34 2 31 19 161 3 25 75 122 0 0 5 1,102 0 0 4,540 0 0 Milling-timber and flax on block. I Subject to reserves for occupiers. Any kaingas to be reserved.

G.-lj

12

WHANGAREI COUNTY— continued. Schedule 3— Lands recommended for General Settlement, &c. —continued.

Schedule 4. Papatupu Lands. Estimated area, 5,500 acros.

Schedule 5. Lands not dealt with, or as to which Further Information is required.

Name of Block Owners, j Area. Remarks. A. For Leasing— continuei Puhipuhi 4a 1 4a 3 .. „ 4a 4b iVaitomotomo 3c .. iVaiti No. 2 rVhatitiri 13h 13z5 .. A. r. p. 1 220 0 0 1 161 0 0 6 656 0 0 4 96 0 1 1 23 0 0 4 91 3 20 9 245 2 36 Total 12,131 3 26 B. For Sale. 1 1 2 2 1 2 2 6 A. R. I'. 10 0 0 20 0 0 20 0 0 20 0 0 10 0 0 20 0 0 46 3 24 26 2 12 27 1 18 251 1 21 12 0 0 12 0 0 75 1 0 115 0 0 100 0 0 133 1 21 19 0 18 47 2 6 Under negotiation. Maruata 6b „ 6c 6e „ 6f 6g 6h Hangakahia 4a 4b .. 4c .. 2b 2 No. 1 Sfgararatunua 2b 4f (part) „ 2b 4g (part) i'arakiore No. 2 (part) farakiekie No. 2 .. rangiteruru •Vhatitiri 12b 2 .. 12d2b .. 13m 2b 1 1 1 1 3 1 1 2 To be sold by public auction. Under negotiation. ,, »J Total 966 2 0

Name of Block. Owners, j Area. Remarks. .hukaroro South .. latoi „ No. 1 (part) loro, Te [onoao, Te kopuawaiwaha 2b 4a 2 4a 3a „ 4a 3b 4a 3c 4a 3d 4a 3e kiripaka Ia 1 ,2 1 1 1 2 2 2 1 1 1 2 1 A. R. P. 11 0 36 10 0 0 137 1 0 109 0 0 10 0 0 170 0 0 126 2 27 76 3 38 51 1 12 51 1 12 51 1 12 153 3 36 51 1 12 492 2 0 Balance, 130 acres 3 roods, leased.

■Q.-h.

WHANGAREI COUNTY— continued. Schedule 5— Lands not dealt with, &c. —continued.

13

Name of Block. Owners. Area. Remarks. Kiripaka Ib 1 Ib 2 Ib 3c .. „ 1b4 .. Maunu No. Ia „ No. Ib .. „ No. lc .. „ No. Id „ No. Ie 1 .. „ No. Ie 2 .. „ No. Ie 3 North 1 .. ,, ,, ,, 2 . . „ 3 .. „ 4 •• „ 5a „ „ >, 5b „ No. Ie 3b South .. „ No. If .. „ No. Ig .. „ No. Ih 1 .. Mata, Te Maramatawhana A B D E Mangakahia 2a 2 No. 3a .. „ No. 4c .. Matairehe Manono Nuhaka Ngararatunua A .. D .. 2a .. 2b 1 2b 3 * „ 2b 5 J, 2b 6 2b 7 2b 8 2 7 7 2 1 1 1 1 1 1 9 2 2 2 9 4 3 6 1 5 6 2 2 3 1 6 1 3 1 10 5 12 8 1 6 8 3 3 A. R. P. 14 3C27 29 3 10 4 3 35 361 2 19 360 0 0 132 0 0 54 0 0 107 0 0 90 2 30 1.81 1 20 20 0 15 20 0 15 90 0 19 25 0 15 50 0 30 50 0 30 175 2 25 235 1 0 798 2 28 225 0 0 22 3 8 124 2 30 20 0 0 35 3 10 48 1 0 140 1 0 27 1 8 1 0 0 1 0 0 2 2 3 14 0 0 71 0 0 67 2 19 79 1 16 61 0 0 97 0 0 58 3 10 60 0 30 10 0 0 62 0 0 3 3 7 4 0 0 25 2_ 0 26 0 0 30 0 0 89 3 0 59 3 0 0 2 0 10 0 0 60 0 0 1 0 20 209 0 0 266 0 0 1 0 0 26 1 0 339 0 0 253 0 0 250 0 0 197 3 16 48 1 0 123 1 0 123 1 0 123 1 0 5 0 0 118 2 11 Believed to be all occupied and mostly improved. Owners let land for grazing leases for [short terms. I } Supposed to be all occupied. I Otito Ohuirua No. 2 .. Oruoru, Te Otara Al -„ B Oriwa No. Ia <. „ No. Ib „ No. lc „ No. Id „ No. 2 „ No. 3b 2 .. Otaika No. 2 Otairi Onewhero 1 1 1 1 2 1 5 1 15 12 5 5 4 10 10 6 1 5 1 1 1 5 j -Supposed to be occupied. s B Parakiore Pataua Puhakahaka East West Pokapu No. 2 Pukepoto A 1 „ CI .. „ C2 .. „ C4 .. C 5b 1 .. „ C5c ..

G.—lj.

WHANGAREI COUNTY— continued. Schedule 5— Lands not dealt with, &c. —continued.

14

Name of Block. Owners. Area. Remarks. Paihawanui Purua Survey District, Block I, Native Reserve 16 1 A. R. P. 185 0 0 9 0 0 Paopaotenaiti Putata Puhipuhi 5a 5b ,, 5c Pakikaukutu 1 .. 2 .. Ruatahi, Te, No. 1 „ „ No. 3 Rautawhiri 2 3 Ruarangi Taurangakawau .. Tuparekura No. 1 Taiharuru 1 2 3 4 Toiroa, Te, Ib .. „ „ lo 1 ,, lo2 „ 1 No. 3b Taukata No. 2 .. Tukari .. Tokatapu Tahuna-Kuwaka .. .. Taumata, Te Waihirere ... .. ... Wakaihunui, Te .. Waikariri Waiteuku No. 1 .. „ No. 2b Whakapae Ia Ib .. „ . 2b Nori h 2b South Wlntingaramarama Whatakai Ia Ib , lc Id Waiaruhe 1 ,2 Waitarata Waitohe (Reretiti) , Whatitiri Ia io 1 • lc 2 lc 3 lc 4 .. Id 2 If 3 „ No. 5 No. 6 .. No. 7 .. No. 8 „ No. 9 No. 10 No. 11 .. No. 12i No. 12o 2 4 1 2 1 10 48 47 3 1 1 1 9 3 1 1 1 1 1 4 1 1 9 1 3 2 1 4 1 1 10 3 2 1 1 3 2 7 3 5 4 1 1 2 2 7 1 1 1 1 1 3 8 6 2 3 4 2 2 2 8 1 1 0 0 20 2 26 157 0 0 400 0 0 1,922 2 0 156 0 0 178 0 0 847 1 13 847 1 14 355 0 0 62 0 0 29 3 30 190 0 0 282 2 7 65 1 22 98 0 12 65 1 22 65 1 22 147 2 28 158 2 0 158 2 0 933 3 2 28 2 5 3 0 0 1 0 0 1 0 0 1 0 0 98 0 0 198 0 0 180 0 0 47 2 38 22 1 35 297 0 0 297 0 0 51 1 26 27 1 20 56 0 0 179 0 22 264 2 26 130 3 10 32 2 22 421 0 0 700 0 0 1 0 0 104 0 0 400 0 0 30 0 0 30 0 0 30 0 0 30 0 0 20 2 14 60 0 0 4 0 0 20 0 0 10 0 0 20 0 0 2 0 0 1 0 0 2 0 0 114 1 8 10 0 0 m ft V

15

G.—lj

WHANGAREI COUNTY— continued. Schedule 5— Lands not dealt with, &c. —continued.

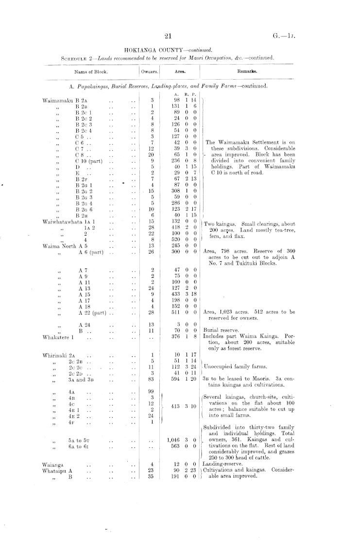
HOKIANGA COUNTY. Schedule 1. Lands under Lease or Negotiation for Lease.

Name of Block. Owners. Area. Remarks. hatitiri No. 12o 3 No. 13b 2 No. 13b 3 No. 13c No. 13e No. 13f 2 No. 13g „ No. 13m Ia No. 13z 3 No. 13z 4 No. 13z 7 No. 13z 8 aikaraka 'airahi, Te, B 2 VJ Dj Total 6 II 6 1 3 1 9 1 fi 6 2 2 10 8 a. 84 246 149 48 115 0 86 31 1 2 1 122 75 355 R. P. 0 9 0 26 2 6 2 2 1 35 1 0 2 0 0 20 0 0 0 0 0 0 3 8 0 0 0 0 19,529 U21

Name of Block. Owners. Area. Remarks. Te Horeke Hauturu Ia Ib lc . » 2 . . •• Ketetangariki A -.. Moetangi B No. 1 B 2 No. 1 B 2 No. 2 Motukaraka West.. Oharotu Owhata A Pahekeheke Pakia A .. „ B .. „ C .. Pautouto 2a Pikiparia Ia „ 2b „ 3c Rawhitiroa 2 Rangiawhia 1 Rakaupara Ratakamaru A B .. C .. D .. E .. F .. G .. H .. I .. 2 5 10 4 25 1 4 2 8 99 1 5 9 it 2 8 5 4 4 A. R. P. 16 0 28 210 0 0 215 1 0 • 150 0 0 10 0 0 570 0 0 133 0 0 88 3 17 222 0 23 1,028 0 0 10 2 0 22 0 0 1,453 0 0 Under mortgage. Timber lease. Under negotiation for timber. 12 2 8 • L 3 3 3 4 3 7 1 11 28 8 23 0 0 470 0 0 117 0 12 65 1 0 224 0 0 80 0 0 3 0 0 2 0 0 2 0 0 3 0 0 4 0 0 18 0 0 23 0 0 7 0 0 17 0 0 19 0 0

16

G.—l.T

HOKIANGA COUNTY— continued. Schedule 1— Lands under Lease or Negotiation for Lease —continued.

Schedule 2. Lands recommended to be reserved for Maori Occupation under Part II of " The Native Land, Settlement Act, 1907."

Name of Blook. Owners. Area. Remarks. Rotokakahi A 3a A 3b A 3c 1 A 3c 2 Taikarawa Te Toke Whakarongorua 3. . Waikare Whakarawerua A B Taiwhatiwhati, or Waianui In Opouteke 2b 2 Utakura Ib 2a Ib 2q .. 2b Ia .. 2d 9 Waipoua 2a 1 Whakaaho 2 Whakakoro A B C .. D .. E .. K .. • ■ 5 19 14 38 10 1 7 8 46 28 1 2 7 7 6 10 1 1 3 8 3 2 17 29 A. 403 1,058 84 940 345 13 55 435 1,340 110 9 509 26 44 30 247 1,216 5 144 16 10 240 292 1,945 R. P. 0 34 1 28 2 27 0 27 0 0 0 0 2 0 3 0 0 0 0 0 1 3 1 32 0 12 0 21 1 15 1 26 0 0 1 30 0 0 0 0 0 0 0 0 0 0 0 0 -Timber lease. Flax lease. Flax lease. i Timber and flax leased ; also copi per-rights. Under negotiation for sale. Timber lease. Under negotiation. I Partition subject to appeal. Under negotiation for lease. !■ Total 14,729 2 21

Name of Block. Owners. Area. Re :u arks. A. Papakaingas, Buri I Reservi ?,s, Landing-plaa w, and Family Farms. Te Ahuorongo 1 .. 2 4 2 A. R. P. 12 0 0 7 0 0 :- Used as cultivations. /Greater portion improved. Family farm. 100 acres to be cut out at east end for lease. Kaingas. Part I of Waima Settlement. Not utilised. Owner capable of farming. About 60 acres cleared. Family farm. Unoccupied. Timber-rights disposed of. Te Ante A (part) . . „ B 6 i 1 - 663 0 0 Awaroa 1A 2a 1 157 2 27 2a 2a 5 322 0 0 2a 2b 1 .. 9 247 0 0 2a 2c „ 2b Hunoke Horotiu A 1 2 3 4 „ B 6 7 Herekohu Huatau Kahikatea, Te .. • • 1 7 7 50 125 6 74 10 2 10 33 3 12 7 64 2 0 2 2 0 25 3 50 100 0 0 100 0 0 55 0 0 0 0 10 0 0 100 0 0 8 3 0 184 0 18 4 0 18 3 2 32 7 0 0 Unoccupied. Burial reserve. Seaside reserve. ! ( The Omaria Kainga is on these subi divisions. ) Cultivations. Kainga and cultivations. Cultivations. Landing-place, Koutu Komakora-Taiao

G.—lj

17

HOKIANGA COUNTY— continued. Schedule 2 — Lands recommended to be reserved for Maori Occupation, &c. —continued.

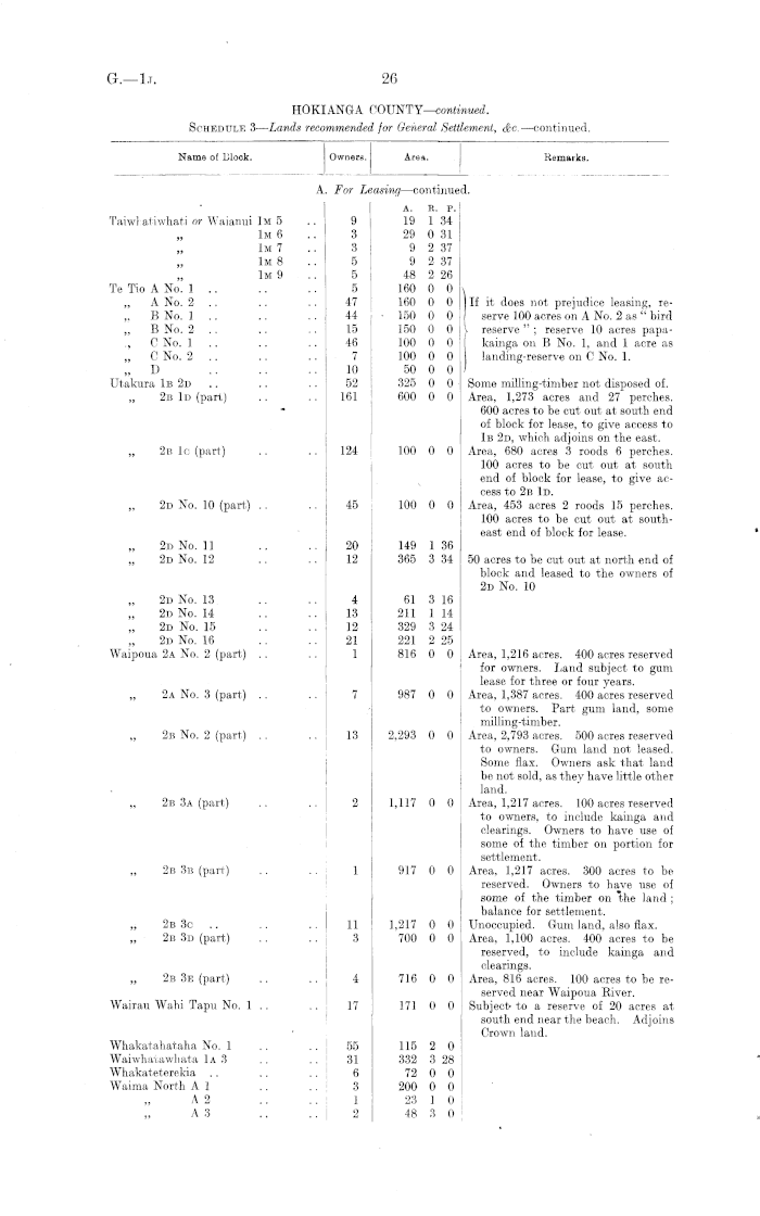
3—a. ij.

Name of Block. Owner-. Area. Remarks. A. Papakaingas, Burial Rese, ■ves, La: ding-places, and Family Farms —continued. [auwhau [ohatutatangi .omiti, Te 6 5 1 A. B. P. 2 1 22 13 11 74 2 0 Burial reserve. ?? Lokohuia A B 28 72 272 0 0 250 0 0 Kainga and cultivations. ) Several kaingas. Large area improved. Owners have little other ) land. Papakainga. 'e Karaka 2c .. ... 'e Kawau B 2a B C D 32 1 3 6 21 33 3 1 1 1 1 9 30 29 3 22 25 0 0 ) | 296 3 0 [anunu . . [angakaramua lauiui A .. .. - .. „ B lotukiore A H M (part) 9 0 0 36 0 0 3 0 28 3 0 28 28 0 0 121 0 0 153 0 0 Cultivated. Unoccupied. I Cultivated. No improvements. Partly improved. Family farm. Area, 453 acres. 300 acres to be cut out for general settlement. Unoccupied. Family farm. Kainga. Owners have little other land. N lotukaraka F 2 .. 12 3 136 0 0 220 0 0 [atuku A ,, B [opi [atuku C 3 2 2 16 1 0 0 1 0 0 6 0 0 52 0 0 I Burial reserves. Kaingas and cultivations on Whirinaki Flats. Papakaingas. Unoccupied. Otao Kainga. Small cultivations. Three kaingas on land. Kainga and cultivations. ) At north end of each block. For j " bird reserves." Unoccupied. langamuka East B D E F G (part) .. H (part) IB 1 1b2 „ Ib 3 (part) 5 13 10 26 12 45 1 1 5 44 0 0 202 0 0 109 0 0 100 0 0 467 0 0 467 0 0 431 0 0 431 0 0 1,500 0 0 2 1 391 0 0 Area, 2,154 acres, of which 654 acres proposed to be cut out, to adjoin East Ia, for general settlement. By succession three brothers in title. Want use as family farm. langamuka West 1 2 (part) .. 13 68 327 2 0 1,735 2 0 Manuka land. Area, 3,235| acres. 235-J acres for forest reserve and 1,500 acres for Maori farms; balance for genera] settlement. Area, 8,957 acres. 5,957 acres for general settlement; balance for Maori farms. 3 (part) .. 138 3,000 0 0 langapupu A 1 .. A 2 A 3 (part) A4 .. A 5 B No. 1 langapupu B 2 .. B 3 .. B4 B5 latihetihe 1 5 9 4 1 2 2 1 2 2 4 82 0 0 104 0 0 30 0 0 39 0 0 44 0 0 70 0 0 80 0 0 80 0 0 111 0 0 88 0 0 1,736 0 0 I 146 acres for general settlement. | Contains kaingas and cultivations. I Unimproved bush land. Title recently ascertained. Kainga on land and about 300 acres improved. Part sandhills. Burial reserve. „ ■ 2 4 0 0

G.—lj

18

HOKIANGA COUNTY— continued. Schedule 2— Lands recommended to be reserved for Maori Occupation, &c. —continued.

Name of Block. Owners. Area. Remarks. A. Papakaingas, Burial Rese; •ves, La; ding-places, and A. R. P. 9 0 0 20 0 0 15 0 0 30 0 0 30 0 0 35 0 0 106 0 0 158 0 0 30 0 0 54 0 0 48 0 0 264 0 0 487 2 0 Family Farms —continued. Mangawhero A .. B C D E F H Motuti Ngamahanga 1 .. Ohineturere Orongotea B 1 B2 Otarihau 2b 2 } Kaingas and cultivations. I 9 6 5 17 21 I Kainga on land. Occupied. Oturori .. .. .. - 1 ! I All improved. Kainga on land. Four kaingas and cultivations. Manuka land. Kainga and cultivations. All fenced in. 141 0 0 Pukehaka A „ B „ C » . D Patipatiarero Pakanae 2 and subdivisions 1 1 1 1 15 13 3 23 9 3 23 9 3 23 9 3 23 53 0 0 457 2 0 Mostly improved. Occupied. This has been subdivided into eightytwo sections. Greater part occu pied as kaingas and under cultivation. Non-resident owners wish to lease to resident owners. Owners one family. Occupied. Bush land. Unoccupied. Burial reserve. No area shown. Pakanae No. 4 .. „ No. 5b .. No. 6 .. Te Pipipi 1 ,, ; 2 Pureirei Potaka A „ B Pukehuia 2a 2c 2d 2e 2g Puhau Paihia Ia 2 .. ... .. IB" •„ lH „ 1J „ lK „ lM 280 0 0 160 0 0 10 4 2 2 4 2 1 4 12 20 5 8 32 0 26 1 2 25 2 1 3 10 0 0 7 0 0 10 1 0 178 2 20 223 1 0 29 3 10 89 1 10 50 0 0 6 0 0 7 1 25 10 0 0 21 3 0 30 0 0 698 0 0 Burial Reserve. 1 Kainga and cultivations. Few owners occupy. Small area I cultivated. 4 4 4 3 6 86 Burial reserve on Kahakaharoa Block. „ Id (part) .. „ Ig (part) .. „ 2a „ 2b 211 169 12 11 938 0 0 200 0 0 106 0 0 305 0 0 iKaingas and cultivation. i Six kaingas. Quarter of block improved. Area, 1,238 acres. 300 acres to be cut out for general settlement. On balance are many kaingas, and considerable area cultivated. Area, 1,051 acres. 851 acres to be e.ut out for general settlement. Occupied. Part improved. Occupied. Part improved. Church and burial-ground on block. Unoccupied. Area, 2,887 acres. 700 acres at northwest end to be cut out for lease to Maoris; several kaingas on balance. Area improved, about 800 acres. Kainga and cultivations. Open ernf land. Area, 576 acres. 400 acres for general settlement; balance to include kaingas and cultivations. „ 2c „ ' 3b (part) 6 110 39 0 0 2,187 0 0 Puataraire B 128 0 0 6 Papua (part) 4 176 0 0

G.—lj

19

HOKIANGA COUNTY— continued. Schedule 2 — Lands recommended to be reserved for Maori Occupation, &c. —continued.

Name of Block. Owners. Area. Remarks. A. Papakaingas, Burial Rest ;rves, La: ding-places, an ' Family Farms —continued. 'uha A .. .... B 'ikiparia 4d 'arengaroa 'ipiro 'akeretu 'akinga A „ Bl „ B2a B 2b „ B2c „ C 1 „ C2 C 3a 'unakitere 2a (part) 41 40 1 2 2 2 1 1 1 1 1 1 1 1 1 a. R. P. 164 3 0 177 3 24 106 0 0 10 0 0 14 0 0 3 1 25 64 0 0 52 0 0 52 0 0 52 0 0 52 0 0 12 0 0 12 0 0 12 0 0 50 0 0 ) Occupied. Partly improved. To be j further subdivided among families. Owner has no other land. ) Burial reserves on Waeroa Block. j Practically all sandhills. Burial reserve. [-Occupied. Mostly improved. r Unoccupied. Out of 500 acres, 450 for general settlement. 2b 1 2b 2 .. 2b 4 2b 5 2b 6 ., 2b 7 2 b 8 (part) 7 14 41 8 11 75 67 100 0 0 60 0 0 312 0 0 60 0 0 60 0 0 984 2 0 866 0 0 Other half 866 acres for general settlement. 2n 9 lemanga or Puketoro 20 200 0 0 170 2 10 Ancient burial-place. When " wahi tapu " is properly located, balance will be available for owners' occupation. Burial reserve. 'e Rakepuka tangiawhia 2a „ ■ 2b 2 langai tarotonga B .. .. .. ?e Touwai !e Totara 5 2 7 1 24 4 3 2 1 15 23 0 0 180 0 0 10 0 0 4 0 0 288 0 0 100 0 0 Burial reserve. ]e Tukituki 3c 'ongariro Ia Ib lc Id 2a .: 2b 2c 2d ?e Tihiputa Ib 2a „ 2b 11 3 1-1 10 2 8 49 6 5 3 7 1 6 0 3 38 63 0 0 25 1 19 29 0 0 26 0 0 8 0 0 53 0 0 33 0 0 22 0 0 16 2 0 38 2 0 10 0 0 152 0 27 17 0 0 312 0 0 11 0 0 9 1 3 8 3 34 18 3 16 60 0 29 472 0 26 130 1 24 193 2 0 42 0 20 102 1 9 144 1 28 44 0 21 124 1 20 52 0 26 165 0 28 Occupied. Family farm. Owners wish to exchange with owners of Puia B. Landing-reserve at Whangape. Unoccupied. Poor, stony land. >Kaingas and cultivations—paddocks. ) Two kaingas. Small portions improved. 'ahaawai 'aiwhatiwhati or Waianui If Ig .. 1m2 .. Jtakura Ib 2b „ 1b2c Ib 2g .. 1b2h .. „ 1b2j 1b2l .. „ Ib 2m Ib 2n .. „ 1b2o .. „ 1b2p Ib 2r .. 7 7 1 1 8 8 59 28 40 10 20 28 9 17 6 43 Cultivated. Kaingas and cultivations. | Unoccupied bush land. No improve j ments. House on land. Unimproved. I Kaingas, cultivations, and small [ clearings.

G. -Li

20

HOKIANGA COUNTY— continued. Schedule 2 — Lands recommended to be reserved for Maori Occupation, &c. —continued.

Name of Block. Owners. Area. Remarks. A. Papakaingas, Burial Reset irves, Lan ding-phices, and Family Farms —continued. takura 2b ln 2 b lc (part) „ 2b Id (part) 2c „ 2e „ 2d1 „ 2d 2 „ 2i»3 „ 2d 4 2i> 5 • .. 2d 8 .. .. ' .. 2n 10 (part) Hiakaaho iHiakarongorua 2.. Waipoua 2a 2 (part) „ 2b 1 „ 2b 2 (part) „ 2b 3a (part) „ 2b 3b (part) 7 124 161 6 15 2 5 10 16 3 9 45 7 23 1 1 13 2 1 A. R. P. 47 0 0 Small area cultivated. 580 3 6 Area, 680 acres 3 roods 6 perches. 100 acres to be cut off at south end for general settlement. 673 0 27 Area, 1,273 acres and 27 perches. 600 acres to be cut out at south end for general settlement. 2 0 0 Burial reserve and church-site. 30 0 0 Cultivations. 15 1 34 \ 56 2 32 118 2 8 'Kaingas, cultivations, and small 164 3 32 clearings. 30 3 28 I 149 1 36 ! 353 2 15 Area, 453 acres 2 roods 15 perches. 100 acres to be cut off at south end for general settlement. Three kaingas, and about 80 to 100 acres improved. 9 2 0 Fenced in. Orchard on land. 263 3 0 House and small clearing. 400 0 0 Area, 1,216 acres. 816 acres for general settlement. 20 0 0 Burial reserve. 500 0 0 Area, 2,793| acres; balance for general settlement. The 500 acres to include kainga and cultivations. 100 0 0 To include kainga and cultivations; balance, 1,117 acres, for general settlement. 300 0 0 To include kainga and cultivations; balance, 817 acres, for general settlement. 400 0 0 To include kainga and cultivations; ba'ance, 700 acres, for general settlement. 100 0 0 To be near Waipoua River, and include kainga ; balance, 716 acres, for general settlement. 22 2 0 Burial reserve. 0 0 18 56 1 20 Papakainga. Motukaraka settlement on this. 401 0 0 )" Bird reserve." Adjoins State forest 3 0 0 i reserve. 12 0 0 ) n . , k n q , Burial reserves. ( 180 3 8 ] i 241 0 32 343 0 0 110 0 0 54 0 0 43 0 0 Several kaingas and cultivations on 17 0 0 this block, and considerable area 43 0 0 cleared and in grass. Except 22 0 0 r No. 2, which is subject of applica7 0 0 tion for partition, the subdivisions 44 0 0 are into family holdings. / 88 2 6 I 62 2 0 52 2 27 | 64 0 0 I 37 0 27 I 2b 3d (part) 3 2b 3e (part) 4 ,, . 2o .Tiingingi Fharau 1 4 Farawara 1 2 /airau-Wahitapu 2 3 Fairau North Ia .. IB . . 2 3a 3b 3c 3d 3e 3f 3g.. 3h 4a .. 4b .. 4c .. 4d .. 4e .. 16 4 4 4 I 24 ) 15 36 7 2 10 5 6 1 5 ) 34

Gk—Li.

HOKIANGA COUNTY— continued. Schedule 2— Lands recommended to be reserved for Maori Occupation, &c. —continued.

21

Name of Block. Owners. Area. Remarks. A. Papakaingas, Burial Rese. ■ves, Li ding-places, and Family Farms —-continued. Waimamaku B 2a B 2b B 2c 1 B 2c 2 B 2c 3 B 2c 4 C5 C6 C 7 C 8 C 10 (part) I) .. E .. B 2f B 2g 1 .. B 2g 2 B 2g 3 B 2g 4 B 2g 6 B 2h Waiwhatawhata Ia 1 Ia 2 2 4 Waima North A 5 „ A 6 (part) .. 3 1 2 4 8 8 3 7 12 20 9 5 2 7 4 15 5 5 10 6 15 28 22 8 13 26 a. r. p. 98 1 14 131 1 6 89 0 0 24 0 0 126 0 0 54 0 0 127 0 0 42 0 0 39 3 0 65 1 0 236 0 8 40 1 15 29 0 7 67 2 13 87 0 0 308 I 0 59 0 0 286 0 0 123 2 17 40 1 15 132 0 0 418 2 0 100 0 0 520 0 0 245 0 0 300 0 0 The Waimamaku Settlement is on these subdivisions. Considerable - area improved. Block has been divided into convenient family holdings. Part of Waimamaku C 10 is north of road. I Two kaingas. Small clearings, about 200 acres. Land mostly tea-tree, I fern, and flax. A 7 A 9 All A 13 A 15 A 17 A 18 A 22 (part) 2 2 2 24 9 4 4 28 47 0 0 75 0 0 100 0 0 127 2 0 433 3 18 198 0 0 152 0 0 511 0 0 Area, 798 acres. Reserve of 300 acres to be cut out to adjoin A No. 7 and Tukituki Blocks. ' Area, 1,023 acres. 512 acres to be reserved for owners. A 24 B Whakatere 1 13 11 3 0 0 70 0 0 376 1 8 Burial reserve. Includes part Waima Kainga. Portion, about 200 acres, suitable only as forest reserve. Whirinaki 2a 2c 2b .. 2c 2c 2c 2d .. „ 3a and 3b 1 5 11 3 83 10 1 17 51 1 14 112 3 24 41 0 11 594 1 20 '- Unoccupied family farms. 3b to be leased to Maoris. 3a contains kaingas and cultivations. 4a 4b 4c 4e 1 .. 4e 2 .. „ 4f .. .. .. 99 3 12 2 24 1 - 413 3 10 /Several kaingas, church-site, cultivations on the flat about 100 acres ; balance suitable to cut up ( into small farms. „ 5a to 5t „ 6a to 6i 1,046 3 0 563 0 0 1 Subdivided into thirty-two family and individual holdings. Total owners, 361. Kaingas and cultivations on the flat. Rest of land considerably improved, and grazes 250 to 300 head of cattle. Landing-reserve. ) Cultivations and kaingas. Consider1 able area improved. Waianga Whataipu A „ B 4 23 35 12 0 0 90 2 23 191 0 0

G.—lj

22

HOKIANGA COUNTY— continued. Schedule 2— Lands recommended to be reserved for Maori Occupation, &c. —continued.

Name of Block. Owners. Area. Remarks. A. Papakaingas, Burial Rest ;rves, La: ding-places, an I Family Farms —continued. Waihou A 1 „ A 2 (part) 13 31 A. r. p. 190 0 0 400 0 0 Balance, 179 acres, for general settlement. Balance, 472 acres, for general settlement. Balance, 383 acres, for general settlement. Balance, 676 acres, for general settleA 4 (part) 44 800 0 0 „ A 5 (part) 54 600 0 0 „ A 6 (part) 72 900 0 0 „ A 7 „ A 8 8 128 160 0 0 900 0 0 ment. Wairere 2a 5 189 2 10 Balance, 797 acres, for general settlement. Family farm. 50 acres cleared. Occupied. Burial reserve. „ 2b „ 2d „ 2e „ 2f 1 27 11 79 11 0 38 280 0 0 150 0 0 1,853 0 0 Belongs to several families. Further subdivision of the block necessary. Landing-place. About one-fifth sandhills. Portions occupied and area cleared, about 200 acres. Title ascertained two years ago. The survey of block and subdivision should he carried out, after which it should he leased to Maoris. 1,000 acres to be cut out for general settlement to adjoin Kahakaharoa. (See special report.) Same owners of Waima North, of which over 5,000 acres offered for settlement. Approximate area. (See special report.) No. 1 Wairoa (part) 325 29 0 0 2,091 0 0 Waima South .. .. .. i 7,460 0 0 Whakarapa 4,800 0 0 Total 66,112 1 15 ■ B Approximate. Being portion south of Herekino-Broadwood Road. Tenants specified — Hepara Peri, of Herekino; Hohaia Atama, of Mitimiti, and Karu Kamira; Marowhaia Tamati and Paea Here, of Whangape, for portion, say 700 acres. To Hotene te Wake, of Whangape. No tenant specified. To Merengi Anihana and Rawene Anihana, of Utakura. To Walter Birch (half-caste) of Wha- . To be leased to Maoris. Awaroa Ia 2b (part) 37 , 950 0 0 Ib Te Karaka Motukiore D 11 ii 8 140 297 0 0 0 0 0 0 E • 8 42 0 0 F I Mangapupu A 3 (part) Puia C „ D Paihia 1l 3 15 4 II 3 7 42 145 146 30 30 22 0 0 0 0 0 0 0 0 0 0 0 0 ngaruru. Ditto. No tenant specified. [ To Arama Houao. No tenant specified.

23

G.— 1j

HOKIANGA COUNTY— continued. Schedule 2— Lands recommended to be reserved for Maori Occupation, &c. —continued.

Name of Block. Owners. Area. Remarks. B. To leased \i '.oJMaoris— conti inued. Paihia 3b (part) 110 A. R. P. 700 0 0 Out of 2,887 acres. The 700 acres to be located west of Herekino-Wha-ngape Road. Tenants specified— Anaru Ngawaka, Karaihe Mare, Te Waru Puku, Tono Haringi, and Henare Puku, all of Whangape. /Area 2,880 acres. Subdivision not .defined. Title just determined by Appellate Court. 1,200 acres to be cut out of subdivision owned by { Taniora Mato and party, 100 acres of which should be reserved as papakainga ; 1,100 acres to be cut into suitable sections for lease to * Maoris. No tenants specified. Te Pukahu, part 1 „ 2 125) 86| 1,200 0 0 Rotokakahi Al B .. Rarotonga A 2a .. A 2b .. Tapuwae 3b 2 19 18 46 151 200 10 264 443 485 2 6 0 0 2 28 1 12 2 21 [ To Hotene te Wake, of Whangape. 1 Flax rights disposed of. Tenants not I specified. Subject to small papakainga reserves. Chiefly manuka land. No tenant specified. To Wi Tana Pairama and Taati Pairama. About 30 acres improved. To Mai Hapeta. To Hami Ripia and Matuku Muriwai. 5 acres to be reserved, to include cultivations ; balance to be leased to Kaihe te Wheau, of Te Horeke, Hokianga. Out of 1,387 acres. To be leased to Aperahama Reupena and Mere Reihana; balance, 987 acres, for general settlement. Approximately. After making papakainga reserves, balance of the 4,000 acres to be cut up into convenient sections and leased to Maoris. No tenants specified. The rest of block, 3,000 acres, approximately, for general settlement. [To be leased to Rapata Riiwhi and j Kereopa Paetau. Utukura Ib 2e 24 154 1 34 1b2f .. Ib 2k .. 2d 6 12 32 9 58 176 139 0 28 0 34 0 28 Waipoua 2a 3 (part) 400 0 0 Waihou (Lower) (part) 415 4,000 0 0 Whakatahataha 2a 2b Waimamaku B 1 .. B 2c 9 B 2c 10 (part) B 2 g 5 B2i.. B 2j B 2k B2l 13 32 30 5 9 10 1 2 1 5 36 110 12 60 22 89 37 25 36 70 3 0 1 0 3 4 0 0 1 24 0 0 3 11 0 34 1 9 1 16 No tenant specified. Part of B 2c 10 y is south of road. To Aperahama Reupena, of Waiotemarama. No tenant specified. B2m Waiwhatawhata 3 Whirinaki Ib 54 22 47 147 184 138 0 2 0 0 0 30 To Tamaho Rawiri, Hiri Wikaira, Noa Morunga, and Pereniki Riiwhi, all of Whirinaki. To Te Tana Riiwhi, of Whirinaki. No tenants specified. To Hira Wikaira and Pouri Wikaira, of Whirinaki. To Tokowha Rapana, of Wairere, Te Horeke Post-office. 2b 2c 2a .. 2c 2e .. 8 18 8 82 184 51 0 0 3 10 1 14 Wairere 2 c 2 121 1 0 Total 11,593 2 25

G.— lj

24

HOKIANGA COUNTY—continued. Schedule 2— Lands recommended to be reserved for Maori Occupation, &c. —continued.

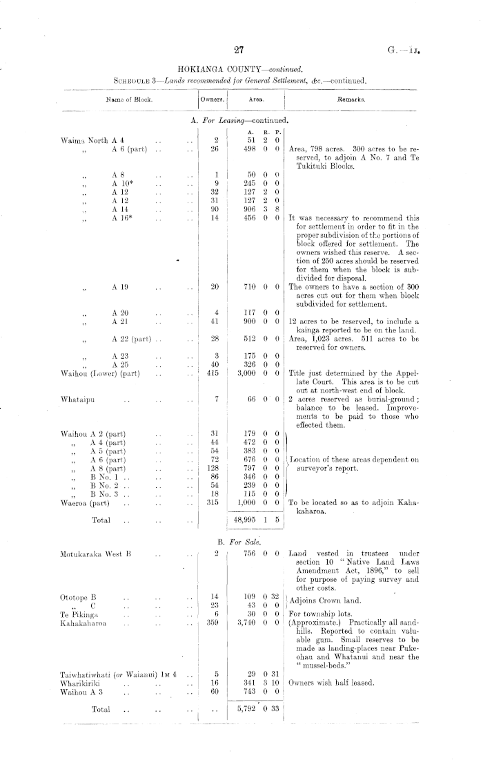
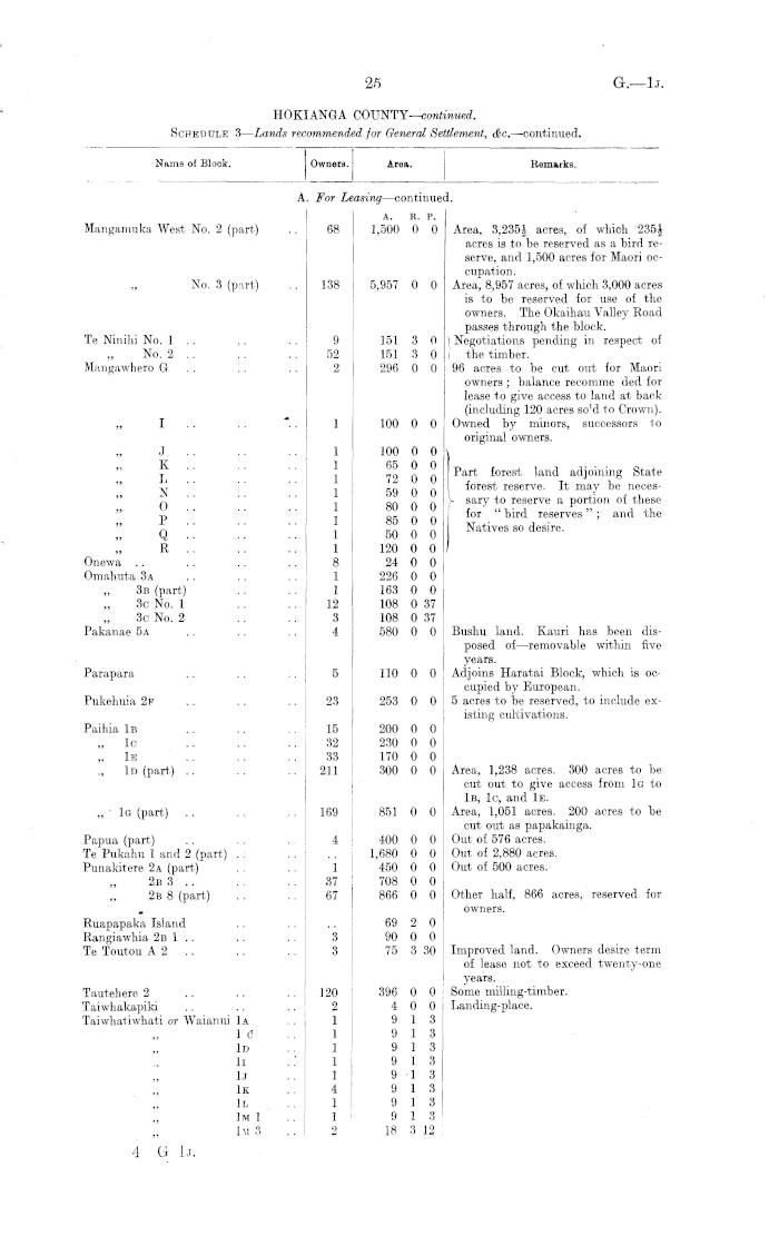
Schedule 3. Lands recommended for General Settlement, under Part I of " The Native Land Settlement Act, 1907." (The Blocks are arranged to show the method of disposal urged by the Maori owners.)

Name of Block. Owner . Area. Remarks. C. To be incorporated under Si xtion 6 of " The Nativt Land Settlement Act, 1907." Awaroa 2a 2b 2 .. Motukiore B C J 29 20 16 34 A. R. P. 441 2 0 198 0 0 211 0 0 397 0 0 Unimproved. 40 acres cleared. Family farm. Kainga and small cultivations. Reserve, 40 acres, papakainga, to include clearing and cultivations. Occupied. Owners increased by succession. Area 722 acres, of which 122 acres recommended for general settlement. Small area to he reserved for papakainga. Three kaingas on block. Cultivations and small clearings. House and small clearing. Motukaraka B 2 .. 6 342 0 0 Mangamuka East A (part) 43 600 0 0 Puia A and B 30 375 0 0 Utakura 2d 7 35 376 1 4 Waiwhatawhata Ib .. - 41 426 2 11 Total 3,367 1 15

Name of Block. Owner-. Area. Remarks. A. 'or Leasing. 'e Aute A (part) .. Lwaroa Ia 2b (part) 6 37 A. r. P. 100 0 0 350 0 0 To be located at east end of block. Approximate. Portion to north of Herekino-Broadwood Road. lorotiu B 1 B 2 B3 B 3a „• B 4 B 5 'e Kaahu 47 13 10 3 15 15 3 100 0 0 80 0 0 40 0 0 40 0 0 60 0 0 90 0 0 130 0 0 Main Taheke-Rawene Road passes through. 'e Kahikatoa 2a .. 2b .. 'e Karaka 2a lotukiore G 1 8 •5 12 159 2 27 99 3 6 55 0 36 127 0 0 Interest of Mere Turiana to be cut out. Milling-timber. 10 acres to he reserved, to include kainga. Unoccupied. Some milling-timber. Adjoins Haratai Block, which is European land. Heavy bush, milling-timber. To be cut out so as to lie south and south-east of Motukiore North. 20 acres to be cut out on Motukiore stream, to include present cultivations. There is milling-timber. K M (part) 28 30 302 0 0 300 0 0 O 23 301 0 0 langamuka East C „ A (part) • • 18 43 391 0 0 122 0 0 To be cut out so as to adjoin C, and give access to the Mangamuka Stream. (Small papakainga to be cut out. There is milling-timber on these [ blocks. Land is undulating forest. Part undulating, part broken forest land, with milling-timber. Surrounded by European land. Failing lease, it should be sold. To be cut out to adjoin East Ia. „ G (part) ,, H (part) 12 45 700 0 0 700 0 0 3b 78 1,640 0 0 „ A No. Ib North 4 4 0 6 1 B3 (part) 654 0 0

G.—I.j

25

HOKIANGA COUNTY— continued. Schedule 3— Lands recommended for General Settlement, &c. -continued.

4 a Ij,

Name of Block. Owners. Area. Remarks. A For L '.asing —continue 1. Mangamuka West No. 2 (part) 68 A. r. P. 1,500 0 0 Area, 3,235| acres, of which 235J acres is to be reserved as a bird reserve, and 1,500 acres for Maori occupation. Area, 8,957 acres, of which 3,000 acres is to be reserved for use of the owners. The Okaihau Valley Road passes through the block. I Negotiations pending in respect of i the timber. 96 acres to be cut out for Maori owners ; balance recomme ded for lease to give access to land at back (including 120 acres so'd to Crown). Owned by minors, successors to original owners. \ No. 3 (part) 138 5,957 0 0 Te Ninihi No. 1 .. No. 2 .. Mangawhero G .. 9 52 2 151 3 0 151 3 0 296 0 0 I •• 100 0 0 1 J .. K .. L .. N .. O .. P .. Q •■ R .. 12 3 4 100 0 0 65 0 0 72 0 0 59 0 0 80 0 0 85 0 0 50 0 0 120 0 0 24 0 0 226 0 0 163 0 0 108 0 37 108 0 37 580 0 0 Part forest land adjoining State forest reserve. It may be necesV sary to reserve a portion of these for " bird reserves" ; and the Natives so desire. Onewa Omahuta 3a „ 3b (part) 3c No. 1 3c No. 2 Pakanae 5a Bushu land. Kauri has been disposed of —removable within five years. Adjoins Haratai Block, which is occupied by European. 5 acres to be reserved, to include existing cultivations. Parapara 5 110 0 0 Pukehuia 2f 23 253 0 0 Paihia Ib „ lc „ Ie Id (part) .. 15 32 33 211 200 0 0 230 0 0 170 0 0 300 0 0 Area, 1,238 acres. 300 acres to be cut out to give access from Ig to Ib, lc, and Ie. Area, 1,051 acres. 200 acres to be cut out as papakainga. Out of 576 acres. Out of 2,880 acres. Out of 500 acres. „ " Ig (part) 169 851 0 0 Papua (part) Te Pukahu 1 and 2 (part) . . Punakitere 2a (part) 2b 3 .. 2b 8 (part) 4 400 0 0 1,680 0 0 450 0 0 708 0 0 866 0 0 1 37 67 Other half, 866 acres, reserved for Ruapapaka Island Rangiawhia 2b 1 . . Te Toutou A 2 3 3 69 2 0 90 0 0 75 3 30 owners. Improved land. Owners desire term of lease not to exceed twenty-one Tautehere 2 Taiwhakapiki Taiwhatiwhati or Waianui Ia 1 c Id li 1j lK 1L lM 1 hi 3 i ■ ■ i 120 2 396 0 0 4 0 0 9 1 3 9 1 3 9 1 3 9 1 3 9 1 3 9 1 3 9 1 3 9 1 3 18 3 12 years. Some milling-timber. Landing-place.

G.—l.T

26

HOKIANGA COUNTY— continued. Schedule 3— Lands recommended for General Settlement, &c. —continued.

Name of Block. Owners. Are*. Remarks. .. For ■asing —confirm* id. raiwl atiwhati or Waianui 1m 5 „ 1m 6 1m 7 lM 8 1m 9 re Tio A No. 1 .. „ A No. 2 .. „ B No. 1 .. „ B No. 2 .. ., CNo. 1 .. „ C No. 2 .. „ D Utakura Ib 2d „ 2b Id (part) 9 3 3 5 5 5 47 44 15 46 7 10 52 161 A. r. p. 19 1 34 29 0 31 9 2 37 9 2 37 48 2 26 160 0 0 160 0 0 150 0 0 150 0 0 100 0 0 100 0 0 50 0 0 325 0 0 600 0 0 If it does not prejudice leasing, reserve 100 acres on A No. 2 as " bird > reserve " ; reserve 10 acres papakainga on B No. 1, and 1 acre as landing-reserve on C No. 1. „ 2b lc (part) 124 100 0 0 Some milling-timber not disposed of. Area, 1,273 acres and 27 perches. 600 acres to be cut out at south end of block for lease, to give access to Ib 2d, which adjoins on the east. Area, 680 acres 3 roods 6 perches. 100 acres to be cut out at south end of block for lease, to give access to 2b Id. Area, 453 acres 2 roods 15 perches. 100 acres to be cut out at southeast end of block for lease. 2d No. 10 (part) .. 100 0 0 45 2d No. 11 2d No. 12 20 12 149 1 36 365 3 34 50 acres to be cut out at north end of block and leased to the owners of 2d No. 10 2d No. 13 2d No. 14 2d No. 15 2d No. 16 Waipoua 2a No. 2 (part) .. 4 13 12 21 1 61 3 16 211 1 14 329 3 24 221 2 25 816 0 0 Area, 1,216 acres. 400 acres reserved for owners. Land subject to gum lease for three or four years. Area, 1,387 acres. 400 acres reserved to owners. Part gum land, some milling-timber. Area, 2,793 acres. 500 acres reserved to owners. Gum land not leased. Some flax. Owners ask that land be not sold, as they have little other land. Area, 1,217 acres. 100 acres reserved to owners, to include kainga and clearings. Owners to have use of some of the timber on portion for settlement. Area, 1,217 acres. 300 acres to be reserved. Owners to have use of some of the timber on the land ; balance for settlement. Unoccupied. Gum land, also flax. Area, 1,100 acres. 400 acres to be reserved, to include kainga and clearings. Area, 816 acres. 100 acres to be reserved near Waipoua River. Subject- to a reserve of 20 acres at south end near the beach. Adjoins Crown land. 2a No. 3 (part) .. 7 987 0 0 2b No. 2 (part) .. 13 2,293 0 0 2b 3a (part) 1,117 0 0 2b 3b (part) 917 0 0 2b 3c .. „ 2b 3d (part) 11 3 1,217 0 0 700 0 0 2b 3e (part) 4 716 0 0 Wairau Wahi Tapu No. 1 .. 17 171 0 0 Whakatahataha No. 1 Waiwhatawhata Ia 3 Whakateterekia .. Waima North A 1 A 2 A3 55 31 6 3 1 2 115 2 0 332 3 28 72 0 0 200 0 0 23 1 0 48 3 0

27

G. ij.

HOKIANGA COUNTY— continued. Schedule 3 — Lands recommended for General Settlement, &c. —continued.

Namo of Block. Owners. I I Area. Remarks. For Lei ising —continue! A. Waima North A 4 A 6 (part) .. A. R. P. A. R. P. 51 2 0 498 0 0 2 26 2 51 2 0 16 498 0 0 1 50 0 0 9 245 0 0 19 197 9 fl Area, 798 acres. 300 acres to be reserved, to adjoin A No. 7 and Te Tukituki Blocks. A 8 A 10* A 12 A 12 A 14 A 16* 1 9 32 31 90 14 50 0 0 245 0 0 127 2 0 127 2 0 906 3 8 456 0 0 >z vzi a u il 127 2 0 iO 906 3 8 4 456 0 0 10 710 0 0 4. 117 A n It was necessary to recommend this for settlement in order to fit in the proper subdivision of the portions of block offered for settlement. The owners wished this reserve. A section of 250 acres should be reserved for them when the block is subdivided for disposal. The owners to have a section of 300 acres cut out for them when block subdivided for settlement. A 19 20 710 0 0 A 20 A 21 4 41 4 11. V U 1 900 0 0 !8 512 0 0 3 175 0 0 117 900 0 0 0 0 12 acres to be reserved, to include a kainga reported to be on the land. Area, 1,023 acres. 511 acres to be reserved for owners. A 22 (part) . . 28 512 0 0 A 23 A 25 Waihou (Lower) (part) 3 40 415 0 326 0 0 5 3,000 0 0 7 66 0 0 il 179 0 0 a 179 n n 175 326 3,000 0 0 0 0 0 0 Title just determined by the Appellate Court. This area is to be cut out at north-west end of block. 2 acres reserved as burial-ground; balance to be leased. Improvements to be paid to those who effected them. 1 Whataipu 7 66 0 0 Waihou A 2 (part) ,, A 4 (part) „ A 5 (part) A 6 (part) „ A 8 (part) B No. 1 .. B No. 2 .. B No. 3 .. W-aeroa (part) 31 44 54 72 128 86 54 18 315 A 47 Z 0 U .4 383 0 0 '2 676 0 0 18 797 0 0 16 346 0 0 14 239 0 0 179 472 383 676 797 346 239 115 1,000 0 0 0 0 0 0 0 0 0 0 0 0 0 0 0 0 0 0 I Location of these areas dependent on [ surveyor's report. I* taOV \J \J 8 115 0 0 5 1,000 0 0 48,995 1 5 To be located so as to adjoin Kahakaharoa. Total 48,995 1 5 B. For Sale. Motukaraka West B 2 756 0 0 Land vested in trustees under section 10 " Native Land Laws Amendment Act, 1896," to sell for purpose of paying survey and other costs. Ototope B C Te PiMnga Kahakaharoa 14 23 6 359 4 109 0 32 13 43 0 0 6 30 0 0 i9 3,740 0 0 Adjoins Crown land. \> For township lots. (Approximate.) Practically all sandhills. Reported to contain valuable gum. Small reserves to be made as landing-places near Pukeohau and Whatanui and near the " mussel-beds." Taiwhatiwhati (or Waiauui) 1m 4 Wharikiriki Waihou A3 5 16 60 5 29 0 31 6 341 3 10 10 743 0 0 Owners wish half leased. Total 5,792 0 33

Or.— lt

28

HOKIANGA COUNTY— continued. Schedule 4. Lands vested in the Tokerau Maori Land Board under " The Maori Land Settlement Act, 1905."

Note. —The block is being surveyed, and it is probable that the area will exceed 20,000 acres. The Commission has made a report to the Native Minister conveying the representations of the Native beneficiaries as to areas to be reserved for their occupation.

Schedule 5. Lands the Titles to which have not been ascertained or properly ascertained.

Schedule 6. Lands not dealt with, or as to which Further Information is required.

Name of Block. Owners. Area. Remarks. 'e Karae 1 „ 2 „ 3 „ 4 ::| :: i A. 19,536 R. P. ( Approximate area. Title just deter0 0 - mined by the Native Appellate ( Court.

Name of Block. Owners. Area. Remarks. Kirioke Mataraua Otaua (or Kohatutakataka) Tawata Wharepoke Waireta Tapuwae 1 „ 4 Whakatere (or Manawakaiaia) A. 7,470 4,880 13,717 1,072 2,770 2,880 3,147 1,040 11,828 R. P. 0 0 0 0 0 0 0 0 0 0 0 0 0 0 0 0 0 0 Papatupu. Title partially determined. Total 48,804 0 0

Name of Block. Owners. Area. Remarks. Hukanui Te Kauri Maungaroa A 2 Omapere A ». B Otuhianga Omarokura Owhata B Opouteke 2b 1 2b 3 2b 4 2b 5 2b 6 2b 7 Te Piriti 1 ". 2 Pataikoka Puwai Pakia 2 .. „ 3 .. Te Ruaki Te Totara Taiharuru Tairutu .. Waiparera Hauauru.. 10 1 3 1 3 4 1 11 1 1 3 2 1 1 3 1 1 4 3 1 1 5 2 4 1 2 A. 1 17 3 0 1 44 127 21 254 509 254 509 254 254 1 1 33 5 2 1 28 5 110 135 15 288 R. P. 1 12 2 20 0 3 2 6 2 19 0 0 0 0 0 0 2 36 1 32 2 36 1 32 2 36 2 36 0 33 1 27 2 0 1 17 0 0 0 0 0 0 2 30 0 0 0 0 0 0 0 0 All improved. Ownersj|capable of using land to best advantage. Karaka 2b 1 Putoetoe.. 2 20 15 0 0 2 18 Thirteen sections. Owners wish to dispose of these as they see fit. Tangatapu 10 3 20 Total 2,926 2 13

29

a.— ij

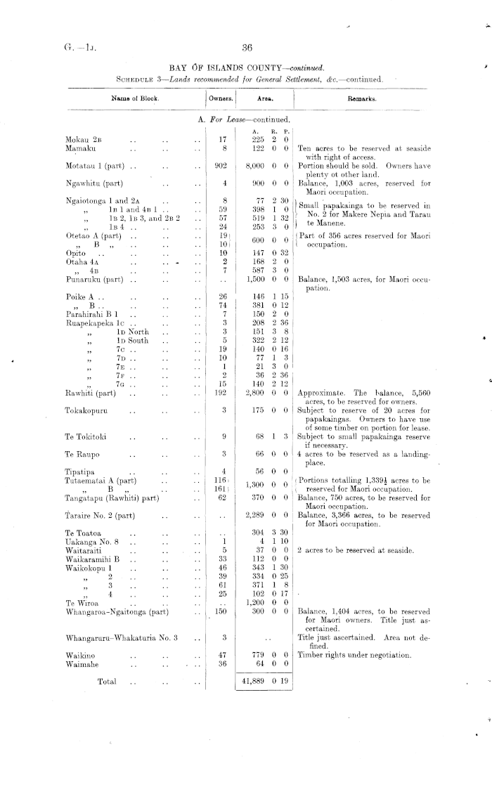
HOKIANGA COUNTY— continued. Schedule 7. Special Recommendations.

BAY OF ISLANDS COUNTY. Schedule 1. Lands under Lease or Negotiation for Lease.

Name of Block. Owners. Area. Remarks. Motukiore No. 1 .. A. 14 R. P. 0 0 Over 100 owners. To be vested in Board to sell to owners. Preference to resident owners if any, or to owners residing on adjoining land. The owners wish to reserve the land for occupation, but to dispose of the timber. Land should be vested in Board for the purpose only of disposing of the timber. When timber is cut out, land to revert for Maori occupation. Thawharu A, B, and C 1,845 0 0

Name of Block. Ownors. Area. Remarks. Te Ahitunutawa Te Ahuahu 1 2 .. 3a .. Herepoho Hauhaupounamu Keatekaahu Kamore Kaingapokanoa Kaihiki No. 2 Kaiwhakairi and subdivisions Te Kauri Te Komiti Kapurahoru A .. B .. C .. D .. E .. Te Karetu Te Karawa 1 2 .. „ 3 Mangataraire Mangatawai 2 Maungakawakawa Nos. Ia to Ih No. 2 .. Mangataururu 2 .. Ngaropa Oropa No. 2 Otaere No. 2 Omapere lc Pimiro Pokeka B 1 Pirikotaha 28 57 26 5 5 2 2 1 4 3 2 1 4 9 11 2 2 143 2 4 28 3 11 24 8 11 1 4 2 10 3 21 A. R. P. 28 2 10 24 0 0 67 0 0 8 0 22 66 0 0 142 0 0 39 0 0 7 0 0 107 0 0 77 0 0 265 0 0 115 0 0 170 0 0 61 2 0 184 2 0 61 2 0 30 3 0 153 3 0 3,828 0 0 3 0 0 6 3 36 66 1 24 115 0 0 126 0 0 295 0 0 122 0 0 126 0 0 6 0 0 36 0 36 121 0 0 80 0 0 383 0 0 145 3 12 271 0 0 Part. Under negotiation for sale. All but 13 acres. Near Waimate. Timber lease. Under negotiation for sale. Under neogtiation for sale. Part. Portions under lease or negotiatio: for lease.

a. 1j

30

BAY OF ISLANDS COUNTY— continued. Schedule 1— Lands under Lease or Negotiation for Lease —continued.

Schedule 2. Lands recommended to be reserved for Maori Occupation under Part II of " The Native Land Settlement Act, 1907."

Name of Block. Owners. Area. Remarks. A. R. P. Poukai A „ B 8) 31) 17 3 3 3 2 1 1 15 7 1 5 1 2 33 14 11 4 2 4 1 16 16 1 1 2 10 4 15 1 2 2 13 7 66 0 0 Porotaka No. 1 . . Rarakareao A B 1 .. B 2 .. B 3 .. Ruapekapeka Ie 1 IE 2 5b .. 7b.. Tuataranui Tangatapu No. 1 . . Te Umupakeke Waikahikatea Whakakoro Waimimiti A C D .. E .. F G H .. K .. L A 1 .. Ax .. Bx .. Cx .. B 2 .. M Ia .. M Ib .. M lc .. M 2 .. M 3 .. 57 36 48 48 32 94 94 384 151 12 91 17 24 50 100 20 36 66 31 12 79 126 71 70 16 84 2 26 34 57 45 38 12 0 0 0 0 3 0 3 0 2 0 3 2 3 2 3 0 2 27 3 0 0 0 0 0 0 0 0 0 2 0 2 0 2 0 0 0 1 0 0 30 2 0 0 0 2 0 0 0 0 0 0 0 1 8 3 20 1 20 1 6 3 13 2 0 1 0 Under negotiation for sale. Under negotiation for lease. Under lease. Under negotiation for sale. Part leased. 4 acres not leased. Total 9,377 2 28

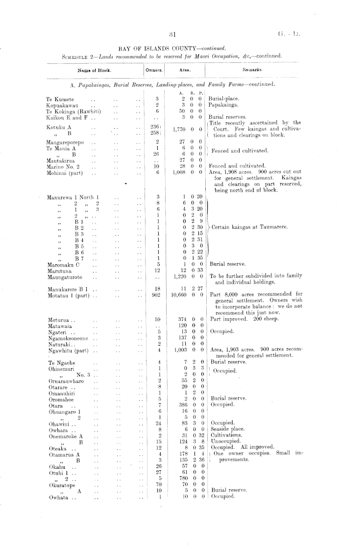
Name of Block. Owners. Area. Remarks. A. Papakaingas, Burii Reservi I, Landing-plact i, and Family Farms. Te Awahe 4 6 Aroha Te Aute Te Ahuahu 3b 4 Ipurua 3 1 1 10 6 5 5 1 4 42 5 2 2 3 A. r. p. 1 1 20 1 1 0 30 0 0 73 0 0 48 3 18 0 0 16 64 0 0 79 0 0 25 2 36 21 1 36 43 0 0 27 3 0 18 0 0 77 0 0 Kainga at seaside. Fenced and improved. Burial reserve. Occupied. Kainga on land Fenced and cultivated. Contains Ruapekapeka Pa. Near Waimate North. Horena Huria Huiarau Hariru Koihanga (or Oihanga) Koliekohe Kaihiki No. 1 .. Reserve at seaside. Portions improved and sheep depasturing. Old pa. Burial-place. Te Karetu No. 2 . No. 3 .. 1 3 18 0 0 4 0 0

31

a. - l.i

BAY OF ISLANDS COUNTY— continued. Schedule 2— Lands recommended to be reserved for Maori Occupation, &c. —continued.

Name of Block. Owners. Area. Remarks. A. Papakaingas, Burial Reset •ves, La; ling-places, and Family Farms —conti trued. Te Kumete Kopuakawau Te Kokinga (Rawhiti) Kaikou E and F .. 3 2 6 A. r. p. 2 0 0 3 0 0 50 0 0 3 0 0 Burial-place. Papakainga. Kotuku A „ B 236| 258 i 1,770 0 0 Burial reserves. ( Title recently ascertained by the J Court. Few kaingas and cultiva- ( tions and clearings on block. Mangareporepo Te Mania A B Mautakirua Marino No. 2 Mohinui (part) 2 1 26 27 0 0 6 0 0 6 0 0 27 0 0 28 0 0 1,008 0 0 Fenced and cultivated. 10 6 Fenced and cultivated. Area, 1,908 acres. 900 acres cut out for general settlement. Kaingas and clearings on part reserved, being north end of block. Manurewa 1 North 1 2 „ 2 1 „ 3 „ 2 „ .. Bl B2 B3 B4 B5 B 6 .. B7 Maromaku C Marutuna Maungaturoto 3 8 6 1 1 1 1 1 1 1 1 5 12 1 0 20 6 0 0 4 3 20 0 2 0 0 2 9 0 2 30 0 2 15 0 2 31 0 3 0 0 2 22 0 1 35 1 0 0 12 0 33 1,220 0 0 V Certain kaingas at Taumarere. / Burial reserve. To be further subdivided into family and individual holdings. Manukarere B 1 .. Motatau I (part) 18 902 11 2 27 10,660 0 0 Part 8,000 acres recommended for general settlement. Owners wish to incorporate balance : we do not recommend this just now. Part improved. 200 sheep. Moturua Matawaia Ngateri Ngamokeoneone Naturahi Ngawhitu (part) 59 5 3 2 4 374 0 0 120 0 0 13 0 0 137 0 0 11 0 0 1,003 0 0 Occupied. Area, 1,903 acres. 900 acres recommended for general settlement. Burial reserve. Te Ngaohe Ohinemuri No. 3 Oruarauwharo .. Otarare Omanuhiri Oromahoe Otara Ohuangaro 1 „ . 2 Ohawini Owhara Onemaroke A B Oteaka Otamarua A B Okahu .. Otuhi 1 .. „ 2 .. Okuratope 4 1 1 2 8 1 5 7 6 1 24 8 2 15 12 4 3 26 27 5 70 10 1 7 2 0 0 3 3 2 0 0 55 2 0 20 0 0 1 2 0 2 0 0 386 0 0 16 0 0 5 0 0 83 3 0 6 0 0 31 0 32 124 3 8 8 0 35 178 1 4 135 2 36 57 0 0 61 0 0 780 0 0 70 0 0 5 0 0 10 0 0 Occupied. Burial reserve. Occupied. Occupied. Seaside place. Cultivations. Unoccupied. Occupied. All improved. ) One owner occupies. Small imI provements. Burial reserve. Occupied. A Owhata

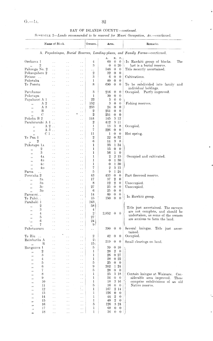
Q.—lj.

BAY OF ISLANDS COUNTY— continued. Schedule 2— Lands recommended to be reserved for Maori Occupation, &c. —continued.

32

Name of Block. Owners. Area. Remarks. A. Papakaingas, Burial Rese; •ves, La: ding-places, am Family Farms —continued. Orokawa 1 „ 2 Pakonga No. 2 .. Pokangahere 2 .. Piriaue Puketaka Te Porotu 4 3 2 3 1 8 A. r. p. 60 0 0 0 0 20 546 0 0 32 0 0 6 0 0 40 0 0 690 0 0 ) In Rawhiti group of blocks. The I last is a burial reserve. Title recently ascertained. Cultivations. To be subdivided into family and individual holdings. Occupied. Partly improved. Patukauae Puketapu Papa kauri A 1 A 2 .. A3 B C .. .. Pokeka B 2 Parahirarahi A 1 .. A 2 A3 CI Te Pua 1 „ 2 Puketapu Ia 2 3 4a 4b 4c 4d Paroa Porotaka 2 3a 3b 3c 3d 3 1 22 152 233 2 2 144 2 1 7 11 2 6 1 1 1 1 1 1 7 5 43 17 8 27 6 14 15 143, i\ 2\ 27! 24 I 9) 216 0 0 30 0 0 3 0 0 3 0 0 24 0 0 251 0 0 251 0 0 145 3 12 412 3 11 13 3 8 226 0 0 1 0 0 22 0 32 14 3 8 33 1 34 15 0 0 56 1 0 2 2 15 0 1 30 0 1 30 2 3 15 9 1 24 433 0 0 37 2 0 12 2 0 25 0 0 25 0 0 60 0 0 150 0 0 -Fishing reserves. Occupied. Hot spring. ) Occupied and cultivated. ) Part firewood reserve. Unoccupied. Unoccupied. Pareanui.. Te Pahii Parahaki 1 2 3 „ 4 „ 5 „ 6 „ 7 Pukctaururu [ In Rawhiti group. 2,852 0 0 Title just ascertained. The surveys are not complete, and should be undertaken, as some of the owners are anxious to farm the land. 390 0 0 v Several kaingas. Title just ascertained. Occupied. Te Riu .. Reiwhatiia A B Rangaunu 1 2 3 4 5 6 7 8 9 10 11 12 .. 13 14 „ 15 16 17 18 2 2) 15, 5 1 1 1 5 9 5 1 1 1 5 1 1 1 1 5 1 1 42 0 0 219 0 0 39 0 10 28 2 0 26 0 27 28 0 22 25 0 0 202 1 24 28 0 0 25 3 18 24 0 0 18 3 16 16 0 0 167 2 14 126 0 0 44 2 0 48 2 0 126 3 24 68 0 0 36 0 0 Small clearings on land. Contain kaingas at Waimate. Considerable area improved. These comprise subdivisions of an old Native reserve.

Cr.— lj.

BAY OF ISLANDS COUNTY— continued. Schedule 2— Lands recommended to be reserved for Maori Occupation, &c. —continued.

5— G. Ij.

33

Name of Blook. Owners. ! Area. Remarks. A. Papakaingas, Burial Rest roes, Lai iding-places, ant I Family Farms —continued Rangaunu 'A B Rangihamama 26 342 A. R. P. 1 0 0 0 3 19 408 0 0 Burial reserve. Ruapekapeka Ia .. Ib .. If lG .. 2 3 4a .. 4b .. 5a .. 6a 6b .. Te Reretiti Spithills Taimimiti Taurangakawau Taikapukapu Taumaharau A .. A 2 B Tahungaopuoro Taumatamaukuuku Tahunakuaka Tapuaetahi Te Tainga No. 3 .. Takanga-a-Mohi Taumatamaukuuku (part) Te Ti Tuparehuia Taupiri Tuataranui Taraire No. 1 No. 2 (part) Tapapanui A B C Tirohanga Tii-Mangonui .. .. ... 3 2 2 2 3 4 2 18 4 1 50 433 0 28 414 0 32 227 2 32 227 2 32 32 0 0 436 3 21 53 0 0 172 1 0 ) 139 2 0 17 1 27 . 447 0 13 104 0 0 19 3 24 50 0 0 124 0 0 104 0 0 '■ Mostly in grass and cultivated ; kaingas. Small clearings. About half improved. Occupied. >> Kainga and clearings. Occupied. Kainga on block. 1 4 3 4 !» 21 2 3 3 1 3 2 4 251 1 18 32 Kainga and cultivations. 19 0 0 Used as cultivations. 15 0 0 204 0 0 81 0 0 38 0 0 4 1 20 11 1 17 250 0 0 81 2 0 2 0 0 100 0 0 80 0 0 ( 700 0 0 1 3,366 0 0 1,212 0 0 400 0 0 112 0 0 65 3 0 830 0 0 Occupied. Part improved. Buildings on section. 152 acres to be cut out for lease. Kainga. 1 488 Approximate. Title just ascertained. ( 34 6 5 | Kainga. Large area under cultiva- '- tion. Further subdivision neces- ) sary. 49 Kaingas on block. Title recently ascertained. Subject to lease which owners declare is terminated for breach of covenants. Te Urupa 7 311 0 0 Uakanga 2 „ 3 „ 4 „ 5 „ 6 „ 7 Urupukapuka 1 and 3 2 .. Whapukupirau Waikotihe Te Wharau Whatitiri Waitata .. .. .. Te Wharawhara Te Wahitapu (Parutahi No. 2) Waitaheke Waikaramihi A Wharengaere 1 1 1 1 1 1 43 55 4 2 1 6 3 2 1 2 3 7 4 2 3 4 3 0 5 0 19 4 2 3 4 0 30 4 2 10 300 0 0 164 0 0 47 0 0 5 1 25 12 0 0 47 0 0 25 0 0 6 0 0 0 3 15 82 0 0 56 0 0 401 0 0 V Kaingas and cultivations. , An island. Balance unsold. Occupied. Burial reserve. Kaingas. Occupied, Partly improved.

G.—lj.

34

BAY OF ISLANDS COUNTY— continued. Schedule 2— Lands recommended to be reserved for Maori Occupation, &c. —continued.

Name of Blook. Owners. Area. Remarks. A. Papakaingas, Burial Rese; •ves, La; ding-places, an I Fam,ily Farms —continued. Waiwhariki Ia IB lC .. Id 2 Waiparaheka Werowero 1 2 8 4 Whakataha 1 2 3a 3b .. Wharemarama . . Waewaetorea Waingarara Whahanekeneke \ 131 26' 9 14 3 2 144 27 79 10 31 1 8 18 15 A. R. P. 868 0 0 Occupied. Partly improved. 86 2£0 156 0 0 12 0 0 24 0 0 77 0 0 200 0 0 400 0 0 82 0 0 730 0 0 1 3 0 115 0 0 500 0 0 1,445 0 0 Occupied and fenced. Kainga. Several kaingas. Considerable area improved, and beginning to be used for dairying by owners. To be further subdivided. No. 1 No. 2 No. 3 No. 4 No. 5 No. 6 No. 7 Whangaruru-Whakaturia 1 7 4 12 10 3 1 22 70 0 0 34 0 0 150 0 0 90 0 0 12 0 0 1 0 0 40 0 0 Occupied and under cultivation. Papakainga. Area not defined. Total J 45,137 3 10 B. Lands re 'jcommem led to be leased i \o Maoris. Haowhenua Waitaraire Waimangaro 2 1 7 21 0 0 130 0 0 193 0 0 I To be leased to Hori Tane, of PakaI raka. No tenant specified. Preference to resident owners. Out of 3,581 acres. No tenant specified. Maromaku B (part) 500 0 0 Total 844 0 0 I i "he Native Land Settlement Act, 1907." C. Lands recommended to be ineorporatt d under Section 61 of " 1 Hauai (Rawhiti) (part) .. 37 1,240 0 0 Part 620 acres proposed for general settlement. About 300 sheep and 40 head of cattle on block. Kaingas on land. Title recently ascertained. I Approximate areas. Considerable amount of clearing has been done during last four years on these blocks. Te Kahikatoa 135 440 0 0 Motatau 3a 3b „ 3c 73) 73 4,900 0 0 671J „ 4 Otetao A (part) „ B(part) Otaha 4c Orokawa 3 Punaruku (part) 414 3,330 0 0 191 ]q| 356 0 0 15 591 3 0 58 403 1 12 1,503 0 0 (Part 600 acres recommended for ( general settlement. Balance, 1,500 acres, for general settlement. Papakauri D 118 480 0 0

G.—U

35

BAY OF ISLANDS COUNTY— continued. Schedule 2— Lands recommended to be reserved for Maori Occupation, &c. —continued.

Schedule 3. Lands recommended for General Settlement under Part I of " The Native Land Settlement Act, 1907." (The blocks are arranged to show the method of disposal urged by the Maori owners.)

Name of Block. Owners. Area. Remarks. C. Lands recommi .nded to be incorporated, &c. —continued. Te Ramaroa Rawhiti (part) 86 192 a. R. p. 295 0 0 5,560 0 0 Portion, 1,000 acres, should be leased to Maoris. (Part, 1,300 acres, recommended for I general settlement. Part, 370 acres, recommended for general settlement. Balance recommended for general settlement. Area not defined. Tutaematai A (part) B ». . Tangatapu (Rawhiti) (part) 116} 161 1 62 1,339 2 0 750 0 0 Whangaroa-Ngaiotonga (part) 150 1,404 0 0 Whangaruru-Whakaturia 2 248 4 Total 22,592 2 12 a.

Name of Block. Owners. Area. Remarks. A. For Lease. Te Awahe No. 1 No. 2 No. 3 No. 5 No. 7 No. 8 No. 9 No. 10 Kohatuhuri Korotangi 5 1 1 1 1 2 1 1 2 2 6 a. R. p. 33 2 0 1 1 20 0 1 23 0 1 28 0 1 18 2 1 0 0 3 26 0 3 12 1 2 26 53 0 0 22 0 0 Subject to reserve of 2 acres for burial-place. Kairaurau Kaurinui 2 3b 1 ., 3b 2 Kirikiri-Pawhaoa A B Karaka-Huarua A B Section 1, Block VIII, Kirikin Survey District Hauai (Rawhiti) (part) 1 1 20 87 20 10 38 10 3 244 0 0 54 0 0 406 1 14 627 0 0 262 0 17 199 2 15 222 2 0 69 0 0 48 2 0 (Section 11 to apply, as some of I owners wish to sell. Five acres to be reserved for use of Kaikou A 1 „ A 2 „ A3 „ B „ c „ D Maromaku A B(part) 37 1 2 10 22 65 7 31 79 620 0 0 80 1 17 161 0 34 807 3 33 1,998 0 0 1,209 0 0 584 1 10 845 1 17 3,081 2 22 owners. Balance, 1,240 acres, to be reserved for owners. Part of B, 500 acres, to be reserved for lease to Maoris. Mangatete Mohinui (part) 1 6 72 0 0 900 0 0 Part, 1,008 acres, reserved for Maori occupation. Mokau 2a 26 225 2 0

G,-Ij.

BAY OF ISLANDS COUNTY— continued. Schedule 3— Lands recommended for General Settlement, &c. —continued.

36

Name of Block. Owners. I Area. Remarks. A. For L <,se —continued. Mokau 2b Mamaku 17 8 A. R. P. 225 2 0 122 0 0 Motatau 1 (part) 902 8,000 0 0 Ten acres to be reserved at seaside with right of access. Portion should be sold. Owners have plenty ot other land. Balance, 1,003 acres, reserved for Maori occupation. Ngawhitu (part) 4 900 0 0 Ngaiotonga 1 and 2a „ Ib 1 and 4b 1 .. Ib 2, Ib 3, and 2b 2 1b4 .. Otetao A (part) „ B „ Opito Otaha 4a .. .. - „ 4b Punaruku (part) 8 59 57 24 I Di 101 10 2 7 77 2 30 398 1 0 519 1 32 253 3 0 600 0 0 | Small papakainga to be reserved in r No. 2 for Makere Ncpia and Tarau ) te Manene. j Part of 356 acres reserved for Maori 1 occupation. 147 0 32 168 2 0 587 3 0 1,500 0 0 Balance, 1,503 acres, for Maori occupation. Poike A .. „ B. Parahirahi B 1 Ruapekapeka lc .. „ Id North „ Id South 7c .. 7d .. 7e .. 7f .. 7g .. Rawhiti (part) 26 74 7 3 3 5 19 10 1 2 15 192 146 1 15 381 0 12 150 2 0 208 2 36 151 3 8 322 2 12 140 0 16 77 1 3 21 3 0 36 2 36 140 2 12 2,800 0 0 Approximate. The balance, 5,560 acres, to be reserved for owners. Subject to reserve of 20 acres for papakaingas. Owners to have use of some timber on portion for lease. Subject to small papakainga reserve if necessary. 4 acres to be reserved as a landingplace. Tokakopuru 3 175 0 0 Te Tokitoki 9 68 1 3 Te Raupo 3 66 0 0 Tipatipa Tutaematai A (part) B „ Tangatapu (Rawhiti) part) 4 116 i 1611 62 56 0 0 1,300 0 0 (Portions totalling 1,339| acres to be ( reserved for Maori occupation. Balance, 750 acres, to be reserved for Maori occupation. Balance, 3,366 acres, to be reserved for Maori occupation. 370 0 0 Taraire No. 2 (part) 2,289 0 0 Te Toatoa Uakanga No. 8 .. Waitaraiti Waikaramihi B .. Waikokopu 1 2 3 4 .. Te Wiroa Whangaroa-Ngaitonga (part) 1 5 33 46 39 61 25 304 3 30 4 1 10 37 0 0 112 0 0 343 1 30 334 0 25 371 1 8 102 0 17 1,200 0 0 300 0 0 2 acres to be reserved at seaside. 150 Balance, 1,404 acres, to be reserved for Maori owners. Title just ascertained. Title just ascertained. Area not defined. Timber rights under negotiation. Whangaruru-Whakaturia No. 3 3 Waikino Waimahe 47 36 779 0 0 64 0 0 Total 41,889 0 19

37

G.— lj

BAY OF ISLANDS COUNTY— continued. Schedule 3— Lands recommended for General Settlement, &c. —continued.

Schedule 4. Lands vested in the Tokerau Maori Land Board under Section 8 of " The Maori Land Settlement Act, 1905."

Schedule 5. Lands the Titles to which have not been ascertained or properly ascertained.

Name of Blook. Owners. Area. Remarks. B. For Sale. [aramatautini taunganui 1 6 44 A. R. P. 92 0 0 1,000 0 0 2 263 1,460 0 0 Some of the owners strongly object to this being sold ; they agree that it be leased. Some of the owners strongly object to this being sold ; they agree that it be leased. These two last blocks are in the Rawhiti group of blocks. rgamahanga >pete (or Kopeti) tahuikotuku 2 'e Tainga No. 2 'aoneone B „ C J 2 1 2 2 11 27 3 38 73 0 0 7 0 0 2 1 4 70 1 11 320 0 22 Interest of Komene Hemara to be reserved out of C. Total 3,052 2 25

Name oi Blook. Owners. Area. Remarks. Motatau No. 2 Pari mat a-Mokau .. No. 2 No. 3 No. 4 No. 5 No. 6 No. 7 Punaruku No. 2 .. Waihaha 1 „ 2 711 202 87 30 6 2 3 2 370 578 27 A. R. P. 35,000 0 0 4,391 0 0 2,010 0 0 350 0 0 4 0 0 67 0 0 366 0 0 67 0 0 1,725 0 0 900 0 0 235 0 0 Approximate. Total 45,115 0 0

Name of Blook. Owners. Area. Remarks. Motatau No. 5 a. r. p. 22,055 0 0 Referred back to Native Land Court by Native Appellate Court. Ditto. Punakitere No. 4 .. Waikare 1 „ 2 Te Wawa Kohewhata 1,845 0 0 7,595 0 0 1,900 0 0 907 0 0 2,040 0 0 125 0 0 2,140 0 0 152 0 0 1,316 0 0 ) I " ,, Taporepore Te Tuhuna Waerengaatua Oakura »? Order of Board annulled by Native Appellate Court. Approximate. Taumataroa Otao Native Reserve Poroporo Island .. 100 0 0 1,032 0 0 18 0 0

Gk—lj.

38

BAY OF ISLANDS COUNTY— continued. Schedule 5— Lands the Titles to which have not been ascertained, &c. —continued.

Schedule 6. Lands not dealt with or as to which Further Information is required.

WHANGAROA COUNTY. Schedule 1. Lands under Lease or Negotiation for Lease.

Name of Block. Owuers. Area. Remarks. Okahi (or Red Island) Papakura In Block XVI, Punakitere Survey District In Block XIII, Motatau South of Kaikou and Maromaku —about A. R. P. 57 0 0 326 2 15 780 0 0 Approximate. 3,280 0 0 12,000 0 0 Total .. 57,668 2 15

Name of Blook. Owners. Area. Remarks. Kakamatenga Kaiwhakaiti Kiripaka, Te Te Kowhai Kapa Manukau B Pukahakaha Pakonga A „ B „ C Putahoihoi Turuki Umuhapuku 648 No. 2 Te Uwhi 1 „ 2 Waiorakau Oromahoe Puketutu Omapere Ia and Ib „ 2 1 1 2 3 1 2 1 !} 26) 6 10 1 1 3 4 236 A. R. P. 10 0 0 19 0 0 4 2 29 73 0 0 6 3 0 88 0 0 26 0 0 15 1 13 5 0 0 2 1 32 32 0 0 15 0 0 259 0 0 12 3 16 1,090 0 0 720 0 0 624 0 0 57 0 0 School-site. Maria Bryers. School-site. 53 Total .. 3,060 0 30

Name of Block. Owners. Area. Remarks. Laingapokeno No. 2 No. Ia „ No. Ib „ No. lc „ No. Ie „ No. If „ No. Ig No. 2a „ No. 2a North 32 7 4 4 1 2 15 1 41 A. R. P. 93 1 13 139 1 24 418 0 32 139 1 24 88 0 0 183 1 24 366 3 8 50 0 0 977 0 0 'upuke D (part) .. „ E2 „ F L 2 [atangirau 1 4 4 2 92 12 0 0 18 2 0 41 0 0 18 0 0 190 0 0 577 acres under negotiation, acres leased. 400 Under negotiation.

39

GL— 1j

WHANGAROA COUNTY— continued. Schedule 1— Lands under Lease or Negotiation for Lease —continued.

Schedule 2. Lands recommended to be reserved for Maori Occupation under Part II of " The Native Land Settlement Act, 1907."

Name of Block. Owners. Area. Remarks. 30 A. R. P. 320 0 0 liriwha 239 2 178 0 0 242 3 26 Stephenson's Island. mate. Under negotiation. Area approxi'ouwai, Te (part).. Vaihapa 3b (part) Total 3,466 0 3

Name of Block. Owners. Area. Remarks. A. Papakainga*, Burn Reservt is, Landing-placi i, and Family Farms. Hoanga, Te Hoahoaina Kairawaru Kahikatoa, Te Kaingapokena 3 .. 4 Mangaiti No. 1 No. 2 .. No. 3a 1 No. 3a 2 No. 3b .. „ No. 4c .. „ No. 4d .. Matakaraka (part) Rahinepua A B .. C D Otangaroa Ia North „ Ia South „ lc 3 (part) „ lc 4 (part) Orotere Omaunu Ia Ib (part) „ 2a Pumanawa „ (Pararako 2) Pahuhu No. 1 „ No. 2 .. No. 3 Pupuke A (part) .. „ B „ Cl „ C2 „ D (part) „ El ... .. E 2 (part) „ H (part) „ J „ K „ LI „ L 3 „ M „ Nl .. .. • .. „ N2 » 0 „ P „ R „ s 3 1 1 135 11 84 4 2 1 6 7 1 7 44 4 10 5 1 10 2 9 2 1 19 52 1 1 18 2 1 4 6 9 2 8 1 7 4 5 1 5 8 1 2 1 2 7 16 15 9 A. R. P. 49 0 0 2 0 0 506 0 0 440 0 0 93 1 13 93 1 13 52 0 0 16 3 20 0 1 39 2 2 32 3 1 12 6 3 33 0 2 16 200 0 0 80 0 0 80 0 0 439 0 0 60 0 0 150 0 0 150 0 0 100 0 0 100 0 0 77 0 0 797 2 18 893 1 22 45 2 17 34 0 0 8? 1 8 36 0 0 12 0 0 48 0 0 63 2 0 59 0 0 25 2 0 32 0 0 13 2 0 238 2 34 6 0 0 38 0 0 25 2 0 127 2 0 92 0 0 13 0 0 68 0 0 4 2 0 28 2 0 161 2 0 170 3 20 188 2" 6 112 3 20 Cemetery reserve. Improved. Owners to be incorporated. Copper rights leased. Kainga. Kaingas and cultivations. Kaingas and farm. ,, »? ». Incorporate owners. .. i All these sections are occupied or U utilised. Pupuke B to be leased to Hare Paora.

G.— lj

40

WHANGAROA COUNTY— continued. Schedule 2— Lands recommended to be reserved for Maori Occupation, &c. —continued.

Schedule 3. Lands recommended for General Settlement under Part 1 of " The Native Land Settlement Act, 1907." (The blocks are arranged to show the method of disposal urged by the Maori owners.)

Name of Blook. Owners. Area. Remarks. . A. Papakaingas, Burial Reset ■ves, La; ling-places, anc Family Farms —continued. Reserve Takou East (part) Touwai, Te (part) Totara, Te Wainui, Te, Ia (part) „ 2a „ 2b ., 2c „ 2d 1 „ 2d 2 „ 2e „ 2f ,, (wahi tapu) 2 Waikukupa A C .. D E H Waihapa Ia Ia „ Ia Ib „ Ia lc „ Ia Id „ Ia 4 (part) 2c (part) „ 3b 1 (part) „ 3b 2 Whangaihe No. 1'.. No. 2.. No. 3 (part) 24 9 239 3 5 5 26 31 2 6 4 22 4 2 3 8 7 9 2 31 31 29 3 a. r. p. 2 1 0 600 0 0 1,400 0 0 2 2 21 128 0 0 400 0 0 185 0 0 384 0 0 3 0 0 82 0 0 41 0 0 485 0 0 10 0 0 94 0 0 89 0 0 49 3 0 64 2 0 56 2 0 224 3 23 0 1 24 j 1 0 0 572 2 3 84 3 38 10 0 0 242 3 26 1,576 2 24 150 0 0 65 0 0 20 0 0 Church and cemetery. Incorporate owners. Farm. 470 sheep. Incorporate owners. Church and cemetery. Kainga. Utilised. Kainga. Utilised. To be leased to Himi Taniora. Church. Cemetery. Incorporate owners. Papakainga for Taniora Rihari. 26 6 6 22 Incorporate owners. Total 13,148 1 22

Name of Blook. Owners. Area. Remarks. A. 'or Leasing. loahoaina No 1 .. No 2 .. No 4 .. Laingapipiwai Ih. . Id.. )maunu Ib (part) Hangaroa Ib „ lc 1 (part) „ lc 3 (part) „ lc 4 (part) "ato, Te.. 'utakiwi 'upuke A (part) .. 'okaka 'akou East (part) 'ouwai, Te (part).. 'auaki .. Wainui, Te, Ia „ Ib .. „ lc .. „ Id .. 24 11 13 45 12 52 18 2 9 2 1 76 6 A r. p. 9 2 16 50 0 16 15 0 0 200 0 0 278 3 8 890 0 0 1,435 0 0 374 0 0 421 1 13 374 0 0 26 2 0 300 0 0 64 0 0 138 0 0 637 0 0 2,070 0 0 65 0 0 278 0 0 79 0 0 79 0 0 790 0 0 Subject to papakainga for occupiers, Puriri trees to be reserved to owners. 9 239 26 5 4 4 16 Subject to roads.

G —1j

41

WHANGAROA COUNTY—continued. Schedule 3— Lands recommended for General Settlement, &c— continued.

Schedule 5. Lands the Titles to which have not been ascertained or properly ascertained.

Schedule 6. Lands not dealt with or as to which Further Information is required.

6—(i. I.J.

Name of Blook. Owners. Area. Remarks. A. For Leasing —continut 'using —continue' Waikukupa B .. Whangaihe 3 (part) Waihapa Ia 4 (part) „ 2c (part) A. R. P. 6 78 0 0 22 330 0 0 3 42 0 0 7 177 3 33 A. R. P. 78 0 0 330 0 0 42 0 0 177 3 33 Balance, 10 acres, papakainga. Total 9,202 1 6 ! 9,202 1 6 Matakaraka (part) Mangahouto Manginangina Otangaroa lc 2 lcl .. Pupuke H (part) .. Waihapa Ia 2 B. For Sale. Should be taken for scenic purposes. 44 196 0 0 3 293 0 0 4 200 0 0 5 234 2 7 2 474 0 0 12 0 0 1 187 3 33 Timber-milling on block. Restrictions removed for sale. »» Total 1,596 2 0 1,596 2 0

Name of Blook. Owners. Area. Remarks. Matauri No. 1 and No. 2 Mahimahi Rotukawanui Totara, Te A. R. P. 2,500 0 0 1,750 0 0 435 0 0 3 0 0 Cavalli Islands. Total 5,688 0 0

Owners. Area. Remarks. Name of Block. Karaka, Te Kaingapokeno 1 Pupuke G . „ Q Pakonga.. Waihapa Ia 3 „ 2a 2b „ 2d 3a Waikukupa F Spithills .. 4 1 7 14 1 7 1 12 8 1 3 10 1 A. r. p. 11 0 25 60 0 0 30 0 0 171 2 0 55 0 0 361 3 30 161 0 0 294 3 26 415 3 26 187 3 33 53 3 0 34 2 0 19 3 24 Total 1,857 2 4

G.—lj

MANGONUI COUNTY. Schedule 1. Lands under Lease or Negotiation for Lease.

Schedule 2. Lands recommended to be reserved for Maori Occupation under Part II of " The Native Land Settlement Act, 1907."

42

Name of Block. Owners. Area. Remarks. Lputerewa No. 2b uWapuku, Te, No. 4 [uriwhenuatika No. 1 (part) Vhiwhero (part) •parihi II 8 43 10 6 A. R. P. 531 0 0 94 0 0 33 0 0 17 0 0 4 3 0 Total .. 679 3 0

Name of Block. Name of Block. Owners. Area. Remarks. A. Papakaingas, Buric al Reserves, Landing-plai es, and Family Farms. Te Ahua o Taunaki Aputerewa, Te, No. 1 Awapoko Reserve (part) a. r. p. 8 312 0 0 7 702 0 0 109 40 0 0 Occupied. Also known as Whakautu and Okokori. Occupied. Hauturu No. 1 „ No. 2 No. 3 .. No. 4 .. Kohanga, Te, No. 1 No. 2 Karikari No. 2 .. Konoti A Ia „ AlB „ A 4 .. A3 A 4 South 2 (part) 2 32 0 0 1 33 0 0 1 49 1 0 7 44 0 0 10 41 2 0 10 71 0 0 13 726 0 0 1 29 2 26 2 184 1 14 16 40 0 0 17 157 1 27 15 187 0 30 ,? »» ,, .. Flax leased. Occupied. 5. Flax lease under negotiation. Occupied. Timber and flax under negotiation ; 5 acres under negotiation for sale (mill-site). Incorporate. „ A5 South B 1 North „ B 1 South-east „ B 1 South-west B 3 South B 4 South ,; B 5 No. 4 Kareponia No. Ib No. 2a No. 2b Kohumaru No. 1 .. No. 2 Kohumaru Reserve Maimaru A B „ C „ . D Mangataiore Matarau No. 1 .. Muriwhenuatika 1 (part) 15 188 0 18 1 116 3 33 3 245 1 0 8 163 2 0 10 494 3 8 14 268 1 24 11 274 1 28 3 416 1 24 6 416 2 24 7 624 0 29 J® 1 2,063 0 0 2 4 0 0 8, . 1 532 0 0 8) 10 381 0 0 1 1 0 17 43 2,951 0 0 j Timber and flax under negotiation j for lease. Occupied. Incorporate. Timber to be sold. Incorporate. Occupied. Family farm. „ Farm. >> >> ,, Incorporate. Church. Occupied. 2 20 70 0 0 Occupied. Incorporate. Farm. Homestead. Occupied. Incorporate. Majority of owners have little other land. Wairama Maihi will take lease. Majority of owners live near Mangonui. Occupied. Occupied. Partition has been applied for to Native Land Court, Occupied. Merita No. 1 „ No. 2 : Moringai A 1 102 0 0 22 816 0 0 1 5 0 10

G.—1j

43

MANGONUI COUNTY— continued. Schedule 2—Lands recommended to be reserved for Maori Occupation, &c— continued.

Name of Block. Owners. Area. Remarks. A. Papakaingas, Burial Rese; ■ves, La: ling-places, and Family Farms —'continued. Murimotu No. 2 .. 3 A. R. P. 785 0 0 This block to be brought under Part II of " The Native Land Settlement Act, 1907," to enable leasing to other owners. Neke, Te Otu Oturu No. 1 (part) • • • • 1 „ No. 2 (part) .. • • J Okahu No. 1 „ No. 2 „ No. 3 „ No. 4 2 9 26 2 0 162 0 0 Wahi tapu. 100 0 0 To be leased to Rapihana Waaka. 1 1 3 10 53 3 8) 53 3 8! 161 1 24 j" 271 0 0J 600 0 0 60 2 17 Occupied. Surveys of these subdivisions to be completed to enable owners to improve land. To be leased to Renata Hoera, Hami Yates (half-caste), Ngapera Hoera, Pata Roera, and Eruera Hoera. That is, three and one-third shares out of eleven shares for specified Natives. Church, wahi tapu, and cultivations. Occupied. Partly improved. Occupied. Okakewai D (part) • • • • 1 E(part .. . .J Ohao No. 1 (part) Pukemiro Parangiora Peria No. 3 „ No. 4 „ No. 5 „ No. 6 „ No.7 „ No. 8 „ No. 9 „ No.2 „ No. 1 Patiki No. 1 (part) „ No.2 „ No. 3 Parapara East A .. B4 B5A B5b B5c c Pukenui 1 • „ 2 5 5 3 1 8 3 4 2 1 1 1 7 1 1 1 5 2 8 10 3 15 3 9 3 0 156 2 0 25 0 0 3 0 0 2 0 0 375 0 0 492 0 0 150 0 0 1 0 0 17 0 0 25 0 0 110 0 0 10 2 8 3 3 3 50 0 0 289 3 33 96 2 26 480 1 23 3 0 0 30 3 0 81 0 0 27 0 0 ;? .? „ Farm. i> >. » ,» Farm. Occupied. ., ». 5, Wahi tapu. Occupied. Fishing-site. To be leased to Henare Kingi, Peria Post-office. Pukekahikatoa 1 .. 2a 2b Pukepoto 1 „ 2 „ 3 „ 4 „ 5 „ 7 „. 8 Perukia A „ B Parakiraki A Taheke .. 70 50 51 21 31 7 24 12 1 74 2 6 196 0 0 73 2 4 75 2 32 650 0 0 80 0 0 1 2 0 560 0 0 200 0 0 20 0 0 1,338 0 0 43 0 0 19 1 7 16 0 0 154 0 0 Huria Settlement on this block. Incorporate. Flax under negotiation. 5 To be leased to Teina Ihaka, who is occupying. Occupied. To be located on inland side of Rangiawhia River, and adjoining Mr. Brodie's estate. Occupied. Settlement, seventy to eighty people residing. Wahi tapu, now sandhills. Occupied. Settlement, fifty people. Tawhati Taumatawiwi (part) 3 38 70 0 0 100 0 0 Taimaro • • 6 99 0 0 Wairoa No. 2 Waimanoni 1 10 51 3 24 185 0 0

G.—lj

44

MANGONUI COUNTY— continued. Schedule 2 — Lands recommended to be reserved for Maori Occupation, &c. —continued.

Schedule 3. Lands recommended for General Settlement under Part I of " The Native Land Settlement Act, 1907." (The blocks are arranged to show the method of disposal urged by the Maori owners.)

Name of Block. Owners. Area. Remarks. A. Papakaingas, Burial Rese; •ves, La: ling-places, an Family Farms —continued. r aiaua 'aipuna aimahana 28 4 10 a. r. p. 147 0 0 6 2 19 649 0 0 Occupied. Incorporate. Church, wahi tapu. 200 sheep, 30 cattle: Some of owners no other land. Owners now number about thirty. As papakainga for Hare Huru, Uwhinia Matiu, Hio Tatana, Mange Hio, and Matiu Pukeroa. Occupied. Land capable of improvement, being utilised and cultivated. Land uneven quality, and good patches scattered. Ditto. School reserve. Wahi tapu and church. aitaha (part) 75 150 0 0 "hatuwhiwhi 1 39 454 1 14 2 3 4 .. .. - .. 7 125 2 26 5 0 0 3 2 0 39 Total 23,236 2 23

Name of Block. Owners. Area. Remarks. A. or Lease. A. r. p. 312 0 0 300 0 0 A. R. p. Jiua-o-Taunaki (part) .wapoko Reserve (part) 312 0 300 0 1,074 0 0 0 Also known as Whakautu and Okokori. 0 •turu No. 1 „ No. 2 (part) Ikakewai A B „ C D (part) E >hao No. 1 (part) 2 15 12 7 . 33 J 2 15 12 7 . 33 J 1,074 0 0 89 0 0 309 2 19 191 2 24 89 0 309 2 : 191 2 : 0 19 24 313 2 : 139 1 : 554 1 : 319 i : 197 0 101 0 313 2 37 37 23 That is, seven two-thirds shares out of eleven shares. 20 Coal-rights to be reserved. 20 Flax to be sold. Coal to be reserved. 0 4 139 1 23 „ No. 2b „ No. 2c •harae 'atiki No. 1 'arapara West 1 .. 3 .. 'ukepoto No. 6 .. langirangina 'aumatawiwi (part) Vhiwhero (part) 101 65 8 6 2 13 44 10 38 10 101 65 8 6 2 13 44 10 38 10 115 o : 115 o : 200 0 lTfl A 554 1 20 319 1 20 197 0 0 101 0 4 115 0 22 115 0 25 200 0 0 176 0 0 2,151 0 0 161 0 0 22 25 0 176 0 2,151 0 161 0 6819 l : 0 0 0 34. Total o,ois- i . For Sale. 6,819 1 34 B lororoa, Te [onoti A 4 North „ A 4 South 2 (part) „ A 5 North Vaitaha (part) 5 1 2 75 41 0 60 0 5 0 50 0 826 0 0 0 Under negotiation. 0 0 0 Total 982 0 0

45

G.—lj

MANGONUI COUNTY— continued. Schedule 4. Lands vested in the Tokerau Maori Land Board under " The Maori Land Settlement Act, 1905."

Schedule 6. Lands not dealt with or as to which Further Information is required.

Name of Blook. Owners. Area. Remarks. 'arengarenga and Pakohu A. R. P. 57,306 0 0 Vested in virtue of section 3, No. 49 of 1904. Nearly whole area leased. Schedule 5. Lands the Titles to which have not been ascertained or properly ascertained. Name of Block. Owners. Area. Remarks. Ahipara .. Opoturi .. Total A. R. P. 6,654 0 0 250 0 0 6,904 0 0

Name of Block. Owners. Area. Remarks. Awapatiki, Te Konoti A3 „ A 5 „ A 4 South 1 „ B 2 „ B 3 North „ B 5 No. 1.. „ B 5 No. 2.. „ B 5 No. 3.. Kareponia No. Ia No. 3 Motukauri Mataraua A n B C 2 3 Moringaehe 3 Raroa, Te Moringai B Rerikana Manukau Ohao 2a Orakiroa Perukia C Toatoa Toko-o-te-Arawa .. Taupo Waipapa Wairoa, Te 2 18 15 13 1 1 1 1 3 3 2 1 10 5 10 33 31 2 1 23 1 733 4 4 12 5 4 109 1 10 i A. r. p. 5 0 0 20 0 0 30 0 0 64 0 10 5 0 0 43 0 17 11 1 29 11 1 29 68 2 18 624 2 16 7 0 37 0 3 15 19 2 34 22 2 0 105 2 8 1 1 12 6 1 9 9 2 32 195 0 0 2 3 30 2 1 0 9,280 0 0 30 0 0 59 0 0 140 0 0 304 3 30 0 3 34 2,694 0 0 12 0 35 1 0 0 Total 13,778 2 35

a.—ij

46

APPENDICES.

APPENDIX I. Sih, — Native Land Commission, Auckland, 11th May, 1908. We have the honour to submit for your consideration a few matters in connection with Native lands in the Counties of Hokianga and the Bay of Islands. At present we are able to make only tentative proposals with regard to some of the blocks, because of the position of some of the titles and of the surveys. We are of opinion that, to enable us to recommend to the Governor satisfactory proposals, competent surveyors should be instructed to visit the blocks named in the schedule, and report on the schemes of settlement we outline in such schedule. We understand that there are three surveyors engaged at the present time in the Hokianga County —Mr. Edgecumbe, surveying Te Karae Block for the Tokerau Board; Mr. Percy Ward, surveying for the Natives in Waima North and other blocks; and another surveyor recently authorised or asked to be authorised to survey Whakarapa and Waihou Lower (North Hokianga) Blocks. These three can spare a few weeks to run over the blocks we name and gather sufficient data for a report upon which we can finally base our recommendations. In the Bay of Islands County we are informed that the Board is employing a surveyor in Motatau No. 2. The Department will know if this is true. We are of opinion that at least three surveyors will be required for two or three weeks to run over some of the blocks in the county. We give a list of the blocks in question, together with a rough outline of scheme of settlement in a schedule attached. We are recommending the Governor to issue an Order in Council under section 10 of "The Native Land Settlement Act, 1907," prohibiting private alienation in respect of some of the blocks. We have, &c, Robert Stout, A. T. Ngata, Commissioners. Hon. J. Carroll, Native Minister, Wellington.

Hokianga County. 1. Mangamuka East and Subdivisions. —Estimated area, 7,949 acres, excluding Subdivisions A Ia and A Ib. Mangamuka West and Subdivisions. —Estimated area, 12,520 acres. The scheme is to reserve for the use and occupation of the owners, — Part of East A.—600 acres. Area, 722 acres, of which 122 acres we propose should be cut out to adjoin East C, so as to give access from the latter to the Mangamuka Stream. Balance, 600 acres, to be incorporated for hapu farm. East B, D, E, and F Ib 1 and Ib 2.—Area, 1,317 acres. Part East G and H.—934 acres at north end of block adjoining State forest reserve, if land suitable only for forest reserve. Part of East Ib 3.—1,500 acres. Area, 2,154 acres, of which 654 acres we propose should be cut out to adjoin East la, and made available for general settlement. East 2.—391 acres. West 1.—327J acres. Part West 2.—1,735| acres. Area, 3,235£ acres, of which 1,500 acres are to be cut out for general settlement in such a position as to fit in with scheme of general settlement in rest of Mangamuka West; of the reserve, about 235J acres are for a " bird reserve." Part West 3.-3,000 acres. Area, 8,957 acres, of which 5,957 acres are to be cut out for general settlement. Total proposed to be reserved for Maori settlement, 9,805 acres, approximately. The balance of these blocks we propose for general settlement: — Part of East A. 122 acres. Location as indicated above. East C. 391 „ East G (part). 700 „ }At south end of block. Small papakainga to be cut out East H (part). 700 „ J on G. East Ib 3 (part). 654 „ To be cut out to adjoin East la. East 3b. 1,640 „ West 2 (part). 1.500 „ ) To be cut out g0 as to nave p ro p e r frontage to road. West 3 (part). 5,957 „ j 11,010 „ This block adjoins Te Karae, vested in the Board. Mr. Edgecumbe should be instructed to go over it and report as to whether our proposals are feasible, how the block may be subdivided for settlement, accessibility of various sections, valuation of land and timber, and location of portions to be reserved to the Natives.

47

Gh—lj

2. Waihou A and B and Subdivisions. —-Estimated area, 7,900 acres. We propose that Subdivisions A 1 (190 acres) and A 7 (160 acres) be reserved for Maori occupation, and portions of the following : A 2 (400 acres), A 4 (800 acres), A 5 (600 acres), A 6 (900 acres), and A 8 (900 acres). In order not to disturb existing partitions of the Native Land Court and to conserve the kaingas and cultivations along the road, which skirts the south end of the block, the reserves will cover nearly the whole of this frontage. Total reserves, 3,950 acres. The area for general settlement if suitable is at the north end of A 2 (179 acres), of A 4 (472 acres), of A 5 (383 acres), of A 6 (676 acres), of A 8 (797 acres), the whole of A 3 (743 acres), and the whole of B (700 acres). Total, 3,950 acres. Mr. Percy Ward, who has cut out some of the subdivisions, should be asked to report on the block as a whole, and whether the proportion proposed for general settlement is suitable for the purpose or can be put to any use at all. 3. Te Pukahu. —2,BBo acres. The tite to this has just recently been determined. The area proposed to be reserved for Maori occupation is 1,200 acres, of which 100 acres are to be reserved as papakainga and the balance to be cut up into suitable sections for lease to Maoris. The balance of the block, 1,680 acres, is for general settlement. Mr. Edgecumbe should be asked to report how best to subdivide the block to carry out these proposals. 4. Utukura. —The following subdivisions are proposed for general settlement: — a. mr. p. Ib 2d. 325 0 0 2b Id (part). 600 0 0 out of 1,273 acres and 27 perches, to be cut out at south end of block to give access to Ib 2d which adjoins on the east. 2b lc (part). 100 0 0 out of 680 acres 3 roods 6 perches, to be cut out at south end of block to give access to 2b Id. 2d No. 10 (part). 100 0 0 out of 453 acres 2 roods 15 perches, to be cut out at south-east end of block. 2d No. 11. 149 1 36 2d No. 12 (part). 315 334 out of 365 acres 3 roods 34 perches. The balance 50 acres, to be left at north end of block and leased to owners of 2d No. 10. 2d No. 13. 61 3 16 2d No. 14. 211 1 14 2d No. 15. 329 3 24 2d No. 16. 221 2 25 Total ... 2,415 0 29 The balance of the block, 5,054J acres, is proposed to be reserved. Mr. Percy Ward should be instructed to report on this scheme in connection with scheme of settlement of Waima Noith, which adjoins on the south. 5. Waima North and Subdivisions. —7,s4B acres (approximately). Area proposed for general settlement as follows :— AI,A 2, A3, and A 4 ... 323 2 0 A 6 (part) ... ... 498 0 0 out of 798 acres, 300 acres to be reserved to adjoin A 7 and Te Tukituki Blocks. AB, A 10, A 12, and Al4 1,329 1 8 A 16... ... ... 456 0 0 As to this block, the owners ask that it be reserved for their use. This would, in our opinion, spoil the subdivisions of the block for disposal by auction, and we propose its inclusion in the area for general settlement, provided that a section of 250 acres is reserved for the owners of A 16, or such of them as may wish to occupy. A19... ... ... 710 0 0 The owners of this to get a section of 300 acres when the land is subdivided for disposal. A20... ... ... 117 0 0 A 21... ... ... 900 0 0 A22(part) ... ... 512 0 0 out of 1,023 acres. The balance, 511 acres, to be reserved for the owners, and located in such a position as the surveyor may advise. A23... ... ... 175 0 0 A25... ... .... 326 0 0 Total ... ... 5,346 3 8 The balance of the block, 2,201 acres, to be reserved for Maori occupation,

G.—lj

48

Mr. Percy Ward has cut out some of the subdivisions. He should be authorised to complete the subdivisional surveys in accordance with the orders of the Native Land Court, and requested to report on the scheme we propose, and particularly as to the location of the reserves for the Native owners. He will also report as to the best road-routes. We note that certain subdivisions of this block—A 10, A 16, and probably some othersare affected by timber agreements. 6. Waiuta South and Subdivisions. —Approximate area, 7,456 acres. This block is near the Waima Settlement. Probably one-third of it will be required for general settlement and the balance for Maori occupation. The owners are practically the "uriio as in Waima North. But we are unable to propose a scheme of settlement owing to the peculiar position of the title in consequence of the partitions made by the Native Land Court. The Court (Judge Puckey) partitioned the block, but in such a manner as to make it extremely difficult for a surveyor to carry out the orders of the Court. Judge Edger subsequently set aside Judge Puckey's'partition and made fresh orders. On appeal the Native Appellate Court recently cancelled Judge Edger's orders and reinstated Judge Puckey's— and now it appears Judge Puckey's orders cannot be carried out by survey. We have no hesitation in recommending that all existing partitions be cancelled —that before the Court makes fresh partitions a surveyor (we recommend Mr. Percy Ward) be authorised to go upon the block and prospect for roads. The block can then be partitioned by the Court with due regard to road frontages. 7. Motukiore and Subdivisions.—2, Boo acres approximately. The area proposed for general settlement is as follows : — Acres. G. 127 K. 302 M (part). 300 out of 453 acres, to be cut out so as to adjoin K and O. O. -301 Total 1,030 A portion of this area adjoins Waima North. Mr. Percy Ward can report on the block, as we understand he is authorised to survey the partitions ordered by the Court. The balance of the block, 1,770 acres, is to be reserved for Maori occupation. 8. Waipoua 2a and Subdivisions. — 3,819 Waipoua 2b and Subdivisions. — 8,380 12,199 The area we propose for general settlement is approximately 8,673 acres, as follows :— Acres. 2a 2 (part). 816 out of 1,216 acres; 400 acres to be reserved for owners. The land is reported to be subject to a gum lease for three or four years. 2a 3 (part). 987 out of 1,387 acres; 400 acres to be reserved for owners. Part gum land. 2b 2 (part). 2,293 out of 2,793 acres; 500 acres to be reserved for owners. Gum land not leased. 2b 3a (part). 1,117 out of 1,217 acres ; 100 acres to be reserved for owners, to include kaingas and cultivations. Owners wish to have use of some of the timber on portion for general settlement. 2b 3b (part). 917 out of 1,217 acres; 300 acres to be reserved for owners. The owners wish to have use of some of timber on portion for general settlement. 2 B 3c. 1,217 Unoccupied. Gum land, some flax. 2b 3d (part). 700 out of 1,100 acres; 400 acres to be reserved for owners, to include kaingas and cultivations (clearings). 2b 3e (part). 716 out of 816 acres; 100 acres to be reserved near Waipoua River for the owners. Total 8,673 The balance of the block, 3,436 acres, is either under lease or negotiation for lease, or to be reserved for the use of the owners. We no not know what surveyor lias been authorised to carry out the partition surveys of I his block.

G.— Li

49

9. Waihou (Lower). —Area variously estimated at from 5,500 to 8,000 acres. The title has recently been investigated by the Native Appellate Court. The area proposed for general settlement in this blook is 3,000 acres, and the Natives wish it located at the north-west end of the block. The balance is to be reserved for Maori settlement, and, subject to papakainga areas, is to be cut up into convenient sections for lease to Maoris under Part II of " The Native Land Settlement Act, 1907." The land has not been surveyed. The survey of the outer boundary is necessary and urgently required, the cost of it to be a charge on revenue from the portion for general settlement. 10. Paihia No. 1 and Subdivisions. —Area 3,684 acres. This block is at Whangape and as far as we have ascertained is not subject to any lease or timber agreement. The area proposed for general settlement is 1,751 acres, as follows : — Acres. Ib, lc, and Ie 600 Id (part). 300 out of 1,238 acres, to be cut out so as to give access from Ig to Ib, lc, and le. Ig (part). 851 out of 1,051 acres. 200 acres to be cut out as a papakainga. Total 1,851 The balance, 1,933 acres, is proposed for Maori occupation. 11. I'linakitere No. 2 and. Subdivisions. —Area, acres. The area proposed for general settlement and offered by the Native owners is 2,024 acres, as follows: — Acres. 2a (part). 450 out of 500 acres. The area to be reserved for the owners is 50 acres. 2b 3 ■ 708 2b 8 (part). 866 That is, one-half of the block. Total 2,024 A report is required from a surveyor as to the location of the 866 acres out of 2b 8, with relation to 2b 3 and the portion of 2a for general settlement. The surveyor should also report as to whether it will be necessary to take a portion of 2b 7 and 2b 8 so as to make convenient sections for disposal. The balance, 2,692J acres, is proposed to be reserved for Maori occupation. 12. Wairere No. 2 and Subdivisions. —Area, acres. 13. Whakarapa. —Area, 4,565 acres approximately. These two blocks are for the use and occupation of the owners. Messrs. Ramsey and Dive are, we understand, in negotiation for the timber on the latter block. Totals. For Maori Occupation. For General Settlement. A." B. P. A. R. P. 1 ... ... 9,805 0 0 11,010 0 0 2 ... 3,950 0 0 3,950 0 0 3 ... ... 1,200 0 0 1,680 0 0 4 ... 5,054 2 0 2,415 0 29 5 ... ... 2,201 0 0 5,346 3 8 6 ... 4,970 0 0 (approximate) 2,486 0 0 (approximate). 7 ... 1,770 0 0 1,030 0 0 8 ... 3,436 0 0 8,763 0 0 9 ... ... 4,000 0 0 (approximate) 3,000 0 0 (approximate). 10 ... 1,933 0 0 1,751 0 0 11 ... ... 2,692 2 0 2,024 0 0 12 ... ... 2,605 2 0 13 ... ... 4,565 0 0 48,182 2 0 (approximate) 43,455 337 (approximate). The Native owners are very' anxious that the surveys of these blocks shall be proceeded with, and we recommend that the authorisation of competent surveyors be expedited, in order that the titles may be completed.

7—a. ij.

G.—lj

50

Bay op Islands County. 1. Kaikou and Subdivisions. —Area, 4,844 acres. The whole of this block is proposed for general settlement, subject to a reserve of 600 acres on Kaikou C, to include existing kaingas and cultivations. 2. Maromaku A and B. —Area, 4,428 acres. The whole of this block is proposed for general settlement, subject to small papakaingas and to reservation of 500 acres for lease to Maori owners. 3. Mohinui. —Area, 1,908 acres. 900 acres for general settlement to be located at south-east end of block, excluding kaingas and cultivations. A reserve of 15 acres to be made on portion for general settlement to take in some building and fencing timber for use of Native owners. Balance, 1,008 acres, for Maori occupation. 4. Motatau No. I. —Area, 18,660 acres, approximately. Title just ascertained by the Native Appellate Court. It is proposed to cut out 8,000 acres of this block for general settlement. If possible it should be so located as to fit in with the scheme of settlement proposed by the Board for Motatau No. 2, which is vested in it, and of Kaikou and Maromaku, as recommended above. The balance, 10,660 acres, is to be reserved to the owners. 5. Ngawhitu. —Area, 1,903 acres. We propose that 900 acres of this be cut out for general settlement and the balance reserved for the use of the owners. We have no information to guide us in recommending the location of the area for general settlement. A report from a surveyor is required. 6. Taraire Nos. 1 and 2. —Estimated area, 6,355 acres. Title just been ascertained by Native Appellate Court. No. listo be all reserved for Maori occupation : area, about 700 acres. Of No. 2 the area proposed for general settlement is 2,289 acres; the balance, 3,366 acres, being reserved for Maori occupation. A surveyor's report is required as to the location of this area. The land is of very uneven quality, from poor gum land to good volcanic patches. 7. Waikokopu and Subdivisions. —Area, 1,151 acres. There are four subdivisions. The land is said to be unoccupied. The whole of it is proposed for general settlement. 8. Otetao A and, B. —Area, 956 actes. 600 acres to be cut out for general settlement; and the balance, 356 acres, to be reserved for Maori occupation. 9. Whangaruru-Whakaturia. —Estimated area, 1,340 acres. Three subdivisions. Title just completed by Native Appellate Court. Not surveyed. Nos. 1 and 2 are to be reserved for Maori occupation, and No. 3 is proposed for general settlement, but the area of it is not known. 10. Whangaroa—Ngaiotonga. —Estimated area, 4,404 acres. Title just completed by Native Appellate Court. 1,404 acres is to be reserved for Maori occupation. The balance, 3,000 acres, is proposed for general settlement. The surveyor to report as to location of the area. 11. Tutaematai A and, B. —Estimated area, 2639+ acres. It is proposed to cut out 1,300 acres for general settlement and to reserve the balance, 1,339+ acres, for the use and occupation of the owners. 12." Ngaiotonga 1 and, 2. —Area, 1,422 acres. The whole of this block is proposed for general settlement. The land is under a gum 13. Te Wiroa. —Area, 1,200 acres. Title just determined by the Native Appellate Court. The whole of this block is proposed for general settlement. The land is under a gum lease expiring in two years. Burial-places to be reserved. 14. Whakataha and Subdivisions. —Area, 1,412 acres. The whole of this block is proposed for Maori occupation. Some of the owners wish to lease 100 acres of No. 1 and 82 acres of 3a. A surveyor's report is necessary as to whether the land is suitable for settlement in small sections, and, if so, whether it is possible to cut out 100 acres of No. 1, 300 acres of No. 2, the whole of 3a, and 130 acres of 3b, in such manner as to connect the portions for lease. 15. Maungaturoto. —Area, 1,220 acres. 16. Motatau No. 3.— ~ 4,900 ~ 17. Motatau No. J t .— ~ 3,300 ~ 9,420 acres. These are proposed to be reserved for the use and occupation of the owners, Titles have just been determined by the Native Appellate Court,

Gk—lj

51

18. Kotuku A and B. —Area, 1,770 acres. Title has only recently been determined by the Native Appellate Court. This is proposed to be reserved for the use of the owners. 19. Parahaki and Subdivisions. —Estimated area, 2,852 acres. The whole of this block is to be reserved for the owners. 20. Rawhiti and Subdivisions. —Estimated area, 15,200 acres. This is a series of blocks extending towards Cape Brett, consisting of — A. R. P. Maunganui No. 1 ... ... ... ... ... 1,000 0 0 No. 2 ... ... ... ... ... 1,460 0 0 Rawhiti ... ... ... ... ... .. 8,360 0 0 Hauai ... ... ... ... ... ... 1,860 0 0 Tangatapu ... ... ... ... ... ... 1,120 0 0 Orokawa 1, 2, and 3 ... ... ... ... ... 463 1 32 Taupiri ... ... ... ... ... ... 100 0 0 Te Pahii 150 0 0 Pareanui ... ... ... ... •■• ••• 60 0 0 Te Kokinga ... ... ... ... ... 50 0 0 There seems to be a shortage of 550 acres from the estimated total area. This is not material, as the block and subdivisions are not properly surveyed, the title having been investigated on a sketch-plan. The Native owners-ask that the following subdivisions be reserved for their occupation : — A. R. P. Te Kokinga ... ... ... ... ... ... 50 0 0 Orokawa ... ... ... •■■ ■•• ... 463. 1 12 Te Pahii 150 0 0 Pareanui ... ... ... ... ... ... 60 0 0 Taupiri 100 0 0 823 1 12 and we accordingly propose their reservation. As to the main subdivisions, we are of opinion that Maunganui Nos. 1 and 2 and the portion of Rawhiti lying between the subdivisions of Maunganui be made available for general settlement; also one-third of Hauai —say 620 acres; one-third of Tangatapu—say 370 acres; and one-third of Rawhiti —say, inclusive of portion of Rawhiti already mentioned, 2,800 acres: making a total of 6,250 acres. As to the balance, we think that an area of 3,000 acres should be cut up into suitable sections and leased to Maoris, out of which sections of a total area of 1,000 acres should be reserved for lease to owners of Maunganui Nos. 1 and 2. The rest may be managed as communal farms by committees of the owners under the incorporation system. We do not know of any surveyors now on these lands who may be asked to report on the schemes here outlined. No doubt the Department will be able to arrange for surveyors to undertake the work. Totals. For Maori Occupation. For General Settlement. A Tt "P A It 1' 1 ... ... 600 0 6 4,244 6 6 2 ... ... 600 0 0 3,828 0 0 3 ... ... 1,008 0 0 900 0 0 4 ... ... 10,660 0 0 8,000 0 0 5 ... ... 1,003 0 0 900 0 0 6 ... ... 4,006 0 0 2,289 0 0 7 ... ... ... 1,151 0 0 8 ... 356 0 0 600 0 0 9 ... 1,000 0 0 340 0 0 10 ... 1,404 0 0 3,000 0 0 11 ... ... 1,339 2 0 1,300 0 0 12 . ... ... • 1,422 0 0 13 ... ... ... 1,200 0 0 14 ... ... 1,412 0 0 15, 16, and 17 ... 9,420 0 0 18 and 19 ... 4,622 0 0 20 ... ... 8,950 0 0 6,250 0 0 46,440 0 0 (approximate) 35,424 0 0 (approximate).

G-.—lj

52

APPENDIX 11. A. Native Land Commission, Auckland, 11th May, 1908. To His Excellency the Governor. May it-please Your Excellency,— We have the honour to submit for your consideration the following interim report on Native lands in the Counties of Hokianga and Bay of Islands. There is a large area of land in these counties suitable for settlement, some offered by the Native owners and some we propose to recommend. Owing to the position of some of the titles and of the surveys, we are compelled to withhold our recommendation in respect of some of the blocks until we receive surveyors' reports on the rough scheme of settlement we propose. We are forwarding the rough scheme to the Native Department, and asking that competent surveyors be directed to visit the blocks and report to us as soon as possible. In the meantime we recommend the issue of an Order in Council under section 10 of "The Native Land Settlement Act, 1907," prohibiting private alienation over the lands set forth in the schedule hereto. We have the honour to be Your Excellency's obedient servants, Robert Stout, A. T. Ngata, Commissioners.

Schedule.

I Name of Block. Area. Survey District. Remarks. A. 'okianga County. Mangamuka East and subdivisions Mangamuka West and subdivisions. Motukiore and subdivisions A. 8,949 R. P. 0 0 Maungataniwha. 12,520 0 0 .. 2,800 0 0 Mangamuka Messrs. Ramsay and Dive, of Rawene, are reported to have options over the timber. Title recently determined by Native Appellate Court. Te Pukahu 2,880 0 0 ,? • • Punakitere No. 2 and subdivisions Paihia No. 1 and subdivisions Utakura Ib 2 and subdivisions Utakura 2b and subdivisions Utakura 2d and subdivisions Utakura 2e Waima South and subdivisions Waima North and subdivisions 4,716 2 0 Punakitere. 3,684 2,315 0 25 0 30 Whangape. Mangamuka and Omapere Mangamuka Nos. Ib 2a and Ib 2q are under negotiations for lease. 2b Ia is under negotiation for lease. Note that 2d 9 is under timber lease. 2,031 3,092 30 7,456 3 8 2 32 0 0 0 0 >, • • Waoku. 7,548 0 0 Mangamuka and Omapere Messrs. Ramsay and Dive are reported to have options over timber rights. Waipoua 2a and subdivisions Waipoua 2b and subdivisions Wairere 2 and subdivisions 3,819 8,380 2,605 0 0 2 0 2 0 Waipoua. Title recently determined by Native Appellate Court. Ditto. Messrs. Ramsay and Dive reported to have acquired rights over timber. Title recently determined by Native Appellate Court. Mangamuka Whakarapa 4,565 0 0 Whangape Waihou (Lower) 5,502 0 0 Waihou A and B and subdivisions 7,900 0 0 Mangamuka and Omapere Total 89,795 1 15 Kotuku A and B B. Bay of Islands County. Punakitere Title just ascertained by Native Appellate Court. 1,770 0 0 Kaikou and subdivisions .. Maromakau A and B 4,844 0 0 4,427 0 0 Motatau.

53

Gk—lj

Schedule — continued.

The areas of most of these blocks are given approximately. B. Native Land Commission, Auckland, 15th May, 1908. To His Excellency the Governor. May it please Your Excellency,— Referring to our report of the 11th instant, we desire that the following blocks be added to the list of lands in respect of which we recommend that an Order in Council under section 10 of " The Native Land Settlement Act, 1907," prohibiting private alienation, should be issued : — Name of Block. Approximate Area. Survey District. Acres. Wairoa ... ... ... ... ... 3,():)1 Hokianga. Manukau ... ... ... ... ... 9,280 Herekino. The titles to these blocks have only recently been ascertained. No proper surveys have been made. There is good timber on all these lands. We have the honour to be Your Excellency's obedient servants, Robert Stout, A. T. Ngata, Commissioners.

APPENDIX 111. Sir, — Native Land Commission, Auckland, 15th May, 1908. We have the honour to submit for your consideration a report on certain blocks vested in the Tokerau Maori Land Board under " The Maori Land Settlement Act, 1905," viz. :— Te Karae, 'Motatau No. 2, Parengarenga and subdivisions, Pakohu and subdivisions.

Name of Block. Area. Survey District. Remarks. B. Bay of Isl lands County —cont: inued. Mohinui A. R. P. 1,908 0 0 Kawakawa, Motatau, and Hukereuui. Maungaturoto Motatau No. 1 .. 1,220 0 0 18,660 0 0 Omapere. Motatau Title just ascertained by Native Appellate Court. Ditto. No. 3 .. 4,900 0 0 Motatau and Kawakawa ; Ditto Kawakawa. Russell. „ No. 4 .. Ngawhitu Ngaiotonga 1 and 2 Otetao A and B .. Parahaki and subdivisions 3,300 0 0 1,903 0 0 1,422 0 22 956 0 0 2,852 0 0 ,, Rawhiti (and subdivisions Maunganui 1 and 2, Hauai, Tangatapu, and lesser subdivisions) Tutaematai A and B Taraire 1 and 2 .. 15,200 0 0 Tutamoe and Mangakahia. Russell and Bay of Islands Title recently ascertained by Native Appellate Court. 2,639 2 0 6,355 0 0 Russell. Omapere and Punakitere Russell. Omapere Waikokopu and subdivisions Whakataha and subdivisions 1,151 0 0 1,412 0 0 Title recently ascertained by the Native Appellate Court. Ditto. Whangaruru - Whakatu r i a and subdivisions Whangaroa-Ngaiotonga Te Wiroa 1,340 0 0 Russell 4,404 1 0 1,200 0 0 j, • ■ .. Omapere .. . Total 80,763 3 22

a.— ij

54

1. Te Karae. —Estimated area, 19,536 acres. Mr. Edgecumbe, who is surveying the block, says that on survey the area will probably exceed 20,000 acres. The block is in four subdivisions, now being surveyed, and known by the names of the ancestors entitled, — No. 1. Ruawaha ... ... ... ■■• ■•• 3,000 to 3,300 acres. No. 2. Tohukakahi ... ... ... •■■ 8,900 to 9,250 ~ No. 3. Umutahi ... ... ... ... ••• 2,250 to 2,500 ~ No. 4. Tama and Parangia ... ... ... 4,600 to 4,900 ~ The owners of No. 1, represented by Waaka Hohepa, wished to retain the whole of their subdivision. There are five families interested, with five small kaingas, a few cultivations, and small clearings. They wished papakaingas reserved round these kaingas, and the balance of the subdivision cut up into sections for lease to some of the owners. We are of opinion that 1,000 acres would be ample provision, out of which provision should be made for papakaingas, and the rest divided into convenient sections for lease to Maoris. The owners of No. 2, represented by Rihari Mete and some of his sons and members of the late Hori Karaka Tawiti's family, asked that 800 acres be reserved for a papakainga, and the balance of the block, with the exception of a portion at the north-west end, estimated by Mr. Edgecumbe at slightly over 1,000 acres, should be cut up into sections and leased to the owners, a list of specified tenants being handed in. Rihari Mete urged (1) that Te Karae was the best land owned by his family, the only block in which their interests were consolidated, and one which but for the delay in the investigation of title and the disposal of timber areas would have been farmed on a fairly large scale; (2) that they were giving up their interests in all other blocks— viz., 743 acres in Waihou 3a, 900 acres in Waima North, 90 acres in Rangiawhia, nearly 1,000 acres in Pukahu—in all about 3,000 acres —for general settlement. We are of opinion that liberal provision should be made for the owners of this subdivision. There are ninety-seven of them, and at the present time a number of them will make fairly good farmers, and in a few years, as the younger members of the families grow up, provision would have to be made for them. Inclusive of papakaingas, we are of opinion that 3,500 acres should be reserved for Maori occupation; the balance, after defining papakaingas, to be cut up into sections and leased to the owners. The owners of No. 3 were represented by Hirini Kiroa, who stated that there were three small kaingas on the, block. They wanted 200 acres for papakaingas, to include the kaingas. The balance they wished to bo divided into two equal parts—one for leasing to Europeans, the other for leasing to Maoris. We are of opinion that, apart from papakaingas, which should not absorb 200 acres, 700 to 800 acres will be sufficient to provide sections for lease to those of the owners who may desire to farm land. As to No. 4, Taipari Heihei, who acted as spokesman, was satisfied with a reservation of 400 acres. He was under the impression that the subdivision did not exceed 2,000 acres. We are of opinion that 800 acres will be ample reservation for the owners to include papakaingas and sections for lease. Summarised, our recommendation is that the following areas be reserved: — Acres. No. 1 I- 000 No 2 3,500 No. 3 900 No. 4 800 Total 5.200 This will leave between 14,000 and 15,000 acres for lease to the general public. Our impression during the inquiry was that the demand for large reservations was probably due to the fact that many of the Natives are cutting out timber for supply to the timber-mills in the district, without accounting to the other owners for royalties. The Natives are now willing that the Boards should handle all the timber and what may be required for building purposes. No doubt the Board will make special conditions regarding the timber in the leases, whether to Maoris or Europeans. 2. Motatau No. 2. —Estimated area, 35,000 acres. The majority of the owners who appeared before us at Kawakawa and Kaikohe asked for liberal reservations, and stated that a large area of land has been cleared and grassed during the last four years. The chief hapus interested, Ngati-Hine, Te Orewai, and Kauimua, have two main kaingas, Opahii and Waiomio, and two smaller kaingas, Ahikiwi and Tiweka. The area reported to have been recently cleared is 1,600 acres. It may be that the vesting of the land in the Board has spurred some of the families to work. But, in our opinion, efforts of this kind should not be discouraged by precipitate action on the part of the Board. The Board should not proceed on the assumption that the beneficiaries will never improve the land because they have so little to show for the length of time they have been in possession of the land. While the papakaingas should be limited to the actual kaingas and surrounding cultivations, the beneficiaries should be fairly considered in the reservation of sections to be leased to them. We are taking into consideration the probability that Motatau 3 and 4 (total area, 8,000-odd acres), belonging to practically the same owners as in No. 2, will be reserved for Maori occupation, and that one-half of Motatau No. 5 (still papatupu) will be similarly reserved. On the other hand, considering the position of the Bay of Islands County generally, the area proposed to be

GL—]j

55

reserved for the Maori owners is only 70,000 acres, while the area for general settlement (including Motatau No. 2) is 90,000. We think that from 8,000 to 9,000 acres of Motatau No. 2 should be set aside for Maori occupation as papakaingas and sections for lease. We may here point out that the system of leasing provided in Part II of " The Native Land Settlement Act, 1907," sections 55 to 57, does not apply to areas set aside for lease to Maoris out of lands vested in the Board by virtue of section 8 of "The Maori Land Settlement Act, 1905," notwithstanding section 23 of " The Maori Land Claims Adjustment and Laws Amendment Act, 1907." The latter refers only to lands vested by virtue of section 4of " The Maori Land Settlement Act, 1907." Motatau, Te Karae, and other blocks were vested under the Act of 1905. The result is that. preference cannot be given to the owners, or to Maori tenants specified by them. The law requires amending to give this preference. Meantime the reservation of sections for lease to Maoris can be made, and their disposal await further legislation. The settlement of sections for lease to the general public will, of course, not be prejudiced or delayed. 3. Parengarenga and I'akohu.- -Total area, 57,306 acres. Dealing first with Parengarenga subdivisions, we understand that Lots A and C have not been disposed of. The Maori beneficiaries ask that these be reserved for their use. The papakaingas in Parengarenga, according to the lithograph attached, are three small reserves totalling 84 acres, near Parenga, and two, totalling 951J acres, at Te Kao, on Parengarenga 5b No. 3. Block 5b No. 3 (2,725 acres) was reserved as a papakainga by the Native Land Court. The Maoris say they understood that in disposing of the land the Board would not interfere with this. But on survey nearly 1,800 acres was cut out and thrown into Lot A. This action the Maoris seem to have strongly resented. They now ask that the original Block 5b No. 3be reserved to them. This does not seem to us an unreasonable request, unless there were special reasons for including a portion of it in Lot A. As to the balance of Lof! A, we do not see how the Maoris can manage so large an area of poor land They say they wish to work it on the incorporation system. We are of opinion that if they are to use it at all they should pay rent to the Board, so as to secure proper use of the land and the gum on it. Lot C, of 5,773 acres, should certainly be leased to them, or to those of their number who may be selected by the Board after conference with them. Pakohu. —There is one main papakainga reserve of 708 acres at Te Hapua, and nine small reserves; total area, 112 acres. The main reserve, according to the Maoris, is not sufficient. It is alleged that a good deal of it is under water in the winter months. The Maoris wished a part of Lot E cut out and added to the reserve; but, as Lot E was leased, we pointed out that this could not be done. Lot G (872 acres) is, we understand, not under lease, having been abandoned. If this is so, the Maoris will be glad to have it reserved, and we recommend the reservation of this section, if available. No doubt the position of these lands presents many difficulties. They were vested in the Board by statute to save them from sale for survey liens. We understand that the revenue from rent and royalties has almost, if not quite, paid off the survey charges. The non-resident owners have not in the past benefited from the gum on these lands; the resident owners have enjoyed the benefits. Probably the action of the Board in requiring strict supervision over the gum resources of these lands, even in the papakainga areas, has been largely responsible for the recent tension of feeling among the Maoris. Whatever is done to meet the wishes of the Natives at Te Kao and Te Hapua, the interests of non-resident beneficiaries should be safeguarded. The problem was presented to us in dealing with the papakaingas in these and other lands vested in the Board that no power exists for defining what beneficiaries shall have the use of the reserves. They are reserved, we take it, for all the beneficiaries, and if a dozen reserves were made in any block all the beneficiaries would be entitled to residence and use of each of them. We are jf opinion that during the period of the leases the use of the papakaingas should be restricted to beneficiaries to be determined by the Board or other tribunal. Absentee owners should prima facie be excluded, so also owners who may take leases of sections. And as between resident owners, no one owner should have the use of more than one papakainga in a block. If this were not done, the difficulties of the communistic system would be intensified by the restriction of the beneficiaries to papakainga areas without defining their rights of user and occupation. Other matters brought under our notice have been referred to the President of the Board for explanation. We have, &c, Robert Stout, A. T. Ngata, Hon. J. Carroll, Native Minister, Wellington. Commissioners.

Approximate Cost of Paper. —Preparation, not given ; printing (1,500 copies), £30 14s. 6d.

By Authority : John Mackay, Government Printer, Wellington.—l9oS Price Is. 3d.]

This report text was automatically generated and may include errors. View the full page to see report in its original form.I whakaputaina aunoatia ēnei kuputuhi pūrongo, e kitea ai pea ētahi hapa i roto. Tirohia te whārangi katoa kia kitea te āhuatanga taketake o te pūrongo.
Permanent link to this item
Hononga pūmau ki tēnei tūemi

https://paperspast.natlib.govt.nz/parliamentary/AJHR1908-I.2.4.3.14/1

Bibliographic details
Ngā taipitopito pukapuka

NATIVE LANDS AND NATIVE-LAND TENURE: INTERIM REPORT OF NATIVE LAND COMMISSION, ON NATIVE LANDS IN THE COUNTIES OF WHANGAREI, HOKIANGA, BAY OF ISLANDS, WHANGAROA, AND MANGONUI., Appendix to the Journals of the House of Representatives, 1908 Session I, G-01j

Word count
Tapeke kupu
26,900

NATIVE LANDS AND NATIVE-LAND TENURE: INTERIM REPORT OF NATIVE LAND COMMISSION, ON NATIVE LANDS IN THE COUNTIES OF WHANGAREI, HOKIANGA, BAY OF ISLANDS, WHANGAROA, AND MANGONUI. Appendix to the Journals of the House of Representatives, 1908 Session I, G-01j

NATIVE LANDS AND NATIVE-LAND TENURE: INTERIM REPORT OF NATIVE LAND COMMISSION, ON NATIVE LANDS IN THE COUNTIES OF WHANGAREI, HOKIANGA, BAY OF ISLANDS, WHANGAROA, AND MANGONUI. Appendix to the Journals of the House of Representatives, 1908 Session I, G-01j

Log in or create a Papers Past website account

Use your Papers Past website account to correct newspaper text.

By creating and using this account you agree to our terms of use.

Log in with RealMe®

If you’ve used a RealMe login somewhere else, you can use it here too. If you don’t already have a username and password, just click Log in and you can choose to create one.


Log in again to continue your work

Your session has expired.

Log in again with RealMe®


Alert